

VMA01
MANUAL HVMA01’1
RGB Shield for Arduino®

Control 3 dimmer channels (1 x RGB or 3 single channels) with Arduino Uno™.
Features
- For use with Arduino Due TM, Arduino Uno TM, Arduino Mega TM
- RGB indicator leds
- Screw terminals for led strip connection.
- With cascade connectors for other shields
- Selectable power supply: external power or power from Arduino Uno TM board
Specifications
- Max. current: 2A/channel
- Max. input voltage: 50VDC
- Dimensions: 68 x 53mm / 2.67 x 2.08”
Connection diagram
http://forum.velleman.eu/viewforum.php?f=39&sid=2d465455ca210fc119eae167afcdd6b0
Participate our Velleman Projects Forum
DOWNLOAD SAMPLE CODE FROM KA01 PAGE ON WWW.VELLEMAN.BE
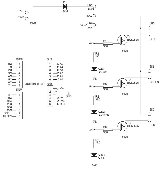
Schematic diagram


The new Velleman Projects catalog is now available. Download your copy here: www.vellemanprojects.eu

Modifications and typographical errors reserved – © Velleman NV. HVMA01 Velleman NV, Legen Heirweg 33 – 9890 Gavere.



















