
Important Notices
Information in this document is subject to change without notice. LXNAV reserves the right to change or improve their products and to make changes in the content of this material without obligation to notify any person or organization of such changes or improvements.
- A Yellow triangle is shown for parts of the manual which should be read very carefully and are important for operating the system.
- Notes with a red triangle describe procedures which are critical and may result in loss of data or any other critical situation.
- A bulb icon is shown when a useful hint is provided to the reader.
Limited Warranty
This LXNAV product is warranted to be free from defects in materials or workmanship for two years from the date of purchase. Within this period, LXNAV will, at its sole discretion, repair or replace any components that fail in normal use. Such repairs or replacement will be made at no charge to the customer for parts and labour, provided that the customer shall be responsible for any transportation cost. This warranty does not cover failures due to abuse, misuse, accident, or unauthorised alterations or repairs.
THE WARRANTIES AND REMEDIES CONTAINED HEREIN ARE EXCLUSIVE AND IN LIEU OF ALL OTHER WARRANTIES EXPRESSED OR IMPLIED OR STATUTORY, INCLUDING ANY LIABILITY ARISING UNDER ANY WARRANTY OF MERCHANTABILITY OR FITNESS FOR A PARTICULAR PURPOSE, STATUTORY OR OTHERWISE. THIS WARRANTY GIVES YOU SPECIFIC LEGAL RIGHTS, WHICH MAY VARY FROM STATE TO STATE.
IN NO EVENT SHALL LXNAV BE LIABLE FOR ANY INCIDENTAL, SPECIAL, INDIRECT OR CONSEQUENTIAL DAMAGES, WHETHER RESULTING FROM THE USE, MISUSE, OR INABILITY TO USE THIS PRODUCT OR FROM DEFECTS IN THE PRODUCT. Some states do not allow the exclusion of incidental or consequential damages, so the above limitations may not apply to you. LXNAV retains the exclusive right to repair or replace the unit or software, or to offer a full refund of the purchase price, at its sole discretion. SUCH REMEDY SHALL BE YOUR SOLE AND EXCLUSIVE REMEDY FOR ANY BREACH OF WARRANTY.
To obtain warranty service, contact your local LXNAV dealer or contact LXNAV directly.
Installations
Packing Lists
- 485 to232 bridge
- Pair of spring locks for RS485 splitter
Basics
LXNAV RS485 to Rs232 bridge (Bridge) is connected to the RS485 bus through a RS485 splitter DB9 connector. A RS485 splitter is not part of package. If you don`t have spare port on your RS485 splitter you must order another 485 splitter.
Installation
The RS485 splitter needs a small modification before the Bridge can be fitted. It is necessary to remove two HEX screws, where the Bridge is to be connected, and replace them with the two spring locks that are in the package.

After that small modification, fixing the Bridge to the RS485 splitter will be very easy.

On the other side of the Bridge there is a RJ12 connector with a standard IGC/FLARM pinout
| Pin number | Description |
| 1 | (output) 12V DC, to supply GPS |
| 2 | 3.3V DC (max 100mA) |
| 3 | GND |
| 4 | Flarm Data Out |
| 5 | Flarm Data In |
| 6 | Ground |
By default, the Bridge is programmed to stream NMEA data at 4800bps. It streams standard GPS and Flarm data.
Wirings
The wiring diagrams show the minimum required connection for communication between a LXNAV instrument and a radio or transponder. The user should check the manual of the connected device for any further information.
NMEA bridge
NMEA bridge can transmit stanradr GPS data sentences (GPGGA, GPRMC, GPGSA and GPVTG), Flarm NMEA sentences (PFLAU, PFLAA), and LXNAV NMEA senteces (PLXVF and PLXVS).
Oudie

Radios
Funkwerk ATR833 /ATR833-II

Dittel KRT2

Trig TY 91/92
- TY 91/92 without TC 90 head

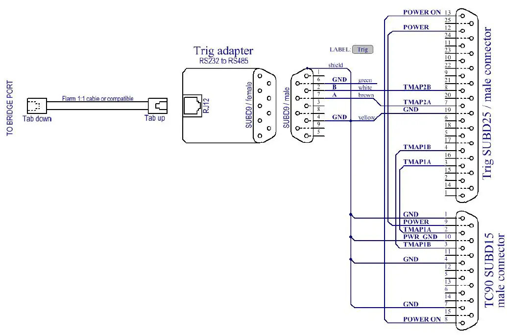
- Trig TY 91/92 with TC90 head

Minimum firmware versions for communication between Trig radio and RS485 to RS232 Bridge
| Device | Minimum firmware version |
| TY 91/92 | 1.5 |
| TC 90 | 1.4 |
| RS485 to RS232 Bridge | 1.18 |
Becker AR6201 / RT6201
A remote control should be enabled on the Becker radio. Please check the Becker radio’s Manual to see how to enable it.
From Becker manual:

Try to enable “Tandem” mode on the radio itself. To do this, press MDE while turning on the radio. Input password 6435 and press STO. Move to “Configuration” screen with SCN and enable “Tandem” checkbox there. Also, on the “SPKR VOL SRC” select the “Both” option. Now you can turn off the radio (settings are saved on-the-fly) and check if the connection works. If it still doesn’t work or you can’t find the menu items, please specify the exact model of Becker radio (the “PN” label on the device).
Minimum firmware version for communication between Becker and Bridge
| Device | Minimum firmware version |
| RS485 to RS232 Bridge | 1.16 |
| Becker SCI1050S305 | 3.05 |
| Becker SCI1051S305 | 1.49 |
- AR6201 single seater

- AR6201 twin seater

- RT6201 single seater remote control


Transponders
Becker BXP6402


Trig TT 21/22

Connection of bridge to transponder is not certified, due to not certified altitude, which is distributed from main unit.
Multifunction controllers
AIR Control Display 57


Revision History
| Rev | Date | Comment |
| 1 | August 2014 | Initial release of owner manual |
| 2 | July 2015 | Added chapters 2.4.2.3 TRIG TY 91/92 |
| 3 | August 2015 | Modified wirings for Trig TY 91/92, Trig TT 21/22 and Becker BXP6402 |
| 4 | October 2015 | Modified wirings with separated connectors from Bridge, Wired power ON pins for auto ON functions, Added chapter 1.5.1.4 Becker AR6201 |
| 5 | October 2015 | Cable shields wired to SUBD9 connector housings, Added colours to wires |
| 6 | January 2016 | Instructions for Becker Radio configuration |
| 7 | February 2016 | English correction, trigging the remote head description is added |
| 8 | March 2016 | Added wirings for Becker radios with single and two seater configuration for AR6201 and RT6201 |
| 9 | June 2016 | Added wiring for Trig TY91/92 with TC90 head |
| 10 | July 2016 | Added version requirements for Trig TY 91/92 |
| 11 | March 2017 | Added old color pinouts of Becker wiring v1.0: 2.4.2.4, 2.4.3 |
| 12 | September 2017 | Updated ch.2.4.2.4 Added new ch.2.4.1.1 |
| 13 | August 2018 | English correction done by JR |
| 14 | August 2018 | Modified wiring for ATR833 in ch.2.4.2.1 |
| 15 | April 2019 | Added 2.4.4 (Multifunction controllers) and 2.4.4.1 (AIR Control display 57) |
| 16 | December 2019 | Added version requirements for Becker radios in chapter 2.4.2.4 |
| 17 | April 2020 | Updated wiring diagram 2.4.4.1 with color labels |
| 18 | November 2020 | Updated chapter 2.4.3 |
| 19 | January 2021 | Updated chapter 2.4.4.1 |
| 20 | January 2021 | Style update |
| 21 | February 2021 | Style fixes |
| 22 | November 2021 | Updated chapter 2.4.1 |

























