Bissell BGUS1500, BGUS1500B Commercial Scrubber Drier

INTRODUCTIONS

Attention! Read the instruction manual
- ORIGINAL INSTRUCTIONS MANUAL AND PARTS GUIDE. “ SAVE THESE INSTRUCTIONS “
- MANUALE ISTRUZIONI ORIGINALE E LISTA PARTI DI RICAMBIO “CONSERVARE QUESTE ISTRUZIONI”
- ORIGINALE BEDIENUNGSANLEITUNG UND ERSATZTEILE „DIESE ANWEISUNGEN AUFBEWAHREN“
- MANUEL D’INSTRUCTIONS ORIGINAL ET PIÈCES DE RECHANGE « CONSERVER CES INSTRUCTIONS »
- ORIGINAL MANUAL DE INSTRUCCIONES Y LISTA DE REPUESTOS “GUARDE ESTAS INSTRUCCIONES”
WHEN USING AN ELECTRICAL APPLIANCE, BASIC PRECAUTIONS SHOULD ALWAYS BE FOLLOWED, INCLUDING THE FOLLOWING
Read these operating instructions carefully
- Use the machine on hard surfaces and only moistened by the cleaning process.
- Do not immerse.
- Connect the machine to an electricity supply at the voltage shown on the rating label.
- Always disconnect the plug when the machine is not in use and before doing any maintenance or cleaning of the machine.
- The plug should not be subjected to undue stress bypulling on the power supply cable.
- Do not introduce anything into the cooling slits and check periodically the filters.
- This appliance can be used bychildren from 8 years of age and people with reduced physical, sensory or mental capacity or lackof experience and knowledge only if they have received supervision or instructions concerning safe use of the appliance and have understood the risks involved.
Children should not play with the appliance. Cleaning and maintenance carried out by user should not be done by children without supervision. - Keep detergents out of children’s reach
- Always keep hands, hair, feet and clothes away from the moving brush
- Do not vacuum over electric cord, it can get damaged and create electric hazard.
- If the electric cord is damaged or the machine appears to be faulty, do not use it. Return it to a Bissel authorized dealer for service.
- Do not suck matches, ash or cigarettes that are still burning
- Do not suck inflammable liquid materials.
- Do not use nor suck bleach, detergents for waste water or pine products
- Air the rooms when using the machine with detergents
- Avoid vacuuming hard, long or sharp objects in order to avoid damage to the suction nozzles and clogging to the suction circuit.
- Use the machine only for what it is built for and as described in the instructions manual.
- Use and keep this machine in a dry environment and at a temperature between +5°C +35°C (+41°F +95°F)
- Do not expose to the sun and UV rays
Warning!
- Battery type allowed Use only original Bissel Commercial lithium-ion batteries. Only these batteries provide long life. Battery user safety measures for usage of Li-ion batteries.
- Recharge Use lithium-ion batteries recommended by the producer. The use of different batteriesmay result in injuries and fire.
- Observe special regulations concerning transport, storage and use of lithium-ion batteries. Store in a dry room with temperature between 10°C and 30°C (50°F – 95°F
- Also follow the battery use instructions. Please read the manufacturer’s battery safety data sheet
- The power supply terminals do not have to be short-circuited.
- Do not expose the lithiumion batteries to high temperatures or fire. There is a risk of explosion.
- It is forbidden to break, crush or set fire to the lithiumion batteries. Otherwise there is a danger of fire, explosion and corrosion.
- It is forbidden to recharge or reuse damaged Lithium-ion batteries (eg. batteries with cracks, broken or detached parts, bent or pushed inwards and / or outside contacts).
- Do not use lithium-ion batteries as power source of other unspecified uses.
- If a lithium-ion battery is extremely warm, it could be faulty. Remove the battery from the machine and put it in a not flammable place sufficiently ventilated and away from flammable materials, where it can be kept under control while it cools. When the lithium-ion battery has cooled, contact the Bissel Commercial service center.
- Keep the batteries clean and dry. Recharge the lithium-ion battery only with the original Bissel Commercial charger. In case of improper use there is a danger of fire.
- Before placing the Lithium-ion battery, make sure the contacts of the battery and the contacts with the machine are free from foreign bodies.
- In the event the machine is not used for a long time, the batteries must be submitted to a complete cycle charge before storing.
RECORD THE MODEL AND SERIAL NUMBER OF YOUR MACHINE AND KEEP FOR FUTURE REFERENCE.
MANUFACTURER
– COSTRUTTORE
– HERSTELLER
– CONSTRUCTEUR
– CONSTRUCTOR
FOR U.S.A. and CANADA COMMERCIAL MARKET ONLY
Connect to a properly grounded outlet only. See
grounding instructions
GROUNDING INSTRUCTIONS IN COMMERCIAL SITUATIONS WARNING
This appliance must be grounded. If it should malfunction or breakdown, grounding provides a path of last resistance for electric current to reduce the risk of electric shock. This appliance is equipped with a cord having an equipment-grounding conductor and grounding plug. The plug must be inserted into an appropriate outlet that is properly installed and grounded in accordance with all local codes and ordinances.
WARNING – Improper connection of the equipment grounding conductor can result in a risk of electric shock. Check with a qualified electrician or service person if you are in doubt as to whether the outlet is properly grounded. Do not modify the plug provided with the appliance – if it will not fit the outlet, have a proper outlet installed by a qualified electrician.
This appliance is for use on nominal 120-V circuit, and has a grounded plug that looks like the plug illustrated in sketch A.
Make sure that the appliance is connected to an outlet having the same configuration as the plug. No adaptor should be used with this appliance.

A temporary adapter that looks like the adapter illustrated in sketch B C maybe used to connect this plug to a 2 pole receptacle as shown in sketch B if a properly grounded outlet is not available. The temporary adaptor should be used only until a properly grounded outlet is not available. The green colored rigid ear, lug, or the like extending from the adaptor must be connected to a permanent ground such as a properly grounded outlet box cover. Whenever the adaptor is used., it must be held in place by a metal screw.

- Replace the plug if the grounding pin is damaged or broken.
- The green or (green/yellow) wire in the cord is the grounding wire.
- When replacing a plug, this wire must be attached to the grounding pin only.
- Extension cords connected to this machine should be 12 gauge, three-wire cords with three-prong plugs and outlets. Do not use extension cord more than 50 feet (15 m.) long
OVERVIEW
NOW YOUR MACHINE
ASSEMBLY INSTRUCTIONS
nsert the femal connector located inside the handle/electric panel, on the male connector located on top of the vertical body until the two side safety hooks snap in.
Insert the handle/electric panel on top of the vertical body making sure you don’t punch the water tubes and electric cords.

Screw the 4 attached screws:
2 on front

and 2 screws on the back
Insert the aesthetic rubber cups on top of the 4 screws.
Hook the cord in the upper anti stress hook located below the swivel upper cord hook.
After use, always disconnect the plug and wind the cord between the upper and lower cord hook located on the back of the machine.
After use, always empty the clean and dirty water tanks and carefully wash them as explained later.

INSTRUCTIONS FOR USE
A. Fill the tank with drinkable water at ambient temperature until the indicated level (2,6 lt.)
B. Fill the dosing cap until the indicated level (26ml = 1%) with the Bissel Commercial detergent suitable to the floor to be washed. Pour the content of the cap into the clean water tank and close the tank with the same cap.
C. Remount the tank into the machine positioning it in the lower guide and rotating it until the upper blocking hook snaps in.
BISSEL COMMERCIAL DETERGENTS FOR HARD FLOORS
All products are concentrated and need to be watered down1/100 Check the Bissel Commercial cleaners available FOAM FREE suitable for this machine.
ATTENTION:
if you don’t have the Bissel Commercial detergents available, wash the floors with water only .
Put the machine in working position, insert the water tank making sure the hook is all the way UP
BRUSH HEIGHT ADJUSTMENT
Your Bissel Commercial scrubber has various safety devices to protect the components from damages due to overload. The electronic circuit that activates the red light on the base indicates that the motor is overloaded because there is too much pressure on the brush roll.
If the overload is excessive, the circuit will switch off the brush motor and the red light will stay on.
CORRECT BRUSH PRESSURE ADJUSTMENT
STEP 1: With the machine ON and the handle in operatingposition, slowly rotate the brush adjustment knob to the Pos. MAX.
STEP 2: if during the scrobbing, the red light will turn ON, slowly turn the knob couterclockwise until the red light will turn OFF.
NOTE: the adjustment is correct with red light OFF or intermittent. Only if the red light is constantly ON, adjust the brush pressure as STEP 2.
CORRECT USE OF THE BISSEL COMMERCIAL SCRUBBER
After switching on all the 3 switches, the washing can start following the direction of the arrows (picture 1) without resting on one place with the machine on. This way the washing and the drying will be perfect withoutleaving wet areas.
In order to save detergent up to 50%, in case of washing of shiny, delicate and not particularly dirtyfloors it is possible to swith on the pump when going forwards and switching it off when goingbackwards. In case of rough floors, for outside or hygroscopic like porous tiles etc. it is advisable to leave the pump always on.
In case of big surfaces it isadvisable to wash following the procedure in picture 2.
When the clean water is finished, switch OFF the pump/electrovalve to avoid overheating.
SPRAY / EXTRACTION KIT
(optional only ELECTRIC version) Your scrubber is also a handy upholstery washer.
Rotate the connector blocking lever upwarts. Pull out the connector energicall.
NEVER REMOVE THE CONNECTOR BY PULLING THE FLEXIBLE HOSE
Insert the connector placed at the end of the upholstery wash hose. Rotate downwarts the hook lever.
Switch on the main-, the pump- and the suction switches.
This way the machine is ready to wash your upholstery.
Once the upholstery washing is finished, switch off the main switch of the machine, disconnect the plug, let the water in pression discharge by pressing the lever under the handle.
Remove the hose connector repeating contrary the assembly instructions and remount the suction hose of the machine.
Using the extension hoses available in the upholstery wash kit, it is possible to wash with the injection/extraction system not delicate rugs and carpets.
SPRAY / EXTRACTION KIT (optional)
The kit in the picture includes:
– Flex hose with handle
– N° 2 extension hoses
– Small nozzle with injector- Window cleaning tool
INDICATIONS BATTERY CHARGER
- Green light on = Low battery
- Green light blinking = Battery charged 100%
- Red on = Battery defected, to be replaced
- Red light flashing = Overtemperature. Charger waiting for cooling

BATTERY REPLACEMENT
For safety reasons, the battery is supplied with a maximum charge of 30%. Fully charge before use.
- Slide a charged battery in the slot until it click
- When the battery is empty the electronic boards in the machine will switch the machine OFF. You’ll see the two electronic boards, one on thebase and the second on the rear handle, lighting.
- Remove the battery by pushing the button and put it in the Bissel Commercial original charger for fully charge
ALWAYS RECHARGE THE BATTERY AFTER USE
CAUTION !
ALWAYS DISCONNECT THE POWER CORD BEFORE PERFORMING ANY MACHINE MAINTENANCE.
After using the machine it is important to effect some easy maintenance operations in order to assure the machine a long lifetime
AFTER USE, ALWAYS EMPTY THE TANKS AND EFFECT THE FOLLOWING MAINTENANCE OPERATIONS:

- TANK WASHING Remove the tank from the machine. Empty completely the dirty water in a WC or in waste water.

Unhook the levers front and rear the filter housing and separate the tank from the filter housing .
Wash the inside of the tank with room temperature water and a non abrasive sponge Rinse well both the clean water and the dirty water tank.
- WASHING OF THE MOTOR PROTECTION FILTER
The filter is placed in the filter housing above the tank.
Unhook the transparent filter cover and remove the filter.
Wash the filter under running room temperature water and wring it so that the water can flow out. In order to speed up the drying, you can use compressed dehumidified air.
Do not remount the filter before it is completely dry.
- WASHING OF THE FILTERHOUSING / FLOAT SYSTEM
After removing the motor protection filter, also wash with room temperature water the whole filter housing, on top (filter zone) and underneath (float system zone).
After the washing procedure, remount the tank in the machine.
REMOUNTING THE FILTER HOUSING IN THE TANK Insert the filter housing completely until the gasket adheres perfectly to the tank and hook the rear and
front levers.
- WASHING THE PUMPPROTECTION FILTERS
Remove the water tank.
With a punch, remove the plastic filter and consequently the light blue sponge filter. Wash both filters A every 3 times you use the machine and replace the filters kit if necessary.
If you don’t use the original Bissel Commercial detergents, the filters may clog more often.
Filtre B needs to be replaced at least once a Year.
- WASHING OF THE SUCTION NOZZLES
After each use, the suction nozzles will become dirty. Hair will be held back and will have to be removed.
Remove the upper cover of the base unlading the two side latches.
- . REPLACEMENT OF THE BRUSH ROLLER
REMOVE THE TANK Put the machine on the left side. Rotate the side support counterclockwise.
Push the brush roll up against the support and remove the support. Put back the brush roll in to the brush housing and pull it out from underneath.
To remount the brush roll insert it from underneath with the white drive joint of the brush roll on the same side as the white drive joint of the base.
Rotate it until it gets in the right position. Remount the lateral support and hook it by rotating it clockwise until it blocks. - CLOGGING
In case of clogging it is easy to check the whole suction circuit:
a. remove the tank and check that the motor protection filter is clean. If it’s dirty, wash it under running water , wring it and let it dry completely before remounting it.
b. rotate the red clip and remove the transparent converter cover. Check inside the suction converter making sure it is completely free from debris.
Remount the cover and hook the red clip.
- c. unhook the suction connector rotating first the hooking lever upwards.
d. unhook the hose from the nozzle group and check that the hose is free from debris.
Should the hose be completely clogged, insert a small flexible tube with rounded point and let it run through until it comes out on the opposite side.
BISSEL CONNERCIAL

V 120/60 – Class I
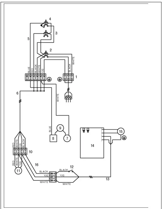
WIRING DIAGRAM
- Terminal block
- Main switch
- Vacuum switch
- Pump switch
- Wires kit electric panel
- Wires kit upper housing
- Pressosta
- Pump
- Thermal protector pump Terminal block
- By-pass vacuum moior
- Microswitch
- Wires kit base
- Circuit board
- Brush motor
- Wire kit vac / base
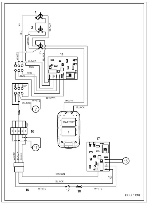
WIRING DIAGRAM

- Battery
- Main switc
- Vacuum switch
- Electro valve switch DC
- Wires kit electric panel
- Wires kit uppeir housing
- Electro valve
- Terminal block
- By-pass vacuU1m motor 36V DC
- Microswitch
- CircuH board Vacuum motor
- Brush motor 36V DC
- Circuit board Brush motor
- FWire kit vac / base
- use 10A
SPECIFICATIONS
Suction body
-Voltage (see data place on the machine)
– Total power – 1100W
– Battery 520W
– By-Pass Vacuum motor
Input power – 800W
– Battery 36V – 350W
– Rotor assembled on two ball bearings
– Double insulation 
– Protection: IPX 4
Ground wire for USA and Canada
– Water pump 27W
– Electrovalve 9W on Battery
Power head
– Imput power 250 W (150W Battery)
– Bar type commutator
– Rotor assembled on two ball bearings
– Electronic r.p.m. and overload control
– Brush pressure height adjustment
– Width: 15”(380)
DECLARATION OF CONFORMITY
Conforms to the following norms: IEC 60335-2-2: 2009 (Sixth Edition) + A1 :
2012 in conjunction with IEC 60335-1:2010 (Fifth Edition) (incl.
Corrigendum 1:2010)
EN 60335-1:2012 + A11:2014
EN 60335-2-2:2010 + A11:2012 + A1:2013
EN 62233:2008; EN60335-1(ed.5)
EN60335-2-2(ed.6);am1
EMC standard IEC 61000-3-2:2014 (Ed. 4);
IEC 61000-3-3:2013 (Ed. 3);
CISPR 14-1:2005
(Ed. 5) + A1:2008+ A2:2011; CISPR 14-2:2015 (Ed. 2) Products meeting the essential requirements of L.V.D. 2006/95/EC LW30 –ion – LW38 L-ion
EN 60335-1: 2012;
EN 60335-2-69;
EN 61000-3-2: 2014; EN 61000-3-3: 2013;
EN 55014-1: 2006+A1: 2012;
EN 55014-2: 2015; UN 3480 -3481 LITHIUM IONBATTERY
Direttives of reference: 2006/42/EC; 2014/30/EU, CEE 89/336; 2002/95 CE (ROHS)
APPROVALS:
U.S.A. and Canada
Conforms to ansi/ul 1017-2002
Certifies To
CSA C22.2 243-01
OVERVIEW




Warranty – BISSELL BigGreen Commercial Vacuum
This warranty gives you specific legal rights, and you may also have other rights which may vary from state to state. If you need additional instruction regarding this warranty or have questions regarding what it may cover, please contact BISSELL Consumer Care by E mail, telephone, or regular mail as described below.
Limited Two-Year Warranty
Subject to the *EXCEPTIONS AND EXCLUSIONS identified below, upon receipt of the product BISSELL will repair or replace (with new or remanufactured components or products), at BISSELL’s option, free of charge from the date of purchase by the original purchaser, for two years any defective or malfunctioning part. See information below on “If your BISSELL product should require service”.
This warranty does not apply to fans or routine maintenance components such as filters, belts, bumpers, bags, or brushes. Damage or malfunction caused by negligence, abuse, neglect, unauthorized repair, or any other use not in accordance with the user’s guide is not covered.
If your BISSELL product should require service:
Contact BISSELL Consumer Care to locate a BISSELL Authorized Service Center in your area. If you need information about repairs or replacement parts, or if you have questions about your warranty, contact BISSELL Consumer Care.
Website www.bissellcommercial.com
Or Call:
BISSELL Commercial Consumer Care 1-800-242-1378 Monday – Friday 8 am – 6 pm ET
BISSELL IS NOT LIABLE FOR INCIDENTAL OR CONSEQUENTIAL DAMAGES OF ANY NATURE ASSOCIATED WITH THE USE OF THIS PRODUCT. BISSELL’S LIABILITY WILL NOT EXCEED THE PURCHASE PRICE OF THE PRODUCT.
Some states do not allow the exclusion or limitation of incidental or consequential damages, so the above limitation or exclusion may not apply to you.
*EXCEPTIONS AND EXCLUSIONS FROM THE TERMS OF THE LIMITED WARRANTY THIS WARRANTY IS EXCLUSIVE AND IN LIEU OF ANY OTHER WARRANTIES EITHER ORAL OR WRITTEN. ANY IMPLIED WARRANTIES WHICH MAY ARISE BY OPERATION OF LAW, INCLUDING THE IMPLIED WARRANTIES OF MERCHANTABILITY AND FITNESS FOR A PARTICULAR PURPOSE, ARE LIMITED TO THE ONE YEAR DURATION FROM THE DATE OF PURCHASE AS DESCRIBED ABOVE.
Some states do not allow limitations on how long an implied warranty last so the above limitation may not apply to you.
![]()
Via Belgio,22 – Zona Ind.
35127 PADOVA – ITALY
[email protected]
Website
www.bissellcommercial.com
Or Call:
BISSELL Commercial
1-800-242-1378






























