Home-io Switch Module

Thank you for choosing HOM-iO!
Specifications
- Product! Type: Switch Module
- Voltage: 220 – 240V AC
- Max.load: 2300W / 250W for LED
- Frequency: 2.4GHz • 2.4835GHz WiFi
- Operating temperature: -10 ° C – + 40 ° C
- Temp.case: TC: + 80 ° C (Maximum)
- Operating range: $ 200m
- Dimensions: H 51 mm/ W 17mm / L 47mm
- IP degree: IP20
- EN 300 328 V2.1.1 (2016-11) IEC 6 0069-2-1:2002/AMD1:20081
- EN 301489-1 V2.1.1 {2017-02) AMD2:2015, IEC 6 06 69-1:199 8 /
- EN 301489-17 V3.1.1 {2017-02) AMD1:1999 /AMD22006,
- EN 6 2311: 2008, EN 6 1000-6-1 :2007 EN 60669 -2-1 :2004+A1: 2009+ A2:2010
- EN 6 1000-6 -3:2007•A 1 :2011 EN 60669-1 :2018
- RoHS Standard (RoHS)
- 2011/6 5/EU,{EU)2015/68 3
- Radio Equipment (RED)
- ETSI EN 300 328 V2.1.1 (2016-11)
App Installation

First step
Install the module as a connection diagram.
- The installation must be carried out by a qualified electrician.
- Keep the device away from children.
- Keep the device away from water, moisture or heat sources.
- Keep the device away from electromagnetic sources such as microwaves which could impair its functioning.
- Materials such as concrete or metal could reduce the radio range.
- Do not try to disassemble, repair or modify the device.
Registration and login
- Access the “HOM-iO” app from your smartphone.
- Register and log in.
Add the device
- Connect your smartphone to your WiFi Router
- Touch the*or “Add device” button. The Select Device Type page appears.
- Turn the on and off switch 5 times until an alternate beep is heard.
- Select “Electric”- “1 Channel Switch”
- Follow the instructions on the Hom-io App.
Scenarios and automation
Create custom scenarios for your devices or lights, click “Smart” then “Add Scenario” or “Add Automation” and select the activation conditions.
Mechanical memory and manual control
The device maintains manual control with the switch or button.
- The App command replaces the switch command and vice versa, remaining in memory.
- App control is synchronized with the switch.

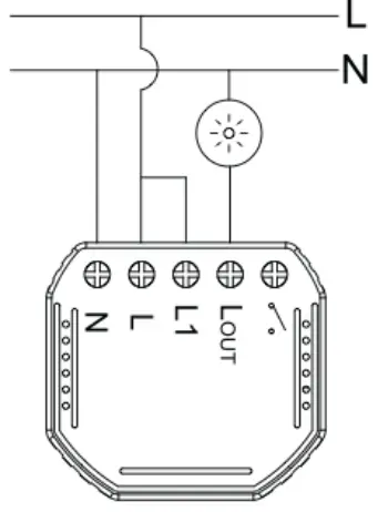
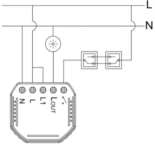
Connection diagram
- Disconnect the general power supply before starting work
- Connect the wires according to the following diagrams
- Insert the module in the box or in the chosen place
- Connect the general power supply and follow the association instructions with the App.
With one switch-220V
Without switch-220-V
Withone switch- 12124V
Without switches- 220V
Compatibility with voice assistants
Compatible with Amazon Alexa and Google Assistant. The devices can be automatically found by modem voice control systems.
Download the “Amazon Alexa” or “Google Assistant• App to connect devices. Selecting a device in the·# menu of the Hom-io App provides a guide for connecting to voice control systems.
For Alexa select “Skills and games” and look for “Smart Life”. For Google select the “Home Control” button” and search for “Smart Life”. Connect to “Smart Life” with Hom-io credentials.

Product Conformity
The presence of the crossed-out bin symbol indicates that:
This appliance is not to be considered urban waste:
Its disposal must therefore be carried out by separate collection. Disposal in a non-separate manner may constitute potential damage to the environment and health. This product can be returned to the distributor when buying a new appliance.
Improper use of the equipment or parts of it may constitute a potential. hazard to environmental health. Improper disposal of the appliance constitutes fraudulent conduct and is subject to sanctions by the Public Security Authority. Keep out of reach of children under the age of 36 months
DECLARATION OF SYNTHETIC CE CONFORMITY
The manufacturer, Melchioni Spa, declares that this radio equipment complies with the 2014/53 I EU directive. The full text of the EU declaration of conformity is available at the following Internet address: www.melchioni.it.
Melchioni S.p.A
Via P.Colletta.37 20135-Milano www.melchioni.it.



















