SmartLife Smart Home Switch

SCAN

Attention
- Products can only be paired on 2.4G-wifi-router don’t accept the 5G-wifi-router
- Please set your home WiFi account name and passwords use numeric and letters don’t use special symbols.
Installation
- Separate the upper and lower parts from the switch by a screwdriver.

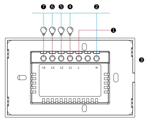
- (Noted: Distinguish between each corresponding slot)
With neutral wire version (Neutral wire is required on the switch) according to the following diagram wiring.

- Neutral wire.
- Live wire.
- Switch.
- 5.6.7-Lighting, They’re between L1, L2, L3,L4, and Neutral wire.
Fix the switch onto the wall

- Put the switch lower parts into switch box in the wall.
- Mount the two side screws.
- Install the upper top case (install from up above).
- Cover the upper top case into switch.
- Turn on electricity, and then LED light will be flashed quickly for pairing.
Indicator light status
- The WIFI indicator light went out.
- The switch is connected succeed with mobile phone APP.
- The WIFI indicator light blinking slowly.
- The switch is not connected to the network.
- The WIFI indicator light flash continuously and quickly.
- The switch is currently on the status of matching with mobile phone APP.
- The WIFI indicator light flash 1 time every 3 seconds.
- The switch is into AP pairing Mode.
How to reset the switch?
- Long press any button for 10-12seconds.
How to download App?
- Scan the QR code below or search for SMART Life in the IOS APP store or Google play.

Setting SMART Life APP, How to Register and log in?
- Download or Scan the QR Code and install Smart Life App
- Once download or Scan the QR Code, the App will ask you to register your device
- Enter your email which you prefer and select the country you live in.

- Obtain verification code
- Enter verification code
Set Password

- Create family
- Enter the family name and select the family location
- Family create successfully
Switch pairing

- First the phone needs to turn on Bluetooth
- Connect the switch with power
- Open App and tap Add Device or upper right corner”+” The APP interface will pop up a window: discover the devices to be added, you can choose to add/do not add, or select ” Switch (BLE) ” to add.

- Select ” +” then enter the WIFI password

- Waiting for the connection and it is finished connection.

How to match RF remote controller? (For having RF function switch)
- Connect the switch with power
- Connect the switch with the WIFI
- Hold the switch power button for 4 seconds,the buzzer sounds drip , then press the “remote control” button, the “remote control” will sound“drip” , wait for the switch to sound “drip” , connecting successfully an,take turns pairing up each group
- (Attention: The switch needs to be connected with the remote controller and then with the APP connect to network, The remote controller resets the switch connected to the network during code matching )
How to remove the remote controller?
- Press the switch touch button 6 seconds, the buzzer rings twice “drip drip”, the remote completes the removal
Intelligent switchgear multi-control association
Setting up a multi-control association
When the smart switch device is successfully connected to the Smart\ Life App, enter the main page of the switch device, click on the top right corner to enter the smart switch device settings page, there is a multi-control association option in the settings page, choose to open the multi-control association and select the corresponding switch to be associated. You can set the keys in each switch individually and associate one or more switch keys to achieve the effect of the same switch being turned on and off.

Wiring requirements: Each intelligent switch needs to be connected to the light, zero and fire wires correctly according to the instructions.




The specific operation is as follows: when the smart switch is successfully connected to the Smart Life APP, enter the main page of the switch, click on the upper right corner as shown in Figure 1, then enter the interface shown in Figure 2, click on the multi-control association option, then enter the interface in Figure 3, tap on the “+” behind the multi-control group 1, then enter Figure 4, the interface shows the current Click on one of the switches to enter the interface in Figure 5, which shows the current switch numbers that can be associated with multiple controls, click on any one of them, then the interface jumps to the interface shown in Figure 6, at this time the switch 1 of device 1 and the switch 1 of device 2 are associated, at this time the switch 1 of device 1 and the switch 1 of device 2 achieve the same open and close control. If you want to temporarily cancel the multi-control association, just click on the icon behind the open association, then enter the interface in Figure 7, where the association between switch 1 of device 1 and switch 1 of device 2 is temporarily closed; if you want to delete it permanently, you can click on device 2 and slide it to the left at the same time, then the interface becomes Figure 8, click on delete, you can permanently delete the association If you want to establish the association again, just repeat the steps in Figure 3 and Figure 6.
FCC STATEMENT
This device complies with part 15 of the FCC rules. Operation is subject to the following two conditions:
- this device may not cause harmful interference.
- this device must accept any interference received, including interference that may cause undesired operation.
Changes or modifications not expressly approved by the party responsible for compliance could void the user’s authority to operate the equipment.
NOTE: This equipment has been tested and found to comply with the limits for a Class B digital device, pursuant to part 15 of the FCC Rules. These limits are designed to provide reasonable protection against harmful interference in a residential installation. This equipment generates uses and can radiate radio frequency energy and, if not installed and used in accordance with the instructions, may cause harmful interference to radio communications. However, there is no guarantee that interference will not occur in a particular installation. If this equipment does cause harmful interference to radio or television reception, which can be determined by turning the equipment off and on, the user is encouraged to try to correct the interference by one or more of the following measures:
- Reorient or relocate the receiving antenna.
- Increase the separation between the equipment and receiver.
- Connect the equipment into an outlet on a circuit different from that to which the receiver is connected.
- Consult the dealer or an experienced radio/TV technician for help.
Radiation Exposure Statement
This equipment complies with FCC radiation exposure limits set forth for an uncontrolled environment. This equipment should be installed and operated with minimum distance 20cm between the radiator and your body.
THANK YOU
If you have any questions, please feel free to contact us. Weare always here for you.
























