Electrolux EHC325BA 30cm Built In Ceramic Glass Hob User Manual
Safety instructions
Before the installation and use of the appliance, carefully read the supplied instructions. The manufacturer is not responsible if an incorrect installation and use causes injuries and damages. Always keep the instructions with the appliance for future reference.
CHILDREN AND VULNERABLE PEOPLE SAFETY
Warning! Risk of su ocation, injury or permanent disability.
- Do not let persons, children included, with reduced physical sensory, reduced mental functions or lack of experience and knowledge use the appliance. They must have supervision or instruction for the operation of the appliance by a person who is responsible for their safety.
- Do not let children play with the appliance.
- Keep all packaging away from children.
INSTALLATION
Warning! Only a quali ed person must install this appliance.
- Remove all the packaging.
- Do not install or use a damaged appliance.
- Obey the installation instruction supplied with the appliance.
- Keep the minimum distance from the other appliances and units.
- Always be careful when you move the appliance because it is heavy. Always wear safety gloves.
- Seal the cut surfaces with a sealant to prevent moisture to cause swelling.
- Protect the bottom of the appliance from steam and moisture.
- Do not install the appliance adjacent to a door or under a window. This prevents hot cookware to fall from the appliance when the door or the window is opened.
- If the appliance is installed above drawers make sure that the space, between the bottom of the appliance and the upper drawer, is su cient for air circulation.
- The bottom of the appliance can get hot.
We recommend to in stall a non-combustile separation panel under the appliance to prevent access to the bottom.
Electrical connection
Warning! Risk of re and electrical shock.
- All electrical connections must be made by a qualified electrician.
- Before every wiring make sure the main terminal of the appliance is not live.
- Make sure the appliance is installed correctly. Loose and incorrect plug and socket can make the terminal become too hot.
- Make sure that a shock protection is installed.
- Do not let the electricity bounds touch the appliance or hot cookware, when you connect the appliance to the near sockets.
- Do not let the electricity bounds tangle.
- Use a strain relief clamp on cable.
- Use the correct mains cable.
- Make sure not to cause damage to the mains plug and to the mains cable. Contact the Service or an electrician to change a damaged mains cable.
- The electrical installation must have an isolation device which lets you disconnect the appliance from the mains at all poles. The isolation device must have a contact opening width of minimum 3 mm.
- Use only correct isolation devices: line protecting cut-outs, fuses (screw type fuses removed from the holder), earth leakage trips and contractors.
USE
Warning! Risk of injury, burns or electric shock.
- Use this appliance in a household environment.
- Do not change the specification of this appliance.
- Do not use an external timer or a separate remote-control system to operate the appliance.
- Do not let the appliance stay unattended during operation.
- Do not operate the appliance with wet hands or when it has contact with water.
- Do not put cutlery or saucepan lids on the cooking zones. They can become hot.
- Set the cooking zone to “off” after each use. Do not rely on the pan detector.
- Do not use the appliance as a work surface or as a storage surface.
- If there is a crack on the surface, disconnect power supply to prevent the electrical shock.
Warning! Risk of re or explosion
- Fats and oil when heated can release ammable vapours. Keep ames or heated objects away from fats and oils when you cook with them.
- The vapours that very hot oil releases can cause spontaneous combustion.
- Used oil, that can contain food remnants, can cause re at a lower temperature than oil used for the rst time.
- Do not put ammable products or items that are wet with ammable products in, near or on the appliance.
Warning! Risk of damage to the appliance.
- Do not keep hot cookware on the control panel.
- Do not let cookware to boil dry.
- Be careful not let objects or cookware fall on the appliance. The surface can be damaged.
- Do not activate the cooking zones with empty cookware or without cookware.
- Do not put aluminium foil on the appliance.
- Cookware made of castiron, aluminium or with a damaged bottom can cause scratches on the glass ceramic. Always lift these objects up when you have to move them on the cooking surface.
CARE AND CLEANING
Warning! Risk of damage to the appliance.
- Clean regularly the appliance to prevent the deterioration of the surface material.
- Do not use water spray and steam to clean the appliance.
- Clean the appliance with a moist soft cloth. Only use neutral detergents. Do not use abrasive products, abrasive cleaning pads, solvents or metal objects.
Product description
Cooking surface layout
EHC325BA 
- Cooking zone 1800 W
- Cooking zone 1200 W
- Control panel
EHC321BA 
- Cooking zone 1800 W
- Cooking zone 1200 W
- Control panel
Control panel layout (EHC325BA)

EHC325BA
| Sensor field | Function | |
| 1 | To activate and deactivate the appliance. | |
| 2 | To lock / unlock the control pane | |
| 3 | To activate the cooking zone. | |
| 4 | +/- | To increase or decreas e the heat setting. |
| 5 | A heat setting display | To show the heat setting. |
Heating setting displays (EHC325BA)
| Display | Description |
| The cooking zone is deactivated. | |
| The cooking zone operates. | |
| The Lock. | |
| There is a malfunction. | |
| A cooking zone is still hot (residual heat). | |
| The Automatic Switch O operates. |
![]()
WARNING! Risk of burns from residual heat!
EHC321BA
| Heat setting | Ring control knob | Knob setting |
| To increase | Turn clockwise | ![]() |
| To reduce | Turn anti-clockwise | ![]() |
| Switch off | Turn to the Off position | ![]() |
Daily use
Activation and deactivation
Touch
for 1 second to activate or deactivate the appliance.
Automatic Switch Off
The function deactivates the appliance automatically if:
- All cooking zones are deactivated
. - You do not set the heat setting after you activate the appliance.
- You spill something or put something on the control panel for more than 10 seconds, (a pan, a cloth, etc.). Remove the object or clean the control panel.
- The appliance become too hot (e.g. when, a saucepan boils dry). Before you use the appliance again, the cooking zone must be cool.
- You do not deactivate a cooking zone or change the heat setting. After some time,
comes on and the appliance deactivates. See below. - The relation between heat setting and times of the Automatic Switch Off function:

The cooking zone selection
To set the cooking zone touch the sensor field
related to this zone. The display highlights the heat setting indication (
).
The heat setting
Set the cooking zone. Touch + to increase the heat setting. Touch – to decrease the heat setting. The display shows the heat setting.
Touch + and – at the same time to deactivate the cooking zone.
Lock
When the cooking zones operate, you can lock the control panel, but not
. It prevents an accidental change of the heat setting.
First set the heat setting.
To start this function touch
. The symbol
comes on for 4 seconds.
To stop this function touch
. The heat setting that you set before comes on.
When you stop the appliance, you also stop this function.
Helpful hints and tips
Cookware
( The botton of the cookware must be as thick and flat as possible.
( Cookware mage of enamelled steel and with aluminium or copper bottoms can cause diacoloration on glass ceramic surface.
( Stop the cooking zones before the end of the cooking time to use residual heat.
( The bottom of pans cooking zones should have same dimension.
Examples of cooking applications (EHC325BA)
The data in the table is for guidance only
| Heat setting | Use to | Time | Hints |
| 1 | Keep warm the food you cooked | as required | Put a lid on a cookwar |
| 1-2 | Hollandaise sauce, melt: butter, chocolate, gelatine | 5-25 min | Mix from time to time |
| 1-2 | Solidify: u omelettes, baked eggs | 10-40 min | Cook with a lid on |
| 2-3 | Simmer rice and milkbased dishes, heating up ready-cooked meals | 25-50 min | Add the minimum twice as much liquid as rice, mix milk dishes part procedure through |
| 3-4 | Steam vegetables, sh, mea | 20-45 min | Add some tablespoons of liquid |
| 4-5 | Steam potatoes | 20-60 min | Use max. ¼ l water for 750 g of potatoes |
| 4-5 | Cook larger quantities of food, stews and soups | 60-150 min | Up to 3 l liquid plus ingredients |
| 6-7 | Gentle fry: escalope, veal cordon bleu, cutlets, rissoles, sausages, liver, roux, eggs, pancakes, doughnuts | as necessary | Turn halfway through |
| 7-8 | Heavy fry, hash browns, loin steaks, steaks | 5-15 min | Turn halfway through |
| 9 | Boil large quantities of water, cook pasta, sear meat (goulash, pot roast), deep-fry chips | ||
Information on acrylamides
Important! According to the newest scientific knowledge, if you brown food (specially the one which contains starch), acrylamides can pose a health risk.
Thus, we recommend that you cook at the lowest temperatures and do not brown food too much.
Cleaning and care
Clean the appliance after each use.
Always use cookware with clean bottom.
Scratches or dark stains on the glassceramic cause no e ect on how the appliance operates.
To remove the dirt:
- Remove immediately: melted plas plastic foil, and food with sugar. If not, the dirt can cause damage tothe appliance. Use a special scraper(option to buy) for the glass. put the scraper on the glass surface at an acute angle and move the blade on the surface .
- Remove after the appliance is su ciently cool: limescale rings , water rings, fat stains, shiny metallic discolorations. Use a special cleaning agent for glass ceramic or stainless steel.
- Clean the appliance with a moist cloth and diswashing liquid detergent.
- At the end rub the appliance dry with a clean cloth.
What to do if …
| Problem | Possible cause and remedy |
| You cannot activate the appliance or operate it. |
|
| A Sound operates and the appliance deactivates. A sound operates when the appliance is deactivated. | You put something on one or more sensor elds. Remove the object from the sensor elds. |
| The appliance deactivates. | You put something on the |
| The residual heat indicator does not comes on. | The cooking zone is not hot because it operated only for a short time. If the cooking zone should be hot, speak to the service centre. |
| The Automatic Switch O operates. Deactivate the appliance and activate it again. | |
| There is an error in the appliance. Disconnect the appliance from the electrical supply for some time. Disconnect the fuse from the electrical systems of the house. Connect again, if |
If you tried the above solutions and cannot repair the problem,speak to your dealer or the Customer Care Department. Give the data from the rating plate, Three-digitletter code for the glass ceramic (it is in the corner of the cooking surface) and an error message that comes on.
If you operated the appliance incorrectly, the servicing by a customer service technician or dealer will not be free of charge, even during the warranty period. The instructions about the customer service and conditions of guarantee are in the guarantee booklet.
Technical data
| Model | EHC325BA | EHC321BA | ||
| PNC | 949163300 | 949163301 | ||
| Product dimensions (w x d) mm | 300 X 520 | 300 X 520 | ||
| Cut-out dimensions (w x d) mm | 270 X 490 | 270 X 490 | ||
| Voltage (volts) | ~ 220 – 240 | ~ 220 – 240 | ||
| Cycles (Hz) | 50/60 | 50/60 | ||
| Service Cord | Fitted | Fitted | ||
| Elements | no. zones | watts | no. zones | watts |
| 1 Front | 1200 | 1 Front | 1200 | |
| 1 Rear | 1800 | 1 Rear | 1800 | |
| Total | 3000 | 3000 | ||
Cable
Cable types applicable for installation or replacement: H05RR-F, H05SS-F, H05VV-F, H05V2V2-F.
For the section of the cable refer to the total power (on the rating plate) and to the table:
| Total power | Section of the cable |
| Maximum 3500W | 3X1.5mm2 |
| Maximum 5500W | 3X2.5mm2 |
| Maximum 7000W | 3X4mm2 |
| Maximum 8800W | 3X6mm2 |
The earth cord (green / yellow cable) must be 2 cm longer than phase and neutral cables (blue and brown cables).
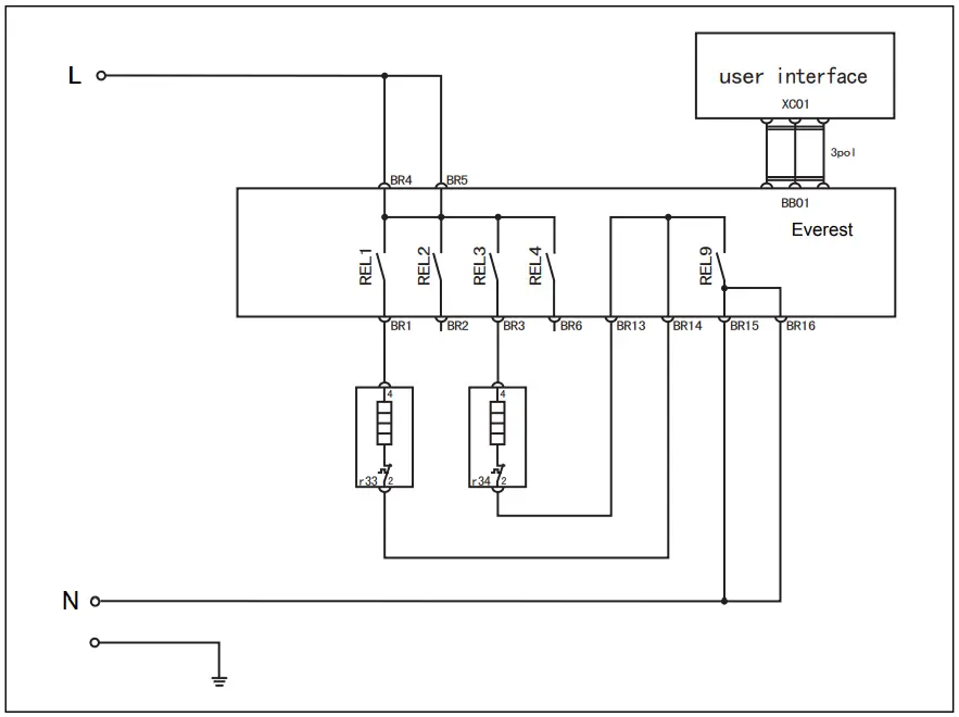
Wiring Diagram EHC325BA

Wiring Diagram EHC321BA

Enviornment concerns
The symbol
on the product or on its packaging indicates that this product may not be treated as household waste. Instead it should be taken to the appropriate collection point for the recycling of electrical and electronic equipment. By ensuring this product is disposed of correctly, you will help prevent potential negative consequences for the environment and human health, which could otherwise be caused by inappropriate waste handing of this product. For more detailed information about recycling of this product please contact your local council, your household waste disposal service or the shop where you purchased the product.
PACKAGING MATERIAL
The packaging materials are friendly to the environment and can be recycled.
The plastic components are identi!ed by marking: >PE<,>PS<, etc. Discard the packaging materials as household waste at the waste disposal facilities in your municipality.
Installation Instructions
Warning! Safety instructions
Warning! This must be read! The laws, ordinances, directives and standards in force in the country of use are to be followed (safety regulations, proper recycling in accordance with the regulations, etc.)
Important! Installation may only be carried out by a quali!ed electrician.
The minimum distances to other appliances and units are to be observed. (see page 13)
Anti-shock protection must be provided by the installation, for example drawers may only be installed with a protective “oor directly underneath the appliance.
The cut surfaces of the worktop are to be protected against moisture using a suitable sealant. The sealant seals the appliance to the work top with no gap. Do not use silicon sealant between the appliance and the work top.
Avoid installing the appliance next to doors and under windows. Otherwise hot cook ware may be knocked o! the rings when
doors and windows are opened.
Caution! Warning! Risk of injury from electrical current.
- The electrical mains terminal is live.
- Make electrical mains terminal free of voltage.
- Follow connection schematic.
- Observe electrical safety rules.
- Ensure anti-shock protection by installing correctly.
- The appliance must be connected to the electrical supply by a quali”ed electrician.
- Loose and inappropriate plug and socket connections can make the terminal overheat.
- Have the clamping connections correctly installed by a quali”ed electrician.
- Use strain relief clamp on cable.
Caution! The surface temperature exceeds 95°C. To avoid a hazard, underbench access must be restricted
Electrical Connection
Before connecting, check that the nominal voltage of the appliance, that is the voltage stated on the ratingplate, corresponds to the available supply voltage. Also check the power ratingofthe appliance and ensure that the wire is suitably sized in accordance with local wiring rules to suit the appliance power rating. The rating plate is located on the lower casing of the hob. Means for disconnection must be incorporated in the “xed wiring in accordance with local wiring rules.The hob is to be connected to the mains using a device that allows the appliance to be disconnected from the mains at all poles with a contact opening width of at least 3 mm, eg. automatic line protecting cut-out, earth leakage trips or fuse. If this appliance’s mains cable is damaged, it must be replaced by a special cable (type H05BB-F Tm ax 90°C; or higher).
The latter is available from the Customer Care Department. The connection must be carried out as shown in the diagram.
The earth lead is connected to terminal
. The earth lead must be longer than leads carrying electric current. The cable connections must be made in accordance with regulations and the terminal screws tightened securely. Finally, the connecting cable is to be secured with the mains cable cleat and the covering closed by pressing “rmly (lock into place). Before switching on for the “rst time, any protective foil or stickers must be removed from the glass ceramic surface.
Warning! Once connected to the mains supply check that all cooking zones are ready for use by brie!y switching each on in turn at the maximum setting.
- A duplicate rating label is supplied with this unit. For easy identi”cation of this unit after installation, stick it to a readily available surface adjacent to the cooktop.
Sticking on the seal
- Clean the worktop around the cutout area.
- Stick the single-sided adhesive sealing tape provided on the underside of the hob around the outside edge ensuring that it is not stretched. The two ends of the tape should join in the middle of one side. After trimming the tape (allow it to overlap by 2-3 mm), press the two ends together.
Assembly for EHC321BA & EHC325BA







Warning! Surface temperatures of base exceed 95°C, under bench access must be restricted by use of non-combustible barrier on installation
Consumer Care Center
Thailand
Consumer Care Center Tel : (+66 2) 725 9000 Electrolux Thailand Co., Ltd.
Electrolux Building 14th Floor 1910 New Phetchaburi Road,
Bangkapi, Huai Khwang, Bangkok 10310 Office Tel : (+66 2) 7259100
Office Fax : (+66 2) 7259299
Email : [email protected]
Singapore
Consumer Care Center Tel: (+65) 6727 3699 Electrolux S.E.A. Pte Ltd.
1 Fusionopolis Place,
#07-10 Galaxis, West Lobby
Singapore 138522.
Office Fax : (+65) 6727 3611
Email : [email protected]
Indonesia
Consumer Care Center Tel : (+62 21) 522 7180 PT. Electrolux Indonesia
Gedung Plaza Kuningan Menara Utara 2nd Floor, Suite 201, JI. HR Rasuna
Said kav C 11-14, Karet Setiabudi Jakarta Selatan 12940
Office Tel: (+62 21) 522 7099 Office Fax: (+62 21) 522 7097 Email : [email protected]
Philippines
Consumer Care Center Toll Free : 1-800-10-845-CARE 2273 Consumer Care
Hotline : (+63 2) 845 CARE 2273
Electrolux Philippines, Inc.
10th Floor. WSth Avenue Building 5th Avenue Corner 32nd Street Bonifacio
Global City,
Taguig Philippines 1634
Trunkline: +63 2 737- 4756
Website : www.electrolux.com.ph Email : [email protected]
Vietnam
Consumer Care Center Toll Free : 1800-58-88-99 Tel : (+84 8) 3910 5465
Electrolux Vietnam Ltd.
Floor 9th, MB Tower
76 Le Lai street – Ben Thanh Ward – District 1 Ho Chi Minh City . Vietnam
Office Tel : (+84 8) 3910 5465
Office Fax : (+84 8) 3910 5470
Email : [email protected]
Hongkong
Tel: (+852) 8203 0298
Dah Chong Hong, Ltd. – Service Centre 8/F.. Yee Lim Godown Block C
2-28 Kwai Lok Street, Kwai Chung. N.T.
Malaysia
Consumer Care Center Tel: 1300-88-11-22 Electrolux Home Appliances Sdn. Bhd.
Corporate Office Address: Unit T2-7, 7th Floor, Tower 2 Jaya33 Hyperoffice, No. 3, Jalan Semangat, Seksyen 13, 46100 Petaling Jaya, Selangor
Office Tel : (+60 3) 7843 5999
Office Fax : (+60 3) 7955 5511
Consumer Care Center Address: Lot C6, No. 28, Jalan 15/22, Taman Perindustrain Tiong Nam, 40200 Shah Alam, Selangor
Consumer Care Center Fax : (+60 3) 5524 2521
Email : [email protected]
























