Sadowsky VTC Vintage Tone Control VTC Retrofit Kit

Product Information
- The VTC Retrofit Kit is designed to retrofit older Sadowsky basses or the MetroExpress series models.
- It replaces the existing bass and treble controls with a tandem potentiometer and installs an additional potentiometer for the Vintage Tone Control (VTC, passive treble control).
- The push/pull function of the VTC pot is used for the passive/active switching previously accomplished by the push/pull Bass control.
- The installation manual is provided in English.
- Installation requires experience with wiring and soldering. It is recommended to have an experienced technician do the installation if you are not sure you can accomplish this without damaging components or your bass.
- The manufacturer reserves the right to change these specifications without notice.
Product Usage Instructions
To install the VTC Retrofit Kit, follow these steps:
- Prepare the retrofit kit and required tools.
- Remove the old potentiometers mechanically.
- Install the tandem pot by unsoldering both pots for treble and bass and soldering their wires to the tandem pot.
- Prepare the VTC pot with jumper wires and appropriate capacitors and solder it in place as the new passive tone control and active/passive switch.
- Complete the installation following the provided instructions and pictures.
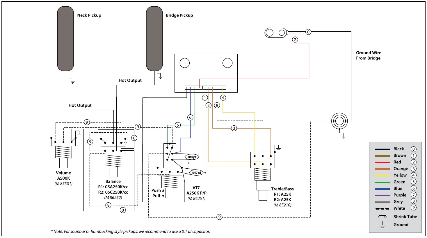
The VTC Retrofit Kit can be used to retrofit older Sadowsky basses or the MetroExpress series models. It replaces the existing bass and treble controls with a tandem potentiometer and installs an additional potentiometer for the Vintage Tone Control (VTC, passive treble control). The push/pull function of the VTC pot is used for the passive/active switching previously accomplished by the push/pull Bass control. Installation requires some experience with wiring and soldering. Both pots for Treble and Bass need to be unsoldered and their wires soldered to the tandem pot. The VTC must be prepared with jumper wires and the appropriate capacitors, and then soldered in place as the new passive tone control and active/ passive switch. If you are not sure you can accomplish this without damaging components or your bass, we strongly recommend that you have an experienced technician do the installation
Installation
Preparation of the retrofit kit

- Remove nuts, lock washers, and washers from both pots.
- Solder the 100 pF capacitor (101) to the switch of the push/pull pot as shown to the right. Right leg to the center PIN and left leg to the top PIN. (Picture 1)
- Use the remaining length of the left leg of the capacitor to establish a connection between the top PIN of the switch (arrow) and the switch housing (ground connection). Cut any excess off the legs.
- Solder the 100 nF (104) or the 47 nF (473) capacitor to PIN 1 of the VTC pot and the other leg to ground (switch housing). (Picture 2) 47 nF is a typical value. The 100 nF capacitor results in a more pronounced treble cut. This is recommended for humbucker / soap bar pickups. The ceramic capacitors have no polarity, the orientation for installation does not matter. Cut the protruding legs off.
- Use about 2 cm (1”) of the black wire to build a jumper between the top-right and lower left switch contacts (see picture). (Picture 3)
- Solder the white wire to PIN 2 (middle) of the VTC pot.
- Use one of the cut-off legs to jumper PIN 2 and PIN 3 of the upper tandem pot (see picture).
Mechanical removal of the old potentiometers
- Use the hex wrench to loosen the locking screws on the Bass and Treble pots and remove the knobs.
- Use a proper-sized socket wrench to carefully loosen the nuts. Remove nuts and washers
Installing the tandem pot

- Unsolder the four wires from the Treble pot in the instrument. Note their positions or take a photo for later reference. When retrofitting a MetroExpress, you can use the color-coding of the schematic as reference.
- Remove the old Treble pot.
- Solder the wires of the Treble pot in the same order to the lower pins (A) of the tandem pot. The ground connection (black wire) is omitted because the plastic housing of the tandem pot does not need to be grounded.
- Unsolder the wires from the potentiometer part of the push/pull Bass pot and solder them in the same order (see picture) to the upper pins (B) of the tandem pot. (Picture 5)
- Screw a nut onto the tandem pot, put a lock washer on the shaft and place the pot into the hole of the old Treble pot. Place a washer on the outside and hand-tighten the nut. Align the potentiometer in the center of the hole and adjust the height with the inner nut so that just enough thread protrudes on the outside to install the washer and outer nut.
Installing the VTC pot

- Unsolder the wires (including the ground wire) from the switch part of the push/pull Bass pot. Again, note their positions or take a picture.
- Pull the old Bass pot out.
- Solder all wires to the same position on the switch part of the VTC pot.
- Solder the black ground wires to the body of the VTC pot. The ground wire leading to the old Treble pot is omitted.
- Screw a nut onto the VTC pot, put a lock washer on the shaft and place the pot into the hole of the old Bass pot. Place a washer on the outside and hand-tighten the nut. Align the pot in the hole and adjust the height with the inner nut so that just enough thread protrudes on the outside to install the washer and outer nut.
- Solder the white wire from PIN 2 of the VTC pot to the upper PIN 1 of the balance pot or to PIN 3 (arrow) of the volume pot (you should have easier access to the Volume pot)
Completion

- Align the two new pots in a way that all wires still have some play, and the pins of the pots do not touch any other components or the sides of the compartment. (Picture 7)
- Hold the potentiometers with one hand and carefully tighten the nuts on the outside with 12 mm / 13 mm sockets wrenches. Do not exert too much force – hand tight will do.
- Turn the Balance control to the center position and all other pots on the bass (including the shafts of the new pots) all the way to the right. Put the knob of the old Bass pot on the VTC pot, align the mark with the mark on the Balance pot and carefully hand-tighten the locking screws with the hex wrench. (Picture 8)
- Proceed in the same way with both segments of the tandem pot.
- Turn all pots all the way in both directions to make sure that they move smoothly and that the components inside the compartment do not rotate with them.
- Hook the bass up to an amp and test the function of the new pots and the push/pull switch.
Note: The manufacturer reserves the right to change these specifications without notice.
Vintage Tone Control (VTC) Retrofit Kit
Vintage Tone Control (P/P) / Treble and Bass (stacked)

Note: The manufacturer reserves the right to change these specifications without notice.




















