
Installation and Service
Instructions
for use by heating contractor
Vitotrol 200-E
Remote Control for up to 4 heating circuits

Product may not be exactly as shown
IMPORTANT
Read and save these instructions for future reference.
Please file in Service Binder
Safety, Installation and Warranty Requirements
Please ensure that these instructions are read and understood before commencing installation. Failure to comply with the instructions listed below and details printed in this manual can cause product/property damage, severe personal injury, and/or loss of life. Ensure all requirements below are understood and fulfilled (including detailed information found in manual subsections).
Product documentation
Read all applicable documentation before commencing installation. Store documentation near boiler in a readily accessible location for reference in the future by service personnel.
For a listing of applicable literature, please see section entitled “Important Regulatory and Installation Requirements”.
Warranty
Information contained in this and related product documentation must be read and followed. Failure to do so renders the warranty null and void.
Licensed professional heating contractor
The installation, adjustment, service and maintenance of this equipment must be performed by a licensed professional heating contractor.
Please see section entitled
“Important Regulatory and Installation Requirements”.
Advice to owner
Once the installation work is complete, the heating contractor must familiarize the system operator/ ultimate owner with all equipment, as well as safety precautions/requirements, shutdown procedure, and the need for professional service annually before the heating season begins.
WARNING
Installers must follow local regulations with respect to installation of carbon monoxide detectors. Follow the Viessmann maintenance schedule of the boiler contained in this manual.
Operating and Service Documentation
It is recommended that all product documentation such as parts lists, operating and service instructions be handed over to the system user for storage.
Documentation is to be stored near boiler in a readily accessible location for reference by service personnel.
Safety Terminology
Take note of all symbols and notations intended to draw attention to potential hazards or important product
information. These include ”WARNING” and ”CAUTION”. See below.
Safety Terminology
Take note of all symbols and notations intended to draw attention to potential hazards or important product information. These include ”WARNING” and ”CAUTION”. See below.
WARNING
Indicates an imminently hazardous situation which, if not avoided, could result in substantial product / property damage, serious injury or loss of life.
CAUTION
Indicates an imminently hazardous situation which, if not avoided, may result in minor injury or product / property damage.
Product Information
Intended use
Install and operate the appliance as intended, in conjunction with the electronic control units and controllers for the Viessmann boilers designed for this system. Also take account of the relevant installation, service and operating instructions.
In particular, observe the current and voltage specifications for connections and hook-ups.
The device is exclusively designed for operation in buildings of a domestic or commercial nature. Incorrect usage or operation of the appliance (e.g. the appliance being opened by the system user) is prohibited and will result in an exclusion of liability. Incorrect usage also occurs if the components in the heating system are modified from their intended function.
Note: The appliance is intended exclusively for domestic or semi-domestic use, i.e. even users who have not had any instruction are able to operate the appliance safely.
Vitotrol 200-E
Wired remote control for connection to Viessmann boilers
For programming up to 4 heating circuits:
- Up to 3 set room temperatures (Comfort, Standard, Reduced) can be set
- A set DHW temperature can be specified
- Holiday program and “Holiday at home” function
- Time programs for heating circuits and DHW tank
- Extended heating
- Backlit graphic display
Permissible ambient temperatures in the installation room
| Min. | Max. | |
| Max. Permissible ambient temperature | 32°F (0°C) | 104°F (40°C) |
| Permissible humidity (noncondensing) | 5% | 95% |
Spare parts lists
Information about spare parts can be found at www.viessmann.com/etapp or in the Viessmann spare part app.
![]()
Place of Installation
Weather-compensated operation Installation in any room Operation with room temperature hook-up
– In the main living room on an internal wall
– Distance to floor: Min. 5 ft. (1.5 m)
– Not near windows or doors
– Not above radiators
– Not near heat sources (direct sunlight, fireplace, TV set, etc.)
Do not install additional control devices in this room.
If the radiators are equipped with thermostatic valves, these must always be fully opened.
Note: If the remote control cannot be installed in a suitable location, connect a separate room temperature sensor.
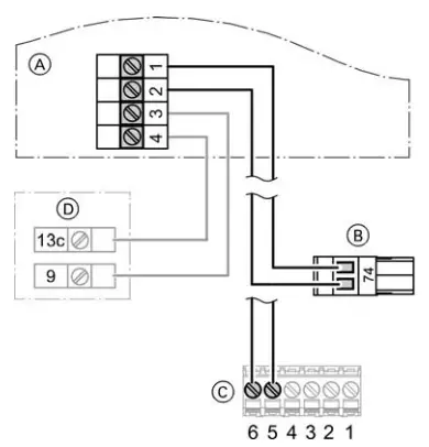
Fitting and Connecting the Vitotrol 200-E


Legend
A Vitotrol 200-E
B 2-pin plug jF (control unit with PlusBus connection)
C For connection to boilers with external plug with screw terminals for PlusBus connection to the boiler
D External room temperature sensor NTC 10 kΩ (accessories)
Total length of all PlusBus cables Max. 150 ft. (50 m).
Note: Electronic assemblies can be damaged by electrostatic discharge. Prior to commencing any work, touch earthed objects such as heating or water pipes to discharge static loads.
Connection
2 wire cable of at least 21 AWG; wires are interchangeable. Cable length: Max. 150 ft. (50 m)
Total length of all PlusBus subscribers: Max. 150 ft. (50 m)
Note: Never route the cable to the remote control immediately next to 120V or other high voltage cables.
Connection to the boiler with external plug: See the boiler installation and service instructions
Note on B and C:
If making the connection to the boiler with screw terminals for the BUS connection, disconnect plug jF and connect the wires directly.
Connecting Several Remote Controls

Legend
A To the control unit (see connection diagram on page 5)
B Vitotrol 200-E
C On-site junction box

Legend
A To the control unit (see connection diagram on page 5)
B Vitotrol 200-E
C On-site junction box
Two Vitotrol 200-E can be connected to the same control unit.
Total length of all PlusBus cables max. 150 ft. (50 m).
Installing the Programming Unit

Note: The remote control is supplied with power by the control unit.
IMPORTANT
Do not insert batteries into the programming unit.
- Install wiring cover plate at the base of the wall mounting plate.
- Hook the right side of the interface into the wall mounting plate.
- Latch the left side of the interface into the wall mounting plate.
Removing the Programming Unit (if required)

- Using a flat head screwdriver, release the latch on the left side of the wall mounting plate.
- Pull out the left side of the interface.
- Unhook the right side of the interface from the wall mounting plate and remove.
Configuring the Remote Control
Up to 4 heating circuits can be operated with one Vitotrol 200-E. Maximum of two Vitotrol 200-E can be connected to one control unit.
The remote control must be configured during commissioning:
- If no Vitotrol 200-E has previously been connected to the heating system: See chapter “Reconfiguration”.
- If a Vitotrol 200-E previously connected to the heating system is being replaced with a new Vitotrol 200- E: See chapter “Configuration following replacement of the remote control”.
- If there is already a Vitotrol 200-E connected to the heating system and an additional Vitotrol 200-E is being fitted: See chapter “Configuration of an additional remote control”.
Reconfiguration
- Switch ON the power supply on the control unit.
- With
/
select the language. - OK to confirm.
- With
/
select the subscriber number, e.g. 1.
Note: If the allocation of a heating circuit is subsequently changed, reset the relevant coding address/parameter for this heating circuit on the control unit to 0. - OK to confirm.
- If available: Mark the room temperature sensor with OK. Use to select “Save with OK”.
The operating status of the heating circuits/system is transmitted. A progress bar appears on the display.
This process may take several minutes. When the progress bar disappears, the configuration is complete.
Note: To return to the configuration, press and simultaneously for approx. 5 sec. - Configure the remote control at the control unit.
Control unit installation and service instructions
A progress bar appears on the display of the remote control while the control unit is being configured.
Configuration following replacement of the remote control
- Look at the fault message on the control unit of the boiler to find the subscriber number of the remote control (48, 49, 50 or 51).
- Look in the following table to find the correct subscriber number that needs to be set at the new remote control (1, 2, 3 or 4).
- Follow the steps detailed in chapter “Reconfiguration”. Set the subscriber number specified in the table.
| Subscriber number shown at the control unit | Subscriber number to be set at the remote control |
| 48 | 1 |
| 49 | 2 |
| 50 | 3 |
| 51 | 4 |
Configuration an additional remote control
- Call up the subscriber number of the existing remote control at the control unit of the boiler: In the “Service” menu, look under “Appliances detected” to see which of the subscriber numbers are already assigned to other remote controls (48, 49, 50 or 51).
- In the following table, look for one of the unassigned subscriber numbers. Read off the relevant subscriber number that needs to be set at the new remote control (1, 2, 3 or 4).
| Subscriber number shown at the control unit | Subscriber number to be set at the remote control |
| 48 | 1 |
| 49 | 2 |
| 50 | 3 |
| 51 | 4 |
Service Indication
If the heating system is due for a service, the
symbol flashes on the display and “Service” is shown. Call up the submenu with the OK key to acknowledge all current service messages.
Further information on the pending service:
Control unit installation and service instructions
Fault Display
In the event of a fault, the
symbol flashes on the display and “Fault” is shown.
Call up the submenu with the OK key to acknowledge all current fault messages.
The exact fault code is only shown on the display of the control unit.
Meaning of the fault codes:
Control unit installation and service instructions
Acknowledging a fault
Follow the instructions on the display.
Note: Any connected alarm is switched off.
If an acknowledged fault is not remedied, the fault message is redisplayed the following day and the alarm is switched on.
Calling up acknowledged fault messages
An acknowledged fault message can only be called up at the control unit of the boiler.
Control unit installation and service instructions
Specifications
| Power supply | Via PlusBus |
| Voltage | 28V |
| Current | 25 mA |
| Permissible ambient temperature Operation Storage and transport | 32 to +104°F (0 to +40°C) -4 to 150°F(-20 to +65°C) |
| 5 to 95%, noncondensing |

Printed on environmentally friendly (recycled and recyclable) paper.
Technical information subject to change without notice.

Scan for digital copy of this document

http://www.vitoteam.com/docs/?id=5472512&doc=II&s=T200E&src=QR
| Viessmann Manufac:uring Company Inc. 750 McMurray Road Waterloo, Ontario • N2V 2G5 • Canada Techlnfo Line 1-888-484-8643 1-800-387-7373 • Fax (519) 885-0887 www.viessmann.ca • [email protected] | Viessmann Manufacturing Company (U.S.) Inc. 45 Access Road Warwick, Rhode Island • 02886 • USA Techlnfo Line 1-844-649-5886 1-800-288-0667 • Fax (401) 732-0590 www.viessmann-us.com • [email protected] |

















