TUCKER BARBECUES AD4000 316 Marine Grade Architectural Electric Heater

IMPORTANT SAFETY INSTRUCTIONS
WARNING FOR YOUR SAFETY
- Remove all packaging from the Electric Heater before assembly.
- Keep this manual for future reference.
- Read all instructions carefully before assembly and usage of the Electric Heater.
- Do not spray aerosols in the vicinity of this Electric Heater while it is in operation.
- Do not place articles on or against this Electric Heater.
- Do not use or store flammable materials near this Electric Heater.
- Never move the Electric Heater whilst it is on.
- Do not modify this Electric Heater in any way.
- Do not allow children to operate the Electric Heater.
- Do not use the Electric Heater if the plug or cord are damaged.
- Do not immerse the Electric Heater, plug or cord in liquids.
- Do not use the Electric Heater if a fault occurs.
- Do not let the power cord come in contact with hot surfaces.
CAUTION: ELECTRICAL WARNING
- Always unplug the electrical cord from the power supply before cleaning or Maintenance of the Electric Heater.
- Always ensure that all electrical connections are secure and dry before usage.
- Do not disconnect this appliance with wet hands.
ELECTRIC HEATER ASSEMBLY INSTRUCTIONS
TOOLS REQUIRED FOR ASSEMBLY
- 9mm spanner

- Phillips head screwdriver

- Allen Key

Architectural Electric Heater Assembly
- Remove heater from packaging.

- Remove both end cover panels using a phillips head screwdriver.

- Remove insulation wool from both ends of heater.

- Using an Allen key remove bolts from inner shield panel at both ends.

- Remove top safety grill from heater body.

- Using a 9mm spanner remove first nut from eachend of bulb.

- Place bulb holder on non control end first.

- Loosely place control end bulb holder over bulb.

- Using 9mm spanner connect element cable to bulb at non control end first.

- Connect live cable to heater bulb at control end and tighten with 9mm spanner.

NOTE
Repeat if using double element heater. - Re-insert top safety grill starting at non control end first, followed by control end than sides of heater.

- Loosely replace all four Allen bolts into bulb holder bracket plus inner shield panel, once all four bolts are in, tighten using the Allen key

- Replace insulation wool back into heater.

- Replace both end cover panels plus replace screws and tighten using a phillips head screwdriver.

- Once both end cover panels are installed the electric heater will be ready to be used and mounted on to the wall or ceiling.
ELECTRIC HEATER INSTALLATION, CLEARANCES & WARNINGS
Clearances & Mounting Of Heater
Qualified electrical personal must always install heaters.
IMPORTANT:
Always install units horizontally and maintain minimum clearances from combustible materials.

NOTE
Wall/ceiling brackets are supplied.
IMPORTANT:
Heater must always be installed horizontally, it can then be rotated to a maximum of 60 degrees (45 degrees is recommended).
Wall Mounted

Ceiling Mounted

NOTE
Always maintain minimum clearances from heater body to combustible material. Heater must be installed horizontally.
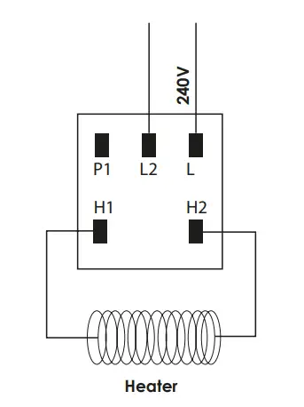
Electric Heater Power Wiring
Typical 240 volt wiring for single Pole switch.

Typical 240 volt wiring for double Pole switch.

Wiring for optional 240 volt controller.
“Top” marked on rear of control must be installed in “up” position. Control max load Mount 150mm 15 amps.

Electric Heater Warnings
ALL INSTALLATIONS MUST BE COMPLETED BY A QUALIFIED ELECTRICIAN
This appliance is not intended for use by young children or infirm persons unless they are adequately supervised by a responsible person to ensure that they can use this appliance safely.
Young children should be adequately supervised to ensure they do not play with this appliance.
A means for disconnection of this appliance must be incorporated in the fixed wiring in accordance with electrical wiring Codes of Practice and Electricity Regulations.
This appliance must not be located immediately below a socket outlet.
This appliance must be installed 1800mm above floor level.
SOURCE OF POSSIBLE IGNITION.
Never block front heater.
Do not install or operate heater close to combustible materials.
The front of the heater must not be installed closer than 650mm from vertical surfaces.
SOURCE OF POSSIBLE ELECTRIC SHOCK
Never attempt to service appliance without disconnecting power supply.
Appliance must be installed and serviced by persons with appropriate qualification.
Install heater using stainless steel brackets provided. Use 25 x 5mm stainless steel fasteners appropriate to structural material heater is attached to.
To clean reflector isolate power supply, remove grille and clean alloy reflector with soft dry cloth. If heater has been in use wait until it has fully cooled down before commencing cleaning. Replace grille on completion.
Product Certification
Alfresco Spaces Australia:
Certificate No. ULL – 10 1090
Tested to Standard AS/NZS 60335.2.30:2015
WARRANTY
TUCKER ARCHITECTURAL ELECTRIC HEATER WARRANTY
WARRANTY PERIOD
ELECTRIC HEATER 1 years
NOT COVERED
The warranty does not cover the purchaser or any other person for damage malfunction or loss due to the following:
- Lack of maintenance, abuse, neglect, misuse, accident, or improper installation of this appliance.
- Scratches, dents or discoloration caused by heat, abrasive or chemical cleaners.
- Surface rust.
- Cleaning and normal wear and tear.
- Unauthorized repairs during the warranty period.
SERVICE CALLS OF THE ABOVE NATURE ARE CHARGEABLE
CONDITIONS OF THIS WARRANTY
- The appliance is delivered to TUCKER AUSTRALIA distributors service department or authorized service agent and freight charges both ways is to be paid by the owner. No liability is accepted for loss or damage during transit.
- The appliance is installed by a qualified person and operated and maintained in accordance with the instructions supplied. Repairs and service must be carried out by an authorized person.
- Installation must conform to the ASA/NZ standard AS/NZS 60335.2.30:2015
- No alterations or repairs are to be carried out without obtaining the distributors prior consent. Such repair or any replacement does not extend the warranty period.
- Proof of purchase together with this warranty must be provided to verify purchase date and establish the warranty period. Only the original purchaser is covered under this warranty.
- Where this warranty is inconsistent with any state laws, the rights of the purchaser shall prevail.
- Parts installed from other manufacturer’s products will nullify this warranty.
FOR YOUR RECORDS
Model:
Serial Number:
Retailer:
Purchase Date:
CUSTOMERS SUPPORT
TUCKER AUSTRALIA PTY LTD.
138 Silverwater Road
Silverwater NSW 2128 AUSTRALIA.
PHONE: (+612) 9748 8368
FAX: (+612) 9748 8138
WEB SITE: www.tuckerbbq.com.au
EMAIL: [email protected]

ALFRESCO SPACES AUSTRALIA PTY LTD
Suite 6609/32 Wellington Street,
Bondi, NSW 2026, AUSTRALIA.
PHONE: (+61) 4202 12345
(+61) 2 9090 2070
WEB SITE: www.alfrescospaces.com.au
EMAIL: [email protected]


































