vaillant 200-5 UK Warmtepomp Boiler

Product Information aroSTOR VWL B 200/5 UK, VWL B 270/5 UK
The aroSTOR is a hot water storage tank designed for domestic use. It is available in two models: VWL B 200/5 UK and VWL B 270/5 UK. The product is equipped with an energy-efficient heat pump that can be used to heat the water in the tank.
Installation and Maintenance Instructions
The product comes with detailed installation and maintenance instructions. The instructions cover the following topics:
- Safety
- Notes on the documentation
- Product description
- Set-up
- Installation
- Start-up
- Handing the product over to the operator
- Adapting the unit to the installation
Product Usage Instructions
Before using the aroSTOR, it is important to follow the installation and start-up instructions provided in the manual. Here are the basic steps for using the product:
- Step 1: Checking and preparing the cold water supply
Before using the aroSTOR, make sure that the cold water supply is connected and turned on. Check for any leaks or damage to the water supply system. - Step 2: Filling the domestic hot water circuit
The domestic hot water circuit needs to be filled with water before using the aroSTOR. Follow the instructions provided in the manual to fill the circuit with water. - Step 3: Switching on the product
Once the domestic hot water circuit is filled with water, switch on the aroSTOR by following the instructions provided in the manual. It is important to follow the instructions provided in the manual for safe and efficient usage of the aroSTOR. Regular maintenance is also required to ensure optimal performance of the product.
Safety
Action-related warnings
Classification of action-related warnings The action-related warnings are classified in accordance with the severity of the possible danger using the following warning symbols and signal words:
Warning symbols and signal words
Danger! Imminent danger to life or risk of severe personal injury
Danger! Risk of death from electric shock
Warning. Risk of minor personal injury
Caution. Risk of material or environmental damage
Intended use
There is a risk of injury or death to the user or others, or of damage to the product and other property in the event of improper use or use for which it is not intended.
The product is intended for hot water generation. Intended use includes the following:
- observance of accompanying operating, installation and maintenance instructions for the product and any other system components
- installing and setting up the product in accordance with the product and system approval
- compliance with all inspection and maintenance conditions listed in the instructions.
Intended use also covers installation in accordance with the IP code. Any other use that is not specified in these instructions, or use beyond that specified in this document, shall be considered improper use. Any direct commercial or industrial use is also deemed to be improper.
Caution.
Improper use of any kind is prohibited.
General safety information
Risk caused by inadequate qualifications
The following work must only be carried out by competent persons who are sufficiently qualified to do so:
- Set-up
- Dismantling
- Installation
- Start-up
- Inspection and maintenance
- Repair
- Decommissioning
Proceed in accordance with current technology.
Risk caused by inadequate qualifications for the R290 refrigerant
Any activity that requires the unit to be opened must only be carried out by competent persons who have knowledge about the particular properties and risks of R290 refrigerant. Specific expert refrigeration knowledge in compliance with the local laws is required when carrying out work on the refrigerant circuit. This also includes specialist knowledge about handling flammable refrigerants, the corresponding tools and the required personal protective equipment. Comply with the corresponding local laws and regulations.
Risk of death from electric shock
There is a risk of death from electric shock if you touch live components. Before commencing work on the product:
- Disconnect the product from the power supply by switching off all power supplies at all poles (electrical partition with a con-tact gap of at least 3 mm, e.g. fuse or cir-cuit breaker).
- Secure against being switched back on again.
- Check that there is no voltage.
Risk of death due to lack of safety devices
The basic diagrams included in this docu-ment do not show all safety devices required for correct installation.
- Install the necessary safety devices in the installation.
- Observe the applicable national and inter-national laws, standards and directives.
Risk of death due to explosive and flammable materials
Do not use the product in storage rooms that contain explosive or flammable sub-stances (such as petrol, paper or paint).
Risk of death caused by fire or explosion if there is a leak in the refrigerant circuit
The product contains the combustible refri-gerant R290. In the event of a leak, escaping refrigerant may mix with air to form a flam-mable atmosphere. There is a risk of fire and explosion. A protective zone is defined for the area close around the product. See section “Protective zone”.
- If you are working on the product when it is open, before starting work, use a gas sniffer to ensure that there is no leak.
- The gas sniffer itself must not be an igni-tion source. The gas sniffer must be calib-rated to R290 refrigerant and set to ≤ 25%of the lower explosive limit.
- Keep all ignition sources away from the protective zone. In particular, open flames, hot surfaces with temperatures above 370 °C, electrical devices or tools that are not free from electrical sources, static dis-charges.
Risk of death caused by fire or explosion when removing the refrigerant
The product contains the combustible refri-gerant R290. The refrigerant may mix with air to form a flammable atmosphere. There is a risk of fire and explosion.
- Only carry out the work if you are compet-ent at handling R290 refrigerant.
- Wear suitable personal protective equip-ment and bring a fire extinguisher with you.
- Only use tools and units that are permit-ted for R290 refrigerant and are in proper working condition.
- Ensure that no air gets into the refrigerant circuit, into refrigerant-carrying tools or units, or into the refrigerant cylinder.
- Note that the refrigerant R290 must never be introduced into the sewage system.
Risk of burns, scalds and frostbite due to hot and cold components
There is a risk of burns and frostbite from some components, particularly uninsulated pipelines. Only carry out work on the components once these have reached environmental temperature.
Material damage due to unsuitable installation surface
The installation surface must be even and have sufficient load-bearing capacity to sup-port the operating weight of the product. An uneven installation surface may cause leaks in the product. If the installation surface does not have suffi-cient load-bearing capacity, the product may topple. There is a risk of death if the connections are subject to leaks.
- Make sure that the product is positioned flush against the installation surface.
- Ensure that the installation surface has sufficient load-bearing capacity to bear the operating weight of the product.
Risk of injury due to the heavy weight of the product
The product weighs over 50 kg.
- Make sure that the product is carried by at least two people.
- Use suitable transport and lifting equip-ment, in accordance with your job safety analysis.
- Use suitable personal protective equip-ment: Gloves, safety footwear, protective goggles, protective helmet.
Risk of material damage caused by frost
Do not install the product in rooms prone to frost.
Risk of material damage caused by using an unsuitable tool
Use the correct tool.
Risk of material damage caused by water that is too hard
Water that is too hard may impair the sys-tem’s functionality and cause damage in a short period of time.
- Ask your local water company about the water hardness.
- When deciding whether the water used must be softened, follow the national regu-lations, standards, directives and laws.
- In the installation and maintenance instruc-tions for the product that your system com-prises, you can read the qualities that the water that is used must have.
Risk of damage from corrosion caused by unsuitable room air
Sprays, solvents, chlorinated cleaning agents, paint, adhesives, ammonia com-pounds, dust or similar substances may lead to corrosion on the product and in the air pipes.
- Ensure that the air supply is always free of fluorine, chlorine, sulphur, dust, etc.
- Ensure that no chemical substances are stored at the installation site.
- Ensure that the air is not routed through an old hearth.
- If you are installing the product in hairdressing salons, painter’s or joiner’s workshops, cleaning businesses or similar locations, choose a separate installation room in which an air supply is ensured that is technically free of chemical substances.
- If the air in the room in which the product is installed contains aggressive vapours or dust, ensure that the product is sealed and protected.
Structural damage due to escaping water
Escaping water can cause damage to the building.
- Install the hydraulic lines without tension.
- Use seals.
Regulations (directives, laws, standards)
Observe the national regulations, stand-ards, directives, ordinances and laws.
Notes on the documentation
Observing other applicable documents
Always observe all the operating and installation instruc-tions included with the system components.
Storing documents
Pass these instructions and all other applicable docu-ments on to the end user.
Validity of the instructions
These instructions apply only to:
Unit – article number
| aroSTOR VWL B 200/5 UK | 0010024440 |
| aroSTOR VWL B 270/5 UK | 0010028218 |
| Kit, unvented tank 18L HP Vaillant | 0020230777 |
| Temperature and pressure relief valve | 0020293791 |
Product description
These products have been tested in accordance with stand-ard EN12897.
Product design

- Cold water connection
- Domestic hot water connection
- Temperature and pres-sure relief valve
- Air supply
- Air removal
Operation
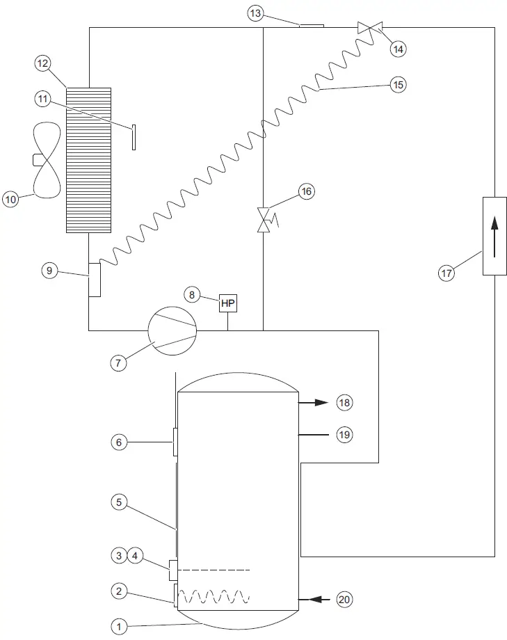
The unit includes the following circuit The refrigerant circuit releases heat into the domestic hot water cylinder by means of evaporation, compression, condensation and expansion
Heating mode

- Evaporator
- Compressor
- Fan
- Defrosting valve
- Thermostatic expansion valve
- Condenser
Defrosting mode

- Evaporator
- Compressor
- Fan
- Defrosting valve
- Thermostatic expansion valve
- Condenser
Basic system diagram

- Domestic hot water cylinder
- Heating coil
- Immersion heater temperature cut-out
- Immersion heater safety cut-out
- External condenser
- Domestic hot water cylinder temperature sensor
- Compressor
- Pressure switch
- Sensor head thermostatic expansion valve
- Fan
- Air inlet temperature sensor
- Evaporator
- Defrosting sensor
- Thermostatic expansion valve
- Thermostatic expansion valve capillary
- Defrosting valve
- Drainage filter
- Domestic hot water flow
- Temperature and pressure relief valve
- Cold water connection
Type designation and serial number
The type designation and serial number are on the data plate (1).

CE marking
The CE marking shows that the products comply with the basic requirements of the applicable directives as stated on the declaration of conformity. The declaration of conformity can be viewed at the manufacturer’s site.
Hot Water Association
Vaillant is a full member of the Hot Water Association and promotes the scheme in association with its cylinder range. Details are available on the web site www.vaillant.co.uk
Set-up
Transporting the product to the installation site
When being transported, the product must ideally be in a vertical position. It must only be placed in a horizontal position at the front, as specified on the packaging, if the height of the vehicle is lower than the height of the product.
Carrying the product

Caution.
Risk of material damage caused by incorrect handling. The product’s upper covering hood is not designed for loading and must not be used for storage. Do not lift the product by the top covering hood when transporting it
Warning.
Risk of injury from lifting a heavy weight. Lifting weights that are too heavy may cause injury to the spine, for example.
- When transporting the product, lift it with the help of a second person.
- Observe the product weight stated in the technical data.
- When transporting heavy loads, observe the applicable directives and regulations.
- Transport the product to the installation site using a fork-lift truck or pallet truck.
- Transport the product in the upright position only.
- Carry the product to the final installation site in the transport bag supplied.
Note
The transport bag must be kept away from children in order to prevent the risk of suffocation - When transporting the product using a hand truck, secure it using a belt.
- In order to avoid scratches and damage, protect the sides of the product that come into contact with the hand truck.
Unpacking the product
- off the two carrying straps for the packaging and lift the cardboard box above the product.
- Dispose of the cardboard box.
- Remove the two cardboard rings from around the product.
- Remove the cardboard wedge that is protecting the compressor. To do this, follow the instructions on the sticker on the upper flap.
- Remove the protective film.
- Remove the accessory pack from the transport bag.
- Remove the fixing screw from the underside of the pallet without tipping the product.
- Ensure that no-one leans against the product or knocks it.
Checking the scope of delivery

Check that the scope of delivery is complete.
| Reference point | Designation |
| 1 | Domestic hot water cylinder and temperature and pressure relief valve |
| 2 | Enclosed documentation |
| 3 | Kit, unvented tank 18L HP Vaillant |
| 3.1 | Tundish with retainer |
| 3.2 | 3-port motorised valve (not used) |
| 3.3 | Safety assembly |
| Reference point | Designation |
| 3.4 | Expansion vessel |
| 3.5 | Bag with accessories |
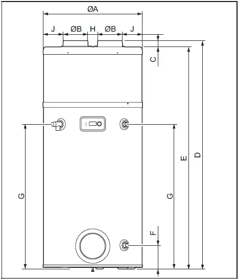
Product dimensions and connection dimensions

Unit dimensions and connection dimensions
| aroSTOR VWL B 200/5 UK | aroSTOR VWL B 270/5 UK | |
| A | 634 mm | 634 mm |
| B | 158 mm | 158 mm |
| C | 40 mm | 40 mm |
| D | 1,458 mm | 1,783 mm |
| E | 1,418 mm | 1,743 mm |
| F | 151 mm | 151 mm |
| G | 924 mm | 1,249 mm |
| H | 134 mm | 134 mm |
| J | 92 mm | 92 mm |
Requirements for the installation site
- Select a dry room that is frost-proof throughout and in which the maximum installation height is not exceeded and the environmental temperature is neither above nor below the permitted range.
- If the product is operated as room-sealed, it must not be situated within 500 m of any coastline.
- Do not place the product in the vicinity of another unit which could damage it (e.g. next to a unit which releases vapour or grease), or in a room with a high level of exposure to dust or in a corrosive environment.
- Set up the product with sufficient clearance to be able to carry out maintenance work and repairs.
- When selecting the installation site, you must take into consideration that when the heat pump is in operation, it will transfer vibrations to the floor and the nearby walls.
- In order to avoid noise disturbance, do not install the product near bedrooms.
- We recommend maintaining a clearance of at least 300 mm above and below the unit to allow the uppercover plate to be removed and to enable maintenance work to be carried out on the magnesium protection anode and the electric back-up heater
Removing/installing the protective cover
Removing the covering hood

- Turn the screw (A) on the product’s ring by a few millimetres using a Torx screwdriver.
- Turn the unit out of the covering hood (B) and turn the ring anti-clockwise in order to loosen the lugs on the bayonet fitting.
- Lift the unit out of the upper covering hood (C) and ring, and remove it.
Installing the covering hood
- Install the unit from the upper covering hood (C) and ring.
- Turn the unit out of the covering hood (B) and turn the ring clockwise by a few millimetres in order to allow the lugs on the bayonet fitting to click into place.
- Ensure that the insulating material is not damaged.
- Ensure that the ring is positioned correctly on the domestic hot water cylinder and the lugs on the bayonet fitting are not bent.
- Secure the ring by tightening the screw (A).
Installation
Caution.
Risk of material damage due to heat transfer during soldering.
- Do not carry out any welding work in the area of the product’s connectors.
- Before any welding work, insulate the water- carrying pipes on the product’s outlet and the installation
Danger!
Risk of scalding and/or damage due to incorrect installation leading to escaping water. Mechanical stresses in the connection pipes may lead to leaks. Ensure that there is no mechanical stress when installing the connection pipes
Caution.
Risk of damage in the pipelines due to residue. Residue from pipelines, such as welding beads, scale, hemp, putty, rust and coarse dirt, may be deposited in the product and cause malfunctions. Flush the pipelines thoroughly before connecting to the product in order to remove any possible residue.
Note
To comply with the requirements of the G3 construction regulation, this product is fitted with a temperature and pressure relief valve at the factory in accordance with standard BS EN 1490. Diversions from a water-heating system must be guided to a point at which they are visible without putting anybody in the building in danger. The tundish and the drain hose must be installed in accordance with the requirements of the approved document Building Regulation G3 (England and Wales), from part P for Northern Ireland and standard 4.9 for Scotland.
Installing the air supply and air exhaust
Selecting air duct systems Caution
Risk of material damage caused by incorrect installation. Do not connect the product to extractor hoods
- Use only commercially available, insulated air ducts with suitable heat insulation, to prevent energy loss and condensation from forming on the air ducts
Note
In an installation with rigid pipes, elbows, attachments and mesh create additional pressure losses in the air duct system that may correspond to five metres of straight pipe length per element. Make sure that the maximum permitted lengths are not exceeded with the elements usedMaximum length of the air pipes L1 + L2 (L1 = air in- take pipe; L2 = air outlet pipe) Standard value L1 + L2 Condition: Flexible pipes 10 m Note
In addition to the total length, two 90° el- bows can be added.
Maximum length of the air pipes L1 + L2 (L1 = air in- take pipe; L2 = air outlet pipe) Condition: Fixed pipes 20 m Note
In addition to the total length, two 90° el- bows can be added.
- Protection devices must be installed at the openings of the air ducts to prevent water or foreign bodies from penetrating the pipelines (protective grille for vertical walls, roof terminals).
- Always protect the product against modification or intervention in order to prevent water or foreign substances from penetrating as this may damage the pipes or other components.
- Use a circulation pump with a throughput between 0.5 and 4 l/min`
Installing the complete pipe system
Complete pipe system The air inlet and outlet are located in the external area This installation type is particularly suitable for small rooms (supply or store room, etc.). This configuration prevents a room from being cooled and does not impair ventilation.

In order to prevent leak air from being extracted by recirculation, maintain a clearance between the ends of the air pipes. Clearance: ≥ 220 mm

Complete pipe system
- External area
- Internal area (heated or not heated)
Installing the partial pipe system
Partial pipe system The hot air is drawn into the room and the cold air is released outside. With this installation type, the room is used as an energy collector. The room is cooled by outdoor air which flows in via the ventilation openings. Room volume at installation site: ≥ 20 m³
Caution.
Risk of material damage due to condensation forming on the outside of the pipe. The difference in temperature between the air flowing through the pipe and the air in the installation room can cause condensation to form on the outside surface of the pipe. Use air pipes with suitable heat insulation
- Avoid having negative pressure in the installation room, so that air is not extracted from surrounding heated rooms.
- Check whether the existing ventilation can compensate for the withdrawn air flow
- Air flow: ≥ 400 m³/h
- Add to the withdrawn air flow the flow rate that is required for normal ventilation of the installation room.
- If required, adjust the ventilation

Partial pipe system
- External area
- Internal area (heated or not heated)
- Heat-insulated pipe (diameter ≥ 160 mm)
- Ventilation
Installing without a pipework system
Without the pipe system The air is drawn into and conducted away from the same room . With this installation type, the room is used as an energy collector. The room is cooled by the hot and cold air that the product emits.
Caution.
Risk of material damage caused by frost inside the house Even at outdoor temperatures above 0 °C, there is a risk of frost in the installation room. Use suitable heat insulation to protect pipelines and other elements in the installation room that are sensitive to cold To prevent the cold air emitted by the product from re-entering it, maintain the minimum clearance between the upper side of the product and the ceiling.
- Room volume at installation site: ≥ 20 m³
- Minimum room height: ≥ 2.20 m

Without the pipe system
- External area
- Internal area (heated or not heated)
- Ventilation
Installing the water connections
Water-side connection
Risk of damage caused by heat transfer when welding. The heat that is transferred during welding may damage the cylinder and its components as well as the connection seals.
- Protect the product and its components.
- Do not weld the connection pieces if these have been screwed into the pipe fittings
Caution.
Risk of material damage by drilling through the product. The product may be damaged by drilling work. Do not drill through the product.
Caution.
Risk of material damage to the cylinder. If an unvented hot water cylinder is fitted at a high level (eg, loft space), potential damage to the cylinder may occur if the correct method of draining is not followed. In certain circumstances and at the discretion of the installer, install a WRAS approved automatic air vent on the hot water outlet at the highest point

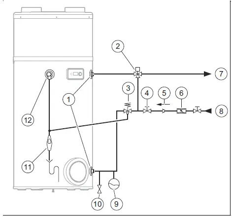
- Dielectrically isolated hydraulic connection
- Thermostatic mixer tap
- Safety assembly
- Stopcock
- Non-return valve
- Pressure reducer Domestic hot water flow
- Cold water pipe
- Expansion vessel
- Drain valve
- Tundish
- Temperature and pressure relief valve
Hydraulics installation
Use flat seals. Torque: ≤ 20 Nm
Connecting the pipe coil cylinder

- Ensure that the distance between the heat generator and the product is as small as possible in order to prevent heat losses.
- Connect the cold water pipe (1).
- Minimum diameter of the copper pipe: ≥ 22 mm
- Connect the domestic hot water flow to (2).
- Minimum diameter of the copper pipe: ≥ 22 mm
- Carry out a leak-tightness check on all connections, including the expansion relief valve (3).
Installing the drain valve
The drain valve must be supplied by the customer. Install the drain valve at the height of the cold water supply or further below this level.
Installing the safety assembly
Caution.
Excessive pressure in the domestic hot water cylinder Excessive pressure in the domestic hot water cylinder may cause the cylinder to burst.
- Ensure that the expansion relief valves are not blocked.
- Ensure that there is no isolation valve between the safety group and the cylinder.

- Cold water with equal pressure
- Cold water inlet (22 mm)
- Pressure reducer
- Expansion relief valve
- Outlet for the expansion relief valve (15 mm)
- Connection for the expansion vessel (22 mm)
- Flow of the cold water supply to the cylinder
- Connecting a manometer (optional, not included in the scope of delivery)
- Before installation, flush the pipes in order to clear any contamination and prevent the build up of dirt.
- Install the safety assembly horizontally and install the expansion relief valve so that it is facing upwards.
- Note the flow direction, which is specified by an arrow.
- Connect the safety assembly to the drain valve. Consult the table below to find out the length to which the pipe should be cut
Cylinder volume Dimensions (A) aroSTOR VWL B 200/5 UK 1047 mm aroSTOR VWL B 270/5 UK 1367 mm - Install a pipe between the safety assembly’s connection and the temperature and pressure relief valve. Use a T-piece for this. The pipe system must continuously slope outwards, must be visible and must be protected against frost. There must be no risk of injury to persons.
- Diameter of the pipe: 15 mm
- Length of the hose between the temperature and pressure relief valve and the expansion relief valve: ≤ 600 mm
- Connect the cold water inlet to the safety assembly.
- Diameter of the cold water supply pipe: ≥ 22 mm
Installing an expansion vessel
- Install the expansion vessel close to the product.
- Install a pipe at the expansion vessel and connect the terminal to the safety assembly.
- Use a flexible hose to connect an expansion vessel to the product’s cold water inlet unit.
- Install the expansion vessel in accordance with the manufacturer’s specifications.
- Do not install a separator between the product and the cold water inlet unit.
- Install the expansion vessel higher than the product in order to not have to drain the product during maintenance or when replacing the expansion vessel.
- Check the pre-charge pressure of the diaphragm in the expansion vessel before you fill the product. – ≥ 0.3 MPa (≥ 3.0 bar)
Connecting the condensate discharge pipe
- Observe the locally applicable rules and regulations on condensate discharge

- Connect the condensate discharge pipe (1) to a preinstalled drain siphon (2).
Cylinder volume Dimensions (A) aroSTOR VWL B 200/5 UK 1047 mm aroSTOR VWL B 270/5 UK 1367 mm - Route the condensate discharge pipe with a downward gradient and without any kinks.
- Fill the drain siphon with water.
- Leave a small clearance between the end of the condensate discharge pipe and the drain siphon.
- Ensure that the connection between the condensate discharge pipe and the drain siphon is not air-tight.
- Check whether the condensate drains off without any problems.
Installing a drain pipe
Drain pipe The drain connections of the temperature and pressure relief valve and the expansion relief valve must be connected to the supplied tundish via 15-mm-thick copper pipes. The tundish must be installed vertically, as close to the cylinder as possible and with a maximum clearance of 600 mm from the connection of the temperature and pressure relief valve. It must be installed in the same room as the cylinder, but at a sufficient distance from electrical components. The drain pipes from the temperature and pressure relief valve and from the expansion relief valve can be connected above the tundish using a T-piece. The drain pipe from the 22 mm connection of the tundish must consist of copper pipes with a diameter of at least 22 mm and be connected to a safe and visible drainage point. The vertical section of pipe beneath the tundish must be at least 300 mm long before any bends or diversions in the line. If the total resistance of the drain pipework exceeds the values in the following table, you must increase the diameter of the pipework. When installing the drain pipework, comply with the standards, directives and laws that are applicable in your country.
| Size of the outlet valve | Minimum diameter of the discharge pipe D1 | Minimum diameter of the dis- charge pipe from the tun- dish D2 | Maximum permiss- ible res- istance, inform- ation on the length of a straight pipe | Resist- ance per elbow or bend |
| 1/2″ | 15 mm | 22 mm 28 mm 35 mm | 9 mm ≤ 18 m ≤ 27 m | 0.8 m 1.0 m 1.4 m |
| 3/4″ | 22 mm | 28 mm 35 mm 42 mm | ≤ 9 m ≤ 18 m ≤ 27 m | 1.0 m 1.4 m 1.7 m |
| 1″ | 28 mm | 35 mm 42 mm 54 mm | ≤ 9 m ≤ 18 m ≤ 27 m | 1.4 m 1.7 m 2.3 m |
Sample calculation
The following example corresponds to a temperature and pressure relief valve G1/2 with a drain pipe (D2) with four 22 mm elbows and a length of 7 m from the tundish to the drainage point. According to the table, the maximum permissible resistance for a straight length of a 22-mm-thick copper discharge pipe (D2) of a thermal expansion relief valve G1/2 is 9.0 m. The resistance of the four 22 mm elbows, which are each 0.8 m in length, must be subtracted from this, i.e. a total of 3.2 m. The maximum permitted length is accordingly 5.8 m and is therefore below the current length of 7 m. The calculation must therefore be performed using the second largest size. The maximum permissible resistance for a straight length of a 28-mm-thick pipe (D2) of a thermal expansion relief valve G1/2 is 18 m.
The resistance of the four 28 mm elbows, which are each 1.0 m in length, must be subtracted from this, i.e. a total of 4.0 m. The maximum permitted length is accordingly 14 m. As the current length is 7 m, a 28 mm copper pipe (D2) should be selected. A suitable location for the drain pipe terminal is, for example, beneath a fixed mesh above the odour trap in a soakaway with a siphon. Low drain pipework, for example up to 100 mm above external surfaces (car parks, meadows, etc.) can be used provided that it is protected by a wire fence or something similar to prevent children from coming into contact with the waste water and provided that the system is not visible. Do not install any valves or stopcocks on the drain pipework. Make sure that the drain pipe from the tundish to the drain has a constant downward gradient of at least 1:200. The drain pipe for the heat generator expansion relief valve can be connected to the horizontal drain pipe for the cylinder behind the tundish using a T-piece.
Note
The temperature and pressure relief valve is preinstalled with a seal. If this seal is displaced, there is a risk that it will tear. In this case, replace the defective seal with a suitable seal.

Drain pipe
- Temperature and pressure relief valve
- Tundish
High-level drain
Installing the highest drain is permitted as long as this does not present a danger to anyone in or outside the building at the drain point. Examples of points to consider when deciding whether a location is suitable for the highest drain:
- The possibility (taking the wind into account) that a person might stay in the area where the water is drained for a prolonged period of time, and, if this is the case, whether the water is sufficiently cooled by that point to pose no danger. The thermal conductivity of the material surfaces, the climatic conditions, the installation location and the drain pipework direction can, to different extents, contribute to reducing the temperature of the water that is being drained.
- The position of the windows and other openings.
- The probability of prams being under the drain opening.
- The resistance of the surface to hot water.
- The possibility of ice forming if water drains onto access paths.
thermostatic valve
A thermostatic mixer tap may be required in order to limit the product’s outlet temperature.
- Install the thermostatic valve in accordance with the manufacturer’s specifications.
- Ensure that no part of the safety assembly is insulated and that the thermostatic mixer tap is therefore connected in accordance with the cold water inlet’s safety assembly.
Insulating lines
We recommend providing the domestic hot water pipe on the product’s outlet with heat insulation in order to reducethe energy demand for the domestic hot water generation. Furthermore, all other exposed lines, from the temperature and pressure relief valve to the tundish, the flow and return of the cylinder heat exchanger, and the cold water supply lines, should also be provided with heat insulation.
Electrical installation
Only qualified electricians are allowed to carry out the electrical installation.
Danger!
Risk of death from electric shock! The mains connection terminals L and N remain live even if the product is switched off.
- Switch off the power supply.
- Secure the power supply against being switched on again
Danger!
Risk of death from electric shock! The condensers are still charged even hours after the power supply was disconnected. Wait until the condensers have discharged The product’s power supply must not be interrupted by a timer.
Electrical connection
- Ensure that the power supply complies with the regulations for the country of installation and the IEE Wiring Regulations.
- Install a fixed separator using which the insulation can be guaranteed to comply with the installation requirements in accordance with the conditions of overvoltage category III.
- Protect the product by installing the following elements.
- Electrical partition, 8 A, with a contact gap of at least 3 mm.
- Residual-current circuit breaker, 30 mA, to protect the electrical partition, 8 A.
- If the power supply cable is damaged, it must be replaced by a competent person or electrician.
Carrying out the wiring

- Guide the extra-low and low-voltage cables through different grommets on the rear of the product.
- Ensure that the inner conductors’ insulation is not damaged when stripping the outer sheathing.
- Remove max. 20 mm of insulation from the cables.
Note
If cables are stripped by more than 20 mm, you must secure them using cable ties. - Fit the stripped ends of the conductors with crimp pin terminals to ensure a secure connection that is free from loose strands and to thus prevent short circuits.
Connecting the cable for low-tariff or hightariff load relief
Note
The PV function and the management outside of the power consumption cannot be used in parallel as they use the same contact
- In order to keep the product’s operating times as low as possible during high-tariff periods of the power supply (where applicable), connect the electricity meter’s control contact

- Remove the protective cover. (→ Page 10)
- Remove the black protective cover from the PCB.
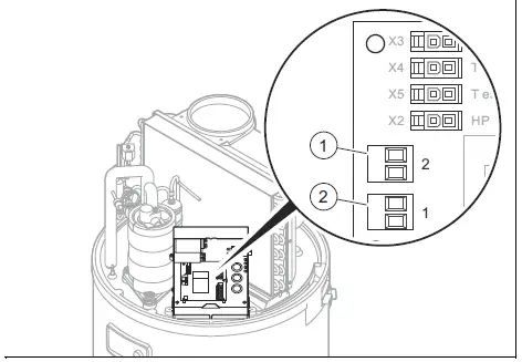
- Remove the red bridge from the energy supply company’s connection terminal (1) (ESCO contact).
- Guide the cable through the grommet on the rear of the product and through the grommet on the rear of the electronics box.
Note
Ensure that the grommet is slit open as little as possible to prevent air escaping while the product is in operation. - Use the plug (1) to establish the connection to the electricity meter’s control contact.
- Twin-core cable: 0.75 mm²
- Inform the end user if the product is controlled via the low-tariff contact, so that any programming of operating times does not conflict with the high- and low-tariff periods.
Controlling the fan externally
Condition: Installing a partial pipe system If you want to keep a room aerated permanently, even when the product is switched off, you can connect the contact of the external fan control system (humidistat).
Caution.
Risk of material damage caused by incorrect handling. Only external control contacts are compatible.
- Only connect the external control contacts to potential-free contacts.
- In particular, do not connect any live cables.
- Remove the covering hood. (→ Page 10)
- Remove the black protective cover from the PCB.
- Guide the cable through the grommet on the rear of the product and through the grommet on the rear of the electronics box.
- Connect the humidistat cable to the plug (2) on the PCB (1).
- Contact opened: Fan not running
- Contact closed: Fan running
- In the menu, set the “Fan with external control” mode to FAN MODE 3.
Connecting the photovoltaic installation
Note
The PV function and the management outside of the power consumption cannot be used in parallel as they use the same contact
Condition: Existing photovoltaic installation
This function can make use of the self-sufficiency optimised by the photovoltaic installation to supply the heat pump and the immersion heater and to heat up the water in the cylinder. Connecting the photovoltaic installation
Caution.
Risk of material damage caused by incorrect handling. Only external control contacts are compatible.
- Only connect the external control contacts to potential-free contacts.
- In particular, do not connect any live cables.
- Remove the covering hood. (→ Page 10)
- Remove the black protective cover from the PCB.
- Connect the cable to the photovoltaic installation to connection terminal (1) on the PCB.
- If your photovoltaic installation’s control has two control contacts, connect it to the photovoltaic installation at connection terminal (1) and (2) on the PCB; see “Electronics box wiring diagram” in the appendix.
- Connection terminal (1): Lower level of electrical energy generated by the photovoltaic installation.
- Connection terminal (2): Upper level of electrical energy generated by the photovoltaic installation.
Connecting the photovoltaic installation
- Connection terminal 2
- Connection terminal 1
Start-up
Checking and preparing the cold water supply
- To guarantee that the product operates safely and to a satisfactory standard, ensure that the water supply meets the following criteria:
- Minimum flow pressure: 150 kPa (1,500 mbar)
- Maximum inlet supply pressure: 1,200 kPa (12,000 mbar)
- Minimum water flow: 15 l/min
- Maximum chlorine content: 250 mg/l
- Maximum water hardness: 200 mg/l
- Ensure that the product’s cold water supply comes directly from the cold water network downstream of the main stopcock.
- Ensure that the cold water supply line has an internal diameter of at least 19 mm, and comply with the requirements of the water regulations for supplying hygienically safe potable water
If required, precautions can be taken to minimise the effects of the water hardness, for example by installing a water conditioner or a water softener. These devices must be installed in areas with hard water, in which high water cylinder temperatures above 60 °C are required, particularly at a water hardness above 200 ppm. If the product needs to be descaled, this must be carried out by a competent person.
Filling the domestic hot water circuit
Note
The cylinder must always be filled with water before the heating coil is activated. Otherwise, the component will be damaged and the guarantee will be voided.
- Disconnect the product from the power grid.
- Open the highest domestic hot water draw-off point in the installation.
- Open the stopcock upstream of the safety assembly on the cold water inlet.
- Fill the domestic hot water cylinder until water escapes at the highest draw-off point.
- Close the domestic hot water draw-off point
Switching on the product

- Before starting up the product, ensure that the plugs (1) have been removed from the condensate discharge connection.
- Ensure that the stopcock upstream of the safety as-sembly at the cold water inlet is open.
- Before switching on the power supply, ensure that the domestic hot water cylinder is full.
- Ensure that the product has been connected to the power supply.
- Press the product’s on/off button.
- The display switches on.
- A green LED lights up on the display.
- The background lighting on the display flashes and prompts you to set the language.
- Turn the rotary knob to set the language. Press the rotary knob to confirm the selection.
- The unit only offers you the language selection when it is switched on for the first time. However, you have the opportunity to change the language setting. To do this, follow the instructions in the section on setting the language.
- The heat pump only starts when the cold water temperature is below the set water temperature and when, according to the operating programme, the switch-on time corresponds to the heat-up time and heating is permitted by the electricity tariff.
- When the heat pump is running, there is an air flow at the air inlet and outlet.
Note
After the initial start-up, depending on the air intake temperature and cold water temperat-ure, the heat pump requires 5 to 12 hours to reach a temperature of 55 °C.
Note
The thermodynamic water heater operates with the heat pump as priority if the tem-perature of the intake air is within a range between -7 °C and +45 °C. Outside of this temperature range, the domestic hot water is only generated via the electric back-up heater.
Handing the product over to the operator
- Explain to the operator how the safety devices work and where they are located.
- Inform the operator how to handle the product.
- In particular, draw attention to the safety information which the operator must follow.
- Inform the operator of the necessity to have the product maintained according to the specified intervals.
- Pass all of the instructions and documentation for the product to the operator for safe-keeping.
- Inform the operator about measures taken concerning the air pipe and inform them that they must not make any changes.
Adapting the unit to the installation
Calling up the installer level
- Press the menu button.
- Turn the rotary knob until the INST.MENU menu ap-pears in the display.
- Hold down the clock button and the menu button for three seconds.
- The first menu item of the installer level PV MODE is displayed.
Activating and setting photovoltaic mode
- If the control for the photovoltaic installation is connected to plug no. 1 and no. 2 on the product’s PCB, you must activate PV MODE.
- The electrical energy generated is stored in the form of domestic hot water. You can set two efficiency levels for the photovoltaic installation.
- PV ECO = Low level of photovoltaic power gener-ation. The heat pump generates an increased do-mestic hot water temperature. The increased do-mestic hot water temperature must be between the normal domestic hot water temperature and 60 °C.
- PV MAX = High level of photovoltaic power genera-tion. The heat pump and the immersion heater gen-erate an increased domestic hot water temperature. The increased domestic hot water temperature must be between the domestic hot water temperature of the PV ECO mode and 65 °C. Factory setting: 65 ℃
- Turn the rotary knob to set the mode.INST.MENU PV MODE
- You can select which function has higher priority (photovoltaic mode or frost protection/eco mode)
- Select YES.
- Press the rotary knob to confirm the selection.
- Press the menu button.
- Set the required domestic hot water temperature.
- Turn the rotary knob to set the priority. INST.MENU → PV MODE → PRIORITY.
- YES : The signals from connection plugs no. 1 and no. 2 have priority over the frost protection and eco mode.
- no : Frost protection and eco mode have priority over the signals from connection plugs no. 1 and no. 2.
Note
When photovoltaic mode has the higher prior-ity, domestic hot water is also heated during periods that have not been set (e.g. holiday mode and outside of programmed time peri-ods). If you only want to heat the domestic hot water during the permitted time period, set the prior-ity to no.
- Press the rotary knob to confirm the selection.
- The immersion heater is supplied with electricity in or-der to use the energy from the photovoltaic installa-tion.
- When the fan mode is activated (FAN MODE), op-tion 3 can no longer be selected.
- The SHED DING function is not available.
- Press the menu button to return to the original display.
Reading the input data
- If you want to read the product’s input data, you must select this menu. DI SPLAY → INST.MENU.
- Press the rotary knob in the DI SPLAY menu.
- WATER = Domestic hot water temperature in the central section of the domestic hot water cylinder
- AIR INLET = Air temperature at the air intake
- T_EVAPOR = Temperature of the evaporator
- If PV MODE is deactivated:
- SHEDDING : Connection contact no. 1/low-tar-iff contact input (0: Contact opened; 1: Contact closed)
- FAN CONTR. : Connection contact no. 2/hygrostat input (0: Contact opened; 1: Contact closed)
- If PV MODE is activated:
- PV ECO : Connection contact no. 1 input (0: Contact opened; 1: Contact closed)
- PV MAX : Connection contact no. 2 input (0: Contact opened; 1: Contact closed)
- Press the menu button to return to the original display.
Setting the anti-legionella function
Danger!
Risk of death from legionella. Legionella multiply at temperatures below 60 °C. Ensure that the end user is familiar with all of the Anti-legionella measures in order to comply with the applicable regulations regarding legionella prevention. The anti-legionella function heats the water in the product to a temperature between 60 °C and 70 °C. The default fact-ory setting for the target temperature is 60 °C and the anti-le-gionella function is not carried out. If the target temperature is below 60 °C, you can activate the anti-legionella function by setting the target temperature to a value between 60 °C and maximum 70 °C. The automatic cycle for heating the water is activated at 22:00. If the target temperature for the cycle is not reached within 24 hours, the cycle stops and then starts again at the next interval deadline. If an anti-legionella cycle is interrupted by a time period in which the back-up heater is prevented from operating (high tariff or time programming), the anti-legion-ella function will be restarted in the next interval deadline.
- Observe the applicable regulations regarding legionella prevention.
- Turn the rotary knob to set the time interval (in days) for the anti-legionella function. SET TINGS → ANTI -BACT.
- INST.MENU .
- Press the rotary knob.
- Select the time interval between two anti-legionella func-tion charges.
Note
The time interval can be between 0 and 99 days.
- Press the rotary knob to confirm the selection.
- Press the menu button to return to the original display.
Selecting the load relief stage
- Select the components that can be used during high-tariff periods.
- Heat pump only
- Heat pump and immersion heater
- Turn the rotary knob to set the mode. INST.MENU → SET TINGS → SHED DING.
- 0 = No components may operate in the high-tariff periods
- 1 = Only the heat pump may operate in the high-tariff periods
- 2 = The heat pump and immersion heater may oper-ate in the high-tariff periods
Note
When using a low-tariff connection, you should not set any additional time-programming.
- Press the menu button to return to the original display.
- If you are using a high-tariff connection, inform the end user of the optimal energy use.
Setting the minimum temperature
You can use the minimum temperature function to prevent the domestic hot water temperature falling below 38 C. In doing so, the back-up heater (immersion heater) supports the heat pump until a domestic hot water temperature of 43 °C has been reached. Depending on the parameter selection when setting the load relief stage, the minimum temperature function may not be available in high-tariff periods under certain circumstances. INST.MENU ’ SET TINGS ’ T°C MINI
- Press the rotary knob.
- Turn the rotary knob and select a hot water temperature of 43 °C.
- Press the rotary knob to confirm the selection.
- Press the menu button to return to the original display.
Setting fan mode
- Turn the rotary knob to set the mode INST.MENU SET TINGS FAN MODE.
- 1 = Fan operates only when the heat pump is run-ning. The fan speed automatically adjusts to the heat pump’s requirements.
- 2 = Fan operates only when the heat pump is run-ning. The fan runs at maximum speed.
- 3 = Fan operates only if the heat pump is running or if the external control system permits this (humidistat)
Setting the maximum heating time
- If you switch off this function, the domestic hot water cylinder charging time is shortened. INST.MENU → SET TINGS → MAX. TIME.
- Press the rotary knob.
- Turn the rotary knob to set the maximum heating time via the heat pump (Auto /number of hours).
- In Auto mode, the product optimises its use of energy sources (heat pump and back-up heater) in order to prevent the heating from starting less than five hours after a low-tariff period has begun.
- When in the Auto setting, the product only uses the back-up heater during low-tariff periods and programmed time periods. The heat pump is used first. The back-up heater is switched on as late as possible.
- If the unit is not connected to the energy supply company’s high-/low-tariff contact, it may not recognise that the five-hour time period has started and consequently the Auto function may not work.
- In “Number of hours” mode, the product optimises its use of energy sources (heat pump and back-up heater) in order to reach the set temperature within n hours of the heating starting. The shorter the maximum heating time is set to, the more often the back-up heater is switched on and the higher the energy consumption and consequently the energy costs as a result.
Note
The amount of power available depends on the load relief level and the time period (Comfort, Eco, Frost protection, High/Low tariff) that have been programmed.
- In Auto mode, the product optimises its use of energy sources (heat pump and back-up heater) in order to prevent the heating from starting less than five hours after a low-tariff period has begun.
- Press the rotary knob to confirm the selection.
- Press the menu button to return to the original display.
Reading the meter status
- If you want to read the product’s counter statuses, se-lect this menu INST.MENU COUN TERS.
- Press the rotary knob in the COUN TERS menu.
- No. 1 = Number of heat pump switching operations
- No. 2 = Number of immersion heater switching op-erations
- No. 3 = Function deactivated
- No. 4 = Number of compressor operating hours
- Press the menu button to return to the original display.
Locking the control elements
- Turn the rotary knob until the LOCK ING menu is dis-played.
- If the control elements are blocked, you can only reset the fault codes or unblock the control ele-ments INST.MENU LOCK ING.
- Press the rotary knob to confirm.
- Turn the rotary knob to set the automatic level of lock-ing.
- no = Automatic blocking is not active.
- Auto = The control elements are blocked 60 seconds after the last entry. This is how you unblock the control elements (→ Page 20).
- Pro = The control elements are blocked 300 seconds after the last entry. This is how you unblock the control elements (→ Page 20).
- Press the rotary knob to confirm the selection.
- Press the menu button to return to the original display.
Unblocking control elements in the Auto mode
- Press and hold the menu button for three seconds.
- Select the rotary knob YES.
- Press the rotary knob to confirm the selection.
- Press the menu button to return to the original display.
Unblocking control elements in the Pro mode
- Press and hold the menu button for three seconds.
- Press and hold the rotary knob and the clock button for three seconds.
- Select the rotary knob YES.
- Press the rotary knob to confirm the selection.
- Press the menu button to return to the original display.
Manually locking the operator control elements
- In the basic display, hold down the menu button and the clock button for three seconds.
- Select the rotary knob YES.
- Press the rotary knob to confirm the selection.
- To lift manual locking, hold down the menu button for three seconds .
Preparing a blower door test

- If you want to carry out a blower door test, you must seal the product’s condensate overflow.
- Use the supplied plug (1) to seal the condensate over-flow.
Caution.
Risk of material damage when closing the condensate overflow The condensate cannot flow out via the over-flow if the waste-water pipework is blocked. After the blower-door test and before starting up the product, ensure that the plug for sealing the overflow has been re-moved. - You will need to remove the plug from the condensate overflow before starting up the product again.
Checking the immersion heater

- Press the on/off button.
- Disconnect the product from the power grid.
- Drain the product. (→ Page 22)Press the on/off button.
- Disconnect the product from the power grid.
- Drain the product. (→ Page 22)Press the on/off button.
- Remove the black decorative panel by pulling it forcefully to the side.
- Undo the screws (2) on the lower covering hood (3).
- Remove the lower covering hood (3).
- Undo the screws (4) and pull the cables out of the immersion heater.
- Remove the limit thermostat (5) from the immersion heater (6).
- Unscrew the set-up unit along with the immersion heater (6) and its seal.
- Check the scale deposition on the immersion heater.
- Replace the seal.
Troubleshooting
Eliminating faults
- Before eliminating the fault, check that the product is supplied with power.
- Check whether the stopcocks are open.
- If fault messages appear, eliminate the fault after checking the table in the appendix. Fault messages – Overview
- After eliminating the fault, start up the product once again.
- If you are unable to eliminate the fault, contact Customer Service.
Resetting parameters to factory settings
- Turn the rotary knob until the RESE T PAR. menu is displayed. – INST.MENU RESE T PAR..
- Press the rotary knob.
- Turn the rotary knob to select YES.
- Press the rotary knob to confirm the selection.
- Press the menu button to return to the original display.
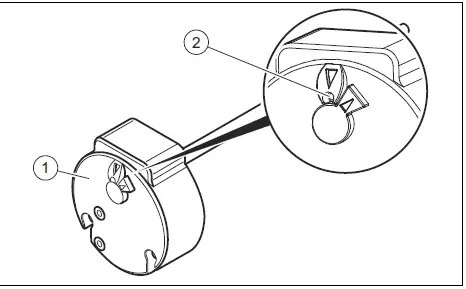
Resetting the safety cut-out

- Before resetting the safety cut-out (1), check whether operation has been switched off by a low-tariff contact or time programming.
- Check whether the safety cut-out for the auxiliary electric heating has been tripped as a result of overheating (> 87 °C), or as a result of a defect.
- Remove the covering hood. (→ Page 10)
- Ensure that the immersion heater is not calcified.
- Press the button (2) to reset the safety cut-out.
Note
The safety cut-out settings must not be changed
Replacing the mains connection cable

- If the product’s mains connection cable is damaged, it must be replaced.
Note
The electrical installation must only be carried out by a competent person - Remove the covering hood.
- Remove the cover from the PCB.
- Carry out the wiring. (→ Page 16)
- Guide the mains connection cable through the cable duct on the rear of the electronics box.
- Connect the mains connection cable to the product’s power supply connection.
Completing repair work
- install the covering hood. (→ Page 10)
- Establish the power supply.
- Open all of the stopcocks.
- Switch on the product. (→ Page 18)
- Check that the product and the hydraulic connections work correctly and check for tightness
Inspection and maintenance
Preparing the maintenance and repair work
- Decommission the product.
- Disconnect the product from the power grid.
- Wait until the fan has come to a complete stop.
- Close the stopcocks in the hydraulic circuit.
- Close the stopcock upstream of the safety group on the cold water inlet.
- Remove the covering hood.
- Drain the product if you want to replace water-bearing components of the product.
- Make sure that water does not drip on live components (e.g. the electronics box).
- Use only new seals
Observing inspection and maintenance intervals
Adhere to the minimum inspection and maintenance intervals. Annual inspection and maintenance work – Overview
Draining the product
- Decommission the product.
- Disconnect the product from the power mains.
- Close the stop cock upstream of the safety group on the cold water inlet.
- Ensure that the waste water outlet is connected to the safety group.
- Open the safety group valve and check that water is flowing into the outflow.
- Open the highest hot water draw-off point in the house to drain the water pipes completely.
- Once the water has completely drained out, close the safety group valve and the hot water draw-off point again.
Procuring spare parts
The original components of the product were also certified by the manufacturer as part of the declaration of conformity. If you use other, non-certified or unauthorised parts duringmaintenance or repair work, this may result in the product no longer meeting the applicable standards, thereby voiding the conformity of the product.We strongly recommend that you use original spare parts from the manufacturer as this guarantees fault-free and safe operation of the product. To receive information about theavailable original spare parts, contact the contact address provided on the back page of these instructions. If you require spare parts for maintenance or repair work, use only the spare parts that are permitted for the product
Checking the safety group’s expansion relief valve and the cylinder’s expansion relief valve
- Open all expansion relief valves by turning the plug.
- Check whether the water is flowing into the tundish.
- Check that the expansion relief valves are in the correct position and then check the pressure.
- Check and, if required, clean the pressure reducer.
Checking the pre-charge pressure of the expansion vessel
- Drain the product. (→ Page 22)
- Measure the pre-charge pressure of the expansion vessel at the vessel valve.
- Condition: Pressure <0.3 MPa (3 bar)
- Top up the expansion vessel in accordance with the static height of the heating installation, ideally with nitrogen, otherwise with air.
- If water escapes from the valve of the expansion vessel, you must replace the expansion vessel.
- Fill the domestic hot water circuit. (→ Page 18)
Checking the inside of the cylinder
Remove the immersion heater in order to check the inside of the cylinder. (→ Page 21)
Decommissioning
Decommissioning the product
- Press the on/off button.
- Disconnect the product from the power mains.
- Drain the product.
Warning.
Risk of damage to the environment This heat pump contains the refrigerant R 290. The refrigerant must not be allowed to escape into the atmosphere. Refrigerant must only be disposed of by qualified competent persons. The competent person who installed the heat pump mustdispose of the refrigerant. Personnel who are approved for energy recovery must have the relevant certification that corresponds to the valid regulations. In order to recycle the refrigerant, you must collect it in a suitable vessel prior to disposing of the product.
Customer service
For contact details for our customer service department, you can write to the address that is provided on the back page, or you can visit www.vaillant.co.uk.
Recycling and disposal
Disposing of the packaging
- Dispose of the packaging correctly.
- Observe all relevant regulations.
- For detailed information refer to www.vaillant.co.uk.
Appendix
A Annual inspection and maintenance work – Overview
| No. | Work |
| 1 | Check the connections for tightness. |
| 2 | Check the temperature and pressure expansion relief valve. |
| 3 | Check the expansion relief valve. |
| 4 | Check the pressure in the expansion vessel. |
| 5 | Check the domestic hot water output at the valve (if required, clean the filters). |
| 6 | Check that the safety devices are functioning properly. |
| 7 | Check the refrigerant circuit for leak-tightness. |
| 8 | Check the hydraulic circuit for leak-tightness. |
| 9 | Check that the safety assembly is working properly. |
| 10 | Check whether the components of the refrigerant circuit show any signs of rust or traces of oil. |
| 11 | Check the unit’s components for wear. |
| 12 | Check whether the unit’s components are defective. |
| 13 | Check that the cables are securely seated on the connection terminals. |
| 14 | Check the electrical installation in accordance with the applicable standards and regulations. |
| 15 | Check the product’s earthing. |
| 16 | Check the evaporator for ice formation. |
| 17 | Remove the dust from power supply connections. |
| 18 | Clean the evaporator carefully to avoid damaging the fins. Ensure that air circulation through the entire circuit, including the air intake, is not impeded. |
| 19 | Check that the fan runs freely and is clean. |
| 20 | Check whether the condensate drains off without any problems. |
| 21 | Check the scale deposition on the immersion heater. If the layer of limescale is thicker than 5 mm, you must replace the immersion heater. |
| 22 | Record the inspection/maintenance work carried out. |
B Fault messages – Overview
| Fault code | Description | Possible cause | Solution | Temporary operation |
| buS | – PCB defective – Bus connection to the display is faulty – Display defective | – Overvoltage in the power grid – Cabling fault in the power supply connec- tion (low-tariff contact or external fan control system) – Damage during trans- port | – Replacing the PCB – Replacing the display PCB – Replacing the display connection cable | Product decommissioned. |
| T_AI R | Air temperature sensor defective (extracted air) | – Sensor defective – Sensor not connected to the PCB – Sensor cable damaged | Replace the sensor | Heat pump decommis- sioned. The selected back-up heater keeps the water temperature at 38 °C. |
| T_DE FROST | Evaporator temperature sensor defective (Defrosting temperature) | – Sensor defective – Sensor not connected to the PCB – Sensor cable damaged | Replace the sensor | Heat pump decommis- sioned. The selected back-up heater keeps the water temperature at 38 °C. |
| T_WA TER | Water temperature sensor defective | – Sensor defective – Sensor not connected to the PCB – Sensor cable damaged | Replace the sensor | Heat pump decommis- sioned. |
| Fault code | Description | Possible cause | Solution | Temporary operation |
| CLOC K | Time | – Overvoltage in the power grid – Damage during trans- port | – Replacing the display PCB – Replacing the display connection cable | Operating times are no longer considered: Target temperature for do- mestic hot water is per- manently maintained (no signal on connection plug numbers 1 and 2). |
| OVER PRESS. | Overpressure inside the heat pump | – No water in the do- mestic hot water cyl- inder – Water temperature too high (> 75 °C) – Water temperature sensor removed from the domestic hot water cylinder – Water temperature sensor defective | – Checking that the product is correctly filled with water and purged – Replacing the water temperature sensor – Checking that the water temperature sensor is sitting correctly in the cylinder dry pocket | Heat pump decommis- sioned. The reset must be imple- mented manually. Possible operation of the back-up heater. |
| FREQ.DEFRO. | Excessive de-icing | – Air flow too low – Air inlet/outlet opening blocked – Air pipe blocked – Pipeline too long or too many elbows – Evaporator contamin- ated – Air temperature sensor missing from the air flow | – Checking that the air flows through the en- tire pipework system without any problems – Check the pipe length – Checking the status of any filters present in the air pipes – Checking that the evaporator is free of dust – Positioning the air tem- perature sensor cor- rectly | Heat pump decommis- sioned. The selected back-up heater keeps the water temperature at 38 °C. |
| LOW PRES. | Low pressure inside the heat pump | – Air flow too low – Air inlet/outlet opening blocked – Air pipe blocked – Fan blocked or defect- ive – Evaporator contamin- ated and blocked – Evaporator frozen – Air temperature sensor missing from the air flow | – Checking that the fan is running – Checking that the air flows through the en- tire pipework system without any problems – Check the pipe length – Checking the status of any filters present in the air pipes – Checking that the evaporator is free of dust – Positioning the air tem- perature sensor cor- rectly | Heat pump decommis- sioned. The selected back-up heater keeps the water temperature at 38 °C. |
| OVER HEAT | Domestic hot water over- heating (Water temperature > 87 °C) | – Water temperature sensor defective – Water temperature sensor removed from the domestic hot water cylinder | Checking that the sensor is correctly positioned in the pocket | Heat pump decommis- sioned. Resetting is effected auto- matically. |
| ANTI -BACT. | Anti-legionella function in- complete. Water-heating could not be finished. | – Water flow too high – Set target cylinder tem- perature too high – Malfunction of the elec- tric back-up heater – Use of the electric back-up heater not au- thorised | – Manually start the new cycle for heating the water – Reducing the target cylinder temperature – Checking, cleaning or replacing the electric back-up heater – In the settings, au- thorise the use of the electric back-up heater (e.g. for high-tariff peri- ods) | The product remains in operation. |
| Fault code | Description | Possible cause | Solution | Temporary operation |
|
ERR. 01 | Incorrect temperature sensor readings | – The air temperature sensor and the defrost- ing sensor have been inverted on the PCB – The defrosting sensor and the water temper- ature sensor have been inverted on the PCB – The defrosting sensor is connected to the air connection plug. The air temperature sensor is connected to the water connection plug and the water temperature sensor is connected to the defrosting connection plug | Connecting the temper- ature sensors to the PCB correctly |
Heat pump decommis- sioned. |
| Incorrect defrosting sensor readings | Defrosting sensor incor- rectly installed on the pipe. Air temperature is meas- ured | Re-establishing contact between the defrosting sensor and the pipe | ||
| Heat pump out of gas | Leak in the cooling circuit | Finding and repairing the leak before filling the cool- ing circuit | ||
| Expansion valve decom- missioned | Break in the copper pipe for the expansion valve fol- lowing interference or due to contact with a vibrating component. | Replacing the expansion valve | ||
| Compressor decommis- sioned and safety cut-out activated | Compressor defective | Replacing the compressor | ||
| ERR. 02 | Incorrect temperature sensor readings | – The air temperature and the water temper- ature sensors have been inverted on the PCB. – The defrosting sensor is connected on the water connection plug. The water temperature sensor is connected to the air connection plug, and the air temperature sensor is connected to the defrosting connec- tion plug. | Connecting sensors to the PCB correctly | Product decommissioned. |
| ERR. 03 | Incorrect temperature sensor readings | The defrosting sensor is connected on the water connection plug. The water temperature sensor is con- nected to the air connec- tion plug, and the air tem- perature sensor is connec- ted to the defrosting con- nection plug. | Connecting sensors to the PCB correctly | Product decommissioned. |
| ERR. 04 | Incorrect defrosting and hot water temperature sensor readings | The defrosting sensor and the water temperature sensor have been inverted on the PCB. | Connecting sensors to the PCB correctly | Heat pump decommis- sioned. |
| ERR. 08 | Incorrect measurements by the defrosting sensor | The defrosting sensor is defective. | Replace the sensor | The product works in al- ternating operation with the heat pump. |
| EPrO | Display card has a storage problem | – Display card is dam- aged – Display connection cable is damaged | – Replacing the display card – Replacing the display connection cable | Product decommissioned. |
C Installer level – Overview
| Setting level | Values | Unit | Increment, select, explanation | Factory setting | |
| Min. | Max. | ||||
| INST.MENU → PV MODE → | |||||
| PV MODE | Current value | YES, no | no | ||
| INST.MENU → PV MODE → PRIORITY | |||||
| PRIORITY | Current value | YES: PV MODE has higher priority than frost protection and eco mode; no: PV MODE has lower priority than frost protection and eco mode | YES | ||
| INST.MENU → DI SPLAY → | |||||
| WATE R | Current value | ℃ | |||
| AIR INLET | Current value | ℃ | |||
| T_EV APOR | Current value | ℃ | |||
| PV ECO | Current value | Only visible if PV MODE = YES 0: Contact opened; 1: Contact closed | |||
| PV MAX | Current value | Only visible if PV MODE = YES 0: Contact opened; 1: Contact closed | |||
| SHED DING | Current value | Only visible if PV MODE = no 0: Contact opened; 1: Contact closed | |||
| FAN CONTR. | Current value | Only visible if PV MODE = no 0: Contact opened; 1: Contact closed | |||
| INST.MENU → SET TINGS → | |||||
| ANTI -BACT. | 60 | 70 | ℃ | 1 °C; YES, no; number of days | no |
| SHED DING | Current value | Only visible if PV MODE = no 0: Product out of operation during high tariff 1: Only heat pump in operation during high tariff 2: Heat pump and immersion heater in operation during high tariff | 1 | ||
| T°C MINI | 43 | 43 | ℃ | 43 °C; no | no |
| FAN MODE | Current value | 1 = Fan operates only when the heat pump is running. The fan speed automatically adjusts to the heat pump’s requirements. 2 = Fan operates only when the heat pump is running. The fan runs at maximum speed. 3: Fan is controlled by an external humidistat If PV MODE = YES: Only 1 and 2 can be selec- ted | 1 | ||
| MAX. TIME | 2 | 24 | h | no, Auto, number of hours | no |
| INST.MENU → RESE T PAR. → | |||||
| RESE T PAR. | Current value | YES, no | no | ||
| INST.MENU → COUN TERS → | |||||
| COUN TERS | Current value | No. 1: Heat pump start cycles No. 2: Immersion heater start cycles No. 3: Not used No. 4: Compressor operating hours | |||
| INST.MENU → LOCK ING → | |||||
| LOCK ING | Current value | no; Auto; Pro | no | ||
D Electronics box wiring diagram

- Control panel
- Control panel connection plug
- Main PCB
- Connection plug no. 1: Low tariff or lower level of electrical energy generated by the photovoltaic installation
- Connection plug no. 2: Fan control system or upper level of electrical energy generated by the photovoltaic installation
- Air temperature sensor
- Defrosting temperature sensor
- Water temperature sensor Pressure switch
- Safety cut-out, 87 °C
- Immersion heater
- 230 V power supply
- 20 μF condenser
- Compressor
- Fan
- 2 μF condenser
- 5.5 μF condenser
- Defrosting valve
E Heat pump output curves

- A Air temperature in °C
- B Working figure (COP)
- COP at a cold water temperature of 10 °C for a target temperature of 55 °C (EN 16147:2017/extraction cycle L)
- Heating time at a water temperature of 10 °C for a target temperature of 55 °C (EN 16147:2017/extraction cycle L)

- A Air temperature in °C
- B Working figure (COP)
- COP at a cold water temperature of 10 °C for a target temperature of 55 °C (EN 16147:2017/extraction cycle L)
- Heating time at a water temperature of 10 °C for a target temperature of 55 °C (EN 16147:2017/extraction cycle L)
F Maximum water temperature
- A Air temperature (°C)
- B Water temperature that can be reached in heat pump mode P106 (°C)
The maximum temperature of the domestic hot water using only the heat pump depends on the air temperature. At an air temperature of 35 °C, the maximum water temperature that can be reached is 60 °C. At 45 °C, the maximum temperature is reduced to 55 °C. The water temperature is reduced by 1 °C for every 2 °C air temperature. The temperature difference between the set value and the maximum value that can be reached in the heat pump mode is regulated by the immersion heater.
Technical data
Technical data – General
| aroSTOR VWL B 200/5 UK | aroSTOR VWL B 270/5 UK | |
| Nominal capacity | 197.5 l | 269 l |
| Outer diameter | 634 mm | 634 mm |
| Height | 1,458 mm | 1,783 mm |
| Weight (when empty) | 55 kg | 68 kg |
| Weight (full) | 255 kg | 338 kg |
| Material of the product container | Stainless steel | Stainless steel |
| Heat insulation | Polyurethane foam 50 mm | Polyurethane foam 50 mm |
| Maximum pressure in the drinking water circuit | 0.6 MPa (6.0 bar) | 0.6 MPa (6.0 bar) |
| Maximum inlet pressure | 0.6 MPa (6.0 bar) | 0.6 MPa (6.0 bar) |
| Pressure reducer pressure setting | 0.3 MPa (3.0 bar) | 0.3 MPa (3.0 bar) |
| Expansion valve pressure setting | 0.6 MPa (6.0 bar) | 0.6 MPa (6.0 bar) |
| Maximum pressure of the temperature and pressure re- lief valve | 0.7 MPa (7.0 bar) | 0.7 MPa (7.0 bar) |
| Maximum temperature of the temperature and pressure relief valve | 90 ℃ | 90 ℃ |
| Length of the temperature and pressure relief valve | 900 mm | 1,245 mm |
| Post-heating time in accordance with EN 12897 | 06:20 | 09:28 |
| Permanent heat losses | 1.61 kWh/24 hrs | 1.77 kWh/24 hrs |
| Kiwa certification number | 1906704/AMD1 | 1906704/AMD1 |
Technical data – Electrical specifications
| aroSTOR VWL B 200/5 UK | aroSTOR VWL B 270/5 UK | |
| Voltage and frequency of the product’s power supply | 230 V – 50 Hz | 230 V – 50 Hz |
| Max amperage of the power supply circuit | 8 A | 8 A |
| Length of the electrical cable supplied | 1.5 m | 1.5 m |
| IP rating | IPX4 | IPX4 |
| Nominal heat output of the electric back-up heater | 1,200 W | 1,200 W |
| Heat input of the electric back-up heater | 2 7 W/cm | 2 7 W/cm |
| Fuse | 8 A | 8 A |
| aroSTOR VWL B 200/5 UK | aroSTOR VWL B 270/5 UK | |
| Connections for the domestic hot water circuit | 3/4″ outside thread, cylindrical | 3/4″ outside thread, cylindrical |
| Connecting the temperature and pressure relief valve | F 1/2″ | F 1/2″ |
| Air connections (inlet and outlet) | 160 mm | 160 mm |
| aroSTOR VWL B 200/5 UK | aroSTOR VWL B 270/5 UK | |
| Refrigerant type | R 290 | R 290 |
| Refrigerant volume for complete filling | 0.15 kg | 0.15 kg |
| Max. overpressure in the heat pump | 2.5 MPa (25.0 bar) | 2.5 MPa (25.0 bar) |
| Max. low pressure in the heat pump | 1.5 MPa (15.0 bar) | 1.5 MPa (15.0 bar) |
| Permitted air temperature | −7 to 45 ℃ | −7 to 45 ℃ |
| Sound power level LpA (V1/V2) | 40/43 dB | 40/43 dB |
| aroSTOR VWL B 200/5 UK | aroSTOR VWL B 270/5 UK | |
| Sound power level LWA (V1) | 50/52 dB | 50/52 dB |
| Nominal heat output of the heat pump (water temperat- ure: 55 °C) | 700 W | 700 W |
| Nominal heat output of the heat pump (water temperat- ure: 45 °C) | 1,420 W | 1,420 W |
| Coefficient of performance (COPDHW (outdoor air temper- ature: 7 °C, extraction cycle: L)* | 2.99 | 3.00 |
| Maximum usable domestic hot water volume max (out- door air temperature: 7 °C, extraction cycle: L)* | 250.8 l | 334.5 l |
| Reference domestic hot water temperature Θ’WH (outdoor air temperature: 7 °C, extraction cycle: L)* | 54.6 ℃ | 53.7 ℃ |
| Heat-up time (environmental air temperature: 7 °C, ex- traction cycle: L)* | 6.57 h | 9.26 h |
| Power consumption during standby periods Pes (outdoor air temperature: 7 °C, extraction cycle: L)* | 25 W | 27 W |
Supplier Vaillant Ltd. Nottingham Road Belper Derbyshire DE56 1JT
- Telephone 0330 100 3143
- [email protected]
- www.vaillant.co.uk

© These instructions, or parts thereof, are protected by copyright and may be reproduced or distributed only with the manufacturer’s written consent. Subject to technical modifications

Danger! Imminent danger to life or risk of severe personal injury
Danger! Risk of death from electric shock
Warning. Risk of minor personal injury
Caution. Risk of material or environmental damage

















