
Overture TM SMART PLUG
INCLUDED
Smart Plug Part No. 1103436
User Manual
Quick Start Guide
CONTROL SPECIFICATIONS
- cULus Listed
- 120 VAC 60 Hz Line Power
- Requires NEMA 5-15R or 5-20R Receptacle
- Maximum load 15A Resistive, 15A Inductive, ½ HP Motor, 3A Incandescent
- Dry Contact Class 2 – 24VAC, 60Hz or 12VDC, 40VA Max Load
- Operating temperature: 32-95°F (0-35°C)
- Purpose of Control: Operating Control
- Rated impulse voltage: 1500 V
SAFETY
TO REDUCE THE RISK OF FIRE, ELECTRIC SHOCK, OR INJURY TO PERSONS, OBSERVE THE FOLLOWING:
- Before installing and connecting the Smart Plug, switch the power off at the service panel and lock the service disconnecting means to prevent power from being switched on accidentally. When the service disconnecting means cannot be locked, securely fasten a prominent warning device, such as a tag, to the service panel.
CAUTION: Risk of Electric Shock – More than one disconnect switch may be required to de-energize the equipment before servicing. - All electrical work must be done in accordance with local codes, ordinances, or National Electrical Code, as applicable, including fi re-rated construction codes and standards. FOR SAFETY, THIS PRODUCT MUST BE GROUNDED. If you are unfamiliar with methods of installing electrical wiring, secure the services of a qualifi ed electrician.
- Use copper wire only.
- When cutting or drilling into a wall or ceiling, do not damage electrical wiring or other hidden utilities.
- To prevent serious injury from electrical shock or damage to electrical components – DO NOT WIRE HOT!
- Install only in a UL Listed NEMA 5-15R or NEMA 5-20R receptacle. The socket outlet shall be installed near the equipment and shall be easily accessible. a. NOTE: This device shall not be used in combination with a wall switch-controlled receptacle.
- The automatic operation feature is Type 1.C action, according to UL 60730-1.
- The enclosure protection rating is IP20.
- The product is Pollution Degree 2, which is intended to be used in a household environment or similar.
- The devices are not intended for use in locations where the temperature may be less than actual room conditions, such as unheated warehouses or garages.
- Avoid water and wet locations. Keep the device away from water, fi re, excessive humidity, or hot environments.
- Do not use device where wireless devices are not allowed.
- For passthrough devices, plug the power strips into the integrated electrical sockets of the devices, but devices of the same or another type not be stacked in normal use.
- Do not attempt to disassemble, repair, or modify the device. Don’t disassemble the product, or make repairs yourself. You run the risk of electric shock and voiding the limited warranty. If you need service, please contact us.
- Note: When power is applied, the Smart Plug may require approximately 30 seconds to boot up and be ready to function.
- Please read and follow the above safety information when operating the device. We cannot guarantee that no accidents or damage will occur due to the improper use of the device. Please use this product with care and operate at your own risk. Warranty is void if miswired.
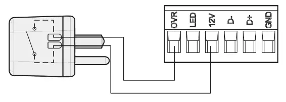
HRV/ERV/MAKE-UP AIR DAMPER INSTALLATION
- Turn off the power and lockout the service panel before wiring the control to your Fresh Air System.
- Verify Smart Plug orientation before installation.
Note the “TOP” direction shown on the Smart Plug label. - Location Notes:
a. Place your Smart Plug within the range of your Wi-Fi router or access point (approximately 100 feet).
b. Avoid physical obstructions and radio interference in the surrounding area. - Make electrical connections following the diagrams provided on the last page and in the Broan-NuTone Overture TM App using appropriate wiring for the application. Use wire nuts. Make sure both the Smart Plug and the Fresh Air System are properly grounded. Wire terminals accept #20 AWG to #16 AWG solid or stranded wire suitable for at least 75°C.
a. Strip wire to 0.5″ length, press the wire release mechanism and insert the bare wire into the screw terminal opening. Make sure the wire is seated as far into the terminal is possible.
b. Release the wire release mechanism making sure wire remains under the clamp.
c. Note: Do not reuse wire formed into a “J” loop or wrapped around screw threads. The wire terminal is designed for the straight insertion of stripped wire for proper mechanical and electrical connection. - Route wires to HRV/ERV/Make Up Air Damper.
SUPPLY FAN INSTALLATION
- For supply fan installation, plug the power cord into the Smart Plug receptacle.
- Download the Broan-NuTone Overture TM App for step-by-step set-up instructions to connect your Smart Plug to the Overture TM system. Scan the QR code to go to App Store.

For Warranty Statements, Service Parts, Technical Support, or to Register your product, please visit our website or call: In the United States – broan-nutone.com 800-558-1711. In Canada – broan-nutone.ca 877-896-1119
Regulatory Information
The Overture TM Smart Plug 1103436 is certifi ed to comply with applicable FCC and IC rules and regulations governing RF and EMI emissions. Refer to 1103436. This evice complies with Part 15 of the FCC Rules. Operation is subject to the following two conditions: (1) This device may not cause harmful interference, and (2) This device must
accept any interference received, including interference that may cause undesired operation. The distance between user and device should be no less than 20 cm.
FCC Notice
This equipment has been tested and found to comply with the limits for a Class B digital device, pursuant to Part 15 of the FCC Rules. These limits are designed to provide reasonable protection against harmful interference in a residential installation. This equipment generates, uses, and can radiate radio frequency energy and, if not installed and used in accordance with the instructions may cause harmful interference to radio communications. However, there is no guarantee that interference will not occur in a particular installation. If this equipment does cause harmful interference to radio or television reception, which can be determined by turning the equipment off and on, the user is encouraged to try to correct the interference by one or more of the following measures:
- Reorient or relocate the receiving antenna.
- Increase the separation between the equipment and receiver.
- Connect the equipment into an outlet on a circuit different from that to which the receiver is connected.
- Consult the dealer or an experienced radio/TV technician to help.
Changes or modifi cations not expressly approved by the party responsible for compliance could void the user’s authority to operate the equipment.
ISED Compliance Statement
This device contains license-exempt transmitter(s)/ receiver(s) that comply with Innovation, Science, and Economic Development Canada’s license-exempt RSS(s).
Operation is subject to the following two conditions:
- This device may not cause interference.
- This device must accept any interference, including interference that may cause undesired operation of the device.
The Bluetooth® word mark and logos are registered trademarks owned by Bluetooth SIG, Inc. and any use of such marks by Broan-NuTone LLC is under license. Other trademarks and trade names are those of their respective owners.
The Android robot is reproduced or modifi ed from work created and shared by Google and used according to terms described in the Creative Commons 3.0 Attribution License.
Wiring Diagrams
OPTION BASSE TENSION
DISPOSITIF D’APPORT D’AIR UNIVERSEL 
CORDED OPTION
MAKE-UP AIR DAMPER
HRV- Al Series
HRV/ – Non Al Serie
Regulatory ID for 1103436 Overture TM Smart Plug
FCC ID: 2ADLL-1103436
IC: 2143B-1103436
Made in China to the quality standards and specifi cations of
Broan-Nutone LLC Hartford, Wisconsin www.broan-nutone.com 800-558-1711
Venmar Ventilation ULC Drummondville Quebec Canada www.broan-nutone.ca 877-896-1119
For more information and user manuals scan QR code below.



















