3-Way Component
XS-163ES
Speaker System
Instructions
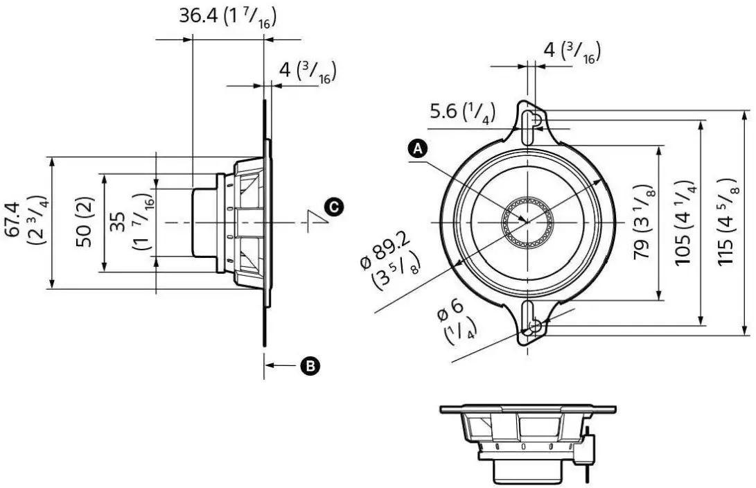
Dimensions
Tweeter
Unit: mm (in)
A Reference Point
B Reference Plane
C Reference Axis
* Depending on the attachment location, the dimension value may differ.
Mid-range
A Reference Point
B Reference Plane
C Reference Axis
Woofer
A Reference Point
B Reference Plane
C Reference Axis
Passive crossover network
Precautions
- Do not continuously use the speaker system beyond the peak power handling capacity.
- Keep recorded tapes, watches, and personal credit cards using mag genetic coding away from t he speaker system to protect them from damage caused by the magnets in the speakers.
- Please note the following when installing the units; otherwise, malfunction and/or deterioration in sound quality may result.
– Do not touch the diaphragms and/or speaker cones by hand or with tools.
– Do not put your fingers through holes in the frame.
– Do not drop foreign objects in the units. - Do not place this product close to medical devices.
– This product (including accessories) has a magnet(s) that may interfere with pacemakers, program-able shunt valves f or hydrocephalus treatment, or other m medical devices. Do not place this product close to persons who use such medical devices. Consult your doctor before using this product if you use any such medical device.
Caution
When using the speakers with an amplifier or power booster employing the BTL (balanced transformer ess) system, be sure to connect the speaker system cords directly to the amplifier speaker cords. If the connection is made through already existing speaker cords which have a common 8 lead for both the right and left channels, it is possible that no sound will be heard, and that the amplifier will be damaged.
If you cannot find an appropriate m o muniting location, consult your car dealer or y our nearest Sony dealer before mounting.
Mounting
Before mounting
A depth of at least 53.5 m m (2 1/8 in) is required to mount the woofer. Measure the depth of the area where you are to mount the speaker and ensure that the speaker is not obstructing any other components of the car. Keep the following in mind when choosing a mounting location:
- Make sure that nothing is obstructing ing around the mounting location of the door (front or rear) where you are to mount the speaker.
- A hole for mounting may already be cut out of the inner panel of the door (front or rear). In this case, you need to modify the board only.
- If you are to mount this speaker system in the door (front or rear), make sure that the speaker terminals, frame or magnet do not interfere with any inner parts, such as the window mechan is m in the door (when you open or close the window), etc. Also, make sure that the speaker grille does not touch any inner fittings, such as the window cranks, door handles, armrests, door pockets, lamps or seats, etc.
- The suitable m-counting location for the tweeters varies depending on the type of car. Choose a location that suits your car.
Notice for customers: the following information is only applicable to equipment sold in countries applying EU directives
This product has been manufactured by or on behalf of Sony Corporation.
EU Importer: Sony Europe B.V.
Inquiries to the EU Importer or related to product compliance in Eu rope should be sent to the manufacturer’s authorized representative, Sony Be Belgium, bike tour van Sony Europe B.V., Da Vincilaa n 7- D1, 1930 Zaventem, Be Belgium.
Disposal of old electrical & electronic equipment (applicable in the European Union and other countries with separate collection systems)
This symbol on the product or on its packaging indicates that this product shall not be treated as household waste. Instead, it shall be handed over to the appropriate collection
point for the recycling of electrical and electronic equipment. By ensuring that this product is disposed of correctly, you will help to prevent potential negative consequences for the environment and human health, which could be caused by inappropriate waste handling of this product. The recycling of materials will help to conserve natural resources. For more detailed information about recycling this product, please contact your local Civic Office, your household waste disposal service, or the shop where you purchased the product.
Specifications
| Speaker | Separate type, 3-way: Woofer 16.5 cm (6 1/2in) cone type Mid-range B cm (3 1/2 in) cone type Tweet er 2.5 cm (1 in) dome type |
| Short-term maximum power*’ | 270 W*2 |
| Rated power | 60 W*’ |
| CTA 2031 RMS Power | 90W |
| Rated impedance | 4Q |
| Output sound pressure level | 89±2 dB (1 W, 1 m)*2 |
| Effective frequency range | 40 – 40,000 Hz*’ |
| Crossover frequency | 1,000 Hz/7,500 Hz |
| Mass | Woofer: Approx. 950 g (2 lb 2 oz) per speaker Mid-range: Approx. 200 g (7 oz) per speaker Tweet er: Approx. 60 g (2 oz) per speaker Passive crossover network: Approx. 490 g (1 lb 1 oz) per box |
| Supplied accessories | Supplied accessories |
Design and specifications are subject to change without notice.
*1″Short-term maximum power” may also be referred to as “Peak Power”.
*’ Testing Condition: IEC 60268-5 (2003-05)
Parts list
Tweeter
Example
| 1 Remove the inside door panel. | 2 Unit: mm (in) |
![]() | ![]() |
Decide the method to mount the unit depending on the type of car and the installation location.
Mid-range
Example
| 1 Remove the speaker cover | 2 |
![]() | ![]() |
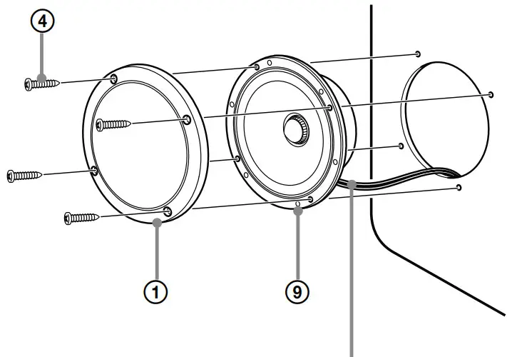
Woofer
- Mark the 4 bolt holes and make them 3.2 mm (1/8 in) in diameter.
Door panel
Unit: mm (in)
- Speaker cord (not supplied)

Passive crossover network
Adjusting the sound pressure of the tweeter
You can switch the sound pressure to +4 dB, 0 dB, or –2 dB.
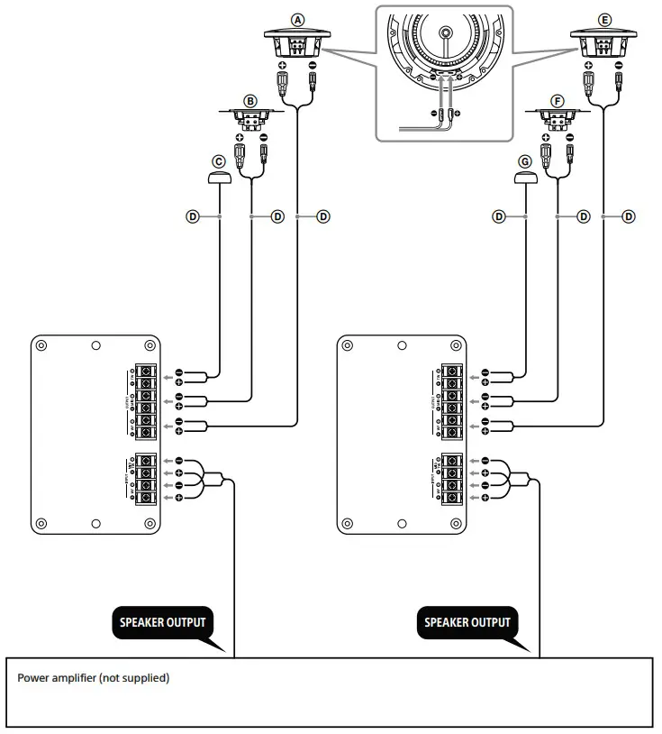
Connections
| A Standard connection | B Basic connection | C 3-way system with additional connection |
![]() | ![]() | ![]() |
| A Woofer (Left) B Mid-range (Left) C Tweeter (Left) D Speaker cord (not supplied) E Woofer (Right) F Mid-range (Right) G Tweeter (Right) | *1 Rear left speaker *2 Front left speaker *3 Rear right speaker *4 Front right speaker | H Subwoofer (not supplied) *1 Rear left speaker *2 Front left speaker *3 Rear right speaker *4 Front right speaker *5 Subwoofer (BTL) |
LIMITED WARRANTY
U.S. and Canada only- 3 years
Car Audio
Sony Electronics Inc. solely for purchases made in the United States and Sony of Canada Ltd. solely for purchases made in Canada (collectively “SW) warrants this product against defects in material or workmanship for the original owner and any subsequent end user owner(s) (*Yaf or “Your”) for the time period set forth above as set forth herein. Pursuant to this Limited Warranty, Sony will, at its option, (i) repair the product using new or refurbished parts or (ii) replace the product with a new or recertified/refurbished product of the same (or similar) model. For purposes of this Limited Warranty, ‘recertified” or ‘refurbished” means a product or part that has been returned to its original specifications. In the event of a defect, these are Your exclusive remedies. Sony does not warrant that the operation of the product will be uninterrupted or error-free.
Term: For the time period set forth above from the original date of purchase of the product when purchased directly from Sony or Sony authorized dealer (To determine if a dealer is in the Sony authorized dealer network, please visit the US: www.sony.com/retaiters; Canada: https://dealerlocatorsony.ca/locator; or contact Sony directly), Sony will, at its option, repair or replace with a new, recertified or refurbished product or part. any product or part determined to be defective.
This Limited Warranty covers only the hardware components packaged with the product. It does not cover separate accessories, technical assistance for hardware or software usage and it does not cover any software products whether or not contained in the product, and other included content; any such software or other included content is provided “AS IS” unless expressly provided for in any enclosed software Limited Warranty or End User License Agreement. Please refer to the End User License Agreement(s) included with the product for Your rights and obligations with respect to the software or other included content. If You purchased an extended service plan, please refer to the service plan for the coverage, duration, and terms of service. Extended service plans are not governed by this Limited Warranty.
To obtain warranty service, You must deliver the product, in either its original packaging or packaging affording an equal degree of protection to a Sony authorized service center together with a dated purchase receipt in order to obtain warranty service. Sony cannot guarantee that it be able to repair any product under the warranty or make a product exchange without risk to or loss of software or data It is Your responsibility to remove or backup any removable media or parts, data software, or other materials you may have stored or preserved on Your product It Is likely that any media or parts, data, softwater other materials (like pictures, music, videos, etc.) will be lost or reformatted during service and Sony will not be responsible for any such damage or loss. Contact belting for specific instructions on how to obtain womanly service for Your product
For purchases made In the UNITED STATES:
Visit Sony’s Website: www.sony.com/support
Or call the Customer Experience Center: 1-800-222-SONY (7669)
To register Your product or for contact Information to purchase accessories or parts go to Sony’s Website
For purchases made in CANADA:
Visit Sony’s Website: www.sony.ca/support
Or call the Customer Experience Center: 1-877-899-SONY (7669)
To register Your product or for contact information to purchase accessories or parts go to Sony’s Website On-site service for televisions of certain dimensions may be available to a customer living within a 50km radius of an authorized Sony service facility, provided the residence can be accessed by an on-road service vehicle.
Repair/Replacement Warranty: This Limited Warranty shall apply to any repair, replacement part or replacement, recertified or refurbished product for the remainder of the original Limited Warranty period or for ninety (90) days, whichever is longer. Any parts or product replaced under this Limited Warranty will become the property of Sony Any replacement, recertified, or refurbished product provided under this Limited Warranty may. at Sony’s option, vary in color and/or cosmetic design from the original product and may not include any original engraving or similar customization/personalization.
Sony is not responsible for, and this Limited Warranty does not cover, any damage arising from a failure to operate the product within its intended uses, or otherwise blow the owners manual and safety instructions relating to the product’s use and installation. This Limited Warranty only covers product issues caused by defects in material or workmanship during ordinary consumer use. This Limited Warranty does not cover products purchased from sources other than Sony or a Soo/ authorized dealer (including non-authorized online auctions), or issues due to
(i) outdoor exposure and other acts of nature;
(ii) power surges;
(iii) accidental damage:
(iv) abuse:
(v) limitations of technology.
(vi) cosmetic damage;
(vii) contact with liquid, heat, humidity or perspiration, sand, smoke, or foreign materials:
(viii) use of parts or supplies not sold or authorized by Sony;
(ix) servicing not authorized or performed by Sony or a Sony-authorized service center;
(x) computer or internet viruses, bugs, worms, or Trojan Horses:
(xi) malfunctions due to peripherals/accessories;
(xii) modifications of or to any part of the product, including -rooting” or other modifications to control the behavior of the product or any factory-installed operating system; (xiii) consumable parts such as batteries; or
(xiv) any product where the factory-applied serial number has been altered or removed from the product.
Further, to the extent this product incorporates the use of a display, please note that a display contains hundreds of thousands of individual pixels, and displays typically contain a small number of pixels that do not function properly.
This Limited Warranty does not cover up to .01% pixel outages (small dot picture elements that are dark or ifC0rieudy illuminated). This Limited Warranty does not cover Sony products sold “AS IS” or WITH ALL FAULTS” or consumables (such as fuses or disposable batteries). Sony will not replace missing components from any package purchased ‘Open Box” or ‘AS IS”. This Limited Warranty is valid only in the United States and Canada (as applicable).
LIMITATION ON DAMAGES: SONY SHALL NOT BE LIABLE FOR ANY INCIDENTAL OR CONSEQUENTIAL DAMAGES FOR BREACH OF ANY EXPRESS OR IMPLIED WARRANTY OR CONDITION ON THIS PRODUCT. NOR SHALL RECOVERY OF ANY KIND AGAINST SONY BE GREATER THAN THE ORIGINAL PURCHASE PRICE OF THE PRODUCT FROM SONY OR AN AUTHORIZED SONY DEALER.
DURATION OF IMPLIED WARRANTIES OR CONDITIONS: EXCEPT TO THE EXTENT PROHIBITED BY APPLICABLE LAW, ANY IMPLIED WARRANTY OF MERCHANTABILITY OR FITNESS FOR A PARTICULAR PURPOSE ON THIS PRODUCT IS LIMITED IN DURATION TO ME DURATION OF THIS LIMITED WARRANTY.
Some jurisdictions do not allow the exclusion or limitation of incidental or consequential damages or allow limitations on how long an implied warranty lasts, so the above limitations or exclusions may not apply to You. This Limited Warranty gives You specific legal rights and You may have other rights which vary from jurisdiction to jurisdiction.
For purchases made In the U.S.: Read the following Dispute Resolution/Arbitration provision carefully. It details Your rights and instructions should a dispute related to the product arise.
What Happens If We Have A Dispute: Should a dispute or claim arise related to the product, Your purchase and/or use of the product, the terms of this Limited Warranty, or any service provided under the terms of this Limited Warranty (including any repair or replacement) (-Dispute”). You and Sony agree that the Dispute shall be resolved exclusively through binding arbitration. YOU UNDERSTAND AND ACKNOWLEDGE THAT BY AGREEING TO ARBITRATION, YOU ARE GIVING UP THE RIGHT TO LITIGATE (OR PARTICIPATE IN AS A PARTY OR CLASS MEMBER) IN ANY DISPUTES IN COURT You also agree that ANY DISPUTE RESOLUTION PROCEEDING WILL ONLY CONSIDER YOUR INDIVIDUAL CLAIMS, AND BOTH PARTIES AGREE NOT TO HAVE ANY DISPUTE HEARD AS A CLASS ACTION, REPRESENTATIVE ACTION, CONSOLIDATED ACTION, OR PRIVATE ATTORNEY GENERAL ACTION. Despite the above, You have the right to litigate any Dispute on an individual basis in small claims court or another similar court of limited jurisdiction, to the extent, the amount at issue does not exceed $15,000, and as long as such court has proper jurisdiction and all other requirements (including the amount in controversy) are satisfied.
Arbitration Instructions. To begin Arbitration, either You or Sony must make a written demand to the other for arbitration. The Arbitration will take place before a single arbitrator. The arbitration will be administered in keeping with the Expedited Procedures of the Commercial Arbitration Rules and the Supplementary Proceedings for Consumer-Related disputes (*Rules”) of the American Arbitration Association (-AAA”), when applicable and in effect when the claim is filed. You may get a copy of AAA’s Rules by contacting AM at (800) 778-7879 or visiting www.adr.org. The filing fees to begin and carry out arbitration will be shared between You and Sony, but in no event shall Your fees ever exceed the amount allowable by the special rules for Consumers Disputes provided for by AAA, at which point Sony will cover all additional administrative fees and expenses. This does not prohibit the Arbitrator from giving the winning party their fees and expenses of the arbitration when appropriate pursuant to the Rules. Unless You and Sony agree differently, the arbitration will take place in the county and state where You live, and applicable federal or state law shall govern the substance of any Dispute during the arbitration. However, the Federal Arbitration Act, 9 U.S.C. § 1. et seq.. will govern the arbitration itself and not any state law on arbitration. The Arbitrators decision will be binding and final, except for a limited right of appeal under the Federal Arbitration Act.
Opt-Out Instructions. IF YOU DO NOT WISH TO BE BOUND BY THE BINDING ARBITRATION PROVISION, THEN:
- You must notify Sony in writing within 30 days of the date that You purchased the product;
- Your written notification must be mailed to Sony Electronics Inc., 16535 Via Esprilb, MZ 1105, San Diego CA 92127, Attn: Legal Department; AND
- Your written notification must include
(a) Your NAME,
(b) Your ADDRESS,
(c) the DATE You purchased the product, and
(d) a clear statement that
YOU DO NOT WISH TO RESOLVE DISPUTES WITH ANY SONY ELECTRONICS ENTITY THROUGH ARBITRATION AND/OR BE BOUND BY THE CLASS ACTION WAIVER:
Opting out of this dispute resolution procedure will not affect the coverage of the Limited Warranty In any way, and You will continue to enjoy the benefits of the Limited Warranty.
Printed in Thailand





























