
brayer.ru
Instruction manual
Meat grinder BR1605
MEAT GRINDER BR1605
The electric meat grinder is intended for making minced meat or minced fish and for making homemade semi- finished products.
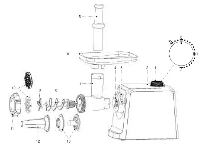
DESCRIPTION
- Operation mode switch (R/0/1/2)
- Body
- Meat grinder head lock lever
- Meat grinder head installation place
- Pusher
- Food tray
- Meat grinder head body
- Screw
- Crossed blade
- Coarse and fine cutting plates
- Meat grinder head nut
- Sausage filling attachment
- Kebbe attachments


SAFETY MEASURES AND OPERATION RECOMMENDATIONS
Read the operation manual carefully before using the meat grinder; after reading, keep it for future reference.
- Use the unit for its intended purpose only, as it is stated in this manual.
- Mishandling the meat grinder can lead to its breakage and cause harm to the user or damage to his/her property and it is not covered by warranty.
- Make sure that the operating voltage of the unit indicated on the label corresponds to your home mains voltage.
ATTENTION! Continuous operation time should not exceed 5 minutes, after that make at least 10minutes break. - Do not use the unit outdoors.
- It is recommended not to use the unit during lightning storms.
- Place and use the meat grinder only on a dry flat and stable surface, away from heat sources, open flame and direct sunlight.
- Do not use the unit near heating appliances, heat sources or open flame.
- Do not use the meat grinder in places where aerosols are stored, used or sprayed, and in proximity to inflammable liquids.
- Protect the unit from blows, drops, vibrations and other mechanical stress.
- Do not block the ventilation openings on the unit body during the meat grinder operation; this may lead to the electric motor overheating.
- Never leave the unit connected to the mains unattended.
- Do not immerse the meat grinder body, the power cord or the power plug into water or any other liquids.
- Do not use the unit in proximity to the kitchen sink, in bathrooms, near swimming pools or other containers filled with water.
- If the unit is dropped into water, unplug it immediately, and only then you can take the unit out of water. Apply to the authorized service center for testing or repairing the unit.
- Do not let the power cord touch hot surfaces and sharp edges of furniture.
- Handle the power cord with care, avoid twisting it and periodically straighten the cord.
- Do not use the power cord as a carrying handle for the meat grinder.
- Do not touch the unit body, the power cord and the power plug with wet hands.
- Unplug the unit after usage or before cleaning. When unplugging the unit, hold the power plug and carefully remove it from the mains socket, do not pull the power cord, as this can lead to its damage and cause a short circuit.
- Before using the unit for the first time, wash thoroughly all the removable parts of the meat grinder that will contact food.
- Use only the parts supplied with the meat grinder.
- Before switching the unit on, make sure that all parts of the meat grinder are installed properly.
- Regularly clean the meat grinder body and the parts which were used during the operation.
- For child safety reasons do not leave polyethylene bags used as packaging unattended.
ATTENTION! Do not allow children to play with polyethylene bags or packaging film. Danger of suffocation! - The unit is not intended for usage by children.
- Do not leave children unattended to prevent using the unit as a toy.
- Do not allow children to touch the unit body, the power cord or the power plug during operation of the unit.
- Be especially careful if children or disabled persons are near the operating unit.
- During the unit operation and breaks between operation cycles, place the unit out of reach of children.
- The unit is not intended for usage by physically, sensory, psychically or mentally disabled persons (including children) or by persons lacking experience or knowledge if they are not under supervision of a person who is responsible for their safety or if they are not instructed by this person on the usage of the unit.
- Before using the meat grinder, check the power cord integrity. If the power cord is damaged, it should be replaced by the manufacturer, a maintenance service or similar qualified personnel to avoid danger.
- Do not repair the unit by yourself. Do not disassemble the unit by yourself, if any malfunction is detected, and after the unit was dropped, unplug it and apply to the service center.
- To avoid damages, transport the unit in the original package.
- Keep the unit in a dry cool place out of reach of children and disabled persons.
THE UNIT IS INTENDED FOR HOUSEHOLD USE ONLY, DO NOT USE THE UNIT FOR COMMERCIAL OR LABORATORY PURPOSES. BEFORE THE FIRST USE
After the unit transportation or storage at negative temperature, unpack it and wait for at least 3 hours before using it. - Unpack the unit and remove all the packaging materials.
- Keep the original package.
- Read the safety measures and operating recommendations.
- Check the delivery set.
- Examine the unit for damages, in case of damage do not plug it into the mains.
- Make sure that specified specifications of power supply voltage of the unit correspond to the specifications of your mains.
- Wash all the removable parts (5, 6, 7, 8, 9, 10, 11, 12, 13) with warm water and neutral detergent, rinse and dry them.
- Wipe the meat grinder body (2) with a slightly damp cloth, and then wipe it dry.
BASIC TIPS FOR USING THE MEAT GRINDER - The electric meat grinder is intended for household use only, for making minced meat or minced fish and for making homemade semi-finished products.
ATTENTION!
Continuous operation time should not exceed 5 minutes, after that make at least 10minutes break.
- Assenble and use the meat grinder only on a dry flat and stable surface, away from heat sources, open flame and direct sunlight.
- Make sure that the ventilation openings on the meat grinder body are not blocked with any foreign objects.
- Before making minced meat, make sure that all bones and excess fat are removed.
- Do not process food with hard fiber (for example, ginger or horseradish) in the meat grinder.
- Place a suitable bowl under the meat grinder head (7).
- Switch the meat grinder on and slowly feed the meat pieces into the mouth of the grinder head (7) using the pusher (5).
- During operation, use only the pusher (5) supplied with the unit. Do not apply excessive effort while pushing the meat or other products.
- Do not push meat with your hands or any other objects.
- If an obstruction appears during the unit operation, use the reverse function (the screw reverse mode) to remove it. To activate the reverse mode turn the meat grinder off by setting the operation mode switch (1) to the »0” position, then turn and hold the switch (1) in the »R” (reverse) position, release the switch (1) after a few seconds.
- After the operation is finished, switch the meat grinder off by setting the operation mode switch (1) to the position «0», unplug the unit and then disassemble it.
MAKING MINCED MEAT
- Raise the lock lever (3) to the « » position.
- Insert the meat grinder head (7) into the installation place (4) (fig. 1), lower the lock lever (3) to the «
» position to fix the meat grinder head (7) (fig. 2). - Install the screw (8) into the meat grinder head (7) body (pic. 3).
- Install the crossed blade (9) (pic. 4).
- Select one of the plates (10) and set it over the blade, matching the ledges on the plate with the grooves on the meat grinder head body (7) (pic. 5), tighten the nut (11) (pic. 6).
- Always use the food tray (6) and pusher (5) during the operation (fig. 7).
ATTENTION! - When installing the blade (9), make sure that the cutting edges of the blade (9) face the plate (10).
If the blade is installed improperly, it will not grind meat. - The fine cutting plate (10) can be used for processing both raw and cooked meat, fish, etc.
- The coarse cutting plate (11) can be used for processing raw meat, fish, vegetables, dried fruit, cheese, etc.
- Install the food tray (6) on the meat grinder head (7).
- Insert the power plug into the mains socket.
- Switch the meat grinder on by setting the operation mode switch (1) to the position «1 or 2».
– 1 – low rotation speed, recommended for processing meat products;
– 2 – high rotation speed, recommended for processing vegetables or fruits. - Recommendations:
– Defrost frozen meat thoroughly. For better processing, cut meat into strips (20x20x60 mm) or cubes (20x20x20 mm).
– During operation, use only the pusher (5) supplied with the unit. Do not apply excessive effort while pushing the meat or other products.
– Do not push meat with your hands or any other objects. - After the operation is finished, switch the meat grinder off by setting the operation mode switch (1) to the position «0», unplug the unit and then disassemble it.
- To disassemble the meat grinder head (7), unscrew the nut (11) by turning it counterclockwise, remove the installed plate (10) from the meat grinder head (7) body, remove the crossed blade (9) and the screw (8).
- To remove the meat grinder head (7), raise the lock lever (3) to the «
» position and remove it.
MAKING KEBBE - Kebbe, Kibbeh or kubba is a Mediterranean dish cooked of beef or mutton, wheat flour and spices.
- Use the kebbe attachment (13) to make hollow rolls of the base. The rolls are filled and deep fried. Try making various fillings for the rolls.
• Here is an example kebbe recipe, you can find other recipes on the Internet.
• Filling
– Mutton 100 g
– Olive oil 1,5 table spoon
– Onion (minced) 1,5 table spoon
– Spice to taste
– Salt ¼ teaspoon
– Flour 1 table spoon or 1/2 table spoon - Assemble the meat grinder (see the chapter
«MAKING MINCED MEAT»). - Mince mutton once or twice.
- Fry onion until golden, then add minced mutton, spices, flour and salt.
- Prepare the rolls base.
– Lean meat (beef or mutton) 450-500 g
– Flour 150-200 g
– Spice 1 teaspoon (to taste)
– Nutmeg 1 pc.
– Ground red pepper (to taste)
– Black pepper (to taste) - Mince the meat thrice in the meat grinder, mince a nutmeg separately, and then mix all the components.
- More meat and less flour in the roll provide better consistency and taste of the prepared dish.
Making the rolls
- Install the meat grinder head (7) in the installation place (4).
- Insert the screw (8) into the meat grinder head body (7), install the kebbe attachments (13) on the screw; make sure that the ledges on the attachment (13) match the grooves on the meat grinder head (7) body (pic. 8) and tighten the nut (11) (pic. 9).
- Install the food tray (6) (pic. 9).
- Put the prepared base for the rolls on the food tray (6).
- Insert the plug into the socket.
- Switch the meat grinder on by setting the operation mode switch (1) to the 1 or 2-position.
- Use the pusher (5) to supply the base for the rolls (pic. 10).
- Cut the prepared rolls of necessary lengt.
- After the operation is finished, switch the meat grinder off by setting the operation mode switch (1) to the position «0», unplug the unit and then disassemble it.
- Unscrew the nut (11), turning it counterclockwise, and remove the kebbe attachments (13), remove the screw (8).
- To remove the meat grinder head (7), raise the lock lever (3) to the «
» position and remove it.
FILLING THE SAUSAGE CASING
- Mince the meat.
- Install the meat grinder head (7) in the installation place (4).
- Install the screw (8) into the meat grinder head body (7), place the crossed blade (9), one of the plates (10), the sausage attachment (12) on the screw (8), then tighten the nut (11) (fig. 11).
- Install the food tray (6) (pic.12).
- Put the natural casing in a bowl with warm water for 10-15 minutes.
- Pull softened casing on the attachment (12) and make a knot on the tip.
- Put the minced meat on the food tray (6).
- Insert the power plug into the mains socket.
- Switch the meat grinder on by setting the operation mode switch (1) to the 1 or 2-position.
- Use the pusher (5) (pic. 11) to push down the minced meat; as the casing is filled, slide it off the attachment (12), and wet it as the casing dries.
- After the operation is finished, switch the meat grinder off by setting the operation mode switch (1) to the position «0», unplug the unit and then disassemble it.
- Unscrew the nut (11), remove the attachment (12), the plate (10), the crossed blade (9) and take the screw (8) out.
- To remove the meat grinder head (7), raise the lock lever (3) to the «
» position and remove it.
CLEANING AND CARE
- After the operation is finished, switch the meat grinder off by setting the operation mode switch (1) to the position «0», unplug the unit and then disassemble it.
- Wash all the removable parts which were used for operation with warm water and neutral detergent, rinse and dry.
- Wipe the meat grinder body (2) with a slightly damp cloth and then wipe it dry.
- Do not use any solvents or abrasives to clean the meat grinder body (2).
- Provide that no liquid gets inside the meat grinder body (2).
- After processing salty and sour products, rinse the removable parts of the meat grinder with water.
- Vegetables with dyeing properties (such as carrots or beets) can stain the meat grinder parts; wipe the meat grinder parts with a cloth moistened with vegetable oil, then rinse them with a neutral detergent, rinse and dry.
STORAGE
- Before taking the meat grinder away for storage, make sure that the meat grinder body (2) and all removable parts are clean and dry.
- Keep the unit in a dry cool place out of reach of children and disabled persons.
DELIVERY SET
- Meat grinder — 1 pc.
- Pusher — 1 pc.
- Food tray — 1 pc.
- Plates — 2 pcs.
- Sausage-filling attachment — 1 pc.
- Kebbe-attachment — 1 pc.
- Instruction manual — 1 pc.
TECHNICAL SPECIFICATIONS
- Power supply: 220-240 V ~ 50-60 Hz
- Rated input power: 800 W
- Maximum power: 2000 W
RECYCLING
To prevent possible damage to the environment or harm to the health of people by uncontrolled waste disposal, after expiration of the service life of the unit or the batteries (if included), do not discard them with usual household waste, take the unit and the batteries to specialized stations for further recycling.
The waste generated during the disposal of products is subject to mandatory collection and consequent disposal in the prescribed manner.
For further information about recycling of this product apply to a local municipal administration, a household waste disposal service or to the shop where you purchased this product.
The manufacturer reserves the right to change the design, structure and specifi-cations not affecting general operation principles of the unit, without prior notice.
The unit operating life is 3 years
The manufacturing date is specified in the serial number.
In case of any malfunctions, it is necessary to apply promptly to the authorized service center.
Produced for «Ruste GmbH»,
Berggasse 18/18, 1090 Vienna, Austria
т.: +7 (495) 297-50-20,
e-mail: [email protected]
Made in China
brayer.ru


















