LOGOSOL WDU Wood Drying Unit

THANK YOU FOR CHOOSING A LOGOSOL MACHINE!
We are very pleased that you have demonstrated your confidence in us by purchasing this wood drying unit, and we will do our utmost to meet your expectations.
Logosol has been manufacturing sawmills since 1989. In that time we have supplied approximately 50,000 machines to satisfied customers the world over.
We care about your safety as well as we want you to achieve the best possible results with your equipment. We therefore recommend that you take the time to carefully read this user manual from cover to cover in peace and quiet before you begin using the wood drying unit. Remember that the machine itself is just part of the value of the product. Much of the value is also to be found in the expertise we pass on to you in the user manuals. It would be a pity if that were not utilised.
We hope you get a lot of satisfaction from the use of your new equipment.
Bengt-Olov Byström
Founder and Chairman,
Logosol in Härnösand, Sweden
- Read through the user manual carefully and make sure you understand its contents before you use the equipment.
- This user manual contains important safety instructions.
- WARNING! Incorrect use can result in serious or fatal injuries to the operator or others.
SAFETY INSTRUCTIONS
WHEN USING THE EQUIPMENT
The drying unit may only be used for drying clean wood in a chamber intended for this purpose. The WDU must be placed in a dry space, and the part of the machine that is outside the drying chamber may not be exposed to the elements. During operation, it is recommended that you have a fire extinguisher close at hand next to the drying the chamber.
LOCATION OF THE WOOD DRYING KILN
The wood drying kiln, i.e. the drying unit and the drying chamber, should be located outdoors and with some kind of weather shelter that ensures that the kiln is protected from the elements. Place the kiln under a roof that covers the drying chamber. Ensure that the drying unit is not exposed to rain, snow and splashing water from the ground.
WARNING:
- Risk of fire.
- For maximum electrical safety and fire safety, a residual current circuit breaker should be used.
- Ensure that the air in the drying chamber can circulate and that the wood is not closer to the drying unit than 0.3 m.
- The drying chamber should be set up such that the damage that can occur in the event of a fire is minimized. We recommend that you contact your local fire authority for advice if you are unsure.
Risk of water damage.
Condensed water from the drying process can leak out of the drying chamber. Place the drying chamber on a surface that can withstand water.
Set up the drying chamber in a place that can withstand moist air.
During use:
- Never set the thermostat at a higher temperature than 50 degrees C.
- Place the wood drying kiln such that the start / stop button is not blocked.
- Never step on the power cable of the drying unit. The cable should be protected against accidental damage.
- The WDU wood drying unit must not be modified or rebuilt.
- The machine’s warning labels are there for your own and others’ safety. Damaged or illegible labels must be replaced.
NOTE:
In this user manual ”cut the power” means that the cable that supplies power to the drying unit should be disconnected from the mains and placed such that no unqualified person can reconnect it. Wait until the drying unit has completely cooled.
Cut the power:
- before touching the part of the drying unit that is on the inside of the drying chamber.
- before opening any of the inspection hatches on the drying unit.
- before cleaning or other maintenance.
- before moving the drying unit.
Risk of burn injury.
The drying unit has hot heating elements. It must not be started until it is correctly installed in a drying chamber that is closed.
The surfaces of the drying unit become hot during operation. Never put your hands inside the drying unit unless the power has been cut off and the drying unit has cooled.
BEFORE CONNECTING THE EQUIPMENT TO THE MAINS
Check that:
- no loose objects are left inside the drying unit.
- all inspection hatches are correctly fitted.
- the power cable is in good condition.
- the labelling of the drying unit matches your electrical connection.
MACHINE DESCRIPTION
The Logosol WDU is a drying unit intended for installation through the wall of a drying chamber and for drying wood that is clean from sawdust and dirt. The WDU generates heat and sets the air in the chamber in motion to reach a uniform drying result and minimize cracking and movement in the wood. The machine consists of a centrifugal fan that blows out the air through an electrical heater, and an air inlet that mixes cold outside air with the heated air stream.
The fan runs continuously while the WDU is switched on. The heater is controlled by a thermostat, which measures the temperature of the circulating air, and is adjusted from the outside of the drying chamber. The WDU raises the temperature of the circulating air with approx. 25 degrees C when the heater is activated. In addition to the thermostat, the WDU has an overheating protection that turns off the WDU if the temperature gets too high.
DRYING CHAMBER
The Logosol WDU must be installed in an insulated drying chamber with a volume of at least 1 m3 and max. 4 m3, and with these minimum dimensions: L: 2 m, W: 0.5 m, H: 1 m. Install the WDU through the short side of the chamber.
- The wood that is to be dried must not be placed closer to the WDU than 0.3 m.
- The wood should have a thickness of at least 10 mm and be securely stacked in the chamber.
- The drying chamber should be made of a material that that can withstand at least 80 degrees C.
- It is optional to use the air inlet of the drying unit (A6), the purpose of which is to increase circulation in the chamber.
- The drying chamber should always have a thermometer that can be read from the outside and that have a temperature sensor on the inside.
- The drying chamber should have a vent to let out moist air.
- The drying chamber should be placed such that the drying unit is not exposed to the elements.
- An empty drying chamber can tip over in strong winds. Because of this, you should always keep an amount of wood in the drying chamber that corresponds to half the maximum filling volume.
- Make sure that the wood you stack in the drying kiln is clean of sawdust.
TECHNICAL DATA


THERMOMETER
Use an oven thermometer or the like that can withstand temperatures above 100 degrees C. Check the thermo-meter by immersing the sensor in boiling water. The thermometer should then read approx. 100 degrees C.
The sensor of the thermometer should be placed on the short side opposite to the WDU in the chamber, and at a height of 0.5 m above the chamber floor.
INSTALLATION
- The WDU must not be installed closer than 10 cm from the floor, ceiling or walls of the chamber.
- The Logosol WDU must be installed through an opening that is 250 mm in width and 505 mm in height, and be mounted level. The unit must be mounted with the air outlet downwards.
- The air outlet of the drying unit should not be directed towards the material being dried, but should blow in the air under the material.
- Check that the external cooling fan of the fan motor has free space, and that the controls of the electrical system are easily accessible.
CHECKING THE FUNCTIONING OF THE FAN
When the WDU is correctly installed in a closed drying chamber, check that the fan motor starts. If the fan does not start when the WDU is switched on, cut the power.
CHECKING THE FUNCTIONING OF THE THERMOSTAT
Cut the power. Place the WDU in a room that is heated to at least 20 degrees C, and wait until the WDU has reach the same temperature. Turn the setting knob of the thermostat (B11) to below 20 degrees C and then turn it back to above the ambient temperature. You should hear a distinct click when the setting knob passes the ambient temperature. If no click is heard, the WDU must not be started.
Bending of the WDU air conductor plate. The sides of the plate is to be bent at 90 degrees angles. The illustration to the right shows the plate being installed on the WDU.



ADJUSTING THE THERMOSTAT
The air circulation allows the WDU to dry the wood quickly and energy-efficiently at relatively low temperatures. Set the thermostat to a maximum of 50 degrees C. The temperature can be lowered if you want to save energy.
Check the internal temperature of the chamber during operation. It is normal that the thermometer shows a lower temperature than the the set value of the thermostat. If the thermometer shows a higher temperature than the set value, turn off the WDU and check the functioning of it.
MAINTENANCE
When drying certain sorts of wood, the machine can be attacked by coorosion. Always wipe the outside of the machine clean with a damp cloth after each drying cycle. Check that the power cable is intact and correctly connected before each start. The service life of the WDU can be shortened if corrosive sorts of wood are being dried.
If the machine’s glass fuse blows as soon as you start the WDU, it is an indication the WDU is damaged.
Immediately cut the power. Replace the WDU or send it to Logosol for service.
TROUBLESHOOTING
The WDU does not start:
- A fuse has blown on your premises
- The WDU’s glass fuses have blown.
- The power cable is not correctly connected.
The WDU does not reach the desired temperature:
- The overheat protection has been activated.
- Ambient conditions, such as cold outdoor temperature, strong wind and rain, can cause the drying unit not to reach the set temperature.
- The drying chamber vents are too open.
The air flow from the WDU can be adjusted by the damper on the back of the drying unit. The outlet vent should always be slightly more open than the inlet vent. The drying speed is controlled by how much you open the vents.

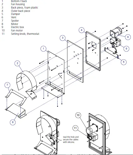
COMPONENTS: WDU WOOD DRYING UNIT EXPLODED VIEW A

COMPONENTS: WDU WOOD DRYING UNIT EXPLODED VIEW B
ELSYSTEM
Risk of electric shock.
The electrical equipment may only be opened by a qualified electrician.
EU declaration of conformity
S-871 33 Härnösand
SWEDEN
Phone: +46 611 18285, hereby declares that Logosol WDU Wood Drying Unit, SKU 6200-000-0000, is manufactured in conformity with:
Machinery Directive 2006/42/EG, EMC Directive 2014/30/EU and and LVD Directive 2014/35/EU.
Mattias Byström, Product Manager, is responsible for technical documentation.
Härnösand 2020-09-24
Mattias Byström, CEO
A COMPLETE WOOD DRYING KILN!
Never before has it been so easy to get perfectly dried timber
For joinery you need dry wood. Mouldings, furniture, floors and windows are examples of when the dryness of the wood is particularly important. Preferably, the wood should have a moisture content down to, or even below, 10% and have no cracks. This can be hard to achieve by traditional air drying. With your own drying kiln, you produce perfectly dried, valuable joinery timber in a few weeks.
A wide interest
It is clear that there is a wide interest in the drying chamber with the updated Sauno drying unit. Logosol’s products make it very easy. Never before has there been a complete solution, where you can be up and running with drying your joinery timber within an hour after you started assembling the equipment.
Advantages of the WDU drying unit:
- Powerful fan action for effective circulation in your drying chamber.
- Integrated air intake.
- Uniform & controlled drying result.
- Perfect together with the Logosol Drying Chamber that has a top valve for controlling how quickly the steam is let out.
LOGOSOL WDU Wood Drying Unit SKU: 6200-000-0000
Advantages of the drying chamber:
- Loading in is easy thanks to the big opening.
- Uniform and controlled drying result.
- Perfectly dried, valuable joinery timber in a few weeks. Within a week you will have dried pine timber ready for planing and moulding.
- Energy-efficient drying with a perfect result. You get less cracks and warping compared to air-dried timber.
- The drying chamber together with the drying unit only weighs about 50 kg; it can easily be moved by two people.
LOGOSOL WDU Wood Drying Unit incl. Drying Chamber SKU: 6200-555-0000 - LOGOSOL APP FOR DRYING
Logosol’s app for wood drying. By entering some values, such as sort of wood, thickness, volume and outside temperature e.g., you get instructions on how to set the dryer and a forecast for when the wood will have dried to the desired percentage.
The app is an interactive system, which allows everyone who uses the drying chamber to enter their actual values. The constants of the mathematical calculations are thus continuously updated, making the drying instructions and forecasts relatively accurate. The app is easy to use and makes you a drying expert right away. 11
LOGOSOL SWEDEN
Fiskaregatan 2, S-871 33 Härnösand
Phone +46 611 182 85 | Fax +46 611 182 89 [email protected] | www.logosol.com
LOGOSOL WDU Wood Drying Unit
LOGOSOL WDU Wood Drying Unit incl. Drying Chamber SKU: 6200-555-0000


















