SIEMENS Sirius 3SE5 RFID Safety Switch with Tumbler

Original Operating Instructions

DANGER
Hazardous voltage. Will cause death or serious injury. device. Installation and maintenance work on this device as well as Turn off and decommissioning lock out all may power only be supplying carried this out by device an before authorized working electrician. on this
ASSEMBLY










Mounting position

auxiliary release





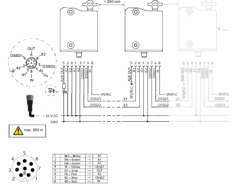
EXAMPLE

Draft FCC IC


EU Declaration of Conformity
- Product identification Zubehör 3SE64, 3SX5
Safety switch with electromagnetic interlocking, accessory - Manufacturer Siemens AG, SI EP
- Address DE-92220 Amberg
This declaration of conformity is issued under the sole responsibility of the manufacturer.
The object of the declaration described above is in conformity with the relevant Union harmonisation legislation:
Machinery Directive:
2006/42/EC Directive of the European Parliament and of the Council of 17 May 2006 on machinery, and amending Directive 95/16/EC
RED Directive:
2014/53/EU Directive of the European Parliament and of the Council of 16 April 2014 on the harmonisation of the laws of the Member States relating to the making available on the market of radio equipment; Official Journal of the EU L153, 22/05/2014, p. 62–106
RoHS Directive:
2011/65/EU amended by 2015/863/EU Directive of the European Parliament and of the Council of 8 June 2011 on the restriction of the use of certain hazardous substances in electrical and electronic equipment; Official Journal of the EU L174, 1/07/2011, p. 88–110
This declaration is an attestation of conformity with the indicated Directive(s) but does not imply any guarantee of quality or durability. The safety instructions of the accompanying product documentation shall be observed.
UK Declaration of Conformity
Product identification: Safety switch with electromagnetic interlocking, 3SE64 accessory 3SE64, 3SX5
Manufacturer: Siemens AG, SI EP
Address: DE-92220 Amberg
This declaration of conformity is issued under the sole responsibility of the manufacturer.
The object of the declaration described above is in conformity with the relevant statutory requirements:
Supply of Machinery (Safety) Regulations 2008, and related amendments
Radio Equipment Regulations 2017, and related amendments
Restriction of the Use of Certain Hazardous Substances in Electrical and Electronic Equipment Regulations 2012, and related amendments
UK marking:
Designated standards used or technical specifications in relation to which conformity is declared:
Reference number / Date of issue Reference number / Date of issue
EN ISO 13849-1:2015 EN IEC 63000:2018
EN 60947-5-3:2013 EN ISO 14119: 2013
EN 300 330 V 2.1.1: 2017
Name, address of authorized person to compile the technical file: Siemens Plc
Manchester M20 2UR, UK
Name, Identification number of the notified body TÜV Rheinland UK, Friars Gate, 1011 Stratford
Road Shirly Solihull B90 4BN, United Kingdom, No. 2571
Number of the EU type-examination certificate XXXXXXX
Signed for and on behalf of:
Place Date of issue
Dr. Klaus Orth Christian Grosch
Head of Research & Development Head of Quality Management
This declaration is an attestation of conformity with the indicated statutory requirements but does not imply any guarantee of quality or durability.
The safety instructions of the accompanying product documentation shall be observed.




















