WINCO Spectrum Electric Drop-In Commercial Induction Cooker Instruction Manual
Specifications
| Model | Voltage | Frequency | Power | Amperage | Plug Type | Overall Dimensions | Weight | ||
| Length | Depth | Height | |||||||
| EIDS-18 | 120V | 60 Hz | 1800W | 15 A | NEMA 5-15P | 12.6″(320mm) | 13.4″ (340mm) | 3.9″ (100mm) | 11 lbs 5 kgs |
| EIDS-18C | NEMA 5-20P | ||||||||
| EIDS-34 | 240V | 3400W | 14 A | NEMA 6-20P | |||||
Safety Instructions
BEFORE OPERATING ANY EQUIPMENT, READ AND FAMILIARIZE YOURSELF WITH THESE USE AND SAFETY INSTRUCTIONS
Congratulations on your purchase of this SPECTRUM commercial equipment. When used as intended, and with proper care and maintenance, you are sure to experience years of reliable operation from this equipment. To ensure best results, it is important that you read and follow the instructions in this manual carefully. It is important to keep these instructions in a safe place for future reference.
Important For Future Reference
Please complete this information and retain this manual for the life of the equipment. For Warranty Service and/or parts, this information is required.
Model Number: ______________
Serial Number: _______________
Date Purchased: ______________
WARNING: IMPROPER INSTALLATION, ADJUSTMENT, ALTERATION, SERVICE OR MAINTENANCE CAN CAUSE PROPERTY DAMAGE, INJURY, OR DEATH. READ THE INSTALLATION, OPERATION, AND MAINTENANCE INSTRUCTIONS THOROUGHLY BEFORE INSTALLING OR SERVICING THIS EQUIPMENT.
CAUTION: THESE MODELS ARE DESIGNED, BUILT, AND SOLD FOR COMMERCIAL USE ONLY. IF THESE MODELS ARE POSITIONED SO THE GENERAL PUBLIC CAN USE THE EQUIPMENT, MAKE SURE THAT CAUTION SIGNS, WARNINGS, AND OPERATING INSTRUCTIONS ARE CLEARLY POSTED NEAR EACH UNIT SO THAT ANYONE USING THE EQUIPMENT WILL USE IT CORRECTLY AND NOT INJURE THEMSELVES OR HARM THE EQUIPMENT.
WARNING: A FACTORY AUTHORIZED SERVICE PROVIDER SHOULD HANDLE ALL MAINTENANCE AND REPAIR. BEFORE DOING ANY MAINTENANCE OR REPAIR, FOLLOW SERVICE SET UP ARRANGEMENT.
Important Safeguards
These instructions should be followed at all times. Failure to follow these instructions could result in injury to yourself and others.
WHEN USING ELECTRICAL APPLIANCES, BASIC SAFETY PRECAUTIONS AND COMMON SENSE SHOULD BE FOLLOWED, INCLUDING BUT NOT LIMITED TO THE FOLLOWING:
- Read all instructions carefully. Do not use this appliance for anything other than its intended use.
- DO NOT touch any surfaces that may be hot.
- Unplug from outlet when not in use prior to installing or removing parts and before cleaning. Allow for the device to cool first before handling.
- To protect against the risk of electrical shock, do not immerse the appliance, cord or plug in water, or other liquids.
WARNING
Electrical Shock Hazard Keep water and other liquids from entering the inside of the unit. Liquid inside the unit could cause an electrical shock.
Do not spray water or cleaning products. Liquid could contact the electrical components and cause a short circuit or an electrical shock. Do not use unit if power cord is damaged or has been modified. - DO NOT operate this device or any other electrical equipment with a damaged cord or plug, or after the unit malfunctions, is dropped or damaged in any manner. Return to the nearest WINCO Authorized Service Center for examination, repair and/or adjustment.
- The use of accessory attachments not recommended by WINCO may cause fire, electric shock or injury.
WARNING
Fire Hazard.
Correct installation precautions, procedures and regulations must be followed. Operation and safety training is necessary for all users of this equipment. - Not intended for outdoor installation.
- DO NOT let the cord hang over the edge of a table or counter, or touch hot surfaces.
- DO NOT place on or near a hot gas or electric burner, or in a heated oven.
- This appliance should always be on a stable and steady countertop or table. Allow sufficient space around the cooking area. Never use the unit on/near low-heat-resistant materials (carpet, vinyl).
- This appliance is not intended for use by individuals (including children) with reduced or impaired physical, sensory or mental capabilities, or lack of experience or knowledge, unless they have been given proper supervision or instruction concerning the use of this appliance by a person responsible for their safety.
- Do not place any object between the pot/pan and the glass surface of the unit.
- DO NOT cook on a broken cooktop – if the cooktop should break, cleaning solutions and spillovers may penetrate the broken or damaged surface and create a risk of electrical shock.
- Clean the cooktop with caution – if a wet sponge or cloth is used to wipe spills on a hot cooking surface, exercise caution to avoid steam burns. NOTE: some cleaners may produce noxious flames when applied to a hot surface.
- DO NOT place metal objects such as knives, forks, spoons and lids on the glass surface, as they can get very hot.
- Items with a magnetic field, including radios, televisions, automatic banking cards, and audio/video equipment may affect the operation of the unit.
- It is not recommended to heat pots/pans when empty. Pots/Pans will heat up very quickly.
- If an extension cord power-supply is used,
- The marked electrical rating of the extension cord should be rated the same or greater than the electrical rating of the unit.
- The cord should be located so that it will not drape over the countertop or tabletop where it can be damaged or moved unintentionally.
Proper Grounding
This machine is provided with a three-pronged grounding plug. The outlet to which this plug is connected must be properly grounded. If the receptacle is not the proper grounding type, contact an electrician. DO NOT, under any circumstances, cut or remove the third ground prong from the power cord or use any adapter plug.
USE A GROUNDED OUTLET DO NOT ADD AN ADAPTOR TO THE PLUG
Safety
SAFETY PRECAUTIONS
Before installing and operating this equipment be sure everyone involved in its operation are fully trained and aware of all precautions. Accidents and problems can result from a failure to follow fundamental rules and precautions.
- A WINCO® Approved Recommended Qualified Service Technician should carry out repairs if necessary. Do not remove any components or service panels on this product.
- Before handling, allow the cooktop to cool down after use – it may be hot from the heated pot that was on it.
- Before cleaning, switch off power and disconnect power cord from the outlet.
- Do not immerse unit in water or use hose to clean.
- If the power cord is damaged, it must be replaced by a WINCO® Approved Recommended Qualified Service Technician in order to avoid a hazard.
Introduction
Congratulations on the purchase of the SPECTRUM™ Commercial Induction Cooker. Please take time to carefully read through this manual to ensure the machine is operated and maintained properly, to ensure the best possible performance from the product for many years. SPECTRUM will not accept liability for the following if:
- The instructions in this manual have not been followed correctly.
- Non-authorized personnel have tampered with the machine.
- Non-original spare parts are used.
- The machine has not been handled and cleaned correctly.
- There is any use damage to the unit.
Immediately Inspect for Shipping Damage
All containers should be examined for damage before and during unloading. The freight carrier has assumed responsibility for its safe transit and delivery. If equipment is received damaged, either apparent or concealed, a claim must be made with the delivering carrier.
- A. Apparent damage or loss must be noted on the freight bill at the time of delivery. It must then be signed by the carrier representative (Driver). If this is not done, the carrier may refuse the claim. The carrier can supply the necessary forms.
- B. If concealed damage or loss is not apparent until after equipment is uncrated, a request for inspection must be made to the carrier within 15 days. The carrier should arrange an inspection. Be certain to keep all contents and packaging material.
Package Contents
All units come with an Operating Instruction Manual and the following:
- (1) SPECTRUM™ Commercial Drop-In Induction Cooker
SPECTRUM prides itself on quality and service, ensuring that at the time of packing, all products are supplied fully functional and free of damage. Should you find any damage as a result of freight, please contact your SPECTRUM dealer immediately.
Unpacking the Equipment
DISPOSE OF ALL PACKAGING MATERIALS IN AN ENVIRONMENTALLY RESPONSIBLE MANNER.
- Remove all packing materials and tape, as well as any protective plastic and cardboard, from the unit.
- Clean any glue residue left over from the plastic or tape.
- Place the unit in the desired position and height.
Installation and start-up must be performed by a qualified installer who has thoroughly read, understands and follows these instructions.
Please keep this manual in a safe place for future use!
NOTE
Please remember that this manual and the warning labels do not replace the need to be alert, to properly train and supervise operators, and to use common sense when using this equipment.
Installation
- Drop in unit may be installed as follows: Above the counter surface / Flush to the counter surface / With a stainless steel trim ring (EIDS-TR sold separately)
- Layout and cut holes in the cabinet per the template provided for the cooker and control panel, based on the installation type (see #1)
- Secure cooker in place with silicone
- Secure control panel in place with screws (not provided)
- Align pin connector and secure cable between the control panel and cooker
- Attach unit to power source.
Induction Cooker & Panel Cutout
WARNING
Ventilation airflow is required. Cabinet must allow air in or out, as shown in diagram
Control Panel
- H = 3-1/8″ (80 mm)
- J = 5-5/16″ (136 mm)
Operation
Control Panel
- A. LED Display Screen
- B. Adjustment Button “-“
- C. Timer Mode Button
- D. Adjustment Button “+”
- E. Power Regulator Rotary Knob
Note
The WINCO® Commercial Drop-In Induction Cooker has two different cooking modes: (C) Timer Mode and (E) Power Mode.
Note
Induction Cooker requires induction ready cookware.
Power Mode (Wattage)
- Place cookware containing ingredients on the cooktop.
- To turn the Induction Cooker “ON”, turn the control knob clockwise.
- Turn the control knob to set Power. Turn the control knob counterclockwise (toward LOW) to decrease power and clockwise (toward HIGH) to increase power.
- To turn the Induction Cooker off, turn the control knob counterclockwise until it ‘clicks’ and the LED display is no longer illuminated.
Timer Mode
- Place cookware containing ingredients on top of the cook top.
- Turn the Induction Cooker “ON” by turning the control knob clockwise.
- Press the “Timer Mode” button (0-24 hours).
- Press “+” or “-“ buttons to set in 1-minute increments (0-60 min), long press “+” or “-“ buttons to set in 5-minute increments. Press Timer button again and use “+” or “-“ buttons to adjust in 1-hour increments (0-24 hours). Press Timer button for a third time will shut off the timer.
- To turn the Induction Cooker off, turn the control knob counterclockwise until it ‘clicks’ and the LED display no longer illuminates.
Cleaning, Care & Maintenance
To maintain the appearance and increase the service life, clean your unit daily.
The SPECTRUM™ Commercial Induction Cooker should be cleaned after each day’s operation; however, the unit may require more frequent cleaning, depending on the volume of production.
WARNING
Burn Hazard.
When in operation, the appliance surfaces will be HOT!
Please take extreme caution.
- Switch power off and disconnect from the outlet before cleaning.
- The Induction Cooker should be cleaned regularly throughout use, and thoroughly cleaned after each meal period.
- When the unit has cooled down, wipe the surface and body with damp cloth.
- To clean the stainless steel housing, use a mild scouring agent to remove greasy or resistant soil. DO NOT use lye-based cleaners such as oven cleanerm as it may damage the cooktop.
- To clean the glass surface, use a mild detergent or glass cooktop cleaning cream.
- Do not immerse in water.
- Do not use a hose to clean.
WARNING
Electrical Shock Hazard
Keep water and other liquids from entering the inside of the unit. Liquid inside the unit could cause an electrical shock.
Do not spray water or cleaning products. Liquid could contact the electrical components and cause a short circuit or an electrical shock. Do not use unit if power cord is damaged or has been modified.
Note
The Induction Cooker uses and can radiate radio frequency energy. If not installed and used in accordance with the instructions, may cause harmful interference to radio communications.
However, there is no guarantee that interference will not occur in a particular installation. If this unit does cause harm to radio or television reception, which can be determined by turning the unit off and on, the user is encouraged to try to correct the interference by one or more of the following measures:
- Reorient or relocate the receiving antenna.
- Increase the separation between the equipment and receiver.
- Connect unit to an outlet that’s on a different circuit than the receiver.
- Consult the dealer or an experienced radio/TV technician for help.
- Changes or modifications not expressly approved by the party responsible for compliance could void the user’s authority to operate the equipment.
Troubleshooting
If the SPECTRUM™ Commercial Induction Cooker does not operate, please check the following before placing a service call:
ERROR CODES | DESCRIPTION OF ERROR | RECOMMENDED SOLUTION |
| EC/E16 | Main board cannot connect with control panel. | Check the wire connection between the main PCB board and display control board. Replacement must be done by an authorized service provider. |
| E0 | Circuit failure | Check the coil for an open circut. Replacement must be done by an authorized service provider. |
| E1 | Empty cookware protection | Place cookware containing ingredients on the induction cooker. |
| Make sure cookware is induction cooker compatiable. | ||
| Check diameter of the cookware . It must have a flat bottom that is at least 4-1/2″ in diameter. | ||
| E2 | Low voltage protection | Check electrical specifications of power source. |
| E3 | High voltage protection | |
| E4 | Temperature sensor open circuit | Check the temperature sensor on heating sink for an open circuit (broken or unplug). Replacement must be done by an authorized service provider. |
| Check the temperature sensor on heat sink for broken insulated exposed metal wire. Check if the outlet is broken. Replacement must be done by an authorized service provider. | ||
| E7 | IGBT sensor open circut | Check the IGBT sensor on heat sink for an open circuit (broken or unplug). Replacement must be done by an authorized service provider. |
| E8 | Temperature sensor is overheated. | Check the fans under the coil. Replacement must be done by an authorized service provider. |
| Check the surrounding temperature. If temperature is too high (above 122°F / 50°C), the induction cooker will stop heating. Replacement must be done by an authorized service provider. | ||
| E9 | IGBT sensor is over heated. | Check the fans in main board to see if they are broken or air inlets are blocked, resulting in poor heat dissipation. Replacement must be done by an authorized service provider. |
Service and Repair
THIS EQUIPMENT MUST ONLY BE SERVICED BY AN AUTHORIZED AGENT.
NOTE
Parts protected by the manufacturer or its agent are not to be adjusted by the installer unless the installer is an authorized service agent.
If you have any questions or problems DO NOT send unit to WINCO® without first contacting our customer service department. See “Limited Warranty” section on page 11 for details.
Exploded View & Parts List
MODELS: EIDS-18 / EIDS-18C / EIDS-34
# | Description | EIDS-18 | EIDS-18C | EIDS-34 |
| 1 | Flat Glass Plate | EIDS-P1 | EIDS-P1 | EIDS-P1 |
| 2 | Flat Coil | EIDS-P2 | EIDS-P2 | EIDS-P3 |
| 3 | Fans in Main Board | EIDS-P4 | EIDS-P4 | EIDS-P4 |
| 4 | Main PCB Board | EIDS-P5 | EIDS-P5 | EIDS-P6 |
| 5 | Silicone Foot | EIDS-P7 | EIDS-P7 | EIDS-P7 |
| 6 | Back Fans | EIDS-P8 | EIDS-P8 | EIDS-P8 |
| 7 | Display Control Box | EIDS-P9 | EIDS-P9 | EIDS-P9 |
| 8 | Glass Control Panel | EIDS-P10 | EIDS-P10 | EIDS-P10 |
| 9 | Plastic Control Knob | EIDS-P11 | EIDS-P11 | EIDS-P11 |
| 10 | Stainless Steel Trim Ring | EIDS-TR | EIDS-TR | EIDS-TR |
| 11 | Power Cord | EI-PC18 | EI-PC18C | EI-PC34 |
Please contact factory for special order parts not listed.
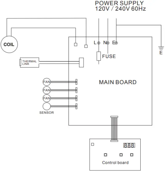
Electrical Circuit Diagram
MODELS: EIDS-18 / EIDS-18C / EIDS-34
Limited Warranty
WINCO® warrants to the original purchaser of new equipment that said equipment, when installed in accordance with our instructions within North America and subjected to normal use, is free from defects in material or workmanship for a period of 1 year. The labor warranty is one year from original installation or 18 months from actual factory shipment date, whichever date occurs first.
THIS WARRANTY IS IN LIEU OF ALL OTHER WARRANTIES, WHETHER EXPRESSED OR IMPLIED. WINCO EXPRESSLY DISCLAIMS ANY IMPLIED WARRANTY OF MERCHANTABILITY OR EXPRESSED OR IMPLIED WARRANTY OF FITNESS FOR A PARTICULAR PURPOSE.
WINCO’S OBLIGATION AND LIABILITY UNDER THIS WARRANTY IS EXPRESSLY LIMITED TO REPAIRING AND REPLACING EQUIPMENT THAT PROVES TO BE DEFECTIVE IN MATERIAL OR WORKMANSHIP WITHIN THE APPLICABLE WARRANTY PERIOD.
IN NO EVENT SHALL WINCO BE LIABLE FOR INCIDENTAL OR CONSEQUENTIAL DAMAGES TO BUYER OR ANY THIRD PARTY, INCLUDING, WITHOUT LIMITATION, LOSS OF PROPERTY, PERSONAL INJURY, LOSS OF BUSINESS OR PROFITS OR OTHER ECONOMIC LOSSES, OR STATUTORY OR EXEMPLARY DAMAGES, WHETHER IN NEGLIGENCE, WARRANTY, STRICT LIABILITY, OR OTHERWISE.
This warranty is given only to the first purchaser from a retail dealer. No warranty is given to subsequent transferees.
Warranty does not cover product failures caused by: failure to maintain, neglect, abuse, damage due to excess water, fire, normal wear, improper set up and use. Periodic maintenance is not covered.
This warranty is not in force until such time as a properly completed and digitally signed Installation/Warranty Registration has been received by WINCO within 30 days from the date of installation.
WARRANTY SERVICE
To initiate warranty service
email: [email protected] or
call: 973-295-3899
DO NOT send unit to WINCO® without first contacting our customer service department.
Please provide or have the following information available:
- Model & Serial Number (located on the silver identification tag, on side or rear of unit)
- Date of Purchase
- Purchase Dealer
- Operator / Installation Contact Information
- Business Name & Business Address
- Contact Name & Contact Telephone Number
REGISTER ONLINE AT
www.wincous.com
Proof of purchase is required to extend warranty more than 1 year from date of shipment from the factory.
THE FOREGOING WARRANTY PROVISIONS ARE A COMPLETE AND EXCLUSIVE STATEMENT BETWEEN THE BUYER AND SELLER. WINCO® NEITHER ASSUMES NOR AUTHORIZES ANY PERSONS TO ASSUME FOR IT ANY OTHER OBLIGATION OR LIABILITY IN CONNECTION WITH SAID EQUIPMENT.
Examples of items not covered under warranty, but not limited to just these items:
- Natural disasters (ie: earthquakes, tornadoes, hurricanes, etc.), fire, water damage, burglary, accident, theft.
- Freight damage.
- Improper installation or alteration of equipment.
- Use of generic or after-market parts.
- Repairs made by anyone other than a WINCO® designated service provider.
- Lubrication.
- Expendable wear parts, adjustable feet, blown fuses, lamps, etc.
- Cleaning of equipment.
- Misuse or abuse.
Warranty voided if:
- Product is altered by user
- Serial number plate is removed
- Product is installed in a prison or any correctional facility.
Please keep this manual in a safe place for future use!
Electrical Shock Hazard Keep water and other liquids from entering the inside of the unit. Liquid inside the unit could cause an electrical shock.


















