velleman K4101, K6710 15 Channel Infrared Transmitter

Features and specifications
- Tactile Keyboard.
- Complete with aluminum Housing.
- Transmitter carrier wave frequency : 38KHz.
- Number of identification codes : 6
- 15 independent channels.
- Standby current consumption : 0.1 µA.
- Average current consumption during transmission : 10mA.
Works together with :- K6711 – 15 Channel infrared receiver.
- K6712/13 One Channel infrared receiver.
- K4100 Digital controlled preamplifier.
- K4500 digital synthesizer FM tuner.
- Power supply : 9V Battery (not included).
- Dimensions : 50 x 23 x 175mm (2” x 0,9” x 6,9”).
Modification reserved
- Assembly (Skipping this can lead to troubles ! )
Ok, so we have your attention. These hints will help you to make this project success-ful. Read them carefully.
Make sure you have the right tools
- A good quality soldering iron (25-40W) with a small tip.
- Wipe it often on a wet sponge or cloth, to keep it clean; then apply solder to the tip, to give it a wet look.
This is called ‘thinning’ and will protect the tip, and enables you to make good connections. When solder rolls off the tip, it needs cleaning. - Thin raisin-core solder. Do not use any flux or grease.

- A diagonal cutter to trim excess wires. To avoid injury when cutting excess leads, hold the lead so they can not fly towards the eyes.

- Needle nose pliers, for bending leads, or to hold components in place.
- Small blade and Phillips screwdrivers. A basic range is fine.

For some projects, a basic multi-meter is required, or might be handy
Assembly Hints
- ⇒ Make sure the skill level matches your experience, to avoid disappointments.
- ⇒ Follow the instructions carefully. Read and understand the entire step before you perform each operation.
- ⇒ Perform the assembly in the correct order as stated in this manual
- ⇒ Position all parts on the PCB (Printed Circuit Board) as shown on the drawings.
- ⇒ Values on the circuit diagram are subject to changes.
- ⇒ Values in this assembly guide are correct*
- ⇒ Use the check-boxes to mark your progress.
- ⇒ Please read the included information on safety and customer service
* Typographical inaccuracies excluded. Always look for possible last minute manual updates, indicated as ‘NOTE’ on a separate leaflet.
Soldering Hints
Mount the component against the PCB surface and carefully solder the leads
Make sure the solder joints are cone-shaped and shiny
Trim excess leads as close as possible to the solder joint
AXIAL COMPONENTS ARE TAPED IN THE CORRECT MOUNTING SEQUENCE !
REMOVE THEM FROM THE TAPE ONE AT A TIME !
Construction
This infrared transmitter can be used to remotely operate our preamplifier (K4100) or tuner (K4500). More over it can be used together with the universal 15-channel receiver (K6711) and/or the one-channel receivers (K6712/13). For use with those last two kits, the transmitter has a universal keyboard, one of its keys even allows you to reset all the outputs at once. Another so-called safety key allows you to preserve the memory content (or stations in the case of the tuner), in order to avoid unwanted overwriting. Not only its possibilities but also the aluminum housing and a special VELLEMAN tactile keyboard make this Build-it-yourself remote control unique.

Mounting the IR diodes. Watch the polarity !
Fit the IR diodes LD2 trough LD4 (see fig. 1.0) horizontally and in line with the pcb. Pay attention to the polarity. Pass the short-est lead trough the hole marked C all like LD4.
First: Bend the leads exactly like the drawing.
Next: Solder one lead, and check the position, if necessary correct by heating the soldering.
Last: Solder the second connection.
- LD2
- LD3
- LD4

Mounting the LED . Watch the polarity !
IMPORTANT
Fit LED LD1 at the solder side, AGAINST the PCB (see fig. 2.0a)
First carefully bend its leads at the component side, in such a way as to make the longest lead (anode) touch R5 and the shortest lead touch R3.
After that you can solder the leads to the resistors and cut the free ends. (See Fig. 2.0b)
- LD1

Battery
Connect the connection wires of the battery holder to the + (red wire) and the – (black wire) of the pcb. (see fig 3.0)
- Red
- Black

IC. Watch the position of the notch !

- IC1 : 3004
Insert IC1, 3004 type into his socket with his notch towards the pcb edge.
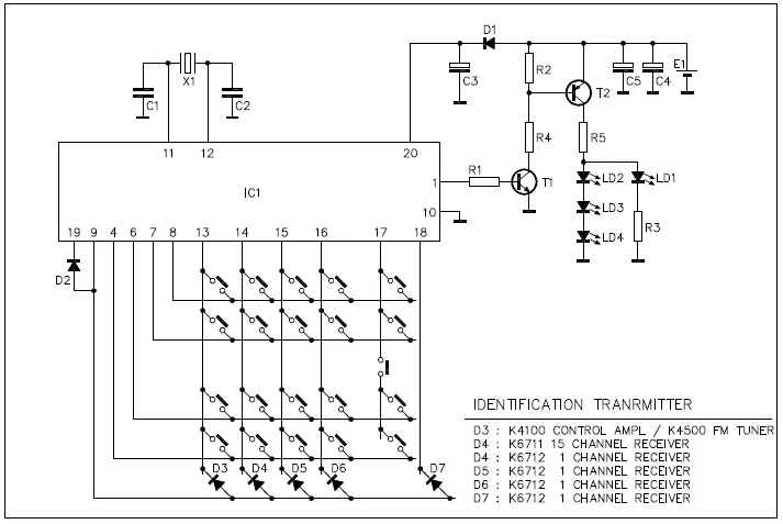
Identification of the transmitter for the distinct receivers.
For use with the Pre-amplifier and tuner (K4100/K4500) :
- Fit a small signal diode for D3.
For use with the universal remote control (K6711) :
- Fit a small signal diode for D4.
For use with the distinct one-channel receivers :
- Fit one of the diodes D4 trough D7, see the directions for use of the one channel receiver (K6712).
Mounting the housing
- Sticking the Keyboard :
- Remove the covers of the housing.
- Stick the keyboard onto the housing, with the connection lip in the saving, so that the LED window corresponds with the hole in the aluminum.
- Mounting the pcb :
- Carefully push the pcb into the housing (fig.4.0)

- Carefully insert the pcb cable of the keyboard into the connector. Pay attention to the position of the pcb (fig. 5.0).

- Pay attention to the position of the three IR LED’s and of the red indication LED!
- Run the battery holder from the opposite side trough the housing and fill up the room behind the pcb with the piece of foam-rubber supplied with the kit.
- Carefully push the pcb into the housing (fig.4.0)
Test and Usage
- Connect a 9v battery to the holder and insert the battery into the housing. Test the transmitter-receiver combination and check all the functions. Fit both covers onto the housing.
Functions

- When using the kit together with the pre- amplifier/tuner :
- All functions are described in the user’s manual of the preamplifier and of the tuner.
- To preserve the settings of the pre-amplifier or the preselection’s of the tuner, press the corresponding “MEM”-key together with the red safety key.
- When using the kit together with the 15-channel or 1- channel receiver :
- Channel selection : keys 1 trough 15 (keys 1 trough 7 constitute group 1 and keys 8 trough 15 constitute group 2).
- Memory function : keys MEM1 or MEM2, to be pressed together with the red safety key STORE.
- To call the memories : CALL1 or CALL2.
- To reset all outputs : CLEAR key.
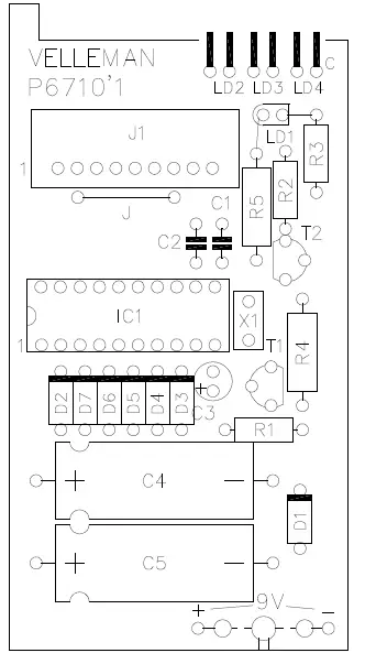
PCB Layout

Diagram

VELLEMAN Components NV Legen Heirweg 33
9890 Gavere
Belgium Europe
Info ?: http://www.velleman.be
Modifications and typographical errors reserved © Velleman Components nv.
H6710IP – 2001 – ED1























