4 ft. LED T8 Tube
Instruction Manual
Double & Single ended By Pass/Line Voltage
Product Features:
- UL certified
- Single ended:

- Full glass housing: No Aging, Yellowing, Bending.
- Double ended:

Product Applications:
Widely used in residential buildings, offices, shopping malls, supermarkets, hospitals, assembly lines, warehouses, etc. for energy saving illumination.
Installation Instructions:
Please completely comply with these instructions and notes, to ensure that the product is operated in a safe condition
Safety Precautions:
For your and others’ safety, please read the precaution carefully before installation:
- Product should be installed by qualified electrician
- Switch off the power supply before commencing work, make sure correct connection before power on
- Suitable for use with the following emergency equipment: PRECISION LIGHTING & TRANSFORMER, INC., model PLTSP91, PLTSP92.
WARNING
WARNING – Risk of fire or electric shock. LED Retrofit Kit installation requires knowledge of luminaires electrical systems. If not qualified, do not attempt installation. Contact a qualified electrician.
WARNING – Risk of fire or electric shock. Install this kit only in the luminaires that have the construction features and dimensions shown in the photographs and/or drawings and where the input rating of the retrofit kit does not exceed the input rating of the luminaire.
WARNING -To prevent wiring damage or abrasion, do not expose wiring to edges of sheet metal or other sharp objects.
WARNING: To avoid potential fire or shock hazard, do not use this retrofit kit in luminaires employing shunted birin lampholders.
Note: Shunted lamp holders are found only in fluorescent luminaires with Instant-Start ballasts. Instant-start ballasts can be identified by the words “Instant Start” or “.S.” marked on the ballast. This designation may be in the form of a statement pertaining to the ballast itself, or may be combined with the marking for the lamps with which the ballast is intended to be used, for example F40T12/IS. For more information, contact the LED luminaire retrofit kit manufacturer.
Do not make or alter any open holes in an enclosure of wiring or electrical components during kit installation.
Installers should not disconnect existing wires from lamp holder terminals to make new connections at lamp holder terminals. Instead installers should cut existing lamp holder leads away from the lamp holder and make new electrical connections to lamp holder lead wires by employing applicable connectors.
THIS RETROFIT ASSEMBLY IS ACCEPTED AS A COMPONENT OF A LUMINAIRE WHERE THE SUITABILITY OF THE COMBINATION SHALL BE DETERMINED BY UL OR AUTHORITIES HAVING JURISDICTION. THERE ARE TUBE, OPERATION INSTRUCTION AND THE FIELD APPLIED DOUBLE-ENDED OR SINGLE-ENDED APPLICATION LABEL IN THIS RETROFIT KIT.
Type B LAMP – intended for operation in luminaires with traditional fluorescent-type lamp holders wired directly to the branch circuit. This includes both factory-wired luminaries as well as those converted for this purpose under a retrofit program.
The unis covere b i reportwere ntended 1 rtoftsurface mourt, Type IC or non-C recessed mount Listed orescent uminairs tat e maximum 4 Lbutar Bmps. he minimum amp compariment amensions ar tabuated below:
| Model Number | MINIMUM LAMP COMPARTMENT DIMENSIONS [Length x Width x Height] [mm] | Lamp Quantity | Lamp-to-lamp Spacing [cm] |
| PLTSP3F213/PLTSP3F214 PLTSP3F215/PLTSP3E213 PLTSP3E214/PLTSP3E215 | 1230 x 340 x 45 | 4 | 3 |
This device complies with Part 15 of the FCC Rules. Operation is subject to the following two conditions:
- this device may not cause harmful interference, and
- this device must accept any interference received, including interference that may cause undesired operation.
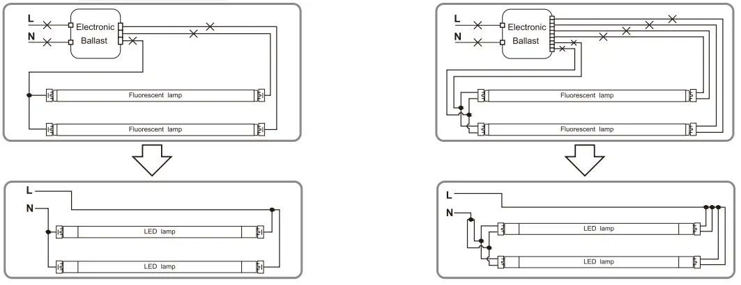
The below ballast wiring represents typical configuration. The actual ballast wiring varies according to ballast model. The socket should be non-shunted.
Single ended Wiring Instruction
Retrofit luminaire with 1 lamp

Retrofit luminaire with 2 lamps

Retrofit luminaire with 3 lamps

Retrofit luminaire with 4 lamps

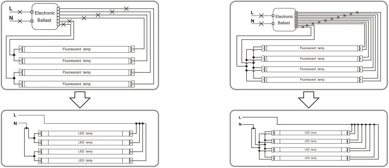
The below ballast wiring represents typical configuration. The actual ballast wiring varies according to ballast model. It is not needed to change socket (if in good condition) to operate double ended lamps, regardless the type of sockets. Please make sure one side of fixture is connected to Live (L) and the other side to Neutral (N).
Double ended Wiring Instruction
| Retrofit luminaire with 1 lamp | |
| Instant Start | Program Start or Rapid Start |
![]() | |
| Retrofit luminaire with 2 lamps | |
| Instant Start | Program Start or Rapid Start |
![]() | |
| Retrofit luminaire 3 lamps | |
| Instant Start | Program Start or Rapid Start |
![]() | |
| Retrofit luminaire 4 lamps | |
| Instant Start | Program Start or Rapid Start |
![]() | |
Any further questions or interests, please visit
www.pltsolutions.com























