Installation Instructions
Hybrid LED T8 U-Bend Tubes

Hybrid LED T8 U Bend Tubes
Please keep this Quick Installation Guide for future reference. Modifications to the product void the Warranty. Suitable to replace fluorescent lamps as specified on the product label.
MARKINGS/WARNING
a. RISK OF FIRE OR ELECTRIC SHOCK. WHEN WORKING WITH ELECTRONIC BALLAST PLEASE CHECK THE COMPATIBILITY LIST FIRST. IF THE BALLAST CAN’T BE FOUND IN THE LIST, PLEASE BYPASS THE BALLAST OR CONTACT WITH THE MANUFACTURER. DO NOT INSTALL THE TUBE IF THE BALLAST IS NOT ON THE LIST.
b. CAUTION RISK OF FIRE – IF THE LAMP OR LUMINAIRE EXHIBITS UNDESIRABLE OPERATION (BUZZING, FLICKERING, ETC.), IMMEDIATELY TURN OFF POWER, REMOVE LAMP FROM LUMINAIRE AND CONTACT MANUFACTURER.
c. DO NOT INSTALL THIS LAMP IN A PRE-HEAT LUMINAIRE. d. THIS LAMP ONLY OPERATES ON ELECTRONIC BALLASTS. IF LAMP DOES NOT LIGHT WHEN THE LUMINAIRE IS ENERGIZED, REMOVE LAMP FROM LUMINAIRE AND CONTACT LAMP MANUFACTURER OR QUALIFIED ELECTRICIAN.
e. THIS DEVICE IS NOT INTENDED FOR USE WITH EMERGENCY EXITS.
f. Warning — risk of fire or electric shock. Led retrofit kit installation requires knowledge of luminaires electrical systems. If not qualified, do not attempt installation. Contact a qualified electrician.
g. Warning — risk of fire or electric shock. Install this kit only in the luminaires that have the construction features and dimensions shown in the photographs and/or drawings and where the input rating of the retrofit kit does not exceed the input rating of the luminaire.
h. Do not make or alter any open holes in an enclosure of wiring or electrical components during kit installation.
i. Warning — to prevent wiring damage or abrasion, do not expose wiring to edges of sheet metal or other sharp objects.
j. Warning for single-ended power input: To avoid potential fire or shock hazard, do not use this retrofit kit in luminaires employing shunted bi-pin lampholders. Note: Shunted lamp holders are found only in fluorescent luminaires with Instant-Start ballasts. Instant-start ballasts can be identified by the words “Instant Start” or “I.S.” marked on the ballast. This designation may be in the form of a statement pertaining to the ballast itself, or may be combined with the marking for the lamps with which the ballast is intended to be used, for example F40T12/IS. For more information, contact the LED luminaire retrofit kit manufacturer.
k. Installers should not disconnect existing wires from lampholder terminals to make new connections at lampholder terminals. Instead, installers should cut existing lampholder leads away from the lampholder and make new electrical connections to lampholder lead wires by employing applicable connectors.
I. THE RETROFIT KIT IS ACCEPTED AS A COMPONENT OF A LUMINAIRE WHERE THE SUITABILITY OF THE COMBINATION SHALL BE DETERMINED BY AUTHORITIES HAVING JURISDICTION. PRODUCT MUST BE INSTALLED BY A QUALIFIED ELECTRICIAN IN ACCORDANCE WITH THE APPLICABLE AND APPROPRIATE ELECTRICAL CODES. THE INSTALLATION GUIDE DOES NOT SUPERSEDE LOCAL OR NATIONAL REGULATIONS FOR ELECTRICAL INSTALLATIONS.
m. Installers should examine all parts that are not intended to be replaced by the retrofit kit for damage and replace any damaged parts prior to installation of the retrofit kit. I. If the tube is installed as type B, the luminaire, once modified as retrofit fixture, will no longer operate fluorescent lamps.
TYPE A –Assembly introduction:
Type A-Installation Guide:

Instructions
- Switch-off power to the luminaire.
- Remove diffuser (if provided).
- Remove the existing fluorescent lamps from the luminaire.
- Install the LED tube lamp.
- Install diffuser (if removed in step 2)
- Switch on power to the luminaire.
- Before installation, please check specifications for the most current ballast compatibility list, if no match, please insert led tubes according to below type B installation instructions.
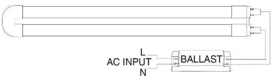
TYPE B —Rewiring diagram:

Note: The tube can be work with either one side power input or double side power input
Type B-Installation Guide: Instructions:
- DISCONNECT POWER OF LUMINAIRE
Disconnect power to luminaire or circuit (if possible). Ensure all power is off by using a voltmeter or other method to confirm. - REMOVE EXISTING U-bend LAMP(S)
a. Remove troffer lens, if present.
b. Remove existing fluorescent.
c. Remove ballast cover. (Cover may be secured with screws or tabs) - RETROFIT LUMINAIRE
Retrofit luminaire with ballast- Disconnect the wires before and after the ballast according to the below figure.

- Connect two wires to branch circuit L and N according to the TYPE B —Rewiring diagram.
- Disconnect the wires before and after the ballast according to the below figure.
- INSERT LED TUBES
a. Read label on the LED tube to ensure the power end of LED is aligned with powered tube socket, then insert LED lamp in the normal way.
b. LED lamps are now fully installed.
c. Replace troffer lens, if present.
d. After the modification is complete, attach the Replacement Marking and cautionary Label to a visible place on the luminaire and keep it visible after installation. - RESTORE THE POWER OF LUMINAIRE
Restore power to circuit/luminaire and test light. If necessary, adjust position of LED tube, and enjoy your new LED tube light!
Any further questions or interests, please visit
www.pltsolutions.com



















