VALLOX Capto TTC House Extraction Fan
VENTILATION CONTROL
The house extraction fan serves as a mechanical air extraction unit in the apartment, allowing the resident to adjust the ventilation efficiency. The efficiency is adjusted using the ventilation efficiency control.
Away profile
The ventilation efficiency can be temporarily reduced when the apartment is unoccupied.
At home profile
Ventilation must be continuous, i.e. the air inside the building must be replaced at least once every two hours.
Boost profile
Cooking, sauna, bathing, drying of clothes, excessive heat, and other similar situations can require that ventilation be increased from the standard-setting. In such a situation, ventilation must be increased.
USING THE UNIT
The house extraction fan has a sliding glass that can be pulled out of the cooker fan. It is recommended that the sliding glass be pushed or pulled from the aluminum strip on its front edge. Pull the glass out of the house extraction fan for maximal extraction capacity.
Front panel buttons
The front panel of the house extraction fan has four buttons.
Position of the damper
In normal circumstances, the damper must be closed (the signal light is off), which boosts the extract air flow from other premises. The damper must be open (the signal light turned on) when the user wants to increase the extract airflow from the house extraction fan, e.g.
- when the cooker top of the oven is used for cooking;
- the load in the kitchen is exceptional due to the use of strong detergents, the presence of a large number of people, or similar.
House extract fan light
Turn the light on or off by pressing the light switch. The light is dimmable. Adjust the brightness by pressing the light switch until the brightness is adequate.
Ventilation profiles
Select the profile by pressing the ventilation profile button repeatedly until the signal light indicates the desired ventilation profile.
- Away profile
- At home profile
- Boost profile
- It is recommended that ventilation be left turned on during long holidays also. This keeps the indoor air fresh and prevents humidity from condensing in the ventilation ducts and structures. It also reduces the risk of moisture damage.
PLEASE NOTE
- Neglecting the cleaning of the grease filter can cause a fire hazard.
- The outer surfaces of the house extraction fan can become hot when the cooker top or the oven is turned on.
- Flaming is forbidden underneath the house extraction fan.
- Always follow the instructions provided on adjusting the efficiency of ventilation.
- Enable a sufficient supply of airflow into the room if the house extraction fan and non-electric devices are used simultaneously.
The settings button is roughly 2 cm to the left of the light switch.
Other functions
Guard function: The house extraction fan is equipped with a guard function that is activated when the temperature of the house extraction fan exceeds 60°C or after a sudden increase in temperature (> 8°C/min). In such a case, all signal lights of the house extraction fan and the LED light will flash. If this kind of alarm is noticed before fire damage, it can be acknowledged by pressing any of the house extraction fan buttons.
Pre-setting of light brightness
To modify the pre-setting of light brightness
- Turn on the light, close the damper, and set the ventilation to the Away profile.
- Press the settings button for roughly 3 seconds until the setting mode signal light starts to flash.
- Adjust the brightness of the light by pressing the light button until the brightness is adequate.
- To save the setting, press the settings button for roughly 3 seconds until the setting mode signal light stops flashing.
To read about the other functions of the settings button, go to our website, www.vallox.com
WARNING!
The unit is not intended for use by children under 8 or by persons with reduced sensory, physical or mental capabilities, or whose lack of knowledge and experience does not ensure the safe operation of the unit. Such persons can use the unit under supervision, or by following the instructions of someone who is responsible for their safety. Do not let children play with the unit or clean or maintain it without supervision..
MAINTENANCE
Keep the house extraction fan clean. Wipe outer surfaces regularly with water containing a small amount of a mild detergent. Clean off any grease stains immediately. Do not use abrasive or corrosive detergents or tools. Keep the grease filter clean to ensure an adequate extract airflow. The grease filter must be washed with warm water and detergent at least 1-2 times a month.
Light
The house extraction fan has a long-lasting LED lighting module. If the light is not working, contact a servicing company.
INSTALLATION
In the example, the bottom of the sides and the rear of the house extraction fan are levels with the bottom of the top cabinets (see figures 1-2). In this case, a specially made cover panel is needed to hide the fan. The height of the cover panel is roughly 210 mm. The house extraction fan can also be mounted higher, even so, that it touches the frame of the spice cabinet. In this case, rear corners need to be sawn off from the spice cabinet frame (see figure 3). In this mounting method, the height of the house extraction fan cover panel is 100 mm. When the lowest possible mounting height is used, the bottom edge of the sliding glass, when pushed inside the house extraction fan, is level with the bottom of the top cabinets (see figure 4). The L strip is mounted on the wall as shown in figure 5. In this mounting method, the height of the hood cover panel is roughly 248 mm.
Figure 1
Remove the spice cabinet. Mount the L strip on the wall so that it is level. The L strip fully covers the gap between the house extraction fan and the wall and also makes it easier to balance the fan in place during mounting.
If the top cabinet frames are less than 305 mm deep, the longer edge of the L strip is mounted on the wall. The perforations on the lower surface of the L strip can be covered using white plastic studs
- The house extract fan must not be connected to a flue that is used for removing combustion gases (e.g. from wood- or gas-burning fireplace, cooker, or stove).
- Regulations on leading extraction of air outdoors must be observed.
Removing and mounting the grease filter
- Pull the locking device of the grease filter towards the front edge of the house extraction fan while pulling the grease filter downwards until it comes off.
- Wash the grease filter and leave it to dry. Mount the grease filter back in place. Push the front edge of the filter into the pins on the cooker hood, and click the rear edge in place.
NOTE! Ensure that the locking device points downwards.
Figure 2
Place the house extraction fan on top of the L strip so that it is level and fasten the fan on the top cabinet frames with four screws. It is vital that the house extraction fan is both vertically and horizontally level. The front panel of the house extraction fan must be at the same depth as the outer surface of the top cabinet doors.
Figure 3
If the highest possible mounting height is used, saw off-diagonal pieces measuring at least 20×50 mm from the spice cabinet frame.
Figure 4
The house extraction fan when the lowest possible mounting height is used.
PLEASE NOTE
The minimum distance of the bottom edge of the house extraction fan to an electric cooker is 426 mm, and to a gas cooker is 650 mm.
Figure 5
Location of the L strip when the lowest house extraction fan mounting height is used.
The power outlet used for the house extraction fan must be easy to access..
Setting the ventilation profile
As the default factory setting, TTC hoods have the following fan control voltages:
- Away: 2.5 VDC
- At home: 5.0 VDC
- Boost: 10.0 VDC
To adjust the control voltage:
Close the damper, turn off the lights, and select the At home ventilation profile.
- Press the settings button for roughly 3 seconds until the setting mode signal light starts to flash. The signal light will flash in a series of five flashes to indicate that the 5 VDC control voltage is set.
- Press the ventilation profile button. The signal light will flash in a series of five normal + one quick flash (5.5 VDC).
- Press the ventilation profile button. The signal light will flash in a series of six flashes (6.0 VDC).
- Press the ventilation profile button. The signal light will flash in a series of six normal + one quick flash (6.5 VDC).
- Keep on pressing until you reach the maximum voltage of 10 VDC. Next, press the ventilation profile button, which sets the control voltage at 2.5 VDC. After this, the voltage will increase by 0.5 VDC at a time.
- Save the selected control voltage by pressing the settings button until the signal lights flash. Saving the fan speed of the At home profile also adjusts and saves the fan speed of the Away and Boost profiles.
- The efficiency of the Away and Boost profiles can also be adjusted separately. In this case, adjusting only affects the profile that is selected. The profile that is to be adjusted needs to be selected when moving to the setting mode.
Alternatively, the control voltage can be controlled using a general meter. For that purpose, there are probes at the bottom of the filter enclosure (see figure).
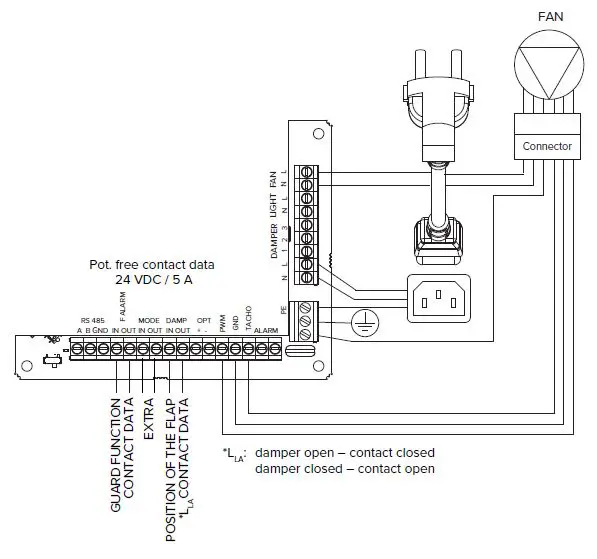
External electrical connection

Measuring and adjusting
performance values Standard ventilation
The volume flow rate of the air inside the house extraction fan is measured with the damper closed and, where required, adjusted based on the static pressure loss and the performance scheme of the house extraction fa
- Measure the static pressure loss of the cooker hood by pushing the probe through the hole in the damper (see the figure).
- Determine the volume flow rate from the performance scheme based on the measured pressure and the number of open holes in the damper.
Adjustment
Cover the required number of holes in the damper with the magnetic strip that is delivered with the house extraction fan.
Boost ventilation

The volume flow rate of the air inside the house extraction fan is measured with the damper open based on the static pressure loss and the performance scheme.
- Measure the static pressure loss of the house extraction fan. The measuring point must be located
- times the duct diameter above the outlet collar of the house extraction fan (see figure).
- Determine the volume airflow based on the measured pressure and the performance scheme (with the damper open).
Boost airflow
(with the damper open)

Standard air flow (with the damper closed)

Standard ventilation adjustment position
- 2 = 2 holes open/damper
- 3 = 3 holes open/damper
- 4 = 4 holes open/damper
- 6 = 6 holes open/damper
- 8 = 8 holes open/damper
Vallox Oy | Myllykyläntie 9-11 | 32200 LOIMAA | FINLAND | www.vallox.com




















