VALLOX Capto KTC A Cooker Hood

The Velox Capto KTC A cooker hood is designed to be used above the cooker top, or as a general extraction valve in the kitchen. The hood has a timer damper and a guard function.
VENTILATION CONTROL
The removal of cooking smells can be enhanced by using the adjustment damper of the hood. Potential-free contact data and 230 V 4 A supply voltage are provided of the position of the damper. When Vallox Capto KTC A is connected to the joint extraction system of a multi-story building, a Vallox Smoke Limiter must also be installed.
WARNING
The unit is not intended for use by children under 8 or by persons with reduced sensory, physical or mental capabilities, or whose lack of knowledge and experience do not ensure the safe operation of the unit. Such persons can use the unit under supervision, or by following the instructions of someone who is responsible for their safety. Do not let children play with the unit or to clean or maintain it without supervision.
USING THE COOKER HOOD
The cooker hood has a sliding glass that can be pulled out of the cooker hood. It is recommended that the sliding glass be pushed or pulled from the aluminum strip on its front edge. Pull the glass out of the cooker hood for maximal extraction capacity.
Front panel buttons
The front panel of the cooker hood has three buttons.
Position of the damper
In normal circumstances, the damper must be closed (the signal light is off), which boosts the extract air flow from other premises. The damper must be open (the signal light is turned on) when the user wants to increase the extract air flow from the cooker hood e.g.
- In normal circumstances, the damper must be closed (the signal light is off), which boosts the extract air flow from other premises.
- The damper must be open (the signal light is turned on) when the user wants to increase the extract air flow from the cooker hood e.g.
In normal circumstances, the damper must be closed (the signal light is off), which boosts the extract air flow from other premises. The damper must be open (the signal light is turned on) when the user wants to increase the extract airflow from the cooker hood e.g
Cooker hood light
Turn the light on or off by pressing the light switch. The light is dimmable. Adjust the brightness by pressing the light switch when the light is turned off until the brightness is adequate.
Settings button
The settings button is roughly 2 cm to the left of the light switch.
PLEASE NOTE!
- Neglecting the cleaning of the grease filter can cause a fire hazard.
- The outer surfaces of the hood can become hot when the cooker or the oven is turned on.• Flaming is forbidden underneath the cooker hood.
- Always follow the instructions provided on adjusting the efficiency of ventilation.
- Enable a sufficient supply of airflow into the room if the cooker hood and non-electric devices are used simultaneously.
Other functions
Guard function
The cooker hood is equipped with a guard function that is activated when the temperature of the cooker hood exceeds 60°C or after a sudden increase in temperature (> 8°C/min). In such a case, the damper of the cooker hood closes and all signal lights of the cooker hood and the LED light will flash. If this kind of alarm is noticed before fire damage, it can be acknowledged by pressing any of the cooker hood buttons. Pre-setting of light brightness To modify the pre-setting of light brightness:
website, www.vallox.com.
MAINTENANCE
Keep the cooker hood clean. Wipe outer surfaces regularly with water containing a small amount of a mild detergent. Clean off any grease stains immediately. Do not use abrasive or corrosive detergents or tools.
Keep the grease filter clean to ensure an adequate extract airflow. The grease filter must be washed with warm water and detergent at least 1-2 times a month.LighThe cooker hood has a long-lasting LED lighting module. If the light is not working, contact a servicing company
INSTALLATION
In the example, the bottom of the sides and the rear of the cooker hood are levels with the bottom of the top cabinets (see figures 1-2). In this case, a specially made cover panel is needed to hide the hood. The height of the cover panel is roughly 210 mm. The hood can also be installed higher, even so, that it touches the frame of the spice cabinet. In this case, rear corners need to be sawn off from the spice cabinet frame (see figure 3). In this mounting method, the height of the hood cover panel is 100 mm. When the lowest possible mounting height is used, the bottom edge of the sliding glass, when pushed inside the hood, is level with the bottom of the top cabinet frames
(see figure 4). The L strip is mounted on the wall as shown in figure 5. In this mounting method, the height of the hood cover panel is roughly 248 mm.
Figure 1
Remove the spice cabinet. Mount the L strip on the wall so that it is level. The L strip fully covers the gap between the hood and the wall and also makes it easier to balance the hood in place during mounting. If the top cabinet frames are less than 305 mm deep, the longer edge of the L strip is mounted on the wall. The perforations on the lower surface of the L strip can be covered using white plastic studs.

PLEASE NOTE!
- . The cooker hood must not be connected to a flue that is used for removing combustion gases (e.g. from a wood- or gas-burning fireplace, cooker, or stove).
- Regulations on leading extraction air outdoors must be observed.
Removing and mounting the grease filter
Pull the locking device of the grease filter towards the front edge of the cooker hood while pulling the grease filter downwards until it comes off.- Wash the grease filter and leave to dry.
- Mount the grease filter back in place. Push the front edge of the filter into the pins on the cooker hood, and click the rear edge in place.
NOTE! Ensure that the locking device points downwards.
Figure 2
Place the hood on top of the L strip so that it is level and fasten the hood on the top cabinet frames with four screws. It is vital that the hood is both vertically and horizontally level. The front panel of the hood must be at the same depth as the outer surface of the top cabinet doors.
Figure 3
If the highest possible hood mounting height is used, saw off-diagonal pieces measuring at least 20×50 mm from the spice cabinet frame.
Figure 4
The cooker hood when the lowest possible mounting height is used.
PLEASE NOTE
The minimum distance between the bottom edge of the hood to an electric cooker is 426 mm and to a gas cooker 650 mm.
Figure 5
Location of the L strip when the lowest hood mounting height is used.
PLEASE NOTE
The power outlet used for the cooker hood must be easy to access.
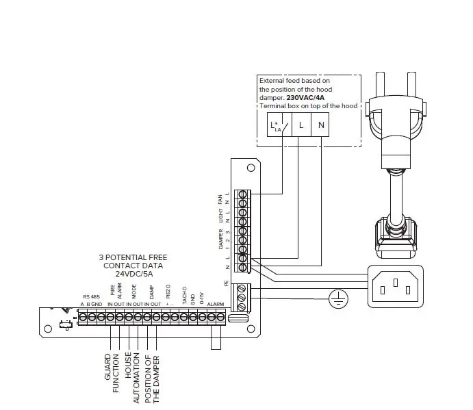
External electrical connection

Measuring and adjusting performance values
Standard ventilation
The volume flow rate of the air inside the cooker hood is measured with the damper closed and, where required, adjusted based on the static pressure loss and the performance scheme of the cooker hood.
- Measure the static pressure loss of the cooker hood by pushing the probe through the hole in the damper (see the figure).
- Determine the volume flow rate from the performance scheme based on the measured pressure and the number of open holes in the damper.
Adjustment
Cover the required number of holes in the damper with the magnetic strip that is delivered with the cooker hood.
NOTE
If a Vallox Smoke Limiter has been installed in connection to the Val-lox Delico KTD A cooker hood, airflow adjustment must be completed in accordance with the manual of the Smoke Limiter.
Standard ventilation (settings 2-8)
| Adjustment position | Holes of the damper open | K value |
| 2 | 2 | 0,4 |
| 3 | 3 | 0,5 |
| 4 | 4 | 0,7 |
| 5 | 5 | 0,9 |
| 6 | 6 | 1,0 |
| 7 | 7 | 1,3 |
| 8 | 8 | 1,4 |
| Damper open | 8,5 |
Boost ventilation
The volume flow rate of the air inside the cooker hood is measured with the damper open based on the static pressure loss and the performance scheme of the cooker
hood.
- Determine the volume airflow
- based on the measured pressure and the performance scheme (with the damper open). Measuring tubes that leave at the of top the hood are intended to be connected to the smoke limiter that is sold as an accessory. If the assembly does not include a smoke limiter, the tubes are left unconnected. Separate airflow measurement instructions are delivered with the smoke limiter
Measure the static pressure loss of the cooker hood. The measuring point must be located 2 times the duct diameter above the outlet collar of the cooker hood (see figure)
Vallox Oy | Myllykyläntie 9-11 | 32200 LOIMAA | FINLAND | www.vallox.com

Pull the locking device of the grease filter towards the front edge of the cooker hood while pulling the grease filter downwards until it comes off.















