
Pixavi Ex-PA-A Zone 1 AP – Fiber
Installation Instructions


Installation:
— The Ex de enclosure is installed in accordance with the instructions in User Manual TNCD. Ensure that the surface of the wall/skid is flat, to avoid distortions of the enclosure. Possible unevenness may be compensated by the help of washers in acid-resistant stainless steel SS316.
— Note that the cover of the Ex d enclosure is not to be opened during the next steps of the installation. — The cover of the Ex e connection box is opened.
— The cables are installed in the pre-mounted glands.
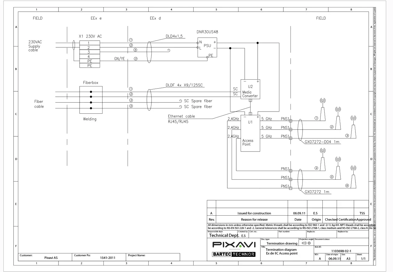
— The cables are terminated on the terminals in the connection box according to termination drawing 1103698-02-1.
— The incoming fiber cable and the internal fiber cable must be fusion spliced together, inside the fiber box.
— The cover of the Ex e connection box is closed. Note the torque for the cover bolts, ref. enclosed User Manual TNCN.
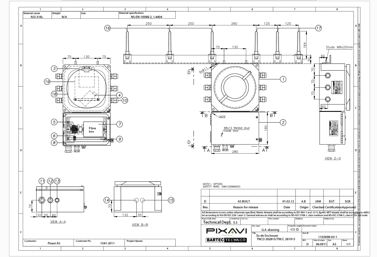
Exd Enclosure (Item 1)
Marking
A certification label is attached to the enclosure, ref. Fig 1. If not otherwise noted with a special label the standard T.amb. is -20 to +40 degr. C
Handling
Due to the weight and nature of the enclosures precautions have to be taken to avoid damages to the equipment and the individual. The enclosures flame path must be securely protected to avoid damage, all openings that are not sealed is a flame path.
Installation/Dismantling
When mounting the enclosure ensure that the mounting support is able to take the full weight of the enclosure. If any twisting or bending is likely, use washers or backing plates as necessary before the screws or nuts are tightened.
DO NOT OPEN LID BEFORE THE ENCLOSURE IS SECURELY FASTENED AND IN AN UPRIGHT POSITION. CHECK CATALOGUE FOR WEIGHT OF LID AND ACT ACCORDINGLY WHEN HANDLING THE LID. ALSO, CHECK IF ENCLOSURE HAS BEEN SUPPLIED WITH HINGED LID.
When connecting cables, ensure the incoming cables/wires are isolated from all sources of power. Installation to be performed according to standard IEC 60079-14 (NEK 420) and/or the requirements for the actual installation site.
NOTE Always read the requirements In the certificate and in the documentation for the enclosure (wiring diagram etc. ), before connecting the enclosure to a power source and other equipment intended for the enclosure.
It is the company installing the enclosure that is responsible that the technical data for the enclosure matches the technical data to which the cabinet is connected. Special attention to be made on the ex and safety aspects.
All entries to the enclosure must be of ex-approved types and all other openings blinded with an approved blind plug.
Do not connect the power before installation is completed and lid mounted on the enclosure.
When removing the enclosure, the same precautions apply as those observed when mounting the enclosure.
Inspection/Maintenance
TNCD enclosures are made of acid-resistant stainless steel and thereof not subject to corrosion.
Apply GLEITMO 165 grease to lid, bolt threads, and tapered holes, etc.
We recommend that maintenance is performed in accordance with the IEC 60079-17/60079-1 (NEK 420) standards.
If the flat paths have evidence of wearing, distortion, corrosion, or other damages the diametric clearance must be checked. Techn or to be contacted to obtain the valid dimension and clearance. It is vital that threads and o-ring are protected with GLEITMO 165 grease or other approved greases after they have been dismantled.
No high-pressure water to be applied in the connection between lid and enclosure. If any damages are found, the enclosure should be put out of service and the manufacture contacted.
Fig.1
Exe Enclosure (Item 2)
Marking
A certification label is attached to the box, ref. Fig 1.
Handling
Precautions have to be taken to avoid damages to the equipment and the individual. The enclosure to be packed such that no damage will occure during shipping.
Installation/Dismantling
When mounting the enclosure ensure that there is no damages, especially inspect the gasket and cover of the equipment. Installation to be performed in accordance with standard 60079-14 ( NEK 420 ) and/or the requirements for the actual installation site.
NOTE 1 Always read the requirements in the certificate.
NOTE 1 When a plastic window Is mounted in the box, the box to carry a warning label.
Text: Cleaning, soap, and water only.
Do not connect the box to the power source before installation is completed and lid mounted on the box.
Torque cover screws: 1 Nm
When removing the enclosure, the same precautions apply as those observed when mounting the enclosure.
Inspection/Maintenance
TNCN enclosures are made of acid-resistant stainless steel and thereof not subject to corrosion. We recommend that maintenance is performed in accordance with the!EC 60079-17/60079-7/60079-11 standards ( NEK 420 ).
If any damages are found, the enclosure should be put out of service and the manufacture contacted.
Fig.1




Pixavi EX-AP-A Zone 1 AP-Fiber Installation Manual – Optimized PDF
Pixavi EX-AP-A Zone 1 AP-Fiber Installation Manual – Original PDF



















