Forno FFSEL6090 24Inches Loiano Electric Range

CUSTOMER CARE
Thank you for purchasing a FORNO product. Please read the entire instruction manual before operating your new appliance for the first time. Whether you are an occasional user or an expert , it will be beneficial to familiarize yourself with the safety practices, features, operation and care recommendations of your appliance.
Both the model and serial number are listed inside the product. For warranty purposes, you will also need the serial number, the date of purchase & a copy of your proof of purchase.
Record this information below for future reference.
SERVICE INFORMATION
Model Number
Serial Number
Date of Purchase
Purchase Address & Phone
Use these number in any correspondence or service calls concerning your product.
If you received a damaged product, immediately contact FORNO.
Save time and money. Before you call for service, check the Troubleshooting Guide. It lists the causes of minor operating problems that you can correct yourself.
SERVICE IN CANADA & UNITED STATES
Keep the instruction manual handy to answer your questions. You can also find all the information you need online at www.fornoappliances.com.
If you don’t understand something or you need more assistance, please visit our website or call our Customer service: 1 866-231-8893 opt.2 ext.214 Or email : [email protected]
If there is a problem, please contact FORNO customer service. All warranty work needs to be authorized by FORNO customer service. All of our authorized service providers are carefully selected and rigorously trained by us.
Consumer Information
Range Safety
Your safety and the safety of others are very important.
We have provided many important safety messages in this manual and on your appliance.
Always read and obey all safety messages.
This is a safety alert symbol. It will alert you to potential personal or property safety hazards.
Obey all safety messages to avoid any property damage, personal injury or death.
WARNING indicates a potentially hazardous situation which, if not avoided, could result in serious injury or death.
CAUTION indicates a moderately hazardous situation which, if not avoided, could result in minor or moderate injury.
All safety messages will alert you what the potential hazard is, tell you how to reduce the chance of injury, and let you know what can happen if the instructions are not followed.
If the information in this manual is not followed exactly, a fire or explosion may result, causing property damage, personal injury or death.
Do not store or use gasoline or other flammable vapors and liquids in the vicinity of this or any other appliance.
ANTI-TIP DEVICE
Tip-Over Hazard
A child or adult can tip the range and be killed.
Verify the anti-tip bracket has been installed.
Ensure the anti-tip bracket is engaged when the range is moved.
Do not operate the range without the anti-tip bracket in place.
Failure to follow these instructions can result in death or serious burns to children and adults.

CONSUMER INFORMATION INSTALLER SHALL NOT REMOVE
Before removing label, ensure anti-tip bracket is properly installed.
WARNING
This product can expose you to chemicals including carbon monoxide, which is known to the State of California to cause developmental harm.
For more information go to www.P65Warnings.ca.gov
Never operate the top surface cooking section of the appliance unattended
Failure to follow this warning statement may result in fire, explosion or burn hazard that could cause property damage, personal injury or death.
If a fire should occur, keep away from the appliance and immediately call your fire department. DO NOT ATTEND T EXTINGUISH AN OIL GREASE FIRE WITH WATER
IMPORTANT SAFETY INFORMATION
READ ALL INSTRUCTIONS BEFORE USING THE APPLIANCE
WARNING Read all safety instructions before using the product. Failure to follow these instructions may result in fire, electrical shock, serious injury or death.
GENERAL SAFETY INSTRUCTIONS
NEVER use this appliance as a space heater to heat or warm the room.
WARNING
Doing so may result in carbon monoxide poisoning and overheating of the oven.
- Use this range for its intended purpose as described in this instruction manual.
- Have your range installed and properly grounded by a qualified installer in accordance with the provided installation instructions.
- Any adjustment and service should be performed only by a qualified Professional installation or service technician. Do not attempt to repair or replace any part of your range unless it is specifically recommended in this manual.
- Your range into a 240-volt grounded outlet only. Do not removed the round grounding prong from the plug. If in doubt about the grounding of the home electrical system, it is your responsibility and obligation to have an ungrounded outlet in accordance with the National Electrical Code. Do not use an extension code with this range.
- Before any maintenance, unplug the stove or disconnect the power supply by turning off the circuit breaker.
- Be sure all packing materials are removed from the range before operating to prevent ignition of these materials.
- Avoid scratching or impacting glass displays. Doing so may lead to glass breakage. Do not cook on a product with broken glass. Shock, fire, or cuts may occur.
- Do not leave children alone or unattended in an area where an appliance is in use. They should never be allowed to climb, sit or stand on any part of the range.
- CAUTION: Do not store items of interest to children in cabinets above an oven-children who climb onto the oven to reach items could be seriously injured.
- Never block the vents (air openings) of the range. They provide the air inlets and outlets that are necessary for the range to operate properly with correct combustion. Air openings are located at the rear of the cooktop, at the top and bottom of the oven door, and at the bottom of the range.
- Only use dry pots – moist or damp pots on hot surfaces may cause steam burns. Don’t put towels or other heavy fabrics under the bottom of the pot.
- Do not touch the heating elements or the interior surface of the oven. These surfaces may be hot enough to burn even though they are dark in color. During and after use, do not touch, or let clothing or other flammable materials contact any interior area of the oven; allow sufficient time for cooling first. Other surfaces of the appliance may become hot enough to cause burns. Potentially hot surfaces include the heater, grates, oven vent opening, surfaces near the opening, crevices around the oven door, metal trim parts above the door, any backguard, or high shelf surface.
- Do not heat unopened food containers. Pressure could build up and the container could burst, causing any injury.
WARNING
Extremely Heavy.
Proper equipment and adequate manpower are needed when move the range to avoid personal injury or damage to the unit or the floor.
Failure to follow this advice may result in damage or personal injury.
DO NOT carry or lift the cooking range by the oven door handle or the control panel!

WARNING
Cook food thoroughly to help protect against foodborne illness. Minimum safe food temperature recommendations can be found at www.IsItDoneYet.gov and www.fsis.usda.gov. Use a food thermometer to take food temperatures and check several locations.
Do not allow anyone to climb, stand or hang on the oven door, drawer or cooktop. They could damage the range or tip it over causing severe injury or death.
Keep the ventilator hood and grease filter clean to maintain good venting and to avoid grease fires. Turn the ventilator OFF in case of a fire or when intentionally “flaming” liquor or other spirits on the cooktop. The blower if in operation, could spread the flames.
WARNING KEEP FLAMMABLE MATERIALS AWAY FROM THE RANGE
Failure to do so may result in fire or personal injury.
- Do not store or use flammable materials in an oven or near the cooktop, including paper, plastic, pot holders, linens, wall coverings, curtains, drapes and gasoline or other flammable vapors and liquids.
- Never wear loose-fitting or hanging garments while using the appliance. These garments may ignite if they contact hot surfaces causing severe burns.
- Do not let cooking grease or other flammable materials accumulate in or near the range. Grease in the oven or on the cooktop may ignite.
WARNING IN THE EVENT OF A FIRE, TAKE THE FOLLOWING
STEPS TO PREVENT INJURY AND FIRE SPREADING
- Do not use water on grease fires. Never pick up a flaming pan. Turn the controls off. Smother a flaming pan on a surface unit by covering the pan completely with a well-fitting lid, cookie sheet or flat tray. Use a multi-purpose dry chemical or foam-type fire extinguisher.
- If there is a fire in the oven during baking, smother the fire by closing the oven door and turning the oven off or by using a multi-purpose dry chemical or foam-type fire extinguisher. If there is a fire in the oven during self-clean, turn the oven off and wait for the fire to go out. Do not force the door open. Introduction of fresh air at self-clean temperatures may lead to a burst of flame from the oven. Failure to follow this instruction may result in severe burns.
COOKTOP SAFETY INSTRUCTIONS
- Never leave the surface heater unattended at medium or high heat settings. Foods, especially oily foods, may ignite resulting in fire that could spread to surrounding cabinets.
- Never leave oil unattended while frying. If allowed to heat beyond its smoking point, oil may ignite resulting in fire that may spread to surrounding cabinets. Use a deep fat thermometer whenever possible to monitor oil temperature.
- To avoid oil spillover and fire, use the minimum amount of oil when frying in a shallow pan and avoid cooking frozen foods with excessive amounts of ice.
- Use the proper size of the pot to avoid instability or easy tilting. Select a cooker that matches the size of the heater. The heater temperature should be adjusted, and excessive heating may be dangerous.
- When using glass/ceramic cookware, make sure it is suitable for cooktop use; others may break because of a sudden change in temperature.
- To minimize the possibility of heater, ignition of flammable materials and spillage, cookware handles should be turned toward the center of the range without extending over nearby heater.
- Do not cover any part of the heater or decorative stove with aluminum foil. Doing so may cause overheating of the furnace top surface and fire hazard.
OVEN SAFETY INSTRUCTIONS
- NEVER cover any slots, holes, or passages in the oven bottom or cover an entire rack with materials such as aluminum foil or oven liners. Doing so blocks air flow through the oven and may cause carbon monoxide poisoning. Never place foil or oven liners on the oven bottom. They can trap heat causing risk of smoke or fire.
- Stand away from the range when opening the oven door. Escaping hot air or steam can cause burns to hands, face and/or eyes.
- Never place cooking utensils, pizza or baking stones, or any type of foil or liner on the oven floor. These items can trap heat or melt, resulting in damage to the product and risk of shock, smoke or fire.
- Place oven racks in desired location while oven is cool. If the rack must be moved while the oven is hot, be careful to avoid touching hot surfaces.
- Do not leave items such as paper, cooking utensils, or food in the oven when not in use. Items stored in an oven can ignite.
- Do not leave items on the cooktop near the oven vent. Items may overheat resulting in a risk of fire or burns.
- Never broil with the door open. Open-door broiling is not advised due to overheating of control knobs.
PARTS & FEATURES

Not all features are on all models.Appearance may vary.
| 1 | Oven Vents |
| 2 | Cooktop |
| 3 | Oven Lights |
| 4 | Oven/Broil Push-button |
| 5 | Temperature Control Knob |
| 6 | Rotisserie |
| 7 | Convention Fan Control Panel |
| 8 | Handle |
| 9 | Oven Door |
| 10 | Drawer |
| 11 | Leveling System |
COOKTOP

| W/hr Power | |||
| 20” | 24” | ||
| 1 | Right front | 1200 | 1200 |
| 2 | Right rear | 1800 | 1800 |
| 3 | Left rear | 1200 | 1200 |
| 4 | Left front | 1800 | 1800 |
INSTALLATION INSTRUCTIONS
WARNING
HAVE THIS RANGE INSTALLED BY A QUALIFIED INSTALLER.
Improper installation, adjustment, alteration or maintenance can cause injury or property damage.
Consult a qualified installer or service agency.
IMPORTANT – SAVE FOR THE LOCAL ELECTRICAL INSPECTOR’S USE.
BEFORE USING YOUR ELECTRIC RANGE
- Remove the exterior and interior packing.
- Check to be sure you have all of the following parts:
- 2 Oven Racks
- 1 Broiler Tray (only for FFSEL6090-24)
- 1 Rotisserie Rod with Forks (only for FFSEL6090-24)
- 1 Air Fry Basket (only for FFSEL6090-24)
- 1 Anti-tip Bracket
(Packed in the Styrofoam packing above the range – DO NOT DISCARD) - 1 Manuals
- 1 Backsplash Assembly (Backsplash and (5) five screws)
(Packed in the Styrofoam packing above the range – DO NOT DISCARD) - Clean the interior surface with lukewarm water using a soft cloth.
- Have your range installed and properly grounded by a qualified installer in accordance with the installation instructions.
- Do not attempt to repair or replace any part of your range unless it is specifically recommended in this manual.
- Do not remove permanently affixed labels, warnings, or plates from the product. This may void the warranty.
- The installer should leave these instructions with the consumer who should retain for local inspector’s use and for future reference.
- Please observe all local and national codes and ordinances.
NOTICE
Before you use this range for the first time: The heating elements have a protective coating, which must be burned off before use. To do this, open the oven door and set the temperature control knob to 550°F. Turn the function selector to the Bake element and the Broil element separately to approximately 15 minutes. It is important to ensure adequate ventilation during this period.
IMPORTANT:
This range is designed and manufactured solely for the cooking of domestic (household) food and is not suitable for any non-domestic application and therefore should not be used in a commercial environment.
The range warranty will be void if the range is used within a non-domestic environment i.e. a semi commercial, commercial or communal environment.
IMPORTANT PRECAUTIONS AND RECOMMENDATIONS
After having unpacked the range, check to ensure that it is not damaged, and the oven door closes correctly. In case of doubt, do not use it and consult your supplier or a professionally qualified technician.
Packing elements (i.e. plastic bags, polystyrene foam, packing straps, etc.) should not be left around within easy reach of children, as these may cause serious injuries.
The range has been thoroughly tested for safe and efficient operation. However, as with any appliance, there are specific installation and safety precautions that must be followed to ensure safe and satisfactory operation.
- Do not attempt to modify the technical characteristics of the appliance as this may become dangerous to use.
- Do not carry out cleaning or maintenance operations on the appliance without having previously disconnected it from the electric power supply.
- After use, ensure that the knobs are in
position or the
“standby” position. - Never touch the appliance with wet hands or feet.
- Do not operate the appliance barefooted.
- Do not allow children or other incapable people to use the appliance without supervision.
- During and after use of the range, certain parts will become very hot. Do not touch cooktop.
- Keep children away from the range when it is in use.
- Fire Risk! Do not store flammable materials in the oven or in the bottom drawer.
- Fire Risk! Do not attempt to dry clothing or any other type of textile in the oven or in the bottom drawer.
- Make sure that electrical cables connecting other appliances in the proximity of the range cannot come into contact with the hob or become entrapped in the oven door.
- Do not line the oven walls with aluminum foil. Do not place shelves, pans, backing trays, broil tray or other cooking utensils on the base of the oven chamber.
- The manufacturer declines all liability for injury to persons or damage to property caused by incorrect or improper use of the range.
- To avoid any possible hazard, the appliance must be installed by qualified personnel only.
Any repairs by unqualified persons may result in electric shock or short circuit. In order to avoid possible injuries to your body or to the range, do not attempt ant repairs by yourself.
Such work should be carried out by qualified service personnel only. - Burn Hazard! The oven and cooking accessories may become very hot during operation.
Make sure children are kept out of reach and warn them accordingly. To avoid burns use clothes and gloves when handling hot parts or utensils. - Stand away from the range when operating oven door. Hot air or steam which escapes can cause burns to hands, face, and/or eyes.
- Never clean the oven with any high-pressure steam cleaning devices, as it may provoke a short circuit.
- Do not leave anything on the top of oven vent. Never cover the oven vent opening with aluminum foil or any other material.
- This range is intended for household use. Never use the appliance for any other purpose.
- If you should decide not to use the range any longer (or decide to substitute an older model), before disposing of it, it is recommended that it be made inoperative in an appropriate manner in accordance to health and environmental protection regulations, ensuring in particular that all potentially hazardous parts be made harmless, especially in relation to children who could play with old appliances. Remove the door before disposal to prevent entrapment.
INSTALLATION OF ELECTRIC RANGE
- The electric range must be installed by a qualified technician. Make sure you have everything necessary for correct installation. It is the installer’s responsibility to comply with installation clearances specified in the manual.
- Cabinet opening dimensions that are shown above must be used. Given dimensions are minimum clearances. The minimum spacings must be maintained between the appliance cooking surface and the horizontal surface above the cooking top.
- 30 inches is the minimum clearance between the top of the cooking surface and the bottom of an unprotected wood or metal cabinet
- To eliminate the risk of burns or fire by reaching over heated surface units, cabinet storage space located above the surface units should be avoided. If cabinet storage is to be provided, the risk can be reduced by installing a range hood that projects horizontally a minimum of 5 inches beyond the bottom of the cabinets.
- Place your electric range on a floor that is strong enough to support it when it is fully assembled as above picture. To level your electric range, adjust the leveling legs at the bottom of the unit.
- Avoid locating the unit in moist areas. As this may result in the risk of electrical shock.
ELECTRICAL CONNECTION
WARNING
Improper grounding can result in the risk of electrical shock. If the power cord is damaged, have it replaced by an authorized Forno appliance service center.
- The appliance must be properly installed and grounded by a qualified technician in accordance with the National Electrical Code ANSI/NFPA No. 70 (Latest Edition) and local electrical code requirements. Installation should be made by a licensed electrician.
- The range may be connected by means of permanent “Hard Wiring” or “Power Supply Cord Kit”. Power supply cord is not supplied but is available through your local electric supply house.
- Use only 3-conductor or 4-conductor UL listed range cord rated at 40 amps with 125/250V minimum voltage range. These cords may be provided with strain relief or conduit connector.
- The range must be connected to the proper electrical voltage and frequency as specified on the rating label.
- The range can be connected directly to the fused disconnect (or circuit breaker box) through flexible, armored or non-metallic sheathed, copper cable (with grounding wire). Allow two to three feet of slack in the line so that it can be moved if servicing is ever necessary.
- For personal safety, the range must be properly grounded.
- Remove house fuse or open circuit breaker before beginning installation.
- Do not attempt to repair or replace any part of the appliance unless it is specifically recommended in this manual. All other servicing should be referred to a qualified technician.
- To minimize the possibility of electric shock, disconnect this appliance from the A/C power supply before attempting any maintenance.
NOTE: Turning the appliance off does not disconnect the appliance from the power supply. We recommend having a qualified technician service your appliance.
PRODUCT DIMENSIONS AND CABINETS

CABINET INSTALLATION

HOW TO INSTALL THE BACKSPLASH

- Align the backsplash to rear part of the cooktop. As shown in the diagram.

- Secure the backsplash to the cooktop from the back using the Philips head screws provided. As shown in the diagram.

- Secure the backsplash from the bottom using the Philips head screws provided. As shown in the diagram
Wire Power Cord Installation
- Remove the Terminal Block Access Plate on the back of range by removing the 1 fixing screws.
- Assemble the strain relief in the hole on bracket.
- Insert the power cord through the strain relief and tighten.
- Allow enough slack to easily attach the cord terminals to the terminal block.
- Remove the 3 wire terminal nuts and washers from the terminal block.
- Plug the terminal holes of power cord. The neutral or ground wire of the power cord must be connected to the neutral terminal located in the center of terminal block. The power leads must be connected to L1 and L2.
- Plug washers and tighten nuts securely.
- Assemble the Terminal Block Access Plate.

Wire Power Cord Installation
- Remove the Terminal Block Access Plate on the back of range by removing the 1 fixing screws.
- Assemble the strain relief in the hole on bracket.
- Insert the power cord through the strain relief and tighten.
- Allow enough slack to easily attach the cord terminals to the terminal block.
- Remove the 3 wire terminal nuts and washers from the terminal block.
- Remove the ground strap from the frame of range and terminal by removing its screw and cutting is as shown.
- Plug the terminal holes of power cord. The neutral wire of the power cord must be connected to the neutral terminal located in the center of terminal block. The ground wire of the power supply cord must be attached to the frame of range by using the green colored grounding screw. The power leads must be connected to L1 and L2.
- Plug washers and tighten nuts securely.
- Assemble the Terminal Block Access Plate.

HOW TO LEVEL THE RANGE
The range is equipped with 2 LEVELLING LEGS and may be leveled by screwing or un-screwing the feet with a spanner tool.

ANTI-TIP STABILITY DEVICE INSTALLATION INSTRUCTIONS
ANTI-TIP BRACKET INSALLATION
To reduce the risk of tipping the range by abnormal usage or improper door loading, the range must be secured by properly installing the anti-tip device packed with the appliance.
- Place the anti-tip bracket on the floor as shown figure. Anti-tip bracket can be installed on either right or left side.
- Make the locations of 2 holes of ant-tip bracket on the floor.
- Use a 5/16” masonry drill bit and insert plastic anchor.
- Secure bracket to floor using screws supplied.
- Slide appliance into position.
NOTE: If range is relocated, the bracket must be removed and installed in new location.

YOU MUST USE T H E ANTI-TIP / STABILITY BRACKET TO PREVENT UNIT FROM TIPPING.
HOW TO USE THE OVEN
Turn the Broil/Oven Control knob to select the desired function/mode as described above. Turn the Oven Temperature Knob clockwise to select the desired temperature up to 500° F.
To switch off the oven turn the thermostat control to the “standby” position.
You can use your range for Bake and Broil. For that reason, the oven has two different heating elements which are:
- Bake element 2100W (Lower heating element)
- Broil element 2100W (Upper heating element)
CAUTION: The oven door becomes very hot during operation. Keep children well out of reach.
WARNING: The door is hot, use the handle
- After use, turn the Oven Function Control and Oven Temperature
Control knobs to the • STANDBY position to turn the oven off.
OVEN THERMOSTAT
Rotate clockwise until the required temperature is reached
[From • (Standby) to MAX (550ºF)].

USING THE BROILER
In this setting only the upper element is switched
Heat is distributed by radiation.
In order to broil, use the following steps:
- Place the meat in broiler pan.(only for FFSEL6069-24)
Do not broil without using the broiler pan.
- Position the broiler pan on the second level from the top.
- Push this button and rotate the temperature control knob to to use broiler.

Push this button and rotate the temperature control knob to use the oven - Turn the knob Oven Temperature Knob clockwise to select the desired temperature up to 550° F.
- To switch off the oven turn the thermostat control and function control knobs to the • “standby” position.
Always remember that when the oven is hot, outside surfaces of the range get hot.
IMPORTANT:
Always use suitable protective gloves when inserting/removing the broiler pan, shelves, pans and other cooking utensils from the oven.
OVEN RACK
The rack is designed with stop-locks so that when placed correctly on the rack supporters, they will stop before coming completely out from the oven and will not tilt when removing food from or placing food on them.
When placing cookware on the rack, pull the rack out to the bump on the rack support. Place the cookware on the rack, then slide the rack back into the oven.
To remove the rack from the oven, pull it towards you, tilt the front end upward and pull it out.

USING THE SURFACE UNITS
- Use care when touching the cooktop. The glass surface of the cooktop will retain heat after the controls have been turned off.
- Do not use the cooktop if broken. If the glass should break, cleaners and or spills may penetrate the broken cooktop and present a risk of electric shock. Contact a qualified technician immediately.
- Avoid scratching the glass. The cooktop can be easily scratched by using items similar to knives, sharp object,rings, jewelry.
- Avoid storing items that can melt or possibly catch fire on the glass cooktop, even if not in use. In the even the cooktop is accidentally turned on and or heat from the oven vent may cause items to melt or ignite.
- NEVER COOK DIRECTLY ON THE GLASS, ALWAYS USE APPROPRIATE COOKWARE.
COOKTOP HEATING CONTROL KNOB
The range comes with four cooktop heating . To operate the cooktop heating simply push in and turn the knob to the desired position. These controls go from low to high power output, having a number of positions
To switch off the cooktop heating , turn the cooktop heating control knob to the
setting position.
Your range is equipped with four surface units with two different sizes. Two of them are 6” and two of them are 8” in size. The surface controls are easily operated. Simply push in and turn the knob to the desired position.
- 8” Large cooktop heating : 1800 Watts
- 6” Small cooktop heating : 1200 Watts

When the element is energized, the indicator light will be lit regardless of the setting when one or more of the elements are turned on. The control has a variable of power output from MIN to MAX with a number of positions. The range of heat is increased by turning the knob to MAX, decreased by turning the knob to MIN.
IMPORTANT: To switch on, always lightly press the control knob inwards then turn.
TO AVOID OVERCOOKING, REMOVE POTS / PANS FROM THE COOKTOP WHEN THE FOOD IS COOKED. AVOID PLACING ANY OBJECTS ON THE COOKTOP UNTIL IT HAS COOLED DOWN COMPLETELY.
WARNING
Make sure that the handles of cookware do not stick out over the edge of the range, to avoid them being knocked over by accident. This also makes it more difficult for children to reach the cooking pots/pans.
COOKWARE TIPS
The physical characteristics of pots and pans influence the performance of any cooking systems.
Therefore, emphasis must be placed on the importance of using proper cookware.
- Use cooking vessels with flat bottoms and tight-fitting lids to conserve energy and shorten cooking times.
- Only certain types of glass, glass/ceramic, ceramic, earthenware or other glazed cookware are suitable for use on glass cooktops. Manufacturers suggest using low to medium heat selections when using glass cookware.
- Pan size should match the element size. A slightly larger pan covers the entire element and prevents spillovers from contacting the heat surface and burning in. Using a smaller pan than the element is a waste of energy.
- To avoid spattering and to maximize efficiency, pan bottoms should be clean and dry before coming in contact with the cooktop.
Oven Light
The oven light is controlled by a push switch on the control panel.
The light can be used while cooking or cleaning the oven.
WARNING
Check that power is disconnected from the electrical box before replacing the light bulb.
Allow the oven to cool completely, then unscrew the light cover and remove the light bulb by unscrewing it from the socket. Replace with a 40-watt halogen bulb.
Oven Roasting
(only for FFSEL6090-24)

BROILING
Very important: the broil heater must always be used with the oven door closed.
Position the oven rack on the second level from the top
- Turn on the broil heater, as explained in the preceding paragraphs and let the broil heater preheat for about 5 minutes with the door closed.
- Place the food to be cooked above the broiling pan.
- Introduce the broiling pan in the oven. The broiling pan should be placed above the shelf and it should be centered with the broil heater.

WARNING!!
WARNING-VERY IMPORTANT NOTICE
Never obstruct the oven vent slots on the backsplash.
- Do not broil without using the broiling pan.
- Important: Use always suitable protective gloves when inserting/removing the broiling pan, shelves, pans on other cooking utensils from the oven.
- Attention: the range becomes very hot during operation
- Attention: the oven door becomes very hot during operation
- Keep Children away
- Warning: The door is hot, make sure to use the handle
AIR FRYER (only for FFSEL6090-24)
To cook your food to the perfect crispy-golden results, please follow the next steps:
Step 1: Move 1 oven rack to the lowest position to hold the baking pan.
Step 2: Place the baking pan on the bottom rack.
Step 3: Put your food onto the air fry basket and spread it evenly in a single layer.
Step 4: Insert the air fry rack in the middle position of the oven shelf, then close the door.
Step 5: Turn on the convection fan and set the oven temperature between 325℉ and 350℉, and watch closely to the cooking food.
Tips:
- Air Fry cooking requires little to no oil.
- High-fat foods such as skin-on chicken wings, bacon or sausage can cause smoke when using the air fry component. Please add parchment paper or aluminum foil to the baking tray for easy cleaning purpose.
- Make sure the baking pan is right underneath of the air fry basket, working as the drip tray.
- Check your food often, because air fry cooking requires less time than regular cooking.
- Open a door or window to ensure the cooking area is well ventilated.
STEAM CLEAN: (only for FFSGS6272-24)
Step 1: Put 1 cup (240mL) of distilled or filtered water into the baking pan.
Step 2: Heat the oven to 450℉ for 20-30 minutes.
Step 3: Once the steam clean has completed, turn off your oven.
Step 4: When it’s cool, wipe grease and debris from your oven using a damp rag or sponge.
Concentrate on removing only debris and grease that comes off easily. The steam cleaning process will loosen up the more stubborn, caked on grime.
Tips:
- Using distilled or filtered water instead of water from your tap will keep your oven free of water spots and mineral deposits.
- Be sure to wait until your oven is completely cool before starting to clean it.
- Make sure to clean any racks that are in the oven as well.
- Do not leave the residual water in the oven for any length of time.
- This step may get pretty messy, so be sure to put on some old clothes and keep a garbage can nearby.

REMOVABLE STORAGE DRAWER
- Lift the left small hook upward, at the same time, push the right small hook downward.(see the picture )

- Pull the drawer out.
- To replace the drawer, align the drawer with the rails and push inward.
Do not store flammable material in the oven or in the bottom drawer.
REMOVING THE OVEN DOOR
To facilitate oven cleaning, it is possible to remove the door. Please follow the instructions carefully:
REMOVING THE OVEN DOOR
- The oven door can easily be removed as follows:
- Open the door to the full extends.
- Lift the left and right hooks on the hinge.
- Hold the door as shown in the figure.
- Gently close the door and lift the door with two hands when the hooks touch the door.
- Set the door on a soft flat surface.
- To replace the door, repeat the above steps in reverse order.

Step 1. Open the original door.
Step 2. Let the original door’s hinge hooks touch the door.

Step 3. Pull the original door outside of the oven.
REPLACING THE OVEN LIGHT
- Let the oven cavity and broil heater cool down.
- Switch off the electric supply.
- Remove the protective cover.
- Unscrew and replace the bulb with a new one suitable for high temperature (200°~ 500°F) having the same specifications: 120V 60Hz, 15W, E14.
- Replace the protective cover.
NOTE: Oven bulb replacement is not covered by your guarantee.
CARE & MAINTENANCE
GENERAL RECOMMENDATION

Important: Before any operation of cleaning and maintenance disconnect the appliance from the electrical supply.
It is advisable to clean when the appliance is cold and especially for cleaning the enameled parts.、
Avoid leaving alkaline or acidic substances (lemon juice, vinegar, etc.) on the surfaces.
Avoid using cleaning products with a chlorine or acidic base.
The oven must always be cleaned after every use, using suitable products and keeping in mind that its operation for 30 minutes on the highest temperature eliminates most grime reducing it to ashes.
ENAMELED PARTS
All the enameled parts must be cleaned with a sponge and soapy water only or other non-abrasive products.
Dry preferably with a chamois leather.
If acid substances such as lemon juice, tomato conserve, vinegar etc. are left on the enamel for a long time they will etch it, making it opaque.
STAINLESS STEEL ELEMENTS
Stainless steel can be wiped with a wet cloth, For difficult dirt, use a specific non-abrasive product available commercially or a little hot vinegar.
Note: Due to high temperature, frequent use may cause discoloration around the heater.
INSIDE OF OVEN
This must be cleaned regularly. With the oven warm, wipe the inside walls with a cloth soaked in very hot soapy water or another suitable product.
PROBLEMS WITH YOUR ELECTRIC RANGE?
You can solve many common appliance problems easily, saving you the cost of a possible service
call. Try the suggestions below to see if you can solve the problem before calling the servicer.
TROUBLESHOOTING GUIDE
| PROBLEM | POSSIBLE CAUSE |
| Surface units will not maintain a rolling boil or frying rate is not fast enough | · You must use pans that are absolutely flat. · Pan bottoms should closely match the diameter of the surface unit selected. |
| Foods cook slowly | · Improper cookware being used. |
| Surface units do not operate | · You have blown a household fuse or tripped a circuit breaker. · The surface units are not plugged in all the way. · You have not set the control knobs correctly. |
| Control knobs will not turn | · If it is a surface unit control knob, you arenot pushing in before turning. · If it is oven control knob, you are tryingto turn the knob to wrong direction. |
| Oven light does not work | · Light bulb is loose or defective. · Switch operating oven light is broken. |
| Oven does not work | · You have blown a household fuse or tripped a circuit breaker. · You have not set the control knobs correctly. |
| Food does not broil properly | · The oven control knob is not set at Broil. · Improper rack position being used. · Cookware is not suited for broiling. · Oven thermostat is defective. |
| Food does not bake properly | · The oven control knob is not set properly. · Rack position is incorrect. · Incorrect cookware or cookware of improper size is being used. · Oven thermostat is defective. |
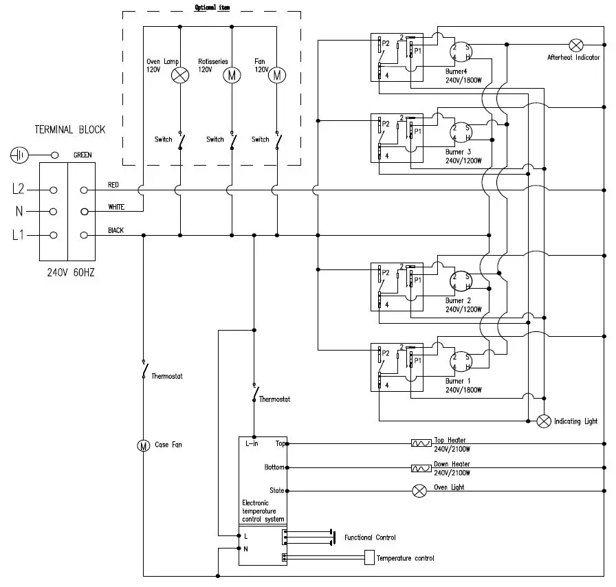
WIRING DIAGRAM

Caution: Label all wires prior to disconnection when servicing controls. Wiring errors can cause improper and dangerous operation.
Verify proper operation after servicing.
























