verona VPFSEE365SS Electric Range Instruction Manual
INSTALLATION INSTRUCTIONS
IMPORTANT – PLEASE READ AND FOLLOW
- Before beginning, please read these instructions completely and carefully.
- Do not remove permanently affixed labels, warnings, or plates from the product. This may void the warranty.
- Please observe all local and national codes and ordinances.
- Please ensure that this product is properly grounded.
- The installer should leave these instructions with the consumer who should retain for local inspector’s use and for future reference.
Electrical installation must be in accordance with the National Electrical Code, ANSI/NFPA70 – latest edition and/or local codes.
IN CANADA: Electrical installation must be in accordance with the current CSA C22.1 Canadian Electrical Codes Part 1 and/or local codes.
Some models are supplied with a protective film on steel and aluminium parts. This film must be removed before installing/using the appliance.
WARNING
Tip-Over Hazard

A child or adult can tip the range and be killed.
Install anti-tip device to range and/or structure per installation instructions.
Engage the range to the anti-tip device Installed to the structure.
Re-engage anti-tip device if range is moved.
Failure to follow these instructions can result in death or serious burns to children and adults.
To verify the anti-tip bracket is installed and engaged:

- Slide range forward.
- Look for the anti-tip bracket securely attached to floor or wall.
- Look for the adjustable bracket assembly securely attached to –the back of the range.
- Slide range back so bolt head, on the adjustable bracket assembly, is
- under anti-tip bracket.
- See installation instructions for details.
This appliance is designed and manufactured solely for the cooking of domestic (household) food and in not suitable for any none domestic application and therefore should not be used in a commercial environmement.
The appliance warranty will be void if the appliance is used within a none domestic environmement i.e. a semi commercial, commercial or communal environment.
WARNING!
THIS APPLIANCE MUST BE INSTALLED BY A QUALIFIED INSTALLER.
Installation must conform with local codes.
Improper installation, adjustment, alteration, services, or maintenance can cause injury or property damage. Consult a qualified installer or a service agent.
WARNING
IMPORTANT: The use of suitable protective clothing/gloves is recommended when handling, installing of this appliance.
TOOLS NEEDED FOR INSTALLATION (NOT SUPPLIED WITH THE APPLIANCE)

GENERAL INFORMATION
WARNING!!
This appliance shall not be used for space heating. This information is based on safety considerations.- AlI openings in the wall behind the appliance and in the floor under the appliance shall be sealed.
- Keep appliance area clear and free from combustible materials, gasoline, and other flammable vapors.
- Do not obstruct the flow of ventilation air.
- Disconnect the electrical supply to the appliance before servicing.
- When removing appliance for cleaning and/or service;
A. Disconnect AC power supply.
B. Carefully remove the range by pulling outward.
CAUTION: Range is heavy; use care in handling. - Electrical Requirement Electrical installation should comply with national and local codes.
- The misuse of oven door (e.g. stepping, sitting, or leaning on them) can result in potential hazards and/or injuries.
- When installing or removing the range for service, a rolling lift jack should be used. Do not push against any of the edges of the range in an attempt to slide it into or out of the installation.
Pushing or pulling a range (rather than using a lift jack) also increases the possibility of bending the leg spindles or the internal coupling connectors.
WARNING!!
ELECTRICAL GROUNDING INSTRUCTIONS
The range must be electrically grounded in accordance with local codes or, in the absence of local codes, with the National Electrical Code, ANSI/NFPA No. 70-latest edition, in Canada Canadian Electrical Code. Installation should be made by a Iicensed electrician.
FOR PERSONAL SAFETY, THIS APPLIANCE MUST BE PROPERLY GROUNDED.
If an external electrical source is utilized, the installation must be electrically grounded in accordance with local codes or, in the absence of local codes, with the national Electrical Code, ANSI/NFPA 70.
REPLACEMENT PARTS
Only authorized replacement parts may be used in performing service on the range. Replacement parts are available from factory authorized parts distributors. Contact the nearest parts distributor in your area.
PROXIMITY TO SIDE CABINETS
- This range may be installed directly adjacent to existing 36” (914 mm) high base cabinets.
Range dimensions:- width: 35” 7/8 (911 mm)
- depth: 23” 31/32 (609 mm)
- height (without backguard): MIN 36” (914 mm) MAX 37”
13/32 (950 mm) - backguard (height): 8” (203 mm) or 3″ (76 mm)
Grounded outlet: should be located from the left to the right
side of the range; from 6” 11/16 (170 mm) to 8” 21/32 (220
mm) [depending on feet regulation] from the floor.
- The range CANNOT be installed directly adjacent to sidewalls, tall cabinets, tall appliances, or other side vertical surfaces above 36” (914 mm) high.
There must be a minimum of 2” (50 mm) side clearance from the range to such combustible surfaces TO THE LEFT or TO THE RIGHT above the 36” (914 mm) high countertop.
IMPORTANT: One side (left or right) above the 36” (914 mm) high countertop must always be kept clear.
Installation with 3″ backguard: There must be a minimum of 12” (305 mm) clearance from the back of the 3″ backguard to such combustible surface on the back of the range above the 36” (914 mm) high countertop. - The maximum upper cabinet depth recommended is 13” (330 mm). Wall cabinet above the range must be a minimum of 30” (762 mm) above the countertop for a width of minimum 35” 7/8 (911 mm): it has to be centred with the range. Side wall cabinets above the range must be a minimum of 18” (457 mm) above the countertop.

ELECTRIC CONNECTION

PROXIMITY TO SIDE CABINETS RANGE WITH 8″ BACKGUARD

PROXIMITY TO SIDE CABINETS RANGE WITH 3″ BACKGUARD

FITTING THE ADJUSTABLE FEET
The adjustable feet must be fitted to the base of the cooker before use.
Rest the rear of the cooker on a piece of the polystyrene packaging exposing the base for the fitting of the feet.
ATTENTION: Most important! Pay special attention not to damage the range during this operation.
Fit the 4 legs by screwing them tight into the support base as shown in picture 1.5.

LEVELLING THE COOKER
The cooker may be levelled by screwing the lower ends of the feet IN or OUT (fig. 1.6).
It is important to observe the directions of figure 1.6.

MOVING THE COOKER
WARNING
When raising cooker to upright position always ensure two people carry out this manoeuvre to prevent damage to the adjustable feet (fig. 1.7a).
WARNING
Be careful: do not lift the cooker by the door handle when raising to the upright position (fig. 1.7b).
WARNING
When moving cooker to its final position DO NOT DRAG (fig. 1.7c). Lift feet clear of floor (fig. 1.7a).

IMPORTANT: THE BACKGUARD IS NOT PACKAGED WITH THE APPLIANCE BUT IT IS SUPPLIED SEPARATELY BY THE DISTRIBUTOR.
WITH RESPECT TO THE FIGURES BELOW, ONE ADDITIONAL BACKGUARD (HEIGHT = 4” OR HEIGHT = 2”) IS ALSO AVAILABLE FOR RANGE DEPTH = 25” ½.
ASSEMBLING THE BACKGUARD
It is mandatory to install the backguard
- Assemble the backguard as shown in figure 1.8 or 1.9 and fix it by screwing the 5 screws “A” (which are already fixed on the back of the cooktop).
- Do not remove the 3 spacers “B” already fitted on the back of the backguard.

INSTALLING THE ANTI-TIP BRACKET
The anti-tip bracket has two components:
- the adjustable bracket
- the stability bracket
IMPORTANT!
You must install both parts of the anti-tip bracket and ensure they are properly fitted together to prevent the range from tipping.
To fit the anti-tip bracket

- Thread the bolt through the adjustable bracket and fix in place using the two supplied nuts. Exnsure the nuts are well tightened.

- Fix the adjustable bracket to the back of the range (centered on the lower edge) using the two supplied screws and washers.
- Fix the stability bracket in place. It can be fixed as follows:
- To the floor OR on the rear wall by #4 screws (supplied).
- To the floor AND on the rear wall by #8 screws (supplied).
- There are 8 x wood screws and 8 x screws with plastic sleeve anchors supplied with the range in two separate kits.
Use the proper screws according to the type of material on the floor and/ or wall. - If using the the plastic sleeve anchors: drill 5/16” (8mm) diameter holes and insert the supplied plastic sleeve anchors before attaching the stability bracket with the screws.
- Slide the range into place, ensuring the bolt on the adjustable bracket slots under the stability bracket.
- Adjust the length of the bolt as necessary. Ensure the two nuts are well tightened after any adjustments.
WARNING
Tip-Over Hazard

A child or adult can tip the range and be killed.
Install anti-tip device to range and/or structure per installation instructions.
Engage the range to the anti-tip device Installed to the structure.
Re-engage anti-tip device if range is moved.
Failure to follow these instructions can result in death or serious burns to children and adults.
To verify the anti-tip bracket is installed and engaged:

- Slide range forward.
- Look for the anti-tip bracket securely attached to floor or wall.
- Look for the adjustable bracket assembly securely attached to the back of the range.
- Slide range back so bolt head, on the adjustable bracket assembly, is under anti-tip bracket.
- See installation instructions for details.
IMPORTANT
- Use the proper screws to fix the stability bracket in place according to the type of material on the floor and/or wall.
- Before drilling and holes or inserting any screws into the floor or wall check that you will not damage any wiring or pipes.

WARNING
TO AVOID ELECTRICAL SHOCK HAZARD, BEFORE INSTALLING THE APPLIANCE, SWITCH POWER OFF AT THE SERVICE PANEL AND LOCK THE PANEL TO PREVENT THE POWER FROM BEING SWITCHED ON ACCIDENTALLY.
WARNING
Electrical Shock Hazard
Electrically ground range.Failure to follow these instruc-tions can result in death, fire, or electrical shock.
ELECTRICAL REQUIREMENTS
- This appliance must be properly installed and grounded by a qualified technician in accordance with the National Electrical Code ANSI/NFPA No.70 (latest edition) and local electrical code requirements. IN CANADA: Electrical installation must be in accordance with the current CSA C22.1 Canadian Electrical Codes Part1 and/or local codes.
- This appliance may be connected by means of permanent “Hard Wiring” or “Power Supply Cord Kit”. Power supply cord is not supplied, but it is available through your local electric supply house.
- Use only 3-conductor or 4-conductor CSA/UL listed range cord rated at 50 amps with 250 V minimum and provided with ring terminals. These cords should be provided with strain relief or conduit connector.
Warning: Frame grounded through neutral lead. If used in,
– New branch-circuit installations (1996 NEC),
– Mobile homes,
– Recreational vehicles, or
– In an area where local codes prohibit grounding through neutral, use a 4 conductor cord or conduit. - The range must be connected to the proper electrical voltage and frequency as specified on the rating plate.
- The range can be connected directly to the fused disconnect (or circuit breaker box) through flexible, armoured or non-metallic sheathed, copper cable (with grounding wire). Allow two to three feet of slack in the line so that it can be moved if servicing is ever necessary.
Voltage and Power Consumption
AC 120/240 V 60 Hz 11416 W MAX 47.6 A MAX
AC 120/208 V 60 Hz 8575 W MAX 41.22 A MAX
WARNING!!
For installations within the United States, it is highly recommended to use a 4-wire power cord. Using the 3-wire installation may result in insufficient power to your range, and will result in poor heating performance resulting in very long cooking times.
ELECTRICAL CONNECTION WITH POWER CORD
Use a 3-wire power supply cord kit rated for 50 amps – 125/250 volts with closed loop terminals and marked for use with ranges. Where local codes do not permit grounding through neutral, use a 4-wire power supply cord kit.
The cord must be secured to the range with a suitable strain relief. The electrical connection is made at the terminal block, which is located behind the terminal block access plate on the back of the range.
ELECTRICAL CONNECTION WITH CONDUIT
Use 3/4” trade size CSA/UL-listed conduit with a conduit clamp, 10 AWG/600 volt copper conductor colored red for line 1 and black for line 2 and 12 AWG/600 volt copper conductor (or 10 AWG/600 Volt copper conductor if grounding through neutral) colored white for neutral with closed loop terminals marked for use with ranges.
Where local codes do not permit grounding through neutral, use a green 10 AWG copper conductor as directed in the 4-wire connector directions. The conduit must be secured to the range with the strain relief bracket. The electrical connection is made at the terminal block which is located behind the terminal block access plate on the back of the range.

3-Wire Power Cord Installation
(See Figures 3.1, 3.2 and 3.3)
- Remove the Terminal Block Access Plate on the back of the range by unscrewing the 6 fixing Screws (fig. 3.1).
- Insert the Power Cord through the hole in the Power Cord Bracket; then tighten the Power Cord by using a suitable Strain Relief. Allow enough slack to easily attach the cord terminals to the Terminal Block.
- Remove the 3 wire terminal nuts and washers from the Terminal Block.
- Plug the terminal holes of Power Cord. The Neutral or Ground Wire of the Power Cord must be connected to the neutral terminal located in the center of Terminal Block. The Power Wires must be connected to the outside terminals.
- Plug washers and tighten nuts securely.
Do not remove Ground strap. - Assemble the Terminal Block Access Plate.

4-Wire Power Cord Installation
(See Figures 3.1, 3.2 and 3.4)
- Remove the Terminal Block Access Plate on the back of the range by unscrewing the 6 fixing Screws (fig. 3.1).
- Insert the Power Cord through the hole in the Power Cord Bracket; then tighten the Power Cord by using a suitable Strain Relief. Allow enough slack to easily attach the cord terminals to the Terminal Block.
- Remove the 3 wire terminal nuts and washers from the Terminal Block.
- Remove the Ground Strap from the frame of range and terminal by removing its screw and cutting it as shown in figure 3.4.
- Plug the terminal holes of Power Cord. The Neutral Wire of the Power Cord must be connected to the neutral terminal located in the center of Terminal Block; the Power Wires must be connected to the outside terminals; the Ground Wire must be attached to the frame of range by using the (Ground) identified Grounding Screw.
- Plug washers and tighten nuts securely.
- Assemble the Terminal Block Access Plate.

3-Wire Conduit Installation
(See Figures 3.1, 3.5 and 3.6)
- Remove the Terminal Block Access Plate on the back of the range by unscrewing the 6 fixing Screws (fig. 3.1).
- Feed 3/4” trade size Conduit through the hole in the Conduit Bracket and secure to the Conduit Bracket with a Conduit Clamp.
- Remove the 3 wire terminal nuts and washers from the Terminal Block.
- Plug the terminal holes of conductors. The Neutral or Ground Wire of the Power Cord must be connected to the neutral terminal located in the center of Terminal Block. The Power Wires must be connected to the outside terminals.
- Plug washers and tighten nuts securely.
Do not remove Ground strap. - Assemble the Terminal Block Access Plate
4-Wire Conduit Installation
(See figures 3.1, 3.5 and 3.7)
- Remove the Terminal Block Access Plate on the back of the range by unscrewing the 6 fixing Screws (fig. 3.1).
- Feed 3/4” trade size Conduit through the hole in the Conduit Bracket and secure to the Conduit Bracket with a Conduit Clamp.
- Remove the 3 wire terminal nuts and washers from the Terminal Block.
- Remove the Ground Strap from the frame of range and terminal by removing its screw and cutting it as shown in figure 3.7.
- Plug the terminal holes of conductors. The Neutral Wire of the Power Cord must be connected to the neutral terminal located in the center of Terminal Block; the Power Wires must be connected to the outside terminals; the Ground Wire must be attached to the frame of range by using the (Ground) identified Grounding Screw.
- Plug washers and tighten nuts securely.
- Assemble the Terminal Block Access Plate.

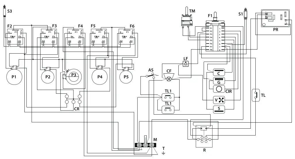
WIRING DIAGRAM

ELECTRIC DIAGRAM KEY
CF Cooling fan motor
TL1 Cooling fan thermal overload
AS Air switch
R Relay
M Terminal block
T Grounding point
OVEN
F1 Oven switch
TM Oven thermostat
PR Electronic programmer
TL Thermal overload
LF Oven lamp
S1 Oven temperature indicator light
C Top element
G Broil element
CIR Circular element
S Bottom element
V Fan motor
GLASS CERAMIC HOB
F2/3/5/6 Single zones energy regulators
F4 Double zone energy regulator
P1/2/4/5 Single zone radiant elements
P3 Double zone radiant element
CR Residual heat indicator lights
S3 Line pilot lamp
The manufacturer cannot be held responsible for possible inaccuracies due to printing or transcription errors in the present booklet.
The manufacturer reserves the right to make all modifications to its products deemed necessary for manufacture or commercial reasons at any moment and without prior notice, without jeopardising the essential functional and safety characteristics of the appliances.


















