Quanta Q290 Ceiling LED Light
User Manual
Quanta Q290 Ceiling LED Light
| Ordering Code | Product Fitting Series | Power (W) | Function Description |
| Brida Sensor Master/Slave CCT | Brida | 18 | Bluetooth + HF sensor, colour temperature selectable, power switchable |

Mounting: Wall or Ceiling
Light features:
Ra: >80
Life Time: 5 years
Light Source: LED SMD2835
Input: 220V-240V 50/60Hz

CCT:

| Electric Current | Power |
| 400mA | 11W |
| 450mA | 12W |
| 500mA | 14W |
| 550mA | 15W |
| 600mA | 16W |
| 650mA | 17W |
| 700mA | 18W |
Accessories
| No. | Pic. | Qty. | Usage |
| 1 | ![]() | 3 | Fix light |
| 2 | 3 | Rawl plug | |
| 3 | 1 | Vandal proof screw tool | |
| 4 | ![]() | 3 | Plastic washer |
| 5 | 2 | Fix cable clip | |
| 6 | 1 | Cable clip | |
| 7 | 1 | Cable clip | |
| 8 | ![]() | 4 | Plastic plug |
Colour Temperature Code
| Code | Colour Temperature | CCT(K) | Lumen |
| 30K | Warm White | 3000 | 2070 |
| 35K | Natural White | 3500 | 2160 |
| 40K | Cool White | 4000 | 2196 |
Installation
![]() | ![]() |
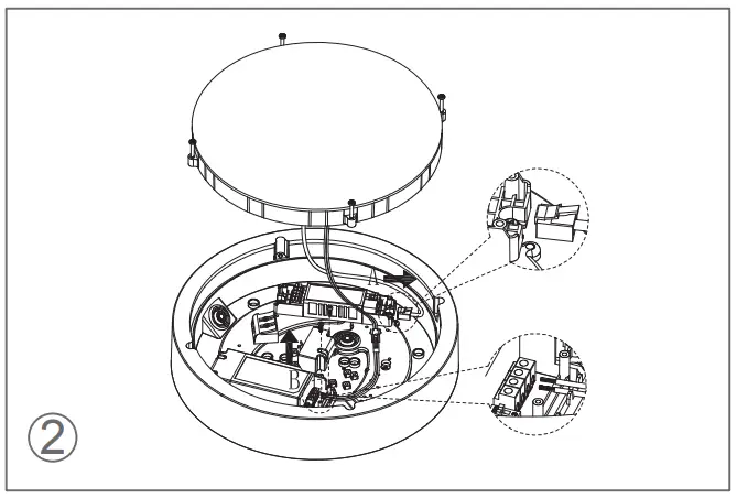
| Unscrew the diffuser anticlockwise. Vertically remove the diffuser and PCBA. | a. Cut off the power. Thread the input cable through the rubber plug to the fixture. Connect the L, PUSH, N wire referring to the wiring diagram. b. Knock the rawl plugs into the pre-drilled holes on ceiling/wall. Wear plastic washers on self-tapping screws and tighten them to fix the fixture on ceiling/wall. |
![]() | ![]() |
| Install the cable clip. | a. Connect RJ12 with Bluetooth driver. b. Connect the DC cable. |
![]() | ![]() |
| Mount the diffuser onto the base with screws. | Install the plastic plugs to hide the screws. |
Wiring

Detection Pattern (Ceiling Mounted)
Ceiling mounted detection pattern (m)
Function
- Download free APP for set-up and commissioning.
- Sensor setting can be configured via Koolmesh APP.



https://apps.apple.com/cn/app/koolmesh/id1483721878 https://play.google.com/store/apps/details?id=com.koolmesh.sig
Maintenance
- Cut off the main power first.
- Don’t touch LEDs while maintaining or cleaning.
- Don’t use chemicals to clean the fixture.
Environmental protection: waste electrical products should not be disposed of with household waste. Please recycle where facilities exist. Check with your local authority or retailer for recycling advice. 
Caution
- The product must be installed by professional technicians and power supply must be cut off before installation.
- The diameter for AC input wire is 0.75mm² (complying with 60245 IEC57), which complies with the latest IEE electrical standards or national standards.
- Do not touch the electronic circuit and its components.
- Contact an authorised technical service centre for any repairs possibly required use only original spare parts.
- Do not touch LED while installing or maintaining.
- Sealing the entrance hole with glue after install is needed.
- The light source contained in this luminaire shall only be replaced by the manufacturer or his service agent or a similar qualified person.
Instruction for Light Source Disassembly
![]() | ![]() |
| Unscrew the diffuser anticlockwise and vertically take it out. | a. Disconnect RJ12.. b. Use a screwdriver to remove the DC cover off the driver, and disconnect the DC power cable. |
![]() | ![]() |
| On the reverse of diffuser, use the screwdriver to pry the clips to release the PCBA, then twist the PCBA anticlockwise. | Take out the PCBA (light source) from the diffuser. |
* This product contains a light source of energy efficiency class <D>
A LED A/S Hammeren 6, DK-6800 Varde
www.aled.dk
+45 71995354












Environmental protection: waste electrical products should not be disposed of with household waste. Please recycle where facilities exist. Check with your local authority or retailer for recycling advice. 




















