ACCLAIM LIGHTING TW40060GY 9.75 in Plexus 1-Light Gray Sconce
INSTALLATION INSTRUCTIONS
Please read carefully and save these instructions, as you may need them at a later date.
CAUTION
WARNING
- Risk of Fire. Consult a qualified electrician to ensure correct branch circuit conductor. Min 90ºC supply conductors.
- Turn off the main power at the circuit breaker before installing the fixture, in order to prevent possible shock.
GENERAL
All electrical connections must be in accordance with local and National Electrical Code (N.E.C.) standards. If you are unfamiliar with proper electrical wiring connections obtain the services of a qualified electrician.
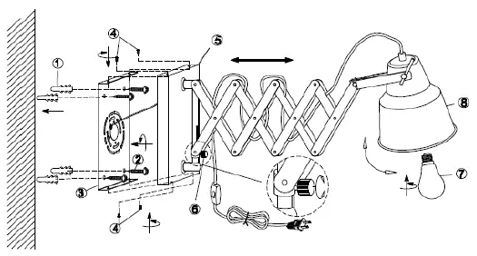
Remove the fixture and the mounting package from the box and make sure that no parts are missing by referencing the illustrations on the installation instructions.
PARTS LIST

- PLASTIC ANCHOR
- SELF-TAPPING SCREW
- MOUNTING PLATE
- SET SCREW
- BACKPLATE
- KNOB
- BULB
- METAL SHADE
ASSEMBLY AND INSTALLATION
- Make four ¼” holes in the wall, insert plastic anchors(1) into holes.
- Secure the mounting plate(3) to the wall with self-tapping screws(2).
- Place the backplate (5) onto mounting plate(3) and secure with set screw(4).
- Install the bulb (7, not included) into the socket.
- Do not exceed maximum suggested wattage – Max.60W
- DO NOT USE BARE HANDS TO TOUCH THE BULB.
- INSTALLATION IS NOW COMPLETE
















