PCI TT-NEMA 4 Metal Temperature Transmitter
DESCRIPTION
The RTD and transmitter are matched and calibrated as a complete assembly in a temperature chamber against a NIST traceable calibrated standard. The transmitter is a 2 wire 4-20mA loop powered device calibrated to a temperature range of -30°F to 130°F.
SPECIFICATIONS
- Supply Voltage
- 10.5 to 45VDC
- Combined Accuracy (Linearity, Hysteresis & Repeatability)
- ±0.20% of full scale
- Temperature Range
- 30°F to 130°F
- 1.2.4. Output
- 4-20mA
INSTALLATION
MECHANICAL DIMENSIONS
TEMPERATURE TRANSMITTER CONNECTION LAYOUT
- Remove the Temperature Transmitter cover
- The Temperature Transmitter enclosure incorporates two 1/2-inch threaded conduit connections.
- Refer to the below figure for Temperature Transmitter connector location.

MICROTRANSEQ TO TEMPERATURE TRANSMITTER CONNECTION
- Remove the MicroTransEQ cover by turning each corner cover mounting screw counterclockwise.
- The MicroTransEQ board has removable plugs for ease of installing the interface wiring.
(Caution – All electrical connections must be made with the MicroTransEQ power switch in the OFF position)
- Refer to figure below for connector location.

MICROTRANSII TO TEMPERATURE TRANSMITTER CONNECTION
- Remove the MicroTransII cover by turning each corner cover mounting screw counterclockwise.
- The MicroTransII board has removable plugs for ease of installing the interface wiring.
(Caution – All electrical connections must be made with the MicroTransII power switch in the OFF position)
- Refer to figure below for connector location.

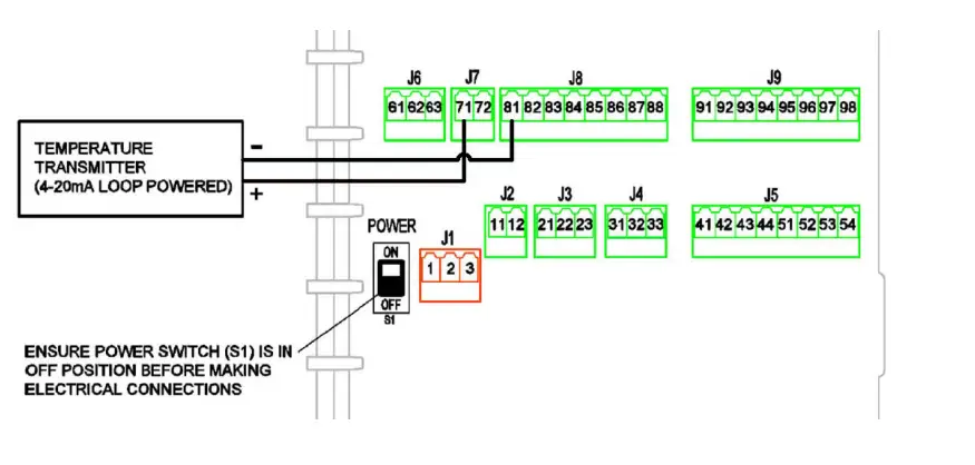
MULTI-TRANS SMART ECOSYSTEM (MTSE) TO TEMPERATURE TRANSMITTER CONNECTION
- Remove the MTSE cover by unlatching the two clasps
- The MTSE board has removable plugs for ease of installing the interface wiring.
(Caution – All electrical connections must be made with the MTSE power switch in the OFF position)
- Refer to figure below for connector location.
























