nVent UEB17H Fan Trays Rack Mountable Assemblies

Fan Trays Rack-Mountable Assemblies
Product Information
The Fan Trays Rack-Mountable Assemblies are available in three models: ueb17H, 2eb17H, and 3eb17H. These fan trays are designed to provide reliable and trouble-free operation. They come with a power cord for connection to a grounded outlet. The technical information for each model is as follows:
| Model | Voltage | Hertz | Phase | Current (Amps) | Air Delivery (CFM) | Sound Level (dBA) | Maximum Ambient |
|---|---|---|---|---|---|---|---|
| 2EB17H115 | 115 | 50/60 | 1 | 1.5 | 194 | 60 | 70 |
| 3EB17H115 | 115 | 50/60 | 1 | 2.25 | 291 | 63 | 70 |
| UEB17H115 | 115 | 50/60 | 1 | 0.75 | 97 | 58 | 70 |
| 2EB17H230 | 230 | 50/60 | 1 | 1 | 194 | 60 | 65 |
| 3EB17H230 | 230 | 50/60 | 1 | 1.5 | 291 | 63 | 65 |
| UEB17H230 | 230 | 50/60 | 1 | 0.5 | 97 | 58 | 65 |
Product Usage Instructions
- Unpacking and Inspection:
- Upon receipt, inspect the fan tray for any concealed damage that may have occurred during shipment.
- Note any damage on the freight bill and inform the delivering carrier within 15 days of delivery.
- Save the carton and packing material for inspection purposes and file a claim with the delivering carrier.
- Installation:
- Refer to the Model Drawing in Appendix I for the fan tray configuration and dimensional data.
- Connect the fan tray to a grounded outlet using the provided power cord.
- Maintenance:
- The fan tray does not require regular maintenance.
- Inspect the unit at regular intervals to ensure there is no buildup of foreign matter in the air management system.
- If loose foreign matter is found, remove it by brushing or blowing with pressurized air.
- Parts Replacement Instructions:
- If servicing the fan tray is necessary, disconnect the cabinet circuit breaker and remove all power from the power cords before disassembling or servicing the unit.
- Refer to the Parts Replacement Instructions section for the part numbers and descriptions of replacement parts specific to each model.
For additional technical support, please contact nVent Equipment Protection at 800-896-2665.
Warranty
Please note: Warranty is effective at the time of shipment. nVent Equipment Protection warrants that all material and workmanship are free of defects in quality which impair the usefulness of the fan tray. The nonoperating parts are covered for a period of five (5) years, except for the filter, while everything else is covered for one (1) year when installed and operated under specified conditions.
Fan Trays
Rack-Mountable asseMblies
ueb17H, 2eb17H, 3eb17H Models
INSTRUCTION MANUAL
NOTE: Some of the information in this manual may not apply if a special unit was ordered. If additional drawings for a special unit are necessary, they have been inserted. Contact nVent Equipment Protection if further information is required.
UNPACKING AND INSPECTION
Directly upon receipt, inspect the fan tray. Check for concealed damage that may have occurred during shipment.
Any damage evident should be noted on the freight bill. Damages should be brought to the attention of the delivering carrier within 15 days of delivery. Save the carton and packing material and request an inspection. Then file a claim with the delivering carrier.
nVent Equipment Protection cannot accept any responsibility for freight damage, however, we are ready to assist you in any way possible.
INSTALLATION
The fan tray configuration, along with dimensional data, is shown in the Model Drawing in Appendix I. Connect the fan tray to a grounded outlet via the provided power cord.
TECHNICAL INFORMATION
DESIGN DATA
| Model | Voltage | Hertz | Phase | Current (Amps) | Air Delivery (CFM) | Sound Level (dBA) | Maximum Ambient Temperature (°C) |
| 2EB17H115 | 115 | 50/60 | 1 | 1.5 | 194 | 60 | 70 |
| 3EB17H115 | 115 | 50/60 | 1 | 2.25 | 291 | 63 | 70 |
| UEB17H115 | 115 | 50/60 | 1 | 0.75 | 97 | 58 | 70 |
| 2EB17H230 | 230 | 50/60 | 1 | 1 | 194 | 60 | 65 |
| 3EB17H230 | 230 | 50/60 | 1 | 1.5 | 291 | 63 | 65 |
| UEB17H230 | 230 | 50/60 | 1 | 0.5 | 97 | 58 | 65 |
DIMENSIONAL DRAWING


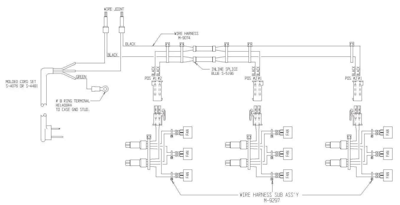
WIRING DIAGRAM

NOTES
- ON THE 1EB UNITS ONE WIRE HARNESS SUB ASS’ Y IS REd’ D.
- ON THE ZEB UNITS TWO WIRE HARNESS SUB ASS’Y IS RED’ D.
- ON THE 3EB UNITS THREE WIRE HARNESS SUB ASS’Y IS RED’ D.
Wiring Diagram – 2 & 3EB17
MAINTENANCE
The fan tray is designed to provide reliable, trouble-free operation. There is no maintenance required other than to inspect the unit at regular intervals to make sure that there is no buildup of foreign matter in the air management system. If loose foreign matter is found remove by brushing or blowing with pressurized air.
For additional technical support, contact nVent Equipment Protection at 800-896-2665.
PARTS REPLACEMENT INSTRUCTIONS
Should it be necessary to service the fan tray, disconnect the cabinet circuit breaker, remove all power from the power cords, and disconnect the power cords before disassembling or servicing the unit.
| Model 2EB17H115, 3EB17H115 | |
| Part Number | Part Description |
| 13-1015-01 | Fan, 115V, 4.5” |
| M-9297 | Wire Harness (1 per 3-fan module) |
| M-9074 | Wire Harness, Fan Tray (1 per fan tray) |
| S-4076 | Power Cord, 18/3, 5-15 Plug |
| Model 2EB17H230, 3EB17H230 | |
| Part Number | Part Description |
| 13-1015-02 | Fan, 230V, 4.5” |
| M-9297 | Wire Harness (1 per 3-fan module) |
| M-9074 | Wire Harness, Fan Tray (1 per fan tray) |
| S-4481 | Power Cord, 18/3, 6-15 Plug |
| Model UEB17H115 | |
| Part Number | Part Description |
| 13-1015-01 | Fan, 115V, 4.5” |
| M-9297-2 | Wire Harness |
| S-4076 | Power Cord, 18/3, 5-15 Plug |
| Model UEB17H230 | |
| Part Number | Part Description |
| 13-1015-02 | Fan, 230V, 4.5” |
| M-9297-2 | Wire Harness |
| S-4481 | Power Cord, 18/3, 6-15 Plug |
WARRANTY
Please note: Warranty effective at time of shipment. nVent Equipment Protection warrants that all material and workmanship are free of defects in quality which impair the usefulness of the fan tray for a period of five (5) years for nonoperating parts, except for the filter; and for one (1) year for everything else when installed and operated under the following conditions:
- Maximum voltage variation no greater than plus or minus 10% of nameplate nominal rating.
- Maximum frequency variation no greater than plus or minus 3 Hz. of nameplate nominal rating.
- Must not exceed minimum and maximum stated temperatures on the nameplate.
- Not to exceed (BTU/Hr.) rating, including any heat sink, as indicated on the nameplate.
- The unit must not be restarted for a period of one (1) minute after intentional or accidental shut-off.
(This does not apply to heat exchanger or filter fan.) nVent Equipment Protection warrants that all material and workmanship are free of defects in quality which impair the usefulness of the filter fan package and all custom fan tray for a period of one (1) year, except for the filter, when installed and operated under conditions A, B, C and D as listed above.
Not covered in this warranty is damage to the fan tray due to the introduction of other than the nameplatedesignated refrigerant. Operation of any nVent Equipment Protection product that has not been designed with proper protective coatings and/or options and is in an abnormal or corrosive environment voids the warranty. Prolonged operation with dirty filters also voids the warranty.
Should any part prove defective within the above warranty period, the customer may choose to return the defective product that is under warranty to nVent Equipment Protection for repair at no charge or the customer has the option to repair the defective products at his own expense and nVent Equipment Protection will supply repair parts at no charge providing the defective part is returned and found to have failed under warranty. Parts supplied as warranty replacement parts will assume the balance of the warranty on the part returned for warranty consideration.
Please be advised: According to the Federal Register, no person maintaining, servicing, repairing, or disposing of appliances may knowingly vent or otherwise release into the environment any class I or class II substance used as refrigerant.
nVent Equipment Protection assumes no liability beyond the repair or replacement of its own product.
Customer modification of any nVent Equipment Protection product voids this warranty.
The purchaser assumes the responsibility of grounding the unit and installing it in accordance with local electrical and safety codes, as well as the National Electric Code (NEC) and OSHA.
THIS EXPRESS WARRANTY CONSTITUTES THE ENTIRE WARRANTY WITH RESPECT TO THE PRODUCT AND IS IN LIEU OF ALL OTHERS, EXPRESS OR IMPLIED, INCLUDING ANY WARRANTY OR MERCHANTABILITY AND WARRANTY OF FITNESS FOR A PARTICULAR PURPOSE AND IN NO EVENT IS NVENT EQUIPMENT PROTECTION RESPONSIBLE FOR ANY CONSEQUENTIAL DAMAGES OF ANY NATURE WHATSOEVER.
HOLD HARMLESS
In consideration of purchase of equipment from nVent Equipment Protection by a customer, nVent Equipment Protection agrees to indemnify and hold harmless such customer and users with a defense, as to any claim, demand, statutory court cost, fees for attorney’s services provided for below, and/ or judgment, for actual of alleged patent infringement in any country, arising out of the use, sale or advertisement of any equipment manufactured or sold by nVent Equipment Protection to nVent Equipment Protection’s own specifications, provided that the customer or user shall promptly notify nVent Equipment Protection in writing of any such claim or demand, provided further that nVent Equipment Protection shall have the right and option to undertake and control the entire defense of such claim, or demand instituted against the customer or user, but limited to the products made or sold by nVent Equipment Protection, through counsel selected by nVent Equipment Protection, and to settle and pay any claim award arising out of such claim or demand, and provided further that the customer or user will provide such information and assistance as nVent Equipment Protection may request subject to reimbursement by nVent Equipment Protection for any out-of pocket expense incurred in providing such requested assistance. Liability of nVent Equipment Protection for any infringement or claim thereof shall be limited to the above undertaking.
nVent
2100 Hoffman Way
Anoka, MN 55303 USA
+1.763.422.2211
08 +1.763.576.3200



















