Nidec R130 AVT Installation Guide
Electric Power Generation | Installation and maintenance | 2022.04 / a6050 en – |
R130 | ||
This manual concerns the alternator AVR which you have just purchased. We wish to draw your attention to the contents of this maintenance manual.
SAFETY MEASURES
Before using your machine for the first time, it is important to read the whole of this installation and maintenance manual.
All necessary operations and interventions on this machine must be performed by a qualified technician.
Our technical support service will be pleased to provide any additional information you may require.
The various operations described in this manual are accompanied by recommendations or symbols to alert the user to potential risks of accidents. It is vital that you understand and take notice of the following warning symbols.
WARNING
Warning symbol for an operation capable of damaging or destroying the machine or surrounding equipment.

Warning symbol for general danger to personnel.

Warning symbol for electrical danger to personnel.

All servicing or repair operations performed on the AVR should be undertaken by personnel trained in the commissioning, servicing and maintenance of electrical and mechanical components.

When the generator is driven at a frequency below 28 Hz for more than 30 seconds with an analogue AVR, its AC power supply must be disconnected.
WARNING
This AVR can be incorporated in a ECmarked machine. This manual is to be given to the end user.
© – We reserve the right to modify the characteristics of this product at any time in order to incorporate the latest technological developments. The information contained in this document may therefore be changed without notice.
This document may not be reproduced in any form without prior authorisation. All brands and models have been registered and patents applied for.
GENERAL DESCRIPTION
The R130 is an AVR designed for ARÈS, ARCM or ACTR type compound excitation alternators.
The R130 is a transistor-controlled AVR.
The measured voltage is filtered and rectified.
It is not affected by voltage variations caused by non-linear loads.
It is totally sealed with an elastomer which protects it from environmental stresses.
The replacement kit includes:
- 1 AVR R130
- 1 Resistance R01
Note: According to available space, this kit can be mounted inside the generator terminal box or in control panel.
R130 AVR functions:
- AVR accuracy +/- 1.5%
- Underspeed protection-
- Parallel operation between alternators thanks to reactive droop compensation
- External potentiometer connection wires, for
voltage adjustment (470 ohms: voltage range- +/- 5% – 3 W, or 1000
- ohms: voltage range
- +/- 10% – 3 W)
- Wires for parallel operation CT output 1 A – 5 VA
- 220 V or 400 V power supply
- 10 VA voltage sensing isolated via transformer
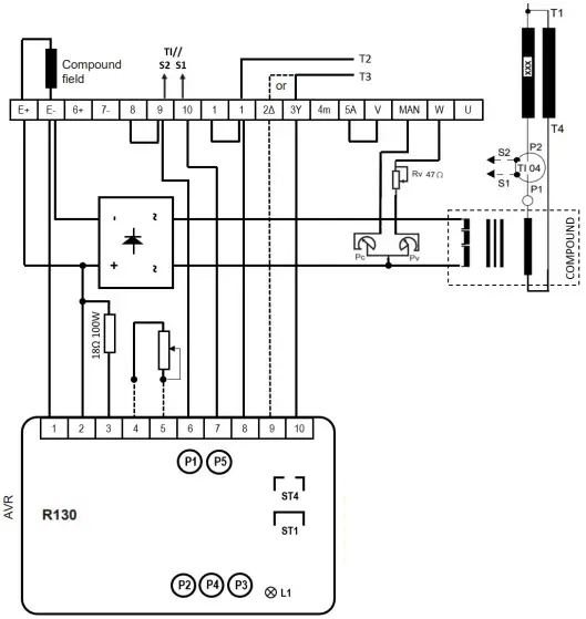
PROCEDURE FOR REPLACING THE R181 ON ARÈS ALTERNATORS
- Disconnect the wires from the R181 from the connection block.
- Remove the R181 and its wired connector.
- Put the R130 in position (same fastening).
- Connect:
- the “-” terminal of the bridge rectifier (compound) to terminal 1 of the AVR
- the “+” terminal of the bridge rectifier (compound) to terminal 2 of the AVR
- the output of the resistance R01 to terminal 3 of the AVR
- the “3Y” terminal (phase V) to terminal 8 of the AVR
- the “1” terminal (phase W) to terminal 10 of the AVR
Adjustment of the R130 on ARÈS alternators
- Measure Ur on terminals 2/3
- Measure Uexc on terminals 1/2
The Ur/Uexc ratio (no load or on load) must be between 0.2 and 0.5.

In case of wrong compound adjustment, there is a risk of the AVR damage

- Pb1: Quadrature droop
- bP2: Stability
- P3: Overvoltage
- P4: Underspeed
- P5: Voltage
- L1: LED underspeed
Note: After the replacement, if some instabilities are observed at no load, it is recommended to add a resistance in series with the compound field
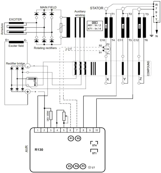
PROCEDURE FOR REPLACING THE R181 ON ARCM ALTERNATORS
- Disconnect the wires from the R181 from the connection block.
- Remove the R181 and its wired connector.
- Put the R130 in position (same fastening).
- Connect:
- the “-” terminal of the bridge rectifier (compound) to terminal 1 of the AVR
- the “+” terminal of the bridge rectifier (compound) to terminal 2 of the AVR
- the output of the resistance R01 to terminal 3 of the AVR
- the “3Y” terminal (phase T3) to terminal of the AVR
- – the “1” terminal (phase T2) to terminal of the AVR
Adjustment of the R130 on ARCM alternators
- Measure Ur on terminals 2/3
- Measure Uexc on terminals 1/2
The Ur/Uexc ratio (no load or on load) must be
between 0.2 and 0.5.

In case of wrong compound adjustment, there is a risk of the AVR damage.

- P1: Quadrature droop
- P2: Stability
- P3: Overvoltage
- P4: Underspeed
- P5: Voltage
- L1: LED underspeed
Note: After the replacement, if some instabilities are observed at no load, it is recommended to add a resistance in series with the compound field.
PROCEDURE FOR REPLACING THE R181 ON ACTR ALTERNATORS
- Disconnect the wires from the R181 from the connection block.
- Remove the R181 and its wired connector.
- Put the R130 in position (same fastening).
- Connect:
- the “-” terminal of the bridge rectifier (compound) to terminal 1 of the AVR
- the “+” terminal of the bridge rectifier (compound) to terminal 2 of the AVR
- the output of the resistance R01 to terminal 3 of the AVR
- the “3Y” terminal (phase V) to terminal 8 of the AVR
- the “1” terminal (phase W) to terminal 10 of the AVR
Adjustment of the R130 on ACTR alternators
- Measure Ur on terminals 2/3
- Measure Uexc on terminals 1/2
The Ur/Uexc ratio (no load or on load) must be between 0.2 and 0.5.

In case of wrong compound adjustment, there is a risk of the AVR damage.

- P1: Quadrature droop
- P2: Stability
- P3: Overvoltage
- P4: Underspeed
- P5: Voltage
- L1: LED underspeed
Note: After the replacement, if some instabilities are observed at no load, it is recommended to add a resistance in series with the compound field.
Disposal and recycling instructions
We are committed limiting the environmental impact of our activity. We continuously monitor our production processes, material sourcing and products design to improve recyclability and minimise our environmental footprint.
These instructions are for information purposes only. It is the user’s responsibility to comply with local legislation regardingproduct disposal and recycling.
Waste & hazardous materials
The following components and materials require special treatment and must beseparated from the alternator before the recycling process:
- electronic materials found in the terminal box, including the automatic voltage regulator (198), current transformers (176), interference suppression module and other semi-conductors.
- diode bridge (343) and surge suppressor (347), found on the alternator rotor. – major plastic components, such as the terminal box structure on some products.
These components are usually marked with information concerning the type of plastic. All materials listed above need special treatment to separate waste from reclaimable materials and should be entrusted to specialist recycling companies.
Service & Support
Our worldwide service network of over 80 facilities is at your service.This local presence is our guarantee for fast and efficient repair, support and maintenance services.
Trust your alternator maintenance and support to electric power generation experts. Our field personnel are 100% qualified and fully trained to operate in all environments and on all machine types.
We have a deep understanding of alternator operation, providing the best value service to optimise your cost of ownership.
Where we can help:
Contact us:
Americas: +1 (507) 625 4011
Europe & rest of the world: +33 238 609 908
Asia Pacific: +65 6250 8488
China: +86 591 88373036
India: +91 806 726 4867
Scan the code or go to:
http://www.emersonindustrial.com/
http://www.lrsm.co/support
[email protected]
Linkedin.com/company/leroy-somer
Twitter.com/Leroy_Somer_en
Facebook.com/LeroySomer.Nidec.en
YouTube.com/LeroySomerOfficiel


















