Manual
PL-REM
LINK Driver
Technical specifications
Electrical specifications
| Nominal Input voltage Max rating Relay Contacts “Color Light”, “A” and “B” Resistive Load Inductive Load Frequency band transmitter IEC Protection Class | 230 VAC 50 Hz 14A 250VAC 14A 30VDC 6A 250VAC 6A 30VDC 868 MHz Class II |
General specifications Controller
| Ambient air temperature Humidity Dimensions Weight Ingress protection rate | 0°C … +40°C 10% … 90% RH non condensing 150x157x51 mm 500 g IP54 |
For operation only with 12VAC safety isolation transformer to power Spectravision ® LED Pool Lights
Box contents
- PL-REM controller
- Handheld transmitter (Dural ink™ version)
- Spare battery (type A23 12V)
- Screws (4x) & wall plugs (4x)
- Owner’s manual

Installation instructions
Option 1: PL-REM in transformer primary
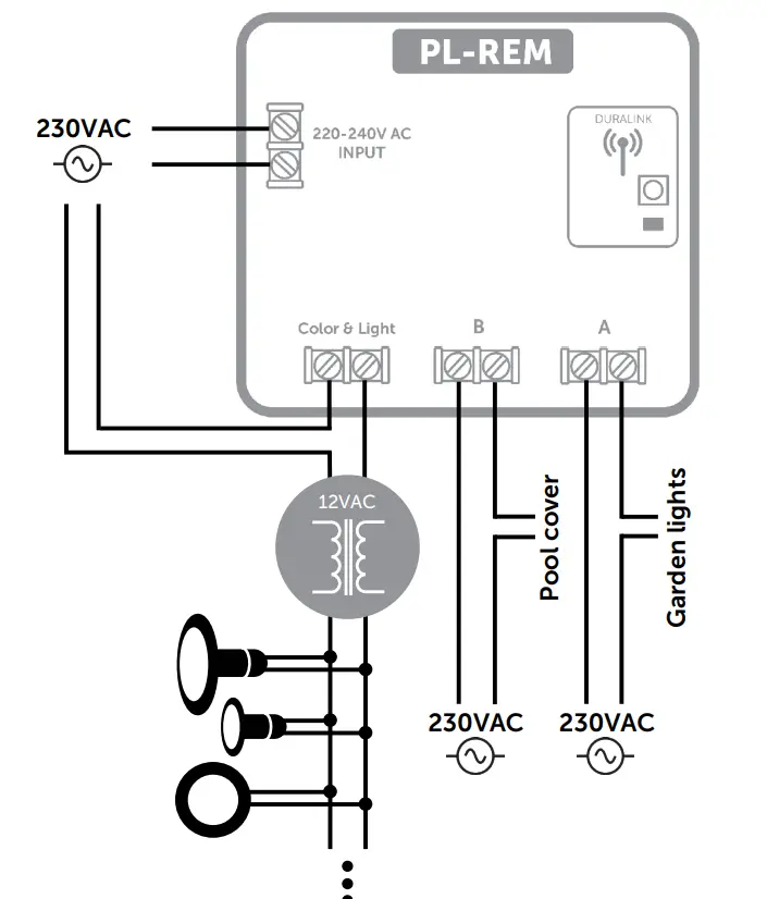
- Connect a 230VAC power source to the “220-240VAC INPUT” terminal
- Connect the primary circuit of a 12VAC transformer (sold separately) in series with the “Color Light” terminal of the PL-REM.
Optional: The “Switch A” & “switch B” terminals can be used to control auxiliary circuits like a pool cover or garden lights.
The “Color Light” relay contact has an output of 14A, which can drive a 12V transformer of max. 3000W (220Vx14A).
Option 2: PL-REM in transformer secondary
- Connect a 230VAC power source to the “220-240VAC INPUT” terminal
- Connect the secondary circuit of a 12VAC transformer (sold separately) in series with the “Color Light” terminal of the PL-REM.
Optional: The “Switch A” & “switch B” terminals can be used to control auxiliary circuits like a pool cover or garden lights.
The “Color Light” relay contact has an output of 14A, or 170W on a 12V transformer secondary (14Ax12V). The total load of pool lights can not exceed this.
Pairing handheld transmitter & controller
The handheld transmitter is already paired in the factory and ready to use. The PL-REM can pair with up to 6 handheld transmitters. In case a problem arises, the pairing process can be done manually:
Manual Pairing process:
Make sure the PL-REM is connected to a power source.
- Press the pairing button on the small circuit board, inside the controller for at least 5 seconds. –> The LED will start to blink fast
- Within 25 seconds, press any button on the handheld transmitter.
–> If the transmitter is paired correctly, the LED will flash slowly for 5 times
–> If the PL-REM pairing memory is full, the LED will flash 15 times.
This means 6 handheld devices have already been paired.
To unpair all handheld transmitters with the controller: Push the pairing button for at least 5 seconds, then do nothing for at least 25 seconds.
–> The pair memory will be erased – the green LED will flash 5x on/off.
If no transmitters are paired, the PL-REM-200 will accept messages from any transmitter!
Handheld transmitter functions

Replacing transmitter battery
- Remove the philips head screw and open the transmitter
- Replace the battery, respecting the polarity
Battery type: A23 12V

Change Relay A/B mode
The relays A & B can be used to control auxiliary circuits like garden lighting or a pool cover.
The operation mode of these relays can be modified:
Option 1: Normal open/closed contact
Option 2: Pulsed contact
Modification process:
- Locate the 5 pinholes on the circuit board
- Make a connection between pin 1 and 2 (use a piece of wire, or a paperclip)
- Power ON the device by connecting a 230VAC power source to the 220-240VAC INPUT terminal
- Power OFF the device
- Remove the connection between pin 1 and 2 Every time the above process is repeated, the A & B relays switch between Normal open/closed mode and Pulsed operation mode

Troubleshooting
| PROBLEM | SOLUTION |
| The controller doesn’t react to transmitter commands | •Check the battery of the handheld transmitter •The transmitter is not paired correctly with the controller. Repeat the pairing process •Reduce the distance between handheld transmitter and PLREM and/or remove obstacles |
| The pool lights don’t work | •Check if all connections are made according to the electrical scheme on page 5 or 6. •Check if the “Color Light” output terminals of the controller switch on and of when pushing the on/off button on the transmitter. |
Declarations of Conformity
Declarations of conformity covering this product are available for download from the House of Eurotech website: www.duratech.be 
Contact details
Propulsion Systems bv
Doormen 72
1785 Merchets, Belgium
Tel +32 2 461 02 53
www.duratech.be
[email protected]
http://www.propulsionsystems.be
DURA LINK
We reserve the rights to change all or part of the contents of this document without prior notice
402-0248-2



















