Garland G Series Infrared Slamander Broilers

INTRODUCTION
Units included in this manual are:
Salamander Models: GIR36C, GIR36, GIR48, GIR60
All units are shipped completely assembled with the pressure regulator packed inside the unit drip tray. Units are inspected at the factory prior to shipment. The appliance should be given regular care and maintenance. Periodic inspections by your dealer or a qualifi ed service agency are recommended. This product has been certified as commercial cooking equipment and must be installed by professional personnel as specifi ed.
Uncrating
Check the crate for possible damage during transit. Carefully remove the unit from the crate and again check for damage. If damage has occurred, report it to the carrier immediately. Shipping wire, or ties for retaining the packaging material must be removed from the units, as well as any protective material covering stainless steel.
DO NOT remove any permanently affixed label warnings or the rating plate from the appliance, as this may invalidate the manufacturer’s warranty.
The type of gas and supply pressure that the equipment was set-up for at the factory are indicated on the rating plate and packaging. The type of gas and pressure specified must be supplied to the unit.
Rating Plate
The rating plate is affixed to the Salamander front panel and is located underneath the removable drip tray.
When corresponding with the factory or your local authorized factory service center regarding service problems or replacement parts, be sure to refer to the particular unit by the correct model number (including the prefix and suffix letters and numbers) and the warranty serial number. The rating plate contains this information. The rating plate also contains the gas type and supply pressure, as well as listing the input rating of all burners. In the event you have any questions concerning the installation, use, care or service of the product, write or call our Product Service Department.
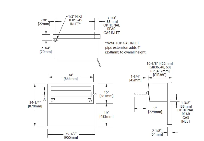
DIMENSIONS AND SPECIFICATIONS
| Model | Width | Use With G Series Model | Shipping Information | Entry Clearances: In (mm) | ||
| Cu Ft | lbs/Kg | Crated | Uncrated | |||
| GIR36C | 34″ (864mm) | N/A | 21 | 170/77 | 29(737) | 21(533) |
| GIR36 | 35-1/2″ (900mm) | G36 | 38.2 | 200/91 | 29(737) | 21(533)) |
| GIR48 | 47-1/4″(1200mm) (35-1/2″ /900mm center mounted broiler with 47-1/4″/1200mm flue riser) | G48 | 60.6 | 230/105 | 29(737) | 21(533) |
| GIR60* | 59″ (1500mm) (35-1/2″ /900mm broiler + 24″/600mm flue riser w/shelf) | G60 | 60.6 | 260/118 | 29(737) | 21(533) |
* Note Salamander Broiler on Left Side. Right Side Optional
| Operating Pressure | Installation Clearances | Total Input | ||
| Natural | Propane | Sides | Rear | 40,000 BTU/HR (11.7Kw) |
| 6″WC (15mbar) | 10″WC (25mbar) | 6″(152mm) | 6″(152mm) | |
Gas input ratings shown for installations up to 2000 ft., (610m), above sea level. Please specify altitudes over 2000 ft.
Please specify gas type when ordering

Garland/US Range products are not approved or authorized for home or residential use, but are intended for commercial applications only. Garland/US Range will not provide service, warranty, maintenance or support of any kind other than in commercial applications.
GENERAL INFORMATION
The range-mounted, gas Infra-Red Salamander Broiler is designed for a perfect match and fi t to the Garland G Series Range.
Garland products are not approved or authorized for home or residential use, but are intended for commercial applications only. Garland will not provide service, warranty, maintenance or support of any kind other than in commercial applications.
Salamander Performance and Construction
Two Hi-Low gas valves provide individual control of the two (2) atmospheric-type 20,000 BTU/Hr gas infra-red burners for the Salamander.
The“ LO” position is adjustable for most field gas pressure situations. Fast preheat and uniform production is provided by the high-effi ciency, infra-red burners.
The unique atmospheric design eliminates the need for fans and filters. Heat is directed downward to the large -380 square inch plus – heavy duty broiling rack.
The rack is easily removed from the spring balanced rack assembly. The rack assembly rolls out for ease of loading and unloading and, raises and lowers with positive locking in three positions. The full-width grease deflector attached to the underside of the rack assembly channels hot drippings to a large capacity drip tray even when the rack assembly is rolled out. The rack assembly and drip pan are easily removed for cleaning.
Models GIR36 and GIR48 salamanders are 36” (900mm) and 48” (1200 mm) wide respectively and are supported by heavy-formed brackets to mount to the range.
Model GIR60 mounts to a 60” (1500mm) wide G Series range and includes a 24” (600mm) wide shelf.
Model GIR36C is a counter unit and comes equipped with 4” (102mm) stainless steel legs, it may be mounted to a wall with an optional wall mounting kit.
All salamander models have a stainless steel top and sides. Stainless steel bottoms and heat shields are standard on range match models, optional on model GIR36C.
INSTALLATION
This product has been certifi ed as commercial cooking equipment and must be installed by professional personnel as specifi ed. THIS APPLIANCE IS NOT RECOMMENDED FOR RESIDENTIAL INSTALLATION.
We suggest installation, maintenance and repairs be preformed by your local Garland/US Range authorized service agency.
National Code Requirements
The importance of the proper installation of Commercial Gas Cooking Equipment cannot be over stressed. Proper performance of the equipment is dependent, in great part, on the compliance of the installation with the manufacturer’s specifications. Installation must conform to local codes
or, in the absence of local codes, with the National Fuel Gas Code, NFPA54 / ANSI Z223.1 or latest edition, Natural Gas Installation Code, CAN/GCA-B149.1 or the Propane Installation Code, CAN/CGA-B149.2 or latest editions, as applicable.
INSTALLATION Continued

All fixed (non mobile) appliances MUST be fitted with a manual gas cock upstream of the appliance to provide a means of isolation for servicing or cleaning purposes. A union or similar means of disconnection must be provided between the gas cock and the appliance.
A manually operable valve must be fitted to the gas supply to the kitchen to enable it to be isolated in an emergency. Whenever practical, this shall be located either outside the kitchen of near an exit in a readily accessible position.
Where it is not practical to do this, an automatic isolation valve system shall be fitted which can be operated from a readily accessible position or near to the exit.
At locations where the manual isolation valve is fi tted or the automatic system can be reset, a notice MUST be fitted stating:
“ALL DOWNSTREAM BURNER AND PILOT VALVES MUST BE TURNED OFF PRIOR TO ATTEMPTING TO RESTORE THE SUPPLY. AFTER EXTENDED SHUT OFF, PURGE BEFORE RESTORING GAS.”
Before assembly and connection, check gas supply.
- The type of gas for which the unit is equipped is stamped on the rating plate located on the lower front panel simply remove the drip tray for easy access. Connect a unit stamped “NAT” only to natural gas; connect those stamped “PRO” only to propane gas.
- If it is additional equipment or a replacement have a qualified gas technician check the gas pressure to make certain that existing gas facilities (meter piping, etc.) will supply gas to the unit with no more than 1/2” water column pressure drop.
NOTE: When checking pressure, be sure that all other equipment on the same gas line is on. A pressure regulator is supplied with Garland Infra-Red Broilers. The regulator is preset to deliver gas at the pressure shown on the rating plate. - C. The appliance and its individual shut off (supplied by others) must be disconnected from the gas supply piping system during any pressure testing of that system at pressures in excess of 1/2” psi (3.45 kPa).
- The appliance must be isolated from the gas supply piping system by closing its individual manual shut off valve (supplied by others) during any pressure testing of the gas supply piping system at test pressures equal to or less than ½ psi (3.45 kPa).
- The gas supply connection is made either at the top left rear or lower rear right corner, depending on how the unit was ordered. A readily accessible approved type of hand valve should be installed on each supply line. Test for leaks – DO NOT USE ANY OPEN FLAME.
- A pressure tap plug is supplied with the units and it is installed on the manifold. The drip tray must be removed to use the pressure tap. The gas pressure must be checked when the unit is installed, to insure that the unit gas pressure is the same as specified on the rating plate. If necessary, pressure adjustments must be made at the supplied pressure regulator.
NOTE: the pressure regulator is located at the top left rear or bottom right rear of the salamander. - If it is a completely new installation, have a qualified gas technician check meter size and piping to ensure that the unit is supplied with a sufficient amount of gas at the specified pressure for unit operation.
- Make certain that the new piping, joints and connections have been made in a clean manner and have been purged, so that the piping compound, chips, etc, will not clog pilots, valves and/or controls. Use pipe joint sealant that is resistant to liquefied petroleum gas.
WARNING Check gas connections for leaks. Use a soap solution or similar means. DO NOT USE AN OPEN FLAME!
Optional Inter-Connect Kit (Models GIR36, GIR48 & GIR60)
The gas supply of the range mounted salamanders may be inter-connected with the supply of the range, so both units are supplied from a single gas connection. The supply gas piping should be a minimum of 1” (25mm) diameter to ensure enough gas capacity is available at the specifi ed pressure to supply the total combined input rating of both appliances. The components comprising the optional inter-connect kit are shown below.
Optional Interconnect Gas Kit #4531606 – Version 1, Connecting to a 36in Range

| ITEM | DESCRIPTION | QUANTITY 36” |
| 1 | 4.5” W.C 3/4”NPT, Regulator Natural Gas, supplied with Range | 1 |
| 3/4” ISO 7-1, Regulator Natural Gas, supplied with Range | 1 | |
| 10” W.C 3/4”NPT, Regulator Propane Gas, supplied with Range | 1 | |
| 3/4” ISO 7-1, Regulator Propane Gas, supplied with Range | 1 | |
| 2 | Nipple, 3/4” NPT x 1/2” (one supplied with range) | 3 |
| 3 | Elbow, 90deg, 3/4” NPT (one supplied with range) | 2 |
| 4 | Union, 3/4” NPT | 2 |
| 5 | 3/4”CC x 3/4” NPT Straight Fitting | 2 |
| 6 | Bracket, Pipe Support | 1 |
| 7 | Clamp, Pipe Support Bracket | 1 |
| 8 | Reducing Elbow, 90deg, 3/4” NPT x 1/2” NPT | 1 |
| 9 | Nipple, 3/4” NPT x 6.5” | 1 |
| 10 | Reducing Tee, 3/4” NPT x 3/4” NPT x 1” | 1 |
| 11 | Screw, #10-16 x 1/2” Hex, Washer Head, Teks Self-Drill/Tap (not shown) | 2 |
| 12 | Screw, #10-24 x 1/2” Pan Head, Self-Tap, Type F (not shown) | 2 |
| 13 | 6” W.C 3/4” NPT, Regulator Natural Gas, supplied with Salamander/Cheesemelter | 1 |
| 10” W.C 3/4” NPT, Regulator Propane Gas, supplied with Salamander/Cheesemelter | 1 | |
| 14 | Nipple, 3/4” NPT x 3.5” | 1 |
| 15 | Tubing 3/4” | 1 |

| ITEM | DESCRIPTION | QUANTITY 48” / 60” |
| 1 | Screw, #10-24 x 1/2” Pan Head, Self-Tap, Type F (not shown) | 4 |
| 2 | 4.5” W.C 1”NPT, Regulator Natural Gas, supplied with Range | 1 |
| 1” ISO 7-1, Regulator Natural Gas, supplied with Range | 1 | |
| 10” W.C 1”NPT, Regulator Propane Gas, supplied with Range | 1 | |
| 1” ISO 7-1, Regulator Propane Gas, supplied with Range | 1 | |
| 3 | 6” W.C 3/4” NPT, Regulator Natural Gas, supplied with Salamander/Cheese Melter | 1 |
| 10” W.C 3/4” NPT, Regulator Propane Gas, supplied with Salamander/Cheesemelter | 1 | |
| 4 | Nipple, 1” NPT x 2” (one supplied with range) | 3 |
| 5 | Nipple, 3/4” NPT x 6.5” | 1 |
| 6 | Elbow, 90deg, 3/4” NPT | 3 |
| 7 | Elbow, 90deg, 1” NPT (supplied with range) | 1 |
| 8 | Union, 1” NPT | 1 |
| 9 | Bracket, Pipe Support 48/60 | 2 |
| 10 | Clamp, Pipe Support Bracket | 2 |
| 11 | Reducing Tee, 1” NPT x 1” NPT x 3/4” | 1 |
| 12 | Nipple, 3/4” NPT x 22.75” | 1 |
| 13 | Nipple, 3/4” NPT x 2” | 1 |
| 14 | Screw, #10-16 x 1/2” Hex, Washer Head, Teks Self-Drill/Tap (not shown) | 4 |
| 15 | Nipple, 3/4” NPT x 3.5” | 1 |
| 16 | Reducing Elbow, 90deg, 3/4” NPT x 1/2” NPT | 1 |
| 17 | 3/4”CC x 3/4” NPT Straight Fitting | 2 |
| 18 | Tubing 3/4” | 1 |

Installation Of A Salamander To A Range
NOTE: The back of the range must be easily accessible.
Model GIR36 – 36” Ranges

36″ RANGE
Figure 1 – With area detail defined for 36 inch range.
- Remove screws from back of oven (on both sides of range) as shown:

- Install the left and right support brackets (part # 4523226 and 4523227) by re-inserting the 2 screws removed in step 1 and one additional screw (on both sides of the range).

- Slide the salamander down into the support brackets installed in step 2, see figure 1.
- Once the salamander is in place, fasten it to the unit on both sides of the range with the provided #14B x 5/8 hex washer head tapping screws.


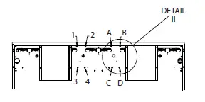
- Remove screws (a total of 10) from back of oven on both sides of the range (detail I) and center (detail II) as shown for each range model:


- For all 48” ranges install the left and right support brackets (part # 4523226 and 4523227) by re-inserting the 2 screws removed in step 1 and one additional screw (on both sides of the range).

- Slide the salamander down into the support brackets installed in step 2, see fi gure 2. NOTE: On ranges with 2 space saver ovens, the center post must slide into the center channels built into the back of the unit.
- Once the salamander is in place, fasten it to the unit on both sides of the range with the provided #14B x 5/8 hex washer head tapping screws.

- For center support, (detail II) re-insert screws removed in step 1 or provided sheet metal screws as shown in detail II and III, inserting screws for detail III through clearance in back panel.


- Re-insert screws removed in step 1 though clearance hole in back panel as shown:


Figure 3 – With area detail defi ned for 60 inch range.
NOTE: Instructions are for mounting the salamander on the right side, for mounting on the left side follow the same directions except use references 1, 2, 3, & 4 (to the left of detail II see below) in lieu of A, B, C, D for detail II in the following steps.

- Remove screws from back of oven on both sides of the range (detail I) and center (detail II) as shown:

- Install the left and right support brackets (part # 4523226 and 4523227) using the 2 screws removed in step 1
(detail I) and one additional screw on both sides of the range, and center support bracket (part # 4523282) with the four screws removed in step 1 (detail II).

- Slide the salamander down into the support brackets installed in step 2, see figure 3.
- Once the salamander is in place, fasten it to the unit on both sides of the range with the provided #14B x 5/8 hex washer head tapping screws (detail I) and the center to the support bracket using 4 of the provided screws (detail II).

Wall Or Counter Mounted Salamanders Model GIR36C
- Clearance from combustible construction must be six inches (6”, 152mm) minimum at the rear and six inches (6”, 152mm) minimum at both sides. The appliance shall be located with respect to building construction and other equipment so as to permit access to the appliance. Such access and clearance may be necessary for service and cleaning.
- Counter models are furnished with 4” (102mm) legs. Level the unit with a carpenter’s level and make minor adjustments with the threaded leg feet. Ensure that the counter top can support the weight of the appliance prior to installation and is comprised of non-combustible material.
- Provisions for gas connections, top or rear, should be taken into consideration at time of installation.
- If the unit is to be mounted on a non-combustible wall contact the local authorities for local codes.
- Position, level, and mark location of the assembled wall mount kit.
- Drill wall (locating studs if necessary) to accept suitable fastening devices.
- Drill the angle iron bars of the wall mounting kit to match those drilled in the wall.
- Install wall mounting kit to wall.
- Install and secure broiler with bolts supplied.

Ventilation and Air Supply
Proper ventilation is highly important for good operation. The ideal method of ventilation for a Salamander Broiler is the use of a properly designed canopy hood which should extend six inches (6”, 152mm) beyond all sides of the appliance and six (6) feet six (6) inches (1981mm)from the floor. A strong exhaust fan will create a vacuum in the room. For an exhaust system to work properly, replacement air must enter the room in which the vent is located. The amount of air which is exhausted must equal the amount entering, (make-up air).
All gas burners and pilots need sufficient air to operate and large objects should not be placed in front or on top of the broiler which would obstruct the air flow through the front of the broiler.
The following notes are intended to give general guidance. For detailed recommendations, refer to the applicable code(s) in the country of destination.
NOTE 1: The room containing the appliance is required to have a permanent air vent. The minimum effective area of the vent is related to the maximum rated heat input of the appliance and shall be 4.5 cm² per kW (2.04 X 10-4 in² per BTU/H) in excess of 7 kW. (23,900 BTU/H).
NOTE 2: Air vents should be of such a size to compensate for the effects of any extract fan in the premises.
FOR YOUR SAFETY never place any type of object on top of the salamander broiler. The top of the broiler will exceed 1000° F (538° C). It could cause severe burns and/or fi re and also will obstruct ventilation.
Clearances
Clearance must be 6” (152mm) at the sides and rear from combustible material. A clearance of 0.0” to noncombustible construction at the sides & rear is acceptable, for the Salamander. This appliance is for use on non-combustible floors/counters only.
OPERATION
Pilot Lighting Instructions
- The in-line service shut-off valve should be in the “ON” position.
- With a lighted taper you can now light the pilots which are located at the rear of the main burner.
- The Pilot flame should be approximately 7/8” long for proper ignition of the burners. The pilot adjustment valve can be located by sliding the drip tray forward. Adjustment valves are located on the manifold pipe which runs horizontally across the back of the unit, behind the drip tray. One valve is at the left rear and the other at the right rear.
To adjust the pilot light, turn the brass screw counter-clock-wise to increase the pilot fl ame, and clock-wise to decrease the pilot flame.
NOTE: No more than 7/8” pilot flame length should be required. Too high a setting will cause the flame to lift off or will create excessive carbon deposits. Do not adjust the pilot flame lower than 7/8” long because this can cause delayed ignition at the burner. The delayed ignition could cause the burner tiles to crack; in that case the burner would have to be replaced.
Part # 4523916 Rev 2 (05/05/14)
Main Burner Operation
Turn main burner knob to the “MAX” position and immediately check ignition.
CAUTION Should ignition fail after five seconds, turn valve off and wait five minutes before trying again. Pilot gas is not interrupted automatically. It is the responsibility of the operator to check the ignition of burners immediately after the burner valve has been turned on.
When ignition has been accomplished, a blue fl ame will cover the surface of the ceramics for 10-15 seconds. The haze will disappear and the burner rod will glow red. After the burners have operated for several minutes turn the valve to “MIN.” The burner rods will no longer glow red and the fl ame travels back and forth on the face of the burner ceramics.
Burn off Period
Many parts used in the manufacturing of commercial equipment have a thin, protective coating of machine oil. This oil should be burned off before the equipment is used for food preparation.
After all start-up and safety checks have been completed, turn burner valve to the “MAX” position. Smoke (a bluish haze) will be produced. This process can take several hours and can be completed over a few days.
Energy Conservation
Do not waste energy by leaving controls at high temperature settings during idle periods. Lower settings will keep broiler warm and ready for next use period. Reset burner valve knob as required for heavy load periods.
Shut Down Instructions
Turn main burner valve knobs to the “OFF” position. If the unit is to be shut down for an extended period of time, close the manual in-line service valve (manual in-line service valve is not factory supplied).
FOR YOUR SAFETY never place any type of object on top of the salamander broiler. The top of the broiler will exceed 1000° F. It could cause severe burns and/or fi re and also will obstruct ventilation.
Main Burner Adjustments
All salamanders are provided with fixed burner orifices to provide 20,000 BTU/HR at the “MAX” setting on Natural
Gas supplied at 6.0” WC (15 Mbar) pressure or propane gas supplied at 10.0” WC (25 Mbars) pressure.
The “MIN” setting is adjustable and should be set as follows:
- Set the burner valve knob to “MIN” setting and remove the knob.
- Insert a thin bladed screwdriver into the valve stem to engage the slot inside the stem. Turn clockwise to decrease the rate and counter-clockwise to increase.
Proper adjustment is attained at the point where the burner rods no longer glow and the fl ame travels back and forth on the face of the ceramics.
This adjustment has been factory pre-set, however, with changing pressures this adjustment and pilot adjustment may need to be re-done after installation.
This is not considered a manufacturing defect and is not warrantable.
NOTE : Burner adjustments should only be done by an authorized service technician.
WARNING if gas odors are detected, the gas supply must be turned “OFF” at the main shut-off valve and the local gas company or authorized service agency contacted for service.
A program of proper cleaning techniques will aid in continued trouble free operation of this or any quality equipment.
Daily
The broiling rack should be wiped daily while still warm, using a heavy cloth or other grease absorbing material to remove grease and burnt food before they burn into the grid. Remove burnt materials, such as carbonized grease or food, with a stiff wire brush. DO NOT USE ANY TYPE OF STEEL WOOL. Small particles may be left on the rack surface and get into food products. The rack should be washed thoroughly using a wire brush and a hot, mild detergent or soap solution. Rinse with clear, warm water.
Monthly
Lubricate valves and bearings as required. Due to the
usual location of the broiler that is mounted above a range with open tops, the heat from the open top will cause the lubrication grease inside the valves to dry out. When you notice that the valve is becoming harder to turn it is then time to have them greased. We suggest an Authorized Service Agent who is familiar with the appliance and working with natural and propane gas, to perform this type of work.
Exterior Cleaning
Establish a regular schedule. Any spills should be wiped off immediately.
- Wipe exposed, cleanable surface when cool with a mild detergent and hot water. Stubborn residue spots may be removed with a light weight non-metallic scouring pad. Dry thoroughly with a clean cloth.
- Stainless steel should be cleaned using a mild detergent, a soft cloth and hot water. If it is necessary to use a non-metallic scouring pad, always rub in the direction of the grain in the metal to prevent scratching. Use a water based stainless steel cleaner (such as Drackett Twinkle), if you want a high shine.
































