beko SLER30432SS Slide In Electric Range
Product Information
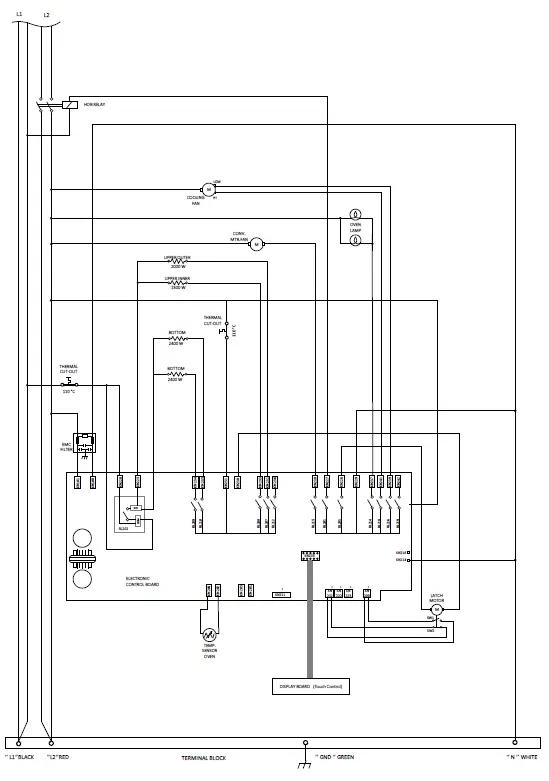
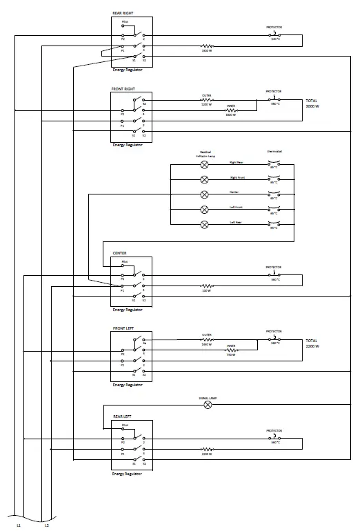
This is a user manual for an oven and hob appliance. The schematic diagram for the oven shows various components such as L1 and L2 (power supply), hob relay, thermal cut-out, EMC filter, cooling fan, oven lamp and electronic control board. The oven has an upper outer heating element of 2000 W, an upper inner heating element of 1500 W, a conv. mtr. fan and a bottom heating element of 2400 W. The hob has residual indicator lamps for each cooking zone, energy regulators, and a pilot.
Product Usage Instructions
Before servicing the appliance, make sure to disconnect the power supply.
Oven Usage:
- Turn on the power supply by connecting L1 and L2.
- Select the desired cooking mode and temperature using the electronic control board.
- The upper outer heating element can be used for cooking food on the top shelf of the oven.
- The upper inner heating element can be used for cooking food on the middle shelf of the oven.
- The conv. mtr. fan helps to distribute heat evenly throughout the oven cavity.
- The bottom heating element can be used for cooking food on the bottom shelf of the oven.
- The oven lamp can be turned on or off using the electronic control board.
Hob Usage:
- Turn on the power supply by connecting L1 and L2.
- Select the desired cooking zone by choosing the corresponding pilot or residual indicator lamp.
- Adjust the temperature using the energy regulator for that cooking zone.
- For the front right and left cooking zones, use the 4a settingfor the outer heating element (1450 W) and the 2 setting for the inner heating element (750 W).
- For the rear right and left cooking zones, use the pilotsetting for the outer heating element (1500 W) and the 4 setting for the inner heating element (1200 W).
- The residual indicator lamp will turn on when the corresponding cooking zone is hot.
Note: For further details on the product’s components and usage, please refer to the user manual or contact customer support.
SCHEMATIC DIAGRAM (OVEN)
WARNING
POWER MUST BE DISCONNECTED BEFORE SERVICING THE APPLIANCE
SCHEMATIC DIAGRAM (HOB)
285600067/AB




















