NET5469SC Cooktop
Instruction Manual
IMPORTANT SAFETY INSTRUCTIONS
READ AND SAVE THESE INSTRUCTIONS
Read all instructions carefully before use. These precautions will reduce the risk of electrical shock, fire and injury to persons. When using kitchen appliances, basic safety precautions must be followed including those in the follow-ing pages.
1.1 Safety definitions
Here you can find explanations of the safety signal words used in this manual.
WARNING
This indicates that death or serious injuries may occur as a result of non-observance of this warning.
CAUTION
This indicates that minor or moderate injuries may occur as a result of non-observance of this warning.
NOTICE:
This indicates that damage to the appliance or property may occur as a result of non-compliance with this advi-sory.
Note: This alerts you to important information and/or tips.
1.2 General information
- Read this manual carefully.
- Keep the instructions, the appliance pass and the product information safe for future reference or for the next owner.
- Do not connect the appliance if it has been damaged in transit.
1.3 General safety instructions
IMPORTANT: SAVE THESE INSTRUCTIONS FOR THE LOCAL ELECTRICAL INSPECTOR’S USE.
OWNER: PLEASE RETAIN THESE INSTRUCTIONS FOR FUTURE REFERENCE.
INSTALLER: LEAVE THESE INSTRUCTIONS WITH THE APPLIANCE AFTER INSTALLATION IS COM-PLETE.
WARNING
If the information in this manual is not followed exactly, fire or shock may result causing property damage or personal injury.
Do not repair, replace or remove any part of the appliance unless specifically recommended in the manuals. Im-proper installation, service or maintenance can cause in-jury or property damage.
- Refer to this manual for guidance.
- All other servicing should be done by an authorized service provider.
When installing a cooktop over a single oven, be sure to follow the instructions in both the oven’s and the cooktop’s installation manuals.
- You can find a list of approved combinations of cooktop and oven in the Approved Combination Matrix of your cooktop, or you can contact Customer Service for the latest list of approved combinations. Do not try to install your cooktop over any oven that is not stated in that list.
DO NOT install any refrigerators, dishwashers, ovens
(without ventilation), or washing machines below the cook-top. Refer to the Approved Combination Matrix.
Never modify or alter the construction of the appliance. The appliance should only be used if installed by a qualified technician in accordance with these installation instructions. The manufacturer is not responsible for any damage resulting from incorrect installation.
To eliminate the risk of burns or fire by reaching over heated surface units, cabinet storage space located above the surface units should be avoided.
- If cabinet storage is to be provided, the risk can be reduced by installing a hood that projects horizontally a minimum of 5″ (127 mm) beyond the bottom of the cabinet.
- Verify that cabinets above the cooktop are a maximum of 13″ (330 mm) deep.
NOTICE:
We strongly recommend the installation of a ventilation system with this appliance.
WARNING
Remove all tape and packaging before using the appliance.
- Destroy the packaging after unpacking the appliance.
- Dispose of packaging in an environmentally responsible manner.
- Never allow children to play with packaging material.
1.4 Appliance handling safety
WARNING
Hidden surfaces may have sharp edges.
- Use caution when reaching behind or under appliance.
1.5 Safety codes and standards
This appliance complies with the latest version of one or more of the following standards:
- CAN/CSA-C22.2 No. 60335-1 – Safety of Household and Similar Electrical Appliances – General
- CAN/CSA-E60335-2-6, The Standard for the Safety of Household and similar electrical appliances.
It is the responsibility of the owner and the installer to de-termine if additional requirements and/or standards apply to specific installations.
1.6 Electrical safety
- Installer – show the owner the location of the circuit breaker or fuse. Mark it for easy reference.
- If required by the National Electrical Code (or Canadian Electrical Code), this appliance must be installed on a separate branch circuit.
- Local codes vary. The installer is responsible for ensuring that the installation, connections, and grounding comply with all applicable codes. The manufacturer is not responsible for any issues associated with the im-proper installation of this product.
- The circuit breaker must be in accordance with the National Electrical Code (or Canadian Electrical Code). ¡
- Be sure your appliance is properly installed and grounded by a qualified technician. Installation, electrical connections and grounding must comply with all applicable codes.
- Refer to the rating plate for more information.
WARNING
Before installing, turn power OFF at the service panel.
- Lock service panel to prevent power from being turned ON accidentally.
To be able to disconnect the appliance from the power supply, there must be a means of contact separation, e.g. a circuit breaker, on all poles, in accordance to local wiring codes.
GROUNDING INSTRUCTIONS
- This appliance must be grounded.
- Grounding reduces the risk of electric shock by provid-ing a safe pathway for electric current in the event of a short circuit.
- Be sure your appliance is properly installed and grounded by a qualified technician.
- Installation, electrical connections and grounding must comply with all applicable codes.
1.7 State of California Proposition 65 Warnings
This product may contain a chemical known to the State of California, which can cause cancer or reproductive harm. Therefore, the packaging of your product may bear the following label as required by California:
2. Before you begin
Before you begin
Read these instructions before you begin to install your appliance.
2.1 Parts included
After unpacking all the parts, check for any damage in transit and for completeness of delivery.

2.2 Tools and parts needed
Prepare these tools and accessories before you start to in-stall your appliance.
- Pencil
- Measuring tape
- Cross head screwdriver
- Drill with bit 1/4″ (6 mm)
- Jigsaw
Note: Additional materials may be necessary for installation in solid surface countertops. Contact the countertop manufacturer.
2.3 Cabinet requirements
Ensure that the cabinetry at the installation location meets the requirements for a safe installation.

- The distance from the top of the cooktop to the bottom of cabinets above must be a minimum of A=30″ (762 mm).
- This distance can be reduced to A=24″ (610 mm) when the bottom of the wood or metal cabinet is protected by not less than ¼” (6.35 mm) flame-retardant millboard covered with not less than no. 28 gauge sheet metal, 0.015″ (0.4 mm) stainless steel, 0.024″ (0.6 mm) aluminum or 0.020″ (0.5 mm) copper.
- Verify that unprotected cabinets above the cooktop are a maximum of B=13″ (330 mm) deep.
Installation of a cooktop over ovens and microwaves
Only certain models may be installed over an oven or a microwave. Verify the Approved Combination Guide sup-plied with these instructions for approved installation combinations. Both products will have a label stating Approved Combination Guide.
Installation of a range hood or a microwave hood above the cooktop
Follow the range hood or microwave hood installation instructions for dimensional clearance above the cooktop surface.
2.4 Countertop requirements
Ensure that the countertop into which the cooktop is to be installed meets these requirements for a safe installation.
WARNING
To reduce the risk of ignition of surrounding combustible materials, install at least 3″ (76 mm) from both sidewalls and at least 2″ (51 mm) from the rear wall.
- The countertop must be level and horizontal.
- The stability of the countertop must be maintained after the cut-out has been made.
- Solid surface countertops often require special installations. For example, heat-reflective tape and rounded corners may be necessary.
- Contact the countertop manufacturer for instructions specific to your countertop.
3. Prepare installation space
Create the cutout in the countertop according to the instructions.
General countertop requirements:
- The angle of the cut surface to the countertop must be 90°.
- With multi-layered countertops, secure strips laterally in the cutout if necessary.
- After creating the cutout, remove all shavings.
- Seal the cut surfaces in a heat- and water-resistant manner.
- Observe the minimum distance between device under side and cabinet surfaces of ⅜” (10 mm).
3.1 Cutout dimensions


4. Installation procedure
Follow these instructions to install the cooktop into the countertop.
CAUTION
Sharp edges.
- Use protective gloves when installing the appliance.
CAUTION
The appliance is heavy.
- It is recommended that two people install this appliance.
4.1 Securing the cooktop in the countertop
- Evenly insert the unit in the cut-out.
- Press the unit firmly into the cut-out from above.

Note: The appliance must sit firmly in the cut-out and must not move, e.g. during cleaning.
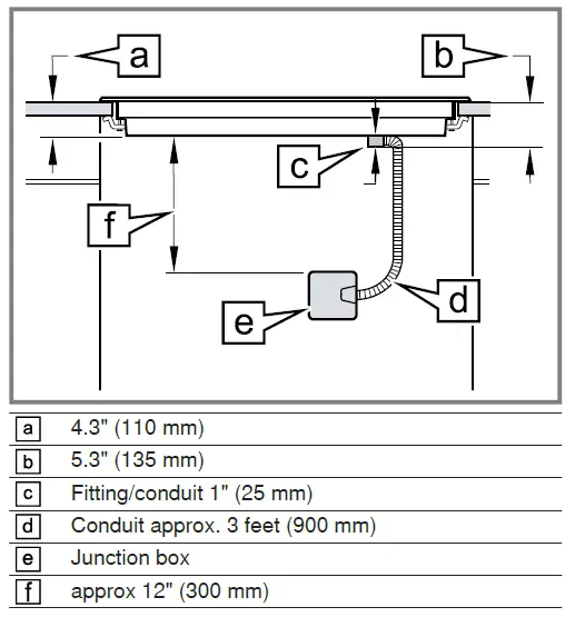
5. Electrical connection
Read these instructions to safely connect your appliance to the electrical supply.
5.1 Electrical requirements
Ensure that the following general requirements are met. ¡ You can find the rating plate with the electrical specifications on the underside of the appliance.
- The junction box must be located within 3 feet of the cooktop connection. It should be easily accessible for service purposes.

Power supply
Model: NET5469SC
40 V AC, 60 Hz system: circuit breaker: 30 Amp
208 V AC, 60 Hz system: circuit breaker: 30 Amp
5.2 Connecting electrical supply
WARNING
Before installing, turn power OFF at the service panel.
- Lock service panel to prevent power from being turned ON accidentally.
To reduce the risk of electrical shock and fire, do not use a flexible power-supply cord with this appliance. Connect only to a 3-wire, 120/240-Volt power supply; the neutral conductor is not required for the operation of the appliance.
The voltage at the power supply electrical connections shall be 150-volts-to-ground or less.
Requirement: The electrical power supply system should be a 1-phase, 3-wire system with ground connection.
1. Install a suitable junction box (not furnished).
- An appropriately-sized, UL-listed conduit connector must be used to correctly attach the conduit to the junction box.
- The branch-circuit breakers ampacity, the wire sizes and the connections must conform to the requirements of the National Electrical Code or Canadian Electrical Code and all local codes and ordinances.
2. Attach the flexible conduit to the junction box. Metal conduit and leads are factory installed.
3. Connect the cooktop lead wires to the junction box supply wires in proper phase.
- black (L1) to black
- red (L2) to red
- green or blank copper wire to ground
6. Checking the installation
Check if your unit is working properly after you have completed the installation steps.
- Remove everything from the cooktop surface including stickers.
- Clean the cooktop surface with cooktop cleaning cream.
- Switch on the circuit breaker.
- Verify that all cooking zones function properly.
7. Customer Service
If you have any questions on use, are unable to eliminate an issue in the appliance yourself, or the appliance needs to be repaired, please contact our Customer Service. With any warranty repair, we will make sure your appli-ance is repaired by an authorized service provider using genuine replacement parts. We use only genuine replace-ment parts for all repairs.
Detailed information on the warranty period and terms of warranty can be found in the Statement of Limited Product Warranty, from your retailer, or on our website.
If you contact the Customer Service, you will need the model number (E-Nr.) and the production number (FD) of your appliance.
USA:
1-800-944-2904
www.bosch-home.com/us/owner-support/get-support
www.bosch-home.com/us/shop
CA:
1-800-944-2904
www.bosch-home.ca/en/service/get-support
www.bosch-home.ca/en/service/cleaners-and-accessories
7.1 Model number (E-Nr.) and production number (FD)
You can find the model number (E-Nr.) and the production number (FD) on the appliance’s rating plate.
Making a note of your appliance’s details and the Cus-tomer Service telephone number will enable you to find them again quickly.
7.2 Rating plate location
You can find the rating plate of your appliance:
- on the underside of the appliance
- in the appliance pass

References
Kitchen Appliances | Home Appliances | High-end Appliances from Bosch
Cleaners & Accessories | Bosch Home Appliances
Service - Get Support | Bosch Home Appliances
Home Appliances Global Website | Bosch
BOSCH Service | Service worldwide
Service - Get Support | Bosch Home Appliances
Bosch Home Appliances | Bosch Cleaners, Filters, Accessories & Parts Store
Welcome to MyBosch


















