LDG AT-200ProII
200W Automatic
Antenna Tuner
INTRODUCTION
LDG pioneered the automatic, wide-range switched-L tuner in 1995. From its laboratories in St. Leonard, Maryland, LDG continues to define the state of the art in this field with innovative automatic tuners and related products for every amateur need.
Congratulations on selecting the LDG Electronics AT-200ProII 200-watt automatic tuner. The AT-200ProII provides fully- and semi-automatic antenna tuning across the entire HF spectrum plus 6 meters, at power levels up to 250 watts (100W on 6m). It will tune dipoles, verticals, Yagis, or virtually any coax-fed antenna. It will match an amazing range of antennas and impedances, far greater than that of some tuners you may have considered, including the built-in tuners on many transceivers.
The AT-200ProII is designed to handle 250 watts of output power, and is ideal for use with newer high-power transceivers.
JUMPSTART, OR “REAL HAMS DON’T READ MANUALS!”
Ok, but at least read this one section before operating the AT-200ProII:
- Connect a 50-ohm coax jumper cable from the antenna jack on your transceiver to the TX jack on the back of the AT-200ProII.
- Connect your antenna’s 50-ohm coax feedline to the ANT 2 jack on the rear of the AT200ProII.
- Connect the supplied DC coax cable to the jack marked 12 VDC. Connect this cable to a DC source between 11 and 16 volts DC, 1A. The jack center tip is positive.
- Power up the transceiver, and select the desired operating frequency and mode.
- Begin transmitting, any mode1.
- When the tuning cycle completes, you’re ready to operate!
1 In SSB mode, simply speak into the microphone while transmitting . Tuning may be performed at up to 125 watts of input power, provided that the transceiver employs a “roll -back” circuit to protect it fr om high SWR. For transceivers without rol-lba ck circuits, power should be limited to 25 watts when tuning, to avoid damag e to the transmitter or tuner.
SPECIFICATIONS
- 1.0 to 250 watt power range (SSB and CW), 100W on 6M.
- Over 4,000 memories for instantaneous band changing.
- Built-in 2-port antenna switch, with 2,000 memories each.
- Tuning time 0.2 to 15 seconds full tune, 0.2 seconds memory tune.
- 1.8 to 54.0 MHz coverage. Built-in frequency sensor.
- Tunes 6 to 1,000 ohm loads (16 to 150 on 6m), 6 to 4,000 ohms with optional 4:1 balun.
- LED bargraph displays power level, SWR, and status.
- Antenna Indicator LED shows the currently selected antenna.
- Bypass Indicator LED
- User-selectable operating parameters: Auto/Semi, 250/25 watt scale, and more.
- Optional Radio interface cables for Icom and Yaesu are available.
- Power requirements: 11 to 16 VDC @ 1A max.
- Dimensions: 10.5” x 8.5” x 2.8” Weight 2 pounds, 12 oz. (1.23 kg)
AN IMPORTANT WORD ABOUT POWER LEVELS
The AT-200ProII is rated at 250 watts maximum power input at most. Many amplifiers output well over 250 watts. Power levels that significantly exceed specifications will definitely damage or destroy your AT-200ProII. If the tuner fails during overload, it could also damage your transmitter, amplifier, or transceiver. Be sure to observe the specified power limitations.
IMPORTANT SAFETY WARNING
Never install antennas or transmission lines over or near power lines. You can be seriously injured or killed if any part of the antenna, support, or transmission line touches a power line. Always follow this antenna safety rule: The distance to the nearest power line should be at least twice the length of the longest antenna, transmission line, or support dimension.
GETTING TO KNOW YOUR AT-200PROII
Your AT-200ProII is a quality, precision instrument that will give you many years of outstanding service; take a few minutes to get to know it.
Front Panel:
The front panel of the AT-200ProII features eight pushbuttons, two LED bargraph scales, and three indicator LEDs: 
- Power: Turns the unit on or off. Power LED indicates unit is on. When power is off, Ant 2 is selected in a bypass state.
- Func: Activates secondary function of other buttons.
- Ant: Selects the active antenna port.
- C Up: Manually increase capacitance.
- C Dn: Manually decrease capacitance.
- L Up: Manually increase inductance.
- L Dn: Manually decrease inductance.
- Tune: Initiates memory or full tuning cycle. Momentary push places tuner in bypass.
- PWR Meter: Bargraph display indicates forward power in 0-25 and 0-250 watt ranges.
- SWR Meter: Bargraph display indicates SWR during tuning or transmission.
- Bypass LED: Lights when the tuner is in pass-thru state.
- ANT 2 LED: Lights when Antenna 2 is selected. Is off when Antenna 1 is selected.
Each of the pushbuttons has the primary function listed above when pushed. Additionally, pressing the FUNC button before pressing any other button will activate that button’s secondary function.
The power button on the AT-200ProII actually places the tuner in bypass and enters a lowpower sleep mode, rather than turning the unit fully off. Press the Power button for 3 seconds to turn off, or momentarily to turn on. By default, the tuner turns on at initial application of DC power. When the tuner is off, the antenna selection defaults to bypass with Ant 2 selected.
Back Panel:
The rear panel of the AT-200ProII has six jacks. 
- Ant 2: Connect your primary 50 ohm antenna coax feedline to this SO-239 connector. This antenna is selected and defaults to bypass when the tuner is off or DC power is removed.
- Ant 1: Connect a secondary 50 ohm antenna coax feedline to this SO-239 connector.
- Gnd (wing nut): Connect to the antenna system ground.
- Tx: Connect a 50 ohm jumper coax from this jack to the ANT jack on the rear of the transceiver.
- Radio: (optional) Connect the optional IC-PAC Icom or Yaesu radio interface cable to a supported ICOM or Yaesu radio.
- Power: Connect the supplied DC coaxial power cable to this connector, and connect to a source of 11-16 VDC @ 1A. Center pin is positive.
INSTALLATION
The AT-200ProII is intended for indoor use only; it is not water-resistant. If you use it outdoors, (Special Event Station, for example) you must protect it from rain. The AT-200ProII is designed for use with coax-fed antennas. If use with longwires or ladder-line-fed antennas is desired, an external balun rated to 200 watts is required.
Place the AT-200ProII in a convenient location near the transceiver. Always turn your radio off before plugging or unplugging anything. The radio may be damaged if cables are connected or disconnected while the power is on.
Connect the HF antenna jack on the transceiver to the TX jack on the back of the AT- 200ProII, using a 50 ohm coax cable rated 200 watts or higher.
Connect a 50-ohm antenna feedline coax to the ANT 2 jack on the back of the AT-200ProII, and optionally connect a second antenna feedline to the ANT 1 jack.
The AT-200ProII is designed to interface directly with many popular ICOM and Yaesu transceivers, enabling one button tuning. In the case of ICOM radios, the optional interface cable also powers the tuner.
For ICOM radios supporting the AH-3 or AH-4 external tuner, connect the 4-pin Molex connector of the optional ICOM interface cable to the radio’s Tuner port. Then connect the 1/8” stereo plug on the other end of the ICOM interface cable to the jack marked Radio on the rear of the AT-200ProII. Connect the coaxial DC power plug of the ICOM interface cable to the 12 VDC Power jack.
For Yaesu FT-857 and FT-897, use the optional Y-ACC cable and plug the red end marked Radio into the transceiver’s ACC port. Plug the black end of the Y-ACC cable into the jack marked Radio on the rear of the AT-200ProII.
Unless the AT-200ProII is being powered by the ICOM radio interface cable as above, you’ll also need to plug in the supplied DC coaxial power cable. This cable has a 2.5×5.5mm coaxial plug on the end. Plug the coaxial plug into the 12 VDC Power jack on the rear of the AT200ProII, and connect the other end to a DC power source between 11 and 16 volts DC, capable of supplying up to 1A.
Grounding the AT-200ProII tuner will enhance its performance and safety. LDG recommends that you connect your tuner to a suitable ground. A common ground rod connected to buried radials is ideal, but a single ground rod can provide a serviceable ground. LDG strongly recommends the use of a properly installed, high quality lightning arrestor on all antenna cables.
Note: Optional Y-ACC cable has a red plug on the radio end of the cable, and a black plug on the tuner end. The radio end plugs into the ACC port on the radio.
BASIC OPERATION
Using the Front Panel Buttons
All operations of the AT-200ProII are controlled via the front panel buttons. Although there are a total of eight buttons on the front panel, there are more than eight functions that can be carried out on the AT-200ProII. In order to accommodate the many functions of the AT200ProII, the operation performed by pressing a particular button is determined by the manner in which the button is pressed, and no operation begins until the button is actually released.
The various types of button presses are described here:
Momentary or short press: The button is pressed and released immediately.
Medium Press: The button is held for one-half to 2.5 seconds, and then released.
Long Press: The button is held for more than 2.5 seconds, and then is released.
FUNC -> Button: The FUNC button is pressed first, then the button is pressed momentarily and released. e.g.: FUNC -> Ant means “Press the Func button and release, then press the Ant button and release.”
User Configuration Options
The AT-200ProII offers several user-settable options that allow the behavior of the tuner to adapt to many different operating circumstances. Most of these options are accessed by placing the tuner in Function mode, which is done by pressing and releasing the Func button, and then pressing the desired button to activate the particular configuration option while in function mode.
To confirm entry into Function mode, the AT-200ProII will flash an “up arrow” on the LED display after the Func button is pressed.
Note that none of the Function mode settings are available while RF is being transmitted.
Adjustments made in Function mode must be made while not transmitting.
Function mode times-out after a few seconds if no other button is pushed. Alternately, function mode can be cancelled by pressing the Func button again. In either case, when Function mode is exited, a “down arrow” is displayed on the LED display:
Peak Mode On/Off: The Power display on the LED bargraph can display either average power or peak forward power, in watts. Average mode is suitable for 100% duty cycle modes such as FM, RTTY, or PSK. Peak mode is more useful on modes with varying duty cycle such as SSB or AM. The factory default is average mode.
To toggle between power display modes, press Func -> C Up (Press and release Func, then press and release C Up). Peak mode is indicated by a falling meter display, with the highest power shown as a steady LED while the remaining LEDs fall back to zero. Average mode shows the same display, but without the steady LED showing. Press Func -> C Up repeatedly to toggle between Peak and Average modes.
Wattmeter Scale: The Power LED bargraph displays either 0 to 25 watts or 0 to 250 watts full scale. To toggle between these two scales, press Func -> L Up. The LED marked “25” or “250” will light momentarily to indicate the newly selected scale.
Automatic Tuning Mode: The AT-200ProII may be set for either semi-automatic tuning or fully automatic tuning. In semi-automatic tuning mode, a tuning cycle will not begin unless specifically requested by pressing the Tune button. In fully automatic tuning mode, a tuning cycle will begin any time there is RF present and the SWR exceeds a pre-set level. The default setting is fully automatic tuning mode.
To toggle between semi- and fully automatic modes, press Func -> C Dn. The LED display will show one of the two patterns to indicate which mode has been selected:
Automatic Tune SWR Threshold: When the AT-200ProII is in fully automatic tuning mode, an automatic tuning cycle will begin any time RF is present and the SWR has exceeded a set threshold. This threshold is user-programmable to any value between 1.7:1 and 3.0:1. To set the automatic tune SWR threshold, press Func -> L Dn repeatedly (press Func, then L Dn; Func, then L Dn, and so on…) to cycle through all the options. The SWR threshold will be displayed on the SWR scale momentarily.
The default value of SWR threshold is 2.0:1. The following example shows setting the SWR threshold to 1.7:1.
Antenna Selection: Press the Ant button momentarily to toggle which antenna port is currently active. The ANT 2 LED will light when Antenna 2 is selected, and is off when
Antenna 1 is selected. When toggling the antenna selection, the previous tuning settings for the newly selected antenna are also recalled. This is useful when comparing antenna performance on the same frequency.
Transmitting and Receiving
During receive operation, only the antenna and bypass indicator LEDs are lit on the AT200ProII. During transmit, the forward RF power level is displayed on the PWR bargraph, and the SWR is displayed on the SWR bargraph.
When reading the SWR bargraph, an illuminated LED on the graph means “The SWR is at least this much.” In other words, if the 1.3 LED is lit, it means that the SWR is between 1.3 and 1.5:1. No LEDs lit means the SWR is less than 1.1:1.
Bypass LED
The Bypass LED indicates that all of the inductive and capacitive tuning elements in the tuner are in their zero state. That is, no series inductance is being applied, nor any capacitance in parallel. You can quickly enter into bypass by pressing the TUNE button momentarily. Pressing the TUNE button momentarily again will return the tuner to its previous settings.
The Bypass LED lights any time that all tuning elements are zero. This can happen also if you manually decrease the inductance and capacitance to zero using the front panel buttons, or if a tuning operation results in the inductors and capacitors all being zero. The Bypass LED may even blip on momentarily during tuning, to indicate that the combination of inductors and capacitors being tried at that instant is all zeros.
As soon as even a single tuning element is no longer zero, the Bypass LED extinguishes.
TUNING
Basic Tuning Operation
A tuning cycle on the AT-200ProII is initiated from either the Tune button on the front of the AT-200ProII, an over-SWR condition when in fully automatic tuning mode, or from pressing the TUNER/CALL button on the front of an ICOM radio connected using the ICOM interface cable. Two types of tuning cycles are available.
A memory tuning cycle attempts to tune quickly, based on having previously tuned on the present frequency selection. If the tuner previously was successful in tuning on the currently selected frequency, the settings from that match will be loaded into the tuner relays, and checked to see if an acceptable SWR level is found using these memorized settings.
Memory frequency step sizes vary with the selected band. Steps are very close together on the lower bands, to accommodate the typically higher-Q antennas for those bands, while step size is somewhat larger on the higher (17 meters and up) bands, where antenna Q is typically lower.
A full tuning cycle “starts from scratch,” and begins a fixed tuning sequence, where the AT-200ProII rapidly tries varying combinations of inductance and capacitance values, and then zeroes-in on the best match possible. When the tuning cycle is complete, if an acceptable match was found, the inductance and capacitance settings are saved in a memory associated with the selected frequency and antenna, so that they may be recalled quickly in the future via a memory tuning cycle.
In this manner, the AT-200ProII “learns;” the longer you use it, the more closely it adapts itself to the bands and frequencies you use. Most users will probably use memory tuning most of the time; it takes advantage of any saved tuning settings, but automatically defaults to a full tuning cycle if no stored data is available.
Manual Memory Tune
To initiate a memory tuning cycle at any time, press and hold the Tune button for 0.5 to 2.5 seconds (medium button press) and release. The LED bargraph display will show the following pattern to indicate a memory tune cycle is selected:
If you are using the optional ICOM or Yaesu interface cable, your radio will automatically reduce power, switch to CW mode, and transmit for as long as is needed to complete the tuning cycle, and then will return to the previous operating mode and power level when done.
If you are not using the optional ICOM or Yaesu radio interface cable, you will need to key the radio manually in AM, SSB, or CW mode. Note that if your radio does not incorporate an SWR rollback circuit2 , you will first need to reduce power to 25 watts or less. In no case should you transmit more than 150 watts during tuning.
If the memory tune is not successful, the AT-200ProII falls through to full tuning cycle. At the end of a tuning cycle, the LEDs cycle inwards to indicate a successful tune. You may then begin transmitting.
If using the AT-200ProII with an ICOM transceiver connected with the ICOM interface cable, pressing the TUNER/CALL button on the transceiver initiates a memory tuning cycle.
The AT-200ProII will not tune if the transmit power is over 150 watts, or if the transmit power exceeds 100 watts during high SWR conditions, in order to protect the switching relays.
Manual Full Tune
As with the memory tuning cycle, if your radio is not equipped with a rollback circuit, reduce power to 25 watts or less before tuning. To explicitly initiate a full tuning cycle, press and hold the Tune button on the AT-200ProII front panel for more than 2.5 seconds. The LEDs will display the following pattern to confirm a full tuning cycle is requested:
If you are using one of the optional radio interface cables, the radio will automatically reduce power, switch to CW mode, and begin transmitting while the full tuning cycle is in progress. If not, key the radio (Talk into the mic on SSB or AM, close the key on CW) until the tuning cycle is complete. As with the memory tuning cycle, when the tuning cycle is complete, the LEDs will scan inward to indicate a successful tune.
Bypass
The AT-200ProII may be placed in bypass by pressing the Tune button momentarily (less than 0.5 second). Bypass places the tuner in a pass-thru configuration, where the tuner behaves like a coax jumper, not affecting the antenna match. Bypass may be useful for comparing the effect of the AT-200ProII’s tuning versus the unmatched antenna system. Pressing Tune momentarily again will return the tuner to active mode, and the relay settings of the previous match will be restored. When in bypass, the Bypass LED is lit. As soon as any tuning element is changed away from it zeroed condition, the Bypass LED will extinguish.
2 An SW R roll back circuit automatically reduces the output power level when high SWR is present. Check your radio’s manual to see if your radio uses a roll back circuit.
If an ICOM radio and interface cable is used, the AT-200ProII may also be bypassed by pressing the TUNER/CALL button momentarily. On some models of ICOM radios, changing bands will also automatically bypass the tuner.
Error Indication
When performing a tuning cycle, there are several conditions that may occur that cause the tune to fail. All are reported as an error, via blinking the front panel LEDs in a particular fashion.
The following errors are reported:
- ERR_NO_MATCH: Unable to find a suitable match. Upon completing an entire full tuning cycle, no combination of inductors and capacitors was able to bring the SWR below 3.5:1.
- ERR_NO_RF: No RF power was present at the beginning of a tuning cycle. In other words, the Tune button was pressed to request a tune cycle, but the transmitter was not keyed up.
- ERR_LOST_RF: RF power disappeared before the tuning cycle completed. You must continue to key the radio until the tuning cycle completes.
- ERR_NO_FREQ: Unable to determine operating frequency. In order to store a memory match, the frequency of the transmitted RF must be known.
- ERR_OVER_PWR / ERR_SWR_PWR: Relay protection activated. Because the relays may be damaged if they are switching during high power operation, software prevents the relays from toggling under certain conditions. Relays will not toggle if the SWR is over 3.0:1 and the power is over 100 watts, and will not toggle if the power is over 150 watts regardless of the SWR.
The diagrams on the next page show what the various error indications look like.
Additionally, if the forward power exceeds the maximum value selected for the meter scale, the PWR LEDs will blink an over-range condition. The four right-most LEDs of the PWR bargraph will cycle during over-range. 
ADVANCED OPERATION
Manual Inductor/Capacitor Adjustments
In some rare cases, after tuning, it may be desirable to adjust the inductance and capacitance settings that the AT-200ProII came up with during the tuning process. This is more likely to occur when attempting to tune an antenna far from its resonant frequency.
The C Up, C Dn, L Up, and L Dn buttons may be used to increase or decrease the amount of capacitance or inductance, respectively. A momentary press of any of these buttons increases or decreases the value by one unit, and displays the resulting value on the bargraph meter. Capacitance value is displayed on the PWR bargraph, and inductance on the SWR bargraph. These values are displayed in binary, left justified. The lowest-order relay is displayed on the leftmost LED. The rightmost LED on the PWR bargraph displays the state of the High/Low Impedance relay.
Repeatedly press one of these buttons to increase or decrease multiple times, or simply hold the button and the button will auto-repeat. You may also transmit while increasing or decreasing, so that the SWR value is displayed, but the capacitor and inductor values will not be displayed during transmit; instead, the power and SWR levels are displayed.
High/Low Z Relay Adjustment
In addition to being able to manually control the inductor and capacitor value of the AT200ProII, it is also possible to manually set the high/low impedance relay, which determines whether the tuner is an L-C configuration or a C-L configuration. To toggle the state of the high/low impedance relay, press Func -> Ant. The LED display will show one of two patterns to confirm the setting. If you allow the tuner to automatically tune, it will disregard your manual setting of the Hi-Lo/Z relay.
Manual Memory Store
Once manual adjustments are complete, press Func -> Tune (that is, press Func momentarily, then Tune momentarily) to store the current relay settings in the memory associated with the frequency last transmitted upon.
Status Check
The status of most user settings can be checked by pushing and holding the Func button while pressing the relevant button for that setting. For example, to check to see what the current SWR threshold value is, without changing the value, press and hold the Func button, and while still holding the Func button, press the L Dn (Thresh) button. The display will show the currently selected SWR threshold value.
While holding the Func button, the bargraph display will show the following pattern, to indicate that the AT-200ProII is waiting for you to push a button to check its status:
The following status items can be checked:
| Fun(‘ Hold + This button | Status check |
| C LT / Peak | Display Peak/Avg setting |
| C Dn / Auto | Display Auto/Semi setting |
| L Up / Scale | Display Power meter scale |
| L Dn / Thresh | Display SWR tuning threshold |
| ANT / HILoZ | Display High / Low Impedance |
APPLICATION NOTES
Mobile Operation
The AT-200ProII is perfectly suited to mobile operation. It can be installed under the dashboard along with the transceiver, or mounted remotely. The only requirements are that the tuner remains dry, and that the power source is fused appropriately. A 2 amp “fast blow” fuse is recommended.
If the ICOM or Yaesu radio interface cable is needed for a remote installation, the cables can be extended in two ways. The original cable can be cut, and jumper wires soldered between all the connections, or new connectors can be purchased and a pair of homebrew extender cables made with the new connectors.
With the AT-200ProII mounted, for example, in the trunk, simply set the AT-200ProII for fully automatic mode. It will automatically tune any time the SWR exceeds the preprogrammed threshold. Although the LED display will not be visible in the trunk of the car, your transceiver’s built-in SWR meter will show the tuner’s progress. Remember to keep your eyes on the road, however! In most cases, a match will be recalled from memory, so the SWR will snap to a low value as soon as you begin to transmit.
Internally Generated RF Noise
The AT-200ProII is microprocessor controlled, and as such, generates a small amount of RF noise when the processor is active. Normally, the processor is only active during transmit operation, so the noise is not normally heard; however, if Peak mode is selected, the processor remains active for a moment after key-up, to allow the LEDs to settle back down to zero. You may briefly hear some noise in your receiver during this time. This is normal, and is noticeable the most when using CW in full break-in, with Peak mode selected. In practice, this should not be much of a problem, as Peak mode is not very useful when using CW.
MARS/CAP Coverage
The AT-200ProII provides continuous tuning coverage from 1.8 MHz to 54.0 MHz, not just inside the ham bands. This makes it useful for MARS or CAP operation, or any other legal HF operation.
Application Hint for Tuning with the Kenwood TS-480HX
On the Kenwood TS-480HX 200 watt radio, a built in feature of the radio makes it easy to tune quickly and safely. The TS-480HX has a programmable function key (PF key) on the front panel, that can be programmed to transmit a low power tuning carrier.
To program this key for use as a tuning carrier button, press the MENU button on the front of the TS-480HX. Rotate the MULTI knob until menu #48 “FRONT PANEL PF KEY ASSIGNMENT” is showing.
Now press the up or down arrow button above the MULTI knob until 67 is showing. Press the MENU button again to return to normal operation.
Pressing the PF key on the radio will now begin transmitting a low power tuning carrier which is suitable for tuning with the AT200ProII. Press the PF key again when the tuning cycle ends, to stop transmitting the carrier.
If the AT200ProII is in fully automatic mode, pressing the PF key is all that is required to begin tuning on a newly selected frequency. In semi-automatic mode, press and hold the TUNE button on the tuner for one second, then press the PF key to begin transmitting a tuning carrier. Remember to press the PF key again when the tuning cycle is complete, to stop transmitting the carrier. 
THEORY OF OPERATION
Some basic ideas about impedance
The theory underlying antennas and transmission lines is fairly complex, and in fact employs a mathematical notation called “complex numbers” that have “real” and “imaginary” parts. It is beyond the scope of this manual to present a tutorial on this subject3, but a little background will help in understanding what the AT-200ProII is doing, and how it does it.
In simple DC circuits, the wire resists current flow, converting some of it into heat. The relationship between voltage, current, and resistance is described by the elegant and well-known “Ohm’s Law”, named for Georg Simon Ohm of Germany, who first discovered the principle in 1826. In RF circuits, an analogous but more complicated relationship exists.
RF circuits also resist the flow of electricity. However, the presence of capacitive and inductive elements causes the voltage to lead or lag the current, respectively. In RF circuits, this resistance to the flow of electricity is called “impedance”, and can include all three elements: resistive, capacitive, and inductive.
The output circuit of a transmitter consists of inductors and capacitors, usually in a series/parallel configuration called a “pi network”. The transmission line can be thought of as a long string of capacitors and inductors in series/parallel, and the antenna is a kind of resonant circuit. At any given RF frequency, each of these can exhibit resistance, and impedance in the form of capacitive or inductive “reactance”.
Transmitters, transmission lines, antennas, and impedance
The output circuit of a transmitter, the transmission line, and the antenna, all have a characteristic impedance. For reasons beyond the scope of this document, the standard
impedance is nominally 50 ohms resistive, with zero capacitive and zero inductive components. When all three parts of the system have the same impedance, the system is said to be “matched”, and maximum transfer of power from the transmitter to the antenna occurs. While the transmitter output circuit and transmission line are of fixed, carefully designed impedance, the antenna presents 50-ohm, non-reactive load only at its natural resonant frequencies. At other frequencies,
3 For a very complete treatment of this subject, see any edition of the ARRL Handbook for Radio Communications (previously the Handbook For Radio Amateurs).
it will exhibit capacitive or inductive reactance, causing it to have an impedance other than 50 ohms.
When the impedance of the antenna is different from that of the transmitter and transmission line, a “mismatch” is said to exist. In this case, some of the RF energy from the transmitter is reflected from the antenna back down the transmission line and into the transmitter. If this reflected energy is strong enough, it can damage the transmitter’s output circuits.
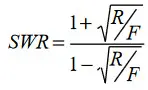
| FWD Power [watts] | |||||||||
| REV | 20 | 30 | 40 | 50 | 60 | 70 | 80 | 90 | 100 |
| 2 | 1.92 | 1.70 | 1.58 | 1.50 | 1.45 | 1.41 | 1.38 | 1.36 | I.43 |
| 4 | 2.62 | 2.15 | 1.92 | 1.79 | 1.70 | 1.63 | 1.58 | 1.53 | 1.5D |
| 6 | 3.42 | 2.62 | 2.28 | 2.06 | 1.92 | 1.83 | 1.75 | 1.70 | 1.65 |
| 8 | 4.44 | 3.14 | 2.62 | 2.33 | 2.15 | 2.02 | 1.92 | 1.85 | 1.79 |
| 10 | 5.83 | 3.73 | 3.0D | 2.62 | 2.38 | 2.22 | 2.09 | 2.DD | 1.92 |
| 12 | 7.87 | 4.44 | 3.42 | 2.92 | 2.62 | 2.41 | 2.26 | 2.15 | 2.06 |
| 14 | 11.24 | 5.31 | 3.90 | 3.25 | 2.87 | 2.62 | 2.44 | 2.30 | 2.20 |
| 16 | 17.94 | 6.42 | 4.44 | 3.60 | 3.14 | 2.83 | 2.62 | 2.46 | 2.33 |
| 18 | 37.97 | 7.87 | 5.0B | 4.00 | 3.42 | 3.06 | 2.80 | 2.62 | 2.47 |
| 20 | 9.90 | 5.83 | 4.44 | 3.73 | 3.30 | 3.00 | 2.78 | 2.62 | |
| 22 | 12.92 | 6.74 | 4.94 | 4.07 | 3.55 | 3.21 | 2.96 | 2.77 | |
| 24 | 17.94 | 7.87 | 5.51 | 4.44 | 3.83 | 3.42 | 3.14 | 2.92 | |
| 26 | 27.96 | 9.32 | 6.17 | 4.85 | 4.12 | 3.65 | 3.32 | 3.08 | |
| 28 | 57.98 | 11.24 | 6.95 | 5.31 | 4.44 | 3.90 | 3.52 | 3.25 | |
| 30 | 13.93 | 7.87 | 5.83 | 4.79 | 4.16 | 3.73 | 3.42 | ||
| 32 | 17.94 | 9.00 | 6.42 | 5.18 | 4.44 | 3.95 | 3.6D | ||
| 34 | 24.63 | 10.40 | 7.08 | 5.60 | 4.75 | 4.19 | 3.8D | ||
| 36 | 37.97 | 12.20 | 7.87 | 6.07 | 5.08 | 4.44 | 4.00 | ||
| 38 | 77.99 | 14.60 | 8.80 | 6.60 | 5.44 | 4.71 | 4.21 | ||
| 40 | 17.94 | 9.90 | 7.19 | 5.83 | 5.DD | 4.44 | |||
| 42 | 22.96 | 11.24 | 7.87 | 6.26 | 5.31 | 4.68 | |||
| 44 | 31.30 | 12.92 | 8.65 | 6.74 | 5.65 | 4.94 | |||
| 46 | 47.98 | 15.08 | 9.56 | 7.27 | 6.02 | 6.22 | |||
| 48 | 97.99 | 17.94 | 10.63 | 7.87 | 6.42 | 5.51 | |||
| 50 | 21.95 | 11.92 | 8.55 | 6.85 | 5.83 | ||||
The ratio of transmitted to reflected energy is called the “standing wave ratio”, or SWR. An SWR of 1 (sometimes written 1:1) indicates a perfect match. As more energy is reflected, the SWR increases to 2, 3, or higher. As a general rule, modern solid state transmitters must operate with an SWR of 2 or less. Tube exciters are somewhat more tolerant of high SWR. If a 50 ohm antenna is resonant at the operating frequency, it will show an SWR close to 1. However, this is usually not the case; operators often need to transmit at frequencies other than resonance, resulting in a reactive antenna and a higher SWR.
where F = Forward power (watts), R = Reflected power (watts)
SWR is measured using a device called an “SWR bridge”, inserted in the transmission line between the transmitter and the antenna. This circuit measures forward and reflected power from which SWR may be calculated (some meters calculate SWR for you). More advanced units can measure forward and reflected power simultaneously, and show these values and SWR at the same time.
An antenna tuner is a device used to cancel out the effects of antenna reactance. Tuners add capacitance to cancel out inductive reactance in the antenna, and vice versa. Simple tuners use variable capacitors and inductors; the operator adjusts them by hand while observing reflected power on the SWR meter until a minimum SWR is reached. The LDG Electronics AT-200ProII automates this process.
No tuner will fix a bad antenna. If the antenna is far from resonance, the inefficiencies inherent in such operation are inescapable; it’s simple physics. Much of the transmitted power may be dissipated in the tuner as heat, never reaching the antenna at all. A tuner simply “fools” the transmitter into behaving as though the antenna was resonant, avoiding any damage that might otherwise be caused by high reflected power. For best performance, the antenna used should always be as close to resonance as is practical.
THE LDG AT-200PROII
In 1995, LDG Electronics pioneered a new type of automatic antenna tuner. The LDG design uses banks of fixed capacitors and inductors, switched in and out of the circuit by relays under microprocessor control. An additional relay switches between high and low impedance ranges. A built-in SWR sensor provides feedback; the microprocessor searches the capacitor and inductor banks, seeking the lowest possible SWR. The tuner is a “Switched L” network, consisting of series inductors and parallel capacitors. LDG chose the L network for its minimum number of parts and its ability to tune unbalanced loads, such as coax-fed dipoles, verticals, Yagis, and, in fact, virtually any coax-fed antenna.
The series inductors are switched in and out of the circuit, and the parallel capacitors are switched to ground under microprocessor control. The high/low impedance relay switches the capacitor bank either to the transmitter side of the inductor bank, or to the antenna side. This allows the AT-200ProII to handle loads that are either greater than or less than 50 ohms. All relays are sized to carry 250 watts PEP.
The SWR sensor is a variation of the Bruene circuit. This SWR measuring technique is used in most dual-meter and direct-reading SWR meters. Slight modifications were made to the circuit to provide voltages instead of currents for the analog-to-digital converters that provide signals proportional to the forward and reflected power levels. The single-lead primary through the center of the sensor transformer provides RF current sampling. Diodes rectify the sample and provide a DC voltage proportional to RF power. These two voltages are read by the ADCs in the microprocessor, and are used to compute SWR in real time.
Although the microprocessor’s oscillator runs at 32 MHz, which allows the main tuning routine to execute in only a few microseconds, however the relays require several milliseconds of settling time whenever a combination of inductors and capacitors is changed. Thus, it may take several seconds before all relay combinations are exhausted, in the case of a difficult tune. The tuning routine uses an algorithm to minimize the number of tuner adjustments. The routine first sets the tuner to bypass, then individually steps through the inductors to find a coarse match. With the best inductor selected, the tuner then steps through the individual capacitors to find the best coarse match. The routine then fine tunes the inductors and capacitors. The program checks LC combinations to see if a 1.5:1 or lower SWR can be obtained and stops when it finds the best match.
The microprocessor runs a fine tune routine just after the tuner finds a match of 1.5:1 or less. This fine tune routine now tries to the SWR as low as possible (not just to 1.5) and it takes about half a second to run.
QUICK REFERENCE
| Button | Primary Function | Func -> Button | Status Check (Func Hold + Button) |
| Tune | Full Tune (Long Press) Memory Tune (Medium Press) Bypass (Short Press) | Manually Store Tuning Parameters | Disphy Relay Setting |
| Ant | Toggle Antenna Selection | Toggle High/Low Impedance | Display High/Low Impedance |
| C Up | Increase Capacitance | Toggle Peak / Average Power | Display PWR Meter Mode |
| C Dn | Decrease Capacitance | Toggle Auto / Semi Mode | Display Auto / Semi Selection |
| L Up | Increase Inductance | Set PWR Meter Scale | Display PWR Meter Scale |
| L Dn | Decrease Inductance | Set Auto Tuning SWR Threshold | Display Auto. Timing SWR Threshold |
| Font | Select Secondary Button Functions |
A WORD ABOUT TUNING ETIQUETTE
Be sure to use a vacant frequency when tuning. With today’s crowded ham bands, this is often difficult. However, causing interference to other hams should be avoided as much as possible. The AT-200ProII’s very short tuning cycle, as little as a fraction of a second, minimizes the impact of tuning transmissions. It is much, much faster than the old days of tuning up with a manual tuner.
CARE AND MAINTENANCE
The AT-200ProII tuner is essentially maintenance-free. Power limits in this manual should be strictly adhered to. The outer case may be cleaned as needed with a soft cloth slightly dampened with household cleaning solution. As with any modern electronic device, the AT200ProII can be damaged by temperature extremes, water, impact, or static discharge. LDG strongly recommends the use of a good quality, properly installed lightning arrestor in the antenna lead.
TECHNICAL SUPPORT
The LDG customer support staff is ready to answer your product question by telephone and by e-mail. We know that you will enjoy your product even more knowing LDG is ready to answer your questions as the need arises.
LDG regularly updates on-line information so the best on-line support information is available all day and every day.
The LDG website provides links to product manuals, just in case you lose this one! When you are thinking about the purchase of other LDG products our website also has complete product specifications and photographs you can use to help make your purchase decision. Don’t forget the links to all of the quality LDG Dealers also ready to help you make that purchase decision.
TWO-YEAR TRANSFERRABLE WARRANTY
Your product is warranted against manufacturer defects in parts and labor for two full years from the date of purchase. This two-year warranty is also transferable. When you sell or give away your LDG product, give the new owner a copy of the original sales receipt and the twoyear warranty goes with the new owner.
There is no need to complete a warranty card or to register an LDG product. Your product receipt establishes eligibility for warranty service, so save that receipt. Send your receipt with the product whenever you send your product to LDG for repair. Products sent to LDG without a receipt are considered requests for out-of-warranty repair.
LDG does not warranty against product damage or abuse. This means that a product failure, as determined by LDG, to be caused by the customer or by other natural calamity (e.g. lightning) is not covered under the two-year warranty. Damage can be caused by failure to heed the product’s published limitations and specifications or by not following good Amateur practice.
OUT OF WARRANTY SERVICE
If a product fails after the warranty period, LDG wants to help you get it fixed. Send the product to us for repair any time you like. We will determine what needs to be done and based on your instructions, either contact you with an estimate or fix it and contact you with a request to pay any repair charges.
RETURNING YOUR PRODUCT FOR SERVICE
Returning a product to LDG is easy. We do not require a return merchandise authorization, and there is no need to contact LDG to return your product. Visit the LDG web site and download the LDG Product Repair Form. On the Repair Form tell the LDG technicians exactly what happened or didn’t happen and why you believe the product needs servicing. The technician attempts to duplicate the problem(s) you had based on how well you describe it so take the time to be accurate and complete.
Ask your shipper for a tracking number or a delivery verification receipt. This way you know the product arrived safely at LDG. Be sure to give us your email address so our shipper can alert you online when your product is en-route back to you. Please be assured that our staff makes every effort to complete repairs ahead of our published wait time. Your patience is appreciated.
Repairs can take six to eight weeks, but are usually faster. The most recent information on returning products for service is found on the LDG website under Support, then Tech Support. Send your carefully packaged unit with the Repair Form to:
LDG Electronics, Inc.
Attn: Repair Department
1445 Parran Rd
St. Leonard, MD 20685
PRODUCT FEEDBACK
We encourage product feedback! Tell us what you really think of your LDG product. In a card, letter, or email (preferred) tell us how you used the product and how well it worked in your application. Send along a photo or even a schematic or drawing to illustrate your narrative. We like to share your comments with our staff, our dealers, and even other customers at the LDG website:
http://www.ldgelectronics.com/

LDG Electronics
1445 Parran Road
St. Leonard MD 20685-2903 USA
Phone: 410-586-2177
Fax: 410-586-8475
[email protected]
www.ldgelectronics.com


















