
Installation & Operations Manual

Emergency Tower Phone
- 2100-TSL Landline Solar Tower
- 2100-TSC Cellular Solar Tower
- 2100-TSV VoIP Solar Tower
- 2100-TSW Wi-Fi VoIP Solar Tower
N56W24720 N. Corporate Circle Sussex, WI 53089
800-451-1460 www.rathcommunications.com

Made in the USA
2 Year Warranty

Thank you for purchasing RATH’s Solar Tower Phone. We are the largest Emergency Communication Manufacturer in North America and have been in business for over 35 years.
We take great pride in our products, service, and support. Our Emergency Products are of the highest quality. Our experienced customer support teams are available to remotely assist with site preparation, installation, and maintenance. It is our sincere hope that your experience with us has and will continue to surpass your expectations.
Thank you for your business,
The RATH®Team
Description

Features:
- ADA compliant (hands-free operation)
- LED call status indicator
- Powder-coated steel construction inside and out
- Aluminum access panels powder coated inside and out
- Weather and vandal resistant
- Blue beacon and strobe
- Strobe turns on upon phone activation
- Recessed illuminated faceplate
- Internal anchor base plate
- 4-hour phone battery backup*
- 145-watt solar panel
- 90 amp hour battery
- Ability to program up to 5 emergency numbers
- Remote or on-site programmable*
- Panels secured with security screws
- Torx bit provided to access panel
*Not applicable for Cellular application
Tower Specifications:
| Height | 11’ (with solar panel) |
| Width | 10-3/4” |
| Depth | 6” |
| Thickness of Steel | 11 Gauge |
| Weight | 395 lbs. |
Safety Guidelines
- Save these instructions. This manual contains important instructions that will assist you during installation and with maintenance.
- Keep all the components secure and protected during storage.
- Be careful of finished surfaces during transport and installation to avoid damaging the finish.
- Installation and maintenance should only be performed by qualified electricians.
- It is recommended that a minimum of 2 people perform the installation.
- Do not install phones during extreme weather conditions.
- Do not touch uninsulated phone wires or terminals unless the phone line has been disconnected at the network interface.
Tower Site Preparation
1. Concrete mounting pad should be at least 16” in depth and 2’ in diameter.
2. Insert the 3/4” x 12” galvanized rods per mounting template provided.
3. A minimum of 2” of the thread must be exposed above the level of the concrete.
4. Let the concrete set for a minimum of 48 hours to cure.
Items Needed for Installation
- Concrete for 16” deep, 2’ diameter slab
- RATH ® Kit 7476* or 7477**
- #1 Phillips screwdriver
- 1/4” driver
- Torx bit (provided to remove Access Panels)
- 1/4” spanner adapter (provided to remove Access Panel 1)
- Adjustable wrench
- Analog phone line (if using a Landline)
- Phone cable (if using a Landline)
*7476 (For New Concrete)
- (4) 3/4” x 12” galvanized anchor bolts
- (12) 3/4” flat washers
- (4) 3/4” hex nuts
- (4) 3/4” SAE washers
- (4) split lock washers
**7477 (For Existing Concrete)
- (4) anchors
- (4) 3/4” x 4” galvanized anchor bolts
- (1) setting tool
- (8) 3/4” flat washers
- (4) split lock washers
Tower and Solar Panel Installation
- Lay the Tower on one side with the base of the Tower next to the concrete pad, protecting the Tower’s surface.
- Assemble solar/strobe tube to the top of the Tower using the four bolts, flat washers, and lock washers.
The mounting hardware is in a bag attached to the solar tube. - The solar panel bracket comes with all hardware tightened to prevent any disconnections in transit.
Loosen (do not remove) all hardware connections EXCEPT the four connections on the inner bracket as shown below. These four connections are the factory preset solar panel angle.
- Mount solar panel bracket to solar/strobe tube. Make sure the bracket will be facing south once secured to the tube. Use the three provided hose clamps.

- Mount solar panel to solar panel bracket. Use the four sets of hardware provided (bolt/lock, nut/washer).
- IMPORTANT: Tighten all screws on the solar panel mounting bracket and solar panel once the panel has been attached to the bracket.
- Solar panel position is preset to winter months due to lower amounts of sunlight. We recommend you keep it at the factory preset angle.

- Open up the black electrical box on the back of the solar panel by removing the screws. Open up the “knock out” that will be facing the ground. Connect the power cable leading out of the solar tube through the “knock out” and attach to the terminals in the electrical box. Connect red to positive and black to negative which are the outer two terminals. Secure the weather-tight connection to the box and reattach the cover by installing the screws.

- Using a voltmeter, measure across the positive and negative contacts to confirm the panel is generating approximately 20 volts on a sunny day.
- Align the Tower mounting holes with the 3/4” galvanized rods and lift them onto the concrete slab. Put a lock washer on each along with a nut and secure tightly.
Battery Installation

- Remove Access Panel 2 (see Figure 1).
- Install battery shelf in Tower. The sides of the shelf align with slots in the bottom of the Tower.
- Install battery on a shelf in Tower. Mount so that the power cable connection is on top of the battery.
- Connect the power cables to the battery, red to positive and black to negative.
Note: Batteries that will not be installed within 90 days should be connected to RATH ® Charger #RP7700100AV. Failure to do this may result in the battery not working correctly upon installation or shortening the battery life.
Adjusting the Photocell (If Equipped):
- Slide the cover to the proper position on the photocell in order for the blue light to be lit at the proper time (see drawing below). The cell may need to be partially covered if the Tower is near a light source.

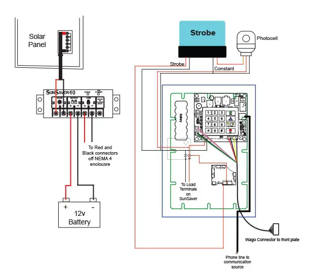
Solar Panel Wiring and Testing:
- Open Access Panel 1 (see Figure 1) using the Torx bit to remove the security screws.
- Remove the cover of the NEMA 4 enclosure by loosening the four corner screws.
- Locate the Sun Saver in the NEMA 4 enclosure (see drawing below).
- Using a voltmeter, check each set of terminals for Solar, Battery, and Load. If voltage is low, recheck connections.
The voltage for each terminal should measure between:
Solar Terminals: 19v – 26v
Battery Terminals: 11v – 17v
Load Terminals: 11v – 13v

Communication
Landline:
To connect your analog phone line to the Tower:
- Open Access Panel 1 (see Figure 1) using the Torx bit to remove the security screws.
- Locate the gray phone cable coming out of the NEMA 4 box.
- Connect the gray phone cable to the phone cable that was run through the conduit either by connecting the modular jack or the red and green wires.
LTE Cellular (Units Are Carrier Specific):
- Open the Cellular Gateway by unscrewing the screw on the left side of the front cover with a Phillips screwdriver and gently pull up on the left side.
- Insert standard size SIM card (25mm x 15mm) into J4 with the perforated edge first and the gold contact side facing downward. Push until you hear it click. If the SIM card does not click into place, the wrong size SIM card is being used.
Note: Do NOT use nano or micro size SIM cards with an adapter. The adapter edge can catch and cause permanent damage. - Wait for the LED lights to turn on. Check the SIM LED to make sure it is amber-colored. If it is flashing red, check that the SIM card has been inserted correctly and has an active 4G data/voice plan.
- A signal strength test is recommended. Check the signal strength by using the built-in network signal strength scanner. To use the scanner function, turn on SW1 dip switch 1 to ON (check that dipswitch 4 is also ON). When finished, turn SW1 dipswitch 1 back to “OFF”.

- The RUN LED should change color to flashing green when the main power connection is made. If you see any other color, please consult the LED indication chart below.

- Place the lid back on the top of the Cellular Gateway and fasten the lid with the screw.
| RUN LED FLASHES GREEN | POWER SUPPLY IS OK |
| BAT LED IS ALWAYS ON | BATTERY IS OK |
| SIM LED IS AMBER | THE DEVICE IS CONNECTED TO THE NETWORK |
| COVERAGE LED IS GREEN OR AMBER | GOOD COVERAGE |
| SLIC LED IS GREEN | THE DEVICE IS ON STANDBY |
VoIP & Wi-Fi VoIP:
See additional manual.
Phone Programming
- You can program the phone on-site or remotely.
Note: Cellular applications cannot be remotely programmed. - If programming on-site, remove the faceplate (see Figure 1).
- Remove the cover of the NEMA 4 enclosure by loosening the 4 corner screws.
On-Site Programming:
Step 1: To Begin Program Mode
A. Press Enter
Step 2: To Program Emergency Numbers
A. Press 1, Enter, (phone number), Stop
Note: Press 2-5 in step 2A for emergency numbers 2-5 as needed
Step 3: To Program Location Message
A. To turn on the message Press 1, 3, Enter, 2
B. Press 6, Record (speak message) Stop (to replay message Press 6, Play)
C. For no message Press 1, 3, Enter, 0
Step 4: To Program Auto Disconnect Time (Default is 5 minutes, the lowest interval is 1 minute)
A. Press 8, Enter, (3 digit number in minutes)
Ex: 2 minutes = 002
Step 5: To Exit Program Mode
A. Press Stop for 3 seconds

Remote Programming:
Step 1: To Begin Program Mode
A. Call into the phone by dialing the number of the Tower
B. After first simulated ring, Press #, # (Wait for 4 tones)
C. Key in security code (Default is 1111) (Wait for confirmation tones)
Step 2: To Program Emergency Numbers
A. Press 1, *, (Phone number), *, # (Wait for confirmation tones)
Note: Emergency numbers (2-5) repeat step 2A pressing (2-5) as needed
Step 3: To Program Location Message
A. To turn on message press 1, 3, *, 2 (Wait for confirmation tones)
B. Press 6, *, (Speak message) #, *, # (Wait for confirmation tones)
i. To replay message Press 6, # (Wait for confirmation tones)
C. For NO message Press 1, 3, *, 0 (Wait for confirmation tones)
Step 4: To Program Auto Disconnect Time (Default is 5 minutes, the lowest interval is 1 minute)
A. Press 8, *, (3 digit number in minutes)
Ex: 2 minutes = 002
Step 5: To Exit Program Mode
A. Press *, #, 0 (You will hear a beep, beep) *, # (You will hear a buzz)
Phone Testing
Push the emergency button on the front of the Tower:
| Did you hear a dial tone? | Yes | No |
| Did the strobe start flashing immediately after the button was pushed? | ||
| Did the red LED become a solid light when you pushed the button? | ||
| Did the red LED flash and approximately 15-20 seconds later the called party started talking to you? (Delay is due to the phone telling the other party your location via the “Location Message”) | ||
| Can you hear the other party clearly? (If not, see “Adjust Speaker” below) | ||
| Can the other party hear you clearly? (If not, see “Adjust Microphone” below) | ||
| When the party you called hangs up, does the strobe stop? | ||
| If you have answered YES to all questions, you have successfully installed and tested the phone. If you answer NO to any question, proceed to the Troubleshooting Section. |
* RATH®recommends the Tower phone be tested on a regular basis to ensure proper operation.
* RATH ® recommends the 12-volt battery be replaced every 2 years. (Part #: RP7700084A)
Adjusting the Volume
If the volume is too low or high, adjust it by referring to the diagram and instructions below.
Note: Refer to the instructions under “Programming the Phone” to access the circuit board.

Adjusting the Microphone:
If the person you are calling reports your voice is not loud enough, increase the Microphone Sensitivity by adjusting VR2 a 1/4 turn clockwise (requires a small Phillips screwdriver).
Adjusting the Speaker:
If the voice of the person you call is not loud enough in the phone speaker, increase the volume by adjusting VR1 a 1/4 turn clockwise.
Troubleshooting
| Problem | Possible Cause & Solutions |
| No dial tone when the button is pushed: | •Check to make sure the phone line is connected to the SmartPhone board. |
| Audio is low from the speaker: | •Speaker control needs to be adjusted. Go to ‘Speaker Adjustment* on page 9. •Make sure the speaker holes are not blocked. |
| Audio is distorted from the speaker: | •Speaker control needs to be adjusted. Go to ‘Speaker Adjustment- on page 9. •Make sure there are no items touching the speaker inside the Tower. |
| When the called party hangs up. strobe continues to flash: | •Phone company or phone system is not providing a disconnect signal. Contact the appropriate party to make sure the disconnect signal is provided. •Press *. # to simulate disconnect signal. |
| When the called party hangs up. strobe continues to flash for one minute: | •Slow disconnecting signal from the communication source. This is considered a normal operation. |
| When the called party hangs up. the busy signal is heard through the speaker: | •Phone company or phone system is not providing a disconnect signal. •Operator needs to press ‘. # to disconnect the call. •Disconnect time on the phone needs to be lowered (see page 8). |
| The tower appears non-functional. Strobe does not flash and no audio is heard from the speaker when the button is pushed: | •Access the waterproof enclosure containing the Sun Saver Regulator located behind the faceplate (see Figure 1). •Disconnect the two wires connected to the “solar terminals. Using a voltmeter. measure the voltage across the two terminals. It should read approximately 20 volts dc on a sunny day. If voltage is low or 0. the panel may be damaged. •Disconnect the two wires connected to the “battery terminals on the Sun Saver Regulator. Using a voltmeter, measure the voltage across the two terminals. It should be 12.8 volts dc. If voltage is low. the battery may not be getting charged or holding a charge. If voltage is O. check to make sure the battery is connected properly. •Verify 12 volts are going to the SmartPhone board. |
| Tower works in the afternoon but not at night or early in the morning: | •Be sure the solar panel is not shaded by trees or other objects. •Access the waterproof enclosure containing the Sun Saver Regulator located behind the faceplate (see Figure 1). •Disconnect the two wires connected to the “solar terminals. Using a voltmeter. measure the voltage across the two terminals. It should read approximately 20 volts dc on a sunny day. If voltage is low or O. the panel may be damaged. •Disconnect the two wires connected to the ‘battery terminals on the Sun Saver Regulator. Using a voltmeter. measure the voltage across the two terminals. It should be 12.8 volts dc. If voltage is low, the battery may not be getting charged or holding a charge. If voltage is 0. check to make sure the battery is connected properly. |
| Blue light stays on constantly. even though it should only be on at night. | •Check photocell adjustment on page 6. •Cover the opening of the photo-eye. The blue light should go out. If the light stays lit. the photodiode may be damaged. |
Wiring



























