schweigen UM1170-9S Rangehood

Welcome
Thank you for purchasing your new Schweigen rangehood.
To get the maximum output from this unit, please read through this guide before use.
The guide contains important information on the use and maintenance of the unit, as well as important safety notes. This will ensure your personal safety and the lasting value of your rangehood.
Please always retain your proof of purchase to aid in any warranty queries.
If you are unable to locate your warranty card, one is available to download from our website
www.schweigen.com.au.
This appliance and its packaging are produced by processes that minimise waste and respect the environment.
Please help us to continue this effort to protect the environment by using the appliance efficiently and dispose of the packaging in a responsible manner. We trust that you will enjoy your new Schweigen rangehood.
Your State Regulatory Authority
Different Australian states have varying legislative requirements for the installation of rangehood ducting. Some will insist on ducting being vented externally (i.e. not in to the ceiling cavity); others will not. It is imperative that you check with your state building authority and/or private certifier to confirm their position.
Important Safety Information
WARNING
Please read this section thoroughly before attempting to operate the appliance. Inspect your product upon receipt. Any damage or defects MUST be reported within 48 hours, or no claim will be recognised.
DO NOT INSTALL THIS APPLIANCE IF YOU FIND IT DAMAGED.
If this product is installed damaged, neither the supplier, nor the retailer, will be responsible for the costs associated with the repair, replacement, removal or re-installation of the appliances.
- There shall be adequate ventilation in the room when the rangehood is used at the same time as appliances burning gas or other fuels.
- There is a fire risk if cleaning is not carried out in accordance with the instructions.
- Do not flambé under the rangehood. This will damage the rangehood and will not be covered by warranty.
- Do not ignite burners that give off intense, uncontrolled flames beneath the rangehood.
- Make sure that no flames emerge from the sides of pans.
- Do not leave packaging materials (bags, corner brackets, etc) within reach of children.
- This appliance is not intended for use by person/s (including children) with reduced physical, sensory or mental capabilities, or lack of experience and/or knowledge. Unless the person has been given supervision or instruction concerning the use of the appliance by a person responsible for their safety. Children should be supervised to ensure that they do not play with the appliance, it is not a toy.
- Exhaust air must not be discharged into an existing flue that is used for exhausting fumes from appliances burning gas or other fuels.
- Air exhaust must be installed in accordance with local laws. Regulations concerning the discharge
of air have to be fulfilled. - Accessible parts may become hot when used with cooking appliances.
- Before performing any cleaning or maintenance operation, disconnect the rangehood from the mains using the respective mains or sector switch or by unplugging it.
- Do not use the rangehood without the grease filters.
- Keep the grease filters clean and respect the recommended cleaning frequencies.
- Turn the rangehood motor on before starting to cook.
- Turn the rangehood motor off about 10-15 minutes after you finish cooking.
- It is forbidden to use the rangehood as an aspirator.
- Never cook foodstuff directly over the flame or have the gas burners on under the rangehood without using cookware.
Before Installation
- We recommend this appliance be installed or repaired by an experienced Home Appliances technician.
- Please see our website www.schweigen.com.au for experienced installers.
- It is dangerous to modify any part of this appliance. Modification of any kind, will immediately void the warranty.
- The manufacturer declines all responsibility in case of failure to adopt proper safety measures.
- Ensure that the location in which this appliance is installed, has good and permanent ventilation.
- Please consult local laws and regulations and install in accordance.
- Use an electrical connector with earth that is correct for your location.
- Check that the voltage in your area corresponds to the appliance as indicated on the rating label.
- This appliance must be connected to an electricity supply with a ground connection.
- Check that the installation and electrical connections are made by a qualified technician and that the indicated instructions and local regulations in force are met, using materials that are compliant with the applicable legislation.
- The company will not be responsible for installations executed by non-qualified staff and installations that fail to heed the applicable legislation on electrical safety (with regard to both modes and materials).
- The electrical technical data can be found inside the rangehood, after removing the grease filters.
- The flexible power cable supplied is already connected internally and emerges from the rangehood near the air outlet tube.
- Before installing the electrical connections, you should:
- Verify that the indicated electrical data coincide with the voltage values and frequency of the electrical circuit in the house where the rangehood is to be installed;
- Check that the premises has electrical protection against short circuits and electrocution, pursuant to the applicable legislation;
- Always switch off the current using the double-pole switch before maintenance and turn the power on again for normal use only when the operation has been completed.
Product Use
This product is designed for household use and should not be used for commercial applications.
After use, always ensure that all controls are in the “OFF” position.
When frying with a gas flame, take particular care not to allow the oil or grease in the pan to catch fire. (Flambé)
Rangehoods and other cooking fume extractors may adversely affect the safe operation of appliances burning gas or other fuels (including those in other rooms) due to back flow of combustion gases. These gases can potentially result in carbon monoxide poisoning. After installation of a range hood or other cooking fume extractor, the operation of flued gas appliances should be tested by a competent person to ensure that back flow of combustion gases does not occur.
Electrical Cord
Ensure the supply cord is not exposed to heat, chemicals or sharp objects. If the supply cord is damaged, it must be replaced by the manufacturer.
Description

Rangehood
- Socket lead for Isodrive® motor
- Main power cord
- Single 200mm outlet
- Reducer (for Isodrive® 650 only)
- Filter
- Lights
NOTE: Filter and light quantity may vary from model to model.
Cutout Size
Use this as a guide only when designing your cabinet. We advise you to take the rangehood to your cabinet maker so they can tailor the cabinet to fit correctly.
Important
Electronics MUST be accessible for service and/or maintenance once installed, failure to do so, will result in any charges involved with accessing the part (removal of cabinetry etc.) being forwarded to the customer.
Operation
Schweigen silent rangehoods are recognised for their silent operation. Although this holds true for all of our rangehoods with external motors, one must note that the rangehoods are silent when they are used for regular cooking on the lower fan setting. Therefore, you will only hear the movement of air.

Press + to switch on the fan. The timer will only operate when the fan is switched on.
Turn on/off the rangehood
Press – to decrease the fan speed
Press + to increase the fan speed
Press to activate the 15 minutes timer function, the display will flash and motor will stop automatically after 15 minutes.
Turn on/off the light.
Speed Control
This undermount is equipped with a 5 speed touch button control. Speed control usage suggestions:
- Low speed for simmering.
- Medium speed for light cooking.
- High speed for heavy frying or heavy cooking.
Cleaning periods of metal filters — “C” Signal
Filter should be cleaned when “C” signal appears on the display on average this is every 4 to 5 weeks (or in accordance with the usage frequency). In order to remove “C” signal, after the filters are cleaned and placed back to their place, press button for more than 3 seconds, when the product is at off position. The Letter “E” will appear on display and the product will operate as normal.
If you would like to continue using the product without deleting “C” signal, when you press the
button active speed will appear for 1 second, then “C” signal will appear once more and the motor will continue operating.
NOTE: “C” signal will appear after you use the product for approximately 40 hours.
In order to use the rangehood efficiently:
- Pay attention to metal filters’ cleaning periods.
- Use the product at medium speed if high suction power is not necessary.
- In order to ensure that ventilation occurs correctly, windows of the kitchen should be kept closed.
Cleaning & Maintenance
Warning
Always switch off and disconnect power before cleaning.
Cleaning the Interior
Clean the interior of the rangehood with a damp cloth and a neutral detergent.
NOTE: Do not use denatured alcohol on the exterior of the rangehood. Do not clean the electric parts or the motor with liquids or solvents
Cleaning the Exterior
We recommended using a soft cloth, water and a liquid soap, rinsing it well and then drying it thoroughly. For better results, you can use high quality cleaning and protection products to clean your rangehood.
- The recommended detergent is a solution of water and a neutral liquid soap.
- It is very important for the liquid soap to not contain granules that could scratch the surface.
- First apply the solution to a soft cloth and then rub the cloth over the rangehood. It is important to follow the direction of the stained surface with the cloth (refer to figure on left).
- Do not pour any liquid directly on to the rangehood.
- The cloth must have no buttons, zips or fasteners that could scratch the surface.
- It is strictly forbidden to use chemical solvents, aggressive, grainy or abrasive products, naphtha, alcohol or similar products that could damage the surface of the rangehood.
- The manufacturer will not be held responsible for functional or aesthetic damage caused by cleaning with products which are not suitable or using inadequate cleaning methods.
Cleaning & Maintenance
Filters
For this appliance to function effectively, regular maintenance is a must.
- The function of the filter is to absorb the grease particles given off during cooking.
- Clogged filters and heavy oil deposits restrict airflow and may cause the motor to overheat and become a fire hazard.
- Filters should be cleaned every 3-6 weeks or after 40 hours of use.
- For induction cooktop, please aim to clean them at least every 10 days, depending on use.
- The filters can be washed by hand or in the dishwasher.
- Washing by hand – Immerse the filter in hot water and a suitable detergent and when clean, rinse with plenty of hot water.
- Dishwasher – Put the filter in the dishwasher and select a short program at low temperature. NOTE: The colour of the metal mesh filters may change after several washes. This is normal and it is not necessary to change the filters.
Please ensure the filters are completely dry before placing them back in position and operating the rangehood.
To remove the filter press handle and remove it through the front guide; bend it slightly and remove filter. To replace, perform the same operation but in reverse.
Warning
- If the grease filters are very dirty, the motor will extract only a small quantity of air, which reduces its efficiency;
- The grease deposits that build up on the filter are highly flammable and COULD EASILY CATCH FIRE.
- The manufacturer is exonerated from all responsibility in the event of fire due to poor maintenance of the grease filters.
Replacing the Lights
Danger
Always switch off and disconnect power before replacing the lights. Failure to do so may cause serious injury. Please be aware that the light bulb may retain heat for a short period of time after being switched off.
- Step 1
Remove the filters from the rangehood. - Step 2
Gently turn light bulb anti-clockwise, pull the light bulb down and remove it from the light holder. - Step 3
Insert a new light bulb by lining up the pins of the light bulb with the larger holes inside the light holder. Once the pins are in place, turn clockwise to secure the light bulb.

Installation
Rangehood Size vs Cooktop Size
In addition to the size, the height of the rangehood above the cooktop is important to obtain the best performance.
Overhead cabinet Rangehood Installation position
It is important to consider the benchtop and overhead cabinetry depth before installing the rangehood.
The information below is to be used as a guide only, drawings are not to scale and do not account for all circumstances.
The cooktop is centrally installed in the benchtop in the diagrams below.
When the overhead cabinetry is constructed and installed deeper than standard, ensure the rangehood is installed as close to the front as possible. This will increase the rangehood extraction results as there is a greater coverage of the cooktop surface area.
Mounting Instructions
It is STRONGLY RECOMMENDED that the rangehood be installed centrally over the cooktop. This will greatly improve its performance.
Minimum height from the hob top surface to the underside face of the rangehood:
- 600mm electric cooktop
- 600mm gas cooktop
Any installation above 800mm will compromise the extraction performance.
Note: If the instructions for the gas cooktop specify a greater distance, this must be taken into account.
Recommended Installation Height for Induction Cooktop
To help avoid condensation, particular to cooking with an induction cooktop, Schweigen recommends a height of between 700-750mm. Refer to page 18 for further information.
*IMPORTANT: If the user decides to install the rangehood at a distance of less than minimum height above the cooking surface, Schweigen declines responsibility for damages suffered
by the rangehood due to excess heat or damage to objects, people and others caused directly or indirectly by a malfunction, breakage or fire.
NOTE
Measurements are from the top of the trivets to the lowest part of the rangehood, including the button controls.
* Important: In addition to the information in this manual, please check all relevant state requirememnts for minimum–maximum heights, as well as regulations regarding the expelling of air. Schweigen is not liable if your rangehood is not installed in accordance with these legal requirements.
Mounting and Fixing Points
The diagrams below are a guide for all mounting points.
Mounting point A and B need to be tighten with slightly angled screws to pull the rangehood up tight to the cabinet.
These support screws insert from the bottom of the rangehood.
These support screws insert from the inside of the cabinet.
WARNING
Please remove filters before installation. Failure to do so may damage the clips.
DANGER
Always switch off and disconnect the power supply before installing the rangehood. Failure to do so may cause serious injury.
Installation Example
- Step 1
Insert support frame into cabinet. The support will only be needed in certain circumstances.
NOTE: The support frame is not included. The requirement of a support frame is dependent on the type and location of installation. Please contact your installer for more information.
- Step 2
Secure support frame to inside of cabinet. - Step 3
Secure the undermount into cavity using screws. All screws are installed internally into a support frame. See “Mounting and Fixing Points” for more information.
NOTE
Remove all plastic protection on the rangehood and filters before use.
Ducting
Please DO NOT crush or kink the ducting.
- Crushed or kinked ducting creates sharp corners that creates turbulence. This reduces the size and efficiency of the ducting, lowers extraction and may cause excessive noise.

- Sweeping curves and taut ducting reduces resistance and turbulence. The airflow and extraction will be more efficient and stronger.

System Overview

- Isodrive® Motor
- Roof Seal Kit (Dektite) (Not supplied)*
- Support Straps (Not supplied)*
- Attach Duct to Bell-Mouth Adaptor using ring clamp. Please DO NOT rip the ducting.
- Isodrive® Motor Power Lead (Plug)
- Rangehood to Isodrive® Motor Lead (Socket)
- Main Power Lead (Plug, 10 Amp)
- Ducting must be pulled taut.
DO NOT crush or kink the ducting. - Connect ducting to the outlet on rangehood using ring clamp. Please DO NOT rip the ducting.
NOTE
The Isodrive® motor system does not include the roof seal kit, cable ties or the support straps.
NOTE
The general power outlet for the rangehood should be located in an easy to access area.
DANGER
All electrical wiring from the motor to the rangehood should be kept inside the roof space.
Condensation Information
Cooking with Induction Cooktops
Cooking with an induction or similar cooktop, may produce condensation on the rangehood.
Unlike basic electric or gas cooking, induction cooktops heat food and liquid instantly, which in turn, produces vapours rapidly. Because of this rapid process, the rangehood filters do not have enough time to warm, which increases the chance of condensation forming.
There are many variables that may contribute to condensation forming, some of which include but are not limited to:
- Variance in climate – geographical location
- Position of your home & kitchen – morning/afternoon sun
- Installation distance from cooktop to the rangehood
- Speed of food & liquid heating
- Filter size – larger canopy preferred
- Quality of pots or cookware you are using – high quality recommended
How to reduce the possibility of condensation forming:
- Ensure the rangehood is installed by a qualified professional, carefully following the installation guide
- Turn on the rangehood 5-10 minutes prior to cooking, and leave on for 10-15 minutes after cooking; this helps clear remaining vapours from the flue.
- Start the cooking process at a low-to-medium setting and allow time for the rangehood to warm up.
- Clean filters regularly.
- Ensure constant airflow in the cooking zone; this helps optimize the rate of extraction.
- Follow all induction cooktop manufacturer advice.
For further advice, tips or information regarding cooking with induction, please contact your induction cooktop manufacturer.
Troubleshooting
Before you contact the technical service department, make sure that the product is plugged in and power is supplied.
- Do not take any action that will damage the product.
IMPORTANT
Never attempt to repair this appliance by yourself. Always refer to a qualified Service Technician.
| Loud noise from the rangehood | Rangehood does not direct air out (through chimney) | Rangehood air exaction is weak | Light does not work | Rangehood does not work | |
| X | X | Check electric connection. Voltage of the electric network should be between 220 – 240V, rangehood should be connected to grounded plug and turned on. | |||
| X | Check motor switch. Please ensure that there is power to the rangehood and the rangehood is switched on. | ||||
| X | Check lamp switch. Lamp switch should be at on position. | ||||
| X | X | Check filters. The filters should be washed regularly, see filter cleaning. | |||
| X | LEDs should be firmly in position. | ||||
| X | Check LEDs. Make sure they are not broken or faulty. | ||||
| X | X | Please make sure there is no obstruction in ducting or with the back draft fins. | |||
| X | X | Check the outlet, make sure it is not blocked and you have the correct diameter ducting installed. | |||
| X | Check Isodrive® installation manual, make sure the ducting is installed correctly, eg. Length of ducting used, keep the ducting taut. | ||||
| X | Check the ducting has not come off the rangehood outlet. |
Service
Lodging an Online Service Request
In the event that the failure is not due to the faults mentioned in the Troubleshooting section, you can lodge an online Service Request. To lodge an online Service Request, visit our website www.schweigen.com.au/service-and-warranty and click on the link and complete the service request form.
A service request will require the following information:
- The purchase date
- The rangehood model and motor type (eg. Isodrive® 900)
- The serial number or batch number (this number is on a sticker inside the rangehood).
- A copy of the purchase receipt (without a receipt your service request cannot be processed).
Alternatively, you can call Customer Service:
- Australia 1300 881 693
- New Zealand 0800 200 510
Faulty Installation
It is not the responsibility of Schweigen to rectify any incorrect installations. A service call out fee will be charged for any Schweigen technician that attends a call, whereby it is established that the fault is due to an incorrect installation or non-manufacturing fault. Should the appliance be installed in such a way that the service agent is unable to gain access to the appliance, the person/s who own the premises or the property where the appliance resides — will be responsible to provide access to the appliance at their expense.
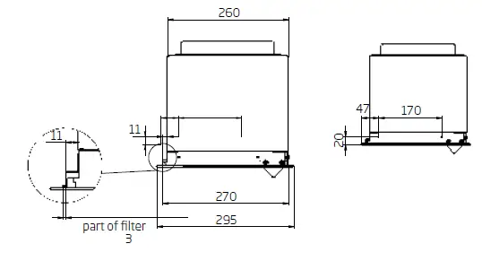
Specifications
Dimensions


Technical Specifications
| Model | UM1170-9S / UM1170-9BS |
| Feeding Voltage | 220-240V 50Hz |
| Lamp Power – LED (W) | 2 x 3W |
| Weight | 6.8kg |

Disclaimer
Under our policy of continuous product development, product specifications may change without notice. Prospective purchasers should therefore check with the retailer to ensure this publication correctly describes the products being offered for sale. All information supplied is to be used for general reference purposes only and is on the understanding that Schweigen Home Appliances will not be liable for any loss, liability or damage of whatever kind arising as a result of any reliance upon such information.
All pictures used in the guide are for illustrative purposes only.
Although our information and marketing states the term ‘Silent’ for certain models, the following applies to various models that are sold with certain Isodrive® Systems and baffle filters. When a model with he larger motored Isodrive® System is operated at the higher speed/s air movement may be heard.
For example, while operating on speed 4 & 5 (For 5 speed models) the rangehood may be audible due to the large amount of air movement moving through the filter.
* Please make sure that the rangehood and motor have been installed as per the corresponding instruction guides in order for optimal performance (the Isodrive® Motor Manual can be found with the Isodrive® Motor, or online at schweigen.com.au).
Schweigen Home Appliances has presented this information in good faith to all their retailers and distributors to convey before any/all purchase/s. Information is supplied upon the condition that the person/s receiving the information will make their own determination as to its suitability for their purpose/s prior to use. In no event will Schweigen Home Appliances be responsible for damages of any nature whatsoever resulting from the use of, or reliance upon, information from their website or the products to which the information refers.
DISPOSAL OF OLD APPLIANCES
Electronic waste (or e-waste) including kitchen appliances are banned from direct disposal to landfill. E-waste contains hazardous materials, which can harm the environment and human health. Valuable materials contained in e-waste are lost when appliances, computers and other household electrical goods are sent to landfill.
Recycle your e-waste to:
- reduce landfill
- protect the air and waterways from harmful materials
- minimise consumption of raw materials to produce electronic products
- reduce greenhouse gases created in the production of new materials.
Kitchen appliances including Rangehoods and Ovens can only be disposed at approved recycling centres. Visit www.recyclingnearyou.com.au/whitegoods for more information, or contact your local council or the store you purchased this appliance, for a list of approved recyclers.
Australia Unit 4/1-5 Lake Drive, Dingley Village, Victoria 3172. Phone 1300 881 693 Email [email protected] Web www.schweigen.com.au
New Zealand 5 Tolich Place, Henderson, Auckland 0610. Phone 0800 200 510 Email [email protected] Web www.parex.co.nz






















