R86115 Brushless Hammer Drill
Owner’s Manual

To register your RIDGID product, please visit: register.ridgidpower.com
INCLUDES: Hammer Drill, Impact Driver, Auxiliary Handle, Belt Clip (2), Bit Holder (2), Screws (4), Tool Bag, Bits (2), Operator’s Manual
WARNING:
To reduce the risk of injury, the user must read and understand the operator’s manual before using this product.
SAVE THIS MANUAL FOR FUTURE REFERENCE
GENERAL POWER TOOL SAFETY WARNINGS
WARNING
Read all safety warnings, instructions, illustrations, and specifications provided with this power tool. Failure to follow all instructions listed below may result in electric shock, fire, and/ or serious injury.
Save all warnings and instructions for future reference.
The term “power tool” in the warnings refers to your mains-operated (corded) power tool or battery-operated (cordless) power tool.
WORK AREA SAFETY
- Keep the work area clean and well-lit. Cluttered or dark areas invite accidents.
- Do not operate power tools in explosive atmospheres, such as in the presence of flammable liquids, gases or dust. Power tools create sparks that may ignite dust or fumes.
- Keep children and bystanders away while operating a power tool. Distractions can cause you to lose control.
ELECTRICAL SAFETY
- Power tool plugs must match the outlet. Never modify the plug in any way. Do not use any adapter plugs with earthed (grounded) power tools. Unmodified plugs and matching outlets will reduce the risk of electric shock.
- Avoid body contact with earthed or grounded surfaces, such as pipes, radiators, ranges, and refrigerators. There is an increased risk of electric shock if your body is earthed or grounded.
- Do not expose power tools to rain or wet conditions. Water entering a power tool will increase the risk of electric shock.
- Do not abuse the cord. Never use the cord for carrying, pulling, or unplugging the power tool. Keep cord away from heat, oil, sharp edges, or moving parts. Damaged or entangled cords increase the risk of electric shock.
- When operating a power tool outdoors, use an extension cord suitable for outdoor use. The use of a cord suitable for outdoor use reduces the risk of electric shock.
- If operating a power tool in a damp location is unavoidable, use a ground fault circuit interrupter (GFCI) protected supply. The use of a GFCI reduces the risk of electric shock.
- Use this product only with battery packs and chargers listed in tool/appliance/battery pack/charger correlation supplement 988000-302.
PERSONAL SAFETY
- Stay alert, watch what you are doing and use common sense when operating a power tool. Do not use a power tool while you are tired or under the influence of drugs, alcohol or medication. A moment of inattention while operating power tools may result in serious personal injury.
- Use personal protective equipment. Always wear eye Protective equipment such as dust mask, nonskid safety shoes, hard hat, or hearing protection used for appropriate conditions will reduce personal injuries.
- Prevent unintentional starting. Ensure the switch is in the off-position before connecting to power source and/ or battery pack, picking up or carrying the tool. Carrying power tools with your finger on the switch or energizing power tools that have the switch on invites accidents.
- Remove any adjusting key or wrench before turning the power tool on. A wrench or a key left attached to a rotating part of the power tool may result in personal injury.
- Do not overreach. Keep proper footing and balance at all times. This enables better control of the power tool in unexpected situations.
- Dress properly. Do not wear loose clothing or jewelry. Keep your hair and clothing away from moving parts. Loose clothes, jewelry, or long hair can be caught in moving
- If devices are provided for the connection of dust extraction and collection facilities, ensure these are connected and properly used. The use of dust collection can reduce dust-related hazards.
- Do not let familiarity gained from frequent use of tools allow you to become complacent and ignore tool safety principles. A careless action can cause severe injury within a fraction of a second.
- Do not wear loose clothing or jewelry. Contain long hair. Loose clothes, jewelry, or long hair can be drawn into air vents.
- Do not use a ladder or on unstable support. Stable footing on a solid surface enables better control of the power tool in unexpected situations.
POWER TOOL USE AND CARE
- Do not force the power tool. Use the correct power tool for your application. The correct power tool will do the job better and safer at the rate for which it was designed.
- Do not use the power tool if the switch does not turn It on and off. Any power tool that cannot be controlled with the switch is dangerous and must be repaired.
- Disconnect the plug from the power source and/ or remove the battery pack, If detachable, from the power tool before making any adjustments, changing accessories, or storing power tools. Such preventive safety measures reduce the risk of starting the power tool
- Store idle power tools out of the reach of children and do not allow persons unfamiliar with the power tool or these instructions to operate the power tool. Power tools are dangerous in the hands of untrained users
- Maintain power tools and accessories. Check for misalignment or binding of moving parts, breakage of parts, and any other condition that may affect the power tool’s operation. If damaged, have the power tool repaired before use. Many accidents are caused by poorly maintained power tools.
- Keep cutting tools sharp and clean. Properly maintained cutting tools with sharp cutting edges are less likely to bind and are easier to control.
- Use the power tool, accessories and tool bits, etc. In accordance with these instructions, taking into account the working conditions and the work to be used of the power tool for operations different from those intended could result in a hazardous situation.
- Keep handles and grasping surfaces dry, clean, and free from oil and grease. Slippery handles and grasping surfaces do not allow for safe handling and control of the tool in unexpected situations.
BATTERY TOOL USE AND CARE
- Recharge only with the charger specified by the A charger that is suitable for one type of battery pack may create a risk of fire when used with another battery pack.
- Use power tools only with specifically designated battery packs. The use of any other battery packs may create a risk of injury and fire.
- When the battery pack is not in use, keep it away from other metal objects, like paper clips, coins, keys, nails, screws or other small metal objects, that can make a connection from one terminal to another. Shorting the battery terminals together may cause burns or a fire.
- Under abusive conditions, liquid may be ejected from the battery; avoid contact. If contact accidentally occurs, flush with water. If liquid contacts eyes, additionally seek medical help. Liquid ejected from the battery may cause irritation or burns.
- Do not use a battery pack or tool that is damaged or Damaged or modified batteries may exhibit unpredictable behavior resulting in fire, explosion, or risk of injury.
- Do not expose a battery pack or tool to fire or excessive temperature. Exposure to fire or temperature above 265°F may cause explosion.
- Follow all charging instructions and do not charge the battery pack or tool outside the temperature range specified in the instructions. Charging improperly or at temperatures outside the specified range may damage the battery and increase the risk of fire.
SERVICE
- Have your power tool serviced by a qualified repair person using only identical replacement parts. This will ensure that the safety of the power tool is maintained.
- Never service damaged battery packs. Service of battery packs should only be performed by the manufacturer or authorized service provider.
HAMMER DRILL
SAFETY INSTRUCTIONS FOR ALL OPERATIONS
- Wear ear protectors when impact drilling. Exposure to noise can cause hearing loss.
- Use auxiliary handle(s), if supplied with the tool. Loss of control can cause personal injury.
- Hold the power tool by insulated gripping surfaces, when performing an operation where the cutting accessory or fasteners may contact hidden wiring. Cutting accessories or fasteners contacting a “live” wire may make exposed metal parts of the power tool “live” and could give the operator an electric shock.
SAFETY INSTRUCTIONS WHEN USING LONG DRILL BITS
- Never operate at a higher speed than the maximum speed rating of the drill bit. At higher speeds, the bit is likely to bend if allowed to rotate freely without contacting the workpiece, resulting in personal injury.
- Always start drilling at low speed and with the bit tip in contact with the workpiece. At higher speeds, the bit is likely to bend if allowed to rotate freely without contacting the workpiece, resulting in personal injury.
- Apply pressure only in direct line with the bit and do not apply excessive pressure. Bits can bend causing breakage or loss of control, resulting in personal injury.
IMPACT DRIVER
- Hold the power tool by insulated gripping surfaces, when performing an operation where the fastener may contact hidden wiring. Fasteners contacting a “live” wire may make exposed metal parts of the power tool “live” and could give the operator an electric shock.
- Wear ear protectors with impact drivers. Exposure to noise can cause hearing loss.
- Do not use the impact driver as a drill. The impact driver is not designed to be used as a drill.
ADDITIONAL SAFETY INSTRUCTIONS
Know your power tool. Read the operator’s manual carefully. Learn its applications and limitations, as well as the specific potential hazards related to this powerful tool. Following this rule will reduce the risk of electric shock, fire, or serious injury.
- Always wear eye protection with side shields marked to comply with ANSI Z87.1 when assembling parts, operating the tool, or performing maintenance. Following this rule will reduce the risk of serious personal injury.
- Protect your lungs. Wear a face or dust mask if the operation is dusty. Following this rule will reduce the risk of serious personal injury.
- Protect your hearing. Wear hearing protection during extended periods of operation. Following this rule will reduce the risk of serious personal injury. If at any time you become uncomfortable or the length of your task is long, hearing protection is recommended.
- Battery tools do not have to be plugged into an electrical outlet; therefore, they are always in operating condition. Be aware of possible hazards when not using your battery tool or when changing accessories. Following this rule will reduce the risk of electric shock, fire, or serious personal injury.
- Do not place battery tools or their batteries near fire or heat. This will reduce the risk of explosion and possibly injury.
- Do not crush, drop or damage the battery pack. Do not use a battery pack or charger that has been dropped or received a sharp blow. A damaged battery is subject to explosion. Properly dispose of a dropped or damaged battery immediately.
- Batteries can explode in the presence of a source of ignition, such as a pilot light. To reduce the risk of serious personal injury, never use any cordless product in the presence of an open flame. An exploded battery can propel debris and chemicals. If exposed, flush with water immediately.
- Do not charge the battery tool in a damp or wet location. Do not use, store, or charge battery packs or products in locations where the temperature is less than 50°F or more than 100°F Do not store outside or in vehicles.
- Under extreme usage or temperature conditions, battery leakage may occur. If liquid comes in contact with your skin, wash immediately with soap and water. If liquid gets into your eyes, flush them with clean water for at least 10 minutes, then seek immediate medical attention. Following this rule will reduce the risk of serious personal injury.
- Save these instructions. Refer to them frequently and use them to instruct others who may use this tool. If you loan someone this tool, loan them these instructions also.
SYMBOLS
The following signal words and meanings are intended to explain the levels of risk associated with this product.
| SYMBOL | SIGNAL | MEANING |
| DANGER: | Indicates a hazardous situation, which, if not avoided, will result in death or serious injury. | |
| WARNING: | Indicates a hazardous situation, which, if not avoided, could result in death or serious injury. | |
| CAUTION: | Indicates a hazardous situation, that, if not avoided, may result in minor or moderate injury. | |
| NOTICE: | (Without Safety Alert Symbol) Indicates information considered important, but not related to a potential injury (e.g. messages relating to property damage). |
Some of the following symbols may be used on this product. Please study them and learn their meaning. Proper interpretation of these symbols will allow you to operate the product better and safer.
| SYMBOL | NAME | DESIGNATION/EXPLANATION |
| Safety Alert | Indicates a potential personal injury hazard. | |
| Read Operator’s Manual | To reduce the risk of injury, the user must read and understand the operator’s manual before using this product. | |
| Eye Protection | Always wear eye protection with side shields marked to comply with ANSI Z87.1. | |
| Wet Conditions Alert | Do not expose to rain or use in damp locations. | |
| Recycle Symbol | This product uses lithium-ion (Li-ion) batteries. Local, state, or federal laws may prohibit the disposal of batteries in ordinary trash. Consult your local waste authority for information regarding available recycling and/or disposal options. | |
| V | Volts | Voltage |
| min | Minutes | Time |
| Direct Current | Type or a characteristic of current | |
| no | No Load Speed | Rotational speed, at no load |
| …/min | Per Minute | Revolutions, strokes, surface speed, orbits etc., per minute |
FEATURES
PRODUCT SPECIFICATIONS (R86115 Hammer Drill)
No Load Speed ……………………..0-500/0-2,100/min. (RPM)
Impact Speed …………………………..0-7,500 / 0-31,500 BPM
PRODUCT SPECIFICATIONS (R862311 Impact Driver)
Speed …………………………………………….0-2,900/min. RPM
Low (1) ……………………………………..0-900 RPM
Medium (2) ……………………………..0-2,000 RPM
High (3) ………………………………….0-2,900 RPM
Chuck ……………………………………………………….1/4 in. Hex
Impacts per minute ………………………….. 0-4,200/min. IPM
Torque ………………………………………………….0-2,300 in-lbs.
ASSEMBLY
R86115 HAMMER DRILL
UNPACKING
This product requires assembly.
- Carefully remove the tool and any accessories from the box. All items listed in the Includes section must be included at the time of purchase.
WARNING:
Items in this Assembly section are not assembled to the product by the manufacturer and require custom installation. Use of a product that may have been improperly assembled could result in serious personal injury.
- If any parts are damaged or missing, please call 1-866-539-1710 for assistance.
WARNING:
If any parts are damaged or missing do not operate this product until the parts are replaced. Use of this product with damaged or missing parts could result in serious personal injury.
WARNING:
Do not attempt to modify this product or create accessories or attachments not recommended for use with this product. Any such alteration or modification is misused and could result in a hazardous condition leading to possible serious personal injury.
INSTALLING/REMOVING THE AUXILIARY HANDLE
See Figures 1 – 2, page 11 (R86115).
An auxiliary handle is included for ease of operation and to help prevent loss of control. The handle can be mounted for left or right-hand use.
To install the auxiliary handle:
- Remove the battery pack.
- Turn the handle grip counterclockwise to loosen it and open the hooks wide enough to fit over the mounting ribs, behind the torque adjustment ring.
- Place the hooks over the mounting ribs, making sure the hooks are positioned on the side of the drill as shown.
NOTE: Make sure the notches on the inside of the auxiliary handle engage the mounting ribs on the drill housing. - Turn the handle clockwise to tighten. Make sure the handle is secure before beginning operation.
To remove the handle and install it on the opposite side:
- Turn the handle counterclockwise to loosen and remove the handle.
- Reinstall the handle in the desired position.
R862311 IMPACT DRIVER
WARNING:
Do not use this product if it is not completely assembled or if any parts appear to be missing or damaged. Use of a product that is not properly and completely assembled or with damaged or missing parts could result in serious personal injury.
WARNING:
Do not attempt to modify this product or create accessories or attachments not recommended for use with this product. Any such alteration or modification is misused and could result in a hazardous condition leading to possible serious personal injury.
- If any parts are damaged or missing, please call 1-866-539-1710 for assistance.
OPERATION
WARNING:
Do not allow familiarity with this product to make you careless. Remember that a careless fraction of a second is sufficient to inflict serious injury.
WARNING:
Always remove the battery pack from the tool when you are assembling parts, making adjustments, cleaning, or when not in use. Removing the battery pack will prevent accidental starting that could cause serious personal injury.
WARNING:
Always wear eye protection with side shields marked to comply with ANSI Z87.1. Failure to do so could result in objects being thrown into your eyes and other possible serious injuries.
WARNING:
Do not use any attachments or accessories not recommended by the manufacturer of this product.
The use of attachments or accessories not recommended can result in serious personal injury.
APPLICATIONS
CAUTION:
These tools are not intended to be used for mixing concrete, drywall, grout, or other similar types of viscous mixtures. Failure to obey this caution could cause poor performance, and possible injury, and will void your warranty.
INSTALLING/REMOVING BELT HOOK ORBIT HOLDER
See Figure 3, page 12 (R86115).
See Figure 1, page 13 (R862311).
The belt hook (p/n 636181001) and bit holder (p/n 539462001) are interchangeable. They may be installed on either side of the base. Look for these accessories where you purchased this product or call 1-866-539-1710.
- Align a hole in the belt hook or bit holder with a hole in the tool’s base.
- Install the screw to secure the belt hook or bit holder in place.
- To uninstall, remove the screw and then belt hook or bit holder.
VARIABLE SPEED SWITCH TRIGGER
See Figure 4, page 12 (R86115).
See Figure 2, page 13 (R862311).
The variable speed switch trigger delivers higher speed with increased trigger pressure and lower speed with decreased trigger pressure.
To turn the tool ON, depress the switch trigger. To turn it OFF, release the switch trigger and allow the chuck to come to a complete stop.
NOTE: A whistling or ringing noise coming from the switch during use is a normal part of the switch function.
NOTE: Running at low speeds under constant usage may cause the drill to become overheated. If this occurs, cool the drill by running it without a load and at full speed.
DIRECTION OF ROTATION SELECTOR (FORWARD / REVERSE / CENTER LOCK)
See Figure 4, page 12 (R86115).
See Figure 2, page 13 (R862311).
Set the direction of the rotation selector in the OFF (center lock) position to lock the switch trigger and help prevent accidental starting when not in use.
Position the direction of the rotation selector to the left of the switch trigger for forwarding operation. Position the selector to the right of the switch trigger to reverse the direction.
NOTE: The tool will not run unless the direction of the rotary selector is pushed fully to the left or right.
NOTICE:
To prevent gear damage, always allow the chuck to come to a complete stop before changing the direction of rotation.
WARNING:
Battery tools are always in operating condition.
Lock the switch when not in use or carrying at your side, when installing or removing the battery pack, and when installing or removing bits.
INSTALLING / REMOVING BATTERY PACK
See Figure 5, page 12 (R86115).
See Figure 3, page 13 (R862311).
- Lock the switch trigger.
- Insert the battery pack into the product as shown.
- Make sure the latches on each side of the battery pack snap in place and the battery pack is secured before beginning operation.
- Depress the latches to remove the battery pack.
For complete charging instructions, see the operator’s manuals for your battery pack and charger.
R86115 HAMMER DRILL
INSTALLING/REMOVING BITS
See Figures 6 – 7, page 12 (R86115).
The arrows on the keyless chuck indicate which direction to rotate the chuck sleeve to tighten or release the bit.
Do not use a wrench to tighten or loosen the chuck jaws.
- To install bits, lock the switch trigger.
- Open or close the chuck jaws until the opening is slightly larger than the bit size you intend to use.
- Raise the front of the drill slightly and insert the bit.
WARNING:
Make sure to insert the bit straight into the chuck jaws. Do not insert the bit into the chuck jaws at an angle, then tighten. This could cause the bit to be thrown from the drill, resulting in possible serious personal injury or damage to the chuck.
- Rotate the chuck sleeve to close and tighten the chuck jaws.
WARNING:
Do not hold the chuck sleeve with one hand and use the power of the drill to tighten the chuck jaws on the bit. The chuck sleeve could slip in your hand, or your hand could slip and come in contact with the rotating bit. This could cause an accident resulting in serious personal injury.
- To remove bits, lock the switch trigger and open the chuck jaws.
- The bit provided with the drill can be placed in the storage area, located on the base of the drill.
LED LIGHT
See Figure 8, page 12 (R86115).
The LED light, located on the front of the tool base, illuminates when the switch trigger is depressed.
When the tool is not in use, the time-out feature will cause the light to start fading and then shut off.
The LED light illuminates only when there is a charged battery pack in the tool.
TWO-SPEED GEAR TRAIN
See Figure 9, page 12 (R86115).
- Select low speed (1) for applications requiring higher power and torque, such as driving screws and drilling in metal.
- Select high speed (2) for fast drilling or driving applications, for drilling in wood or masonry, and for hammer drilling.
NOTICE:
Never change speeds while the tool is running.
Failure to obey this caution could result in serious damage to the drill.
NOTE: If you have difficulty changing from one-speed range to the other, turn the chuck by hand until the gears engage.
ADJUSTING TORQUE
See Figure 10, page 12 (R86115).
When using the hammer drill for various driving applications, beginning with a lower torque setting helps prevent the possibility of damaging screw heads, threads, workpieces, etc. In general, torque intensity should correspond to the screw diameter. If the torque is too high or the screws too small, the screws may be damaged or broken. The torque is adjusted by rotating the torque adjustment ring.
The torque is greater when the torque adjustment ring is set on a higher setting. The torque is less when the torque adjustment ring is set on a lower setting.
Rotate the adjustment ring to the proper torque setting for the type of material and size of the screw you are using.
- 1 – 4 For driving small screws
- 5 – 8 For driving screws into soft material
- 9 – 12 For driving screws into soft and hard materials
- 13 – 16 driving screws into hardwood
- 17 – 22 For driving large screws
For heavy drilling
For drilling into masonry and concrete.
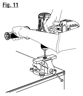
DRILLING/DRIVING SCREWS
See Figure 11, page 12 (R86115).
WARNING:
Always use the auxiliary handle when using this tool to help resist torque reactions. Binding or stalling of this product could lead to serious personal injury.
- Install the auxiliary handle.
- Check the direction of the rotation selector for the correct setting (forward or reverse).
- Select low speed (1) or high speed (2), depending on your application. Refer to Two-Speed Gear Train and Adjusting Torque.
- Secure the workpiece in a vise or with clamps to keep it from turning as the bit rotates.
- Hold the drill firmly and place the bit at the point to be drilled, or where the screw is to be driven.
WARNING:
Do not drive a screw where there is likely to be hidden wiring behind the surface. Contact with a “live” wire will make exposed metal parts of the tool “live” and possibly shock the operator. If you must drive a screw where the hidden wire may be present, always hold the tool by insulated gripping surfaces (handle) when performing the operation to prevent a shock to the operator.
- Depress the switch trigger to start the drill.
- Move the bit into the workpiece, applying only enough pressure to keep the bit cutting or driving the screw. Do not force the drill or apply side pressure to elongate a hole. Let the tool do the work.
WARNING:
When drilling, be prepared for binding at bit breakthrough. When these situations occur, the drill has a tendency to grab and kick opposite to the direction of rotation and could cause a loss of control when breaking through material. If not prepared, this loss of control can result in possible serious injury.
- When drilling hard, smooth surfaces, use a center punch to mark the desired hole location. This will prevent the bit from slipping off-center as the hole is started.
- If the bit jams in the workpiece or if the drill stalls, stop the tool immediately. Remove the bit from the workpiece and determine the reason for jamming.
NOTE: This drill has an electric brake. When the switch trigger is released, the chuck stops turning.
WOOD AND METAL DRILLING
For maximum performance, use high-speed steel bits for wood or metal drilling. Select drilling mode. Begin drilling at a very low speed to prevent the bit from slipping off the starting point.
- Increase the speed as the drill bit bites into the material.
- When drilling through holes, place a block of wood behind the workpiece to prevent ragged or splintered edges on the backside of the hole.
Metal and Steel Drilling
- Use a light oil on the drill bit to keep it from overheating.
The oil will prolong the life of the bit and increase the drilling action. - Maintain a speed and pressure which allows cutting without overheating the bit. Applying too much pressure will:
• Overheat the drill;
• Wear the bearings;
• Bend or burn bits; and
• Produce off-center or irregular-shaped holes. - When drilling large holes in metal, start with a small bit, then finish with a larger bit.
- Apply light pressure at medium speed for best results in brick.
- Apply additional pressure on hard materials such as concrete.
- When drilling holes in tile, practice on a scrap piece to determine the best speed and pressure. Begin drilling at a very low speed to prevent the bit from slipping off the starting point.
R862311 IMPACT DRIVER
INSTALLING / REMOVING BITS
See Figure 4, page 13 (R862311).
- To install bits, remove the battery pack from the tool.
- Push the bit into the chuck until it clicks into place.
NOTE: If the bit does not insert easily into the chuck, pull the chuck forward and reinsert the bit. - Pull-on the bit to make sure it is secured in the chuck.
There may be some play in the installed bit; this is normal.
NOTE: Use only impact quality bits with a locking groove.
WARNING:
Make sure the bit is secured in the chuck before using the impact driver. Failure to do so could cause serious personal injury.
- To remove bits, remove the battery pack from the tool.
- With the nose of the tool pointed away from you, pull the chuck away from the driver.
- The bit will eject from the chuck.
NOTICE:
Never change modes while the tool is running.
Doing so may result in serious damage to the tool.
USING THE IMPACT DRIVER
See Figures 6 – 7, page 13 (R862311).
WARNING:
Do not drive a screw where there is likely to be hidden wiring behind the surface. Contact with a “live” wire will make exposed metal parts of the tool “live” and possibly shock the operator. If you must drive a screw where the hidden wire may be present, always hold the tool by insulated gripping surfaces (handle) when performing the operation to prevent a shock to the operator.
- Check the direction of the rotation selector for the correct setting (forward or reverse).
- Hold the impact driver with one hand.
- Place the bit on the screw head, bolt head, or nut and slowly depress the switch trigger. Start the bit slowly for more control.
- As the screw, bolt, or nut is driven, impacting will begin.
TROUBLESHOOTING
LED LIGHT FUNCTIONS
| TOOL STATUS | LED LIGHT SCENARIO | ACTION REQUIRED |
| Normal | Solid Light (No Flashes) | No Action Needed |
| Low Battery | 3 Flashes | Replace Battery |
| Excessive Force | 6 Flashes | Wait 5 Seconds |
| Over Temperature | 9 Flashes | Let Tool Cool Off |
*More than 9 flashes will result in the need to remove the battery and reinsert a few minutes later.
MAINTENANCE
WARNING:
When servicing, use only identical replacement parts. The use of any other part could create a hazard or cause product damage.
GENERAL MAINTENANCE
Avoid using solvents when cleaning plastic parts. Most plastics are susceptible to damage from various types of commercial solvents and can be damaged by their use. Use clean cloths to remove dirt, dust, oil, grease, etc.
NOTE: ILLUSTRATIONS BEGIN ON PAGE 11
AFTER THE FRENCH AND SPANISH LANGUAGE SECTIONS.
This product has a 90-Day Satisfaction Guarantee Policy, as well as a
Three-year Limited Warranty. For Warranty and Policy details,
please go to powertools.ridgid.com or call (toll-free) 1-866-539-1710.
R86115

| A – Two-speed gear train | F – Variable speed switch trigger |
| B – Belt hook | G – LED light |
| C – Direction of rotation selector | I – Auxiliary handle |
| D – Torque adjustment ring | J – Bit |
| E – Keyless chuck |


A – Belt hook
B – Bit holder
C – Screw
A – Direction of rotation selector
B – Reverse
C – Forward
D – Variable speed switch trigger
A – Battery pack
B – Depress latches to release the battery pack

RIGHT
A – Keyless chuck
B – Loosen
C – Chuck jaws
D – Drill bit
E – Tighten

WRONG

A – LED light

A – Low speed
B – Two-speed gear train (high-low)
C – High speed

A – To increase torque
B – To decrease torque
C – Torque adjustment ring


A – Chuck
B – LED light
C – Switch trigger
D – Direction of rotation selector [forward/ reverse/center lock]
E – Belt hook
F – Speed/torque selector

C – Screw


A – Battery pack
B – Depress latches to release battery pack

A – Bit
B – To eject a bit
C – To insert a bit
D – Locking groove
E – Chuck

A – Switch trigger
B – Speed/torque selector

RIGHT

WRONG
Customer Service Information:
For parts or services, do not return this product to the store. Contact your nearest RIDGID® authorized service center. Be sure to provide all relevant information when you call or visit. For the location of the authorized service center nearest you, please call 1-866-539-1710 or visit us online at powertools.ridgid.com.
MODEL NO.* ____________________SERIAL NO._______________________________
* Model number on a product may have additional letters at the end. These letters designate manufacturing information and should be provided when calling for service.
ONE WORLD TECHNOLOGIES, INC.
P.O. Box 1427
Anderson, SC 29622, USA
1-866-539-1710 ◼◾ www.RIDGID.com
RIDGID is a registered trademark of RIDGID, Inc., used under license.

















