ATIKA Compact 100 Pan Mixer

Product Information
- Product Name: Mixer
- Manufacturer: Altrad Lescha Atika GmbH
- Model: Not specified
- Origin: Germany Year of
- Manufacture: 2022 Conformity Certifications: 2014/30/EU, 2000/14/EG, 2011/65/EU
- Safety Certifications: EN 12151:2007; EN 60204-1:2006+A1; EN 55014-1:2006+A1:2009+A2:2011; EN 55014-2:1997+A1:2001+A2:2008; EN 61000-3-2:2014; EN 61000-3-3:2013
- Sound Power Level (LWA): Measured – 83 dB(A), Guaranteed – 84 dB(A)
Product Usage Instructions:
- Before using the mixer, carefully read and understand the user manual.
- Make sure to wear appropriate safety equipment (e.g., safety glasses, dust mask) during operation.
- Ensure that the mixer is properly connected to a power source with the correct voltage.
- Check that all safety devices and protective covers are in place before starting the machine.
- To start the mixer, turn it on using the designated power switch.
- When creating a mixture, add the required ingredients into the drum according to the specific instructions or pre-made mixtures.
- Allow the mixer to thoroughly mix the ingredients until the desired consistency is achieved.
- To empty the drum, refer to page 66 of the user manual for specific instructions.
- Before transporting the mixer, disconnect it from the power source by unplugging the power cord. 10. For cleaning and maintenance, always disconnect the mixer from the power source before proceeding.
- Follow the instructions provided in the user manual for cleaning and maintenance procedures. 12. In case of any malfunctions or repairs, disconnect the mixer from the power source and refer to a qualified technician or the manufacturer for assistance.
- Do not attempt to dispose of the mixer as regular waste. Follow the guidelines provided in the user manual or local regulations for proper disposal.
- Keep these instructions in a safe place for future reference.
- If you have any questions or concerns regarding the mixer’s usage, contact the manufacturer or authorized service center.
Note: The provided text extract from the user manual contains multiple languages and symbols, which may not be relevant to the specific product information and usage instructions.
Technical modifications reserved!
Meaning of the symbols
Warning! Read operating instructions before starting! Keep the operating instructions in a safe place for future use.

Warning! Pull the plug before maintenance and repair work!

Warning! Set up and run the concrete mixer on a solid, level base only (where it will not tip over).

Warning! Only hook up the machine by means of a RCD-device: 30 mA!

This machine is protected against splash water.
CE
This product complies with European regulations specifically applicable to it.
Electrical devices do not go into the domestic rubbish. Give devices, accessories and packaging to an ecofriendly recycling.
According to the European Directive 2012/19/EU on electrical and electronic scrap, electrical devices that are no longer serviceable must be separately collected and brought to a facility for an environmentally compatible recycling.
EC Declaration of Conformity according to Directive: 2006/42/EC
We herewith declare
under our sole responsibility, that the product « Concrete mixer Compact 100 » (Serial number / Year of construction: see last page) is conform with the above mentioned EC directives as well as with the provisions of the guidelines below:
Following harmonized standards have been applied:
- EN 12151:2007;
- EN 60204-1:2006+A1;
- EN 55014-1:2006+A1:2009+A2:2011;
- EN 55014-2:1997+A1:2001+A2:2008;
- EN 61000-3-2:2014;
- EN 61000-3-3:2013
Conformity assessment procedure: 2000/14/EC – Appendix V. Sound power level LWA measured / guaranteed: 83 / 84 dB(A)
Duly authorized person for the complication of technical documents: Altrad Lescha Atika GmbH – Technisches Büro – Josef-Drexler-Str. 8 – 89331 Burgau – Germany
By purchasing this mixer, you have acquired a high-quality, perfected and efficient machine.
Keep these instructions in a safe place for later reference.
Be sure that you have carefully read and fully understood these instructions before you start the machine, and adhere to all of them.
Symbols in the operating manual
Potential hazard or hazardous situation. Failure to observe this instruction may lead to injuries or cause damage to property.
Important information on proper handling. Failure to observe this instruction may lead to faults.
User information. This information helps you to use all the functions optimally.
Assembly, operation and servicing. Here you are explained exactly what to do.
Correct use
- The mixer can be used for both home and professional applications for mixing mortar, bonding agents, plaster, pointing material, filler, lime, plastic and granular material, epoxy resins, refractory materials.
- Proper use includes adherence to the operating, maintenance and repair instructions of the manufacturer and observance of the safety instructions they contain.
- Any other utilization counts as improper use, especially mixing combustible or explosive materials ( fire and explosion hazard) and use with foodstuffs. The manufacturer is not liable for damages resulting from improper use: the user alone shall bear the risk.
- Unauthorized modifications on the device exclude a liability of the manufacturer for damages of any kind resulting from it.
- Only persons who are familiarized with the device and informed about possible risks are allowed to prepare, operate and service this device. Repair works may only be carried out by us or by a customer service agent nominated by us.
Residual risks
Even if used properly, residual risks can exist even if the relevant safety regulations are complied with due to the design determined by the intended purpose.
Residual risks can be minimized if the “Safety information” and the “Intended usage” as well as the whole of the operating instructions are observed.
Observing these instructions, and taking proper care, will reduce the risk of personal injury or damage to the equipment.
- Danger resulting from electric current, if improper connecting leads are used.
- Touching live parts when electric components are open.
In addition, in spite of all the precautionary measures taken, non-obvious residual risks can still exist.
Operating times
Please observe as well the regional regulations for noise protection.
Safety instructions
Take note of the following instructions to protect yourself and others from hazards and injuries.
- Observe local accident prevention and safety regulations in the work area.
- Do not touch, inhale (dust formation) or swallow cement or additional materials. Wear personal protective clothing (gloves, protective glasses, dust mask) when filling or emptying the mixing drum.
- Set up and run the mixer on a solid, level base (where it will not tip over).
- Make sure that there is no danger of tripping near the mixer.
- Be sure that there is enough light.
- The operator is responsible for third parties in the work place.
- Keep children away from mixer.
- Persons younger than 16 years of age are not allowed to operate the mixer.
- Only use the mixer for the functions listed in “Correct use”.
- Do not alter the machine or any of its parts.
- Replace defective or damaged parts on the machine immediately.
- Only start up the mixer if the protective devices are complete and undamaged.
- Fill or empty the mixing drum only when the motor is running.
- Do not alter the revolution speed of the motor, since this controls the safe maximum operating speed, and protects the motor and all rotating parts against damage due to excess speed.
- Be absolutely sure to pull the plug before:
- moving or transport
- cleaning, maintenance or repair work
- eliminating faults
- checking connecting lines, whether these are knotted or damaged
leaving unattended (even during short interruptions)
- Check the machine for possible damage:
- Before further use of the machine the safety devices must be checked carefully for their proper and intended function.
- Check whether movable parts function perfectly and do not stick or whether parts are damaged. All parts must be correctly installed and fulfil all conditions to ensure perfect operation of the machine.
- Damaged safety devices and parts must be properly repaired or exchanged by a recognized, specialist workshop; insofar as nothing else is stated in the instructions for use.
- Damaged or illegible safety labels have to be replaced.
- Store unused equipment in a dry, locked place out of the reach of children.
Mixers that are not shockproof (Protection Class I)
- Do not connect up to household sockets.
- Only connect up by means of a special supply point (for example, a building site main cabinet with a fault-current circuit breaker 30 mA release current).
Electrical safety
Danger to life and limb if not observed!
- Design of the connection cable according to IEC 60245 (H 07 RN-F) with a core cross-profile section of at least
- 3 x 1.5 mm2 for cable lengths up to 25m
- 3 x 2.5 mm2 for cable lengths over 25m
- Use only connecting attachments with a rubber plug device for severe requirements that is protected against spraying water.
- Long and thin connection lines result in a potential drop. The motor does not reach any longer its maximal power; the function of the device is reduced.
- Unwind the cable completely when using a cable drum.
- Do not use the power cords for purposes they are not intended for. Protect the cable against heat, oil and sharp edges. Do jerk on the power cable when pulling the plug from the socket.
- Check connecting attachments for defects or ageing before using them.
- Never use defective connecting attachments.
- When laying the connecting attachments, be sure that they do get crushed or bent, and that the plug-and-socket connection does not get wet.
- Do not use any provisional electrical connections.
- Never bridge over protective devices or put them out of operation.
- Only hook up the machine by means of a fault-current circuit breaker: 30 mA!
A licensed professional electrician must make all electrical connections and repairs, and observe local regulations in doing so, especially those regarding protective measures.
The manufacturer or a company designated by the manufacturer must attend to the repair of all electrical parts on the machine.
Use only original spare. Accidents can arise for the user through the use of other spare parts. The manufacturer is not liable for any damage or injury resulting from such action.
Start-up
Observe all safety instructions.
Setting up the machine:
- Set up the machine on a solid, level base.
- Keep the machine from sinking into the ground or floor.

Adhere to accident prevention regulations (danger of tipping). - When setting up the machine, make sure that the mixing drum can be emptied without obstruction.
Switching on and off
Be sure that
- all protective devices are on the mixer and properly mounted.
- all safety instructions are adhered to.
- Switch the motor on and off only at the switch.
- In the event of a power failure, the machine will switch off automatically. Press the switch again to restart the machine.
Motor protection
The motor is equipped with a thermostat. The thermostat switches the motor off automatically in the event of overload (overheating). The machine can be restarted after a cooling-off period.
Mixing
- Only use mixer for applications listed under ”Correct use“.
- Check the stability of the mixer.
- Only fill or empty the mixing drum while the motor is running.
- Observe the nominal filling volume!
- An electrical safety shutdown prevents the mixer operating while the safety grid is open. Check functionality of safety shutdown before commissioning.
Mixture production:
- Close safety grid.
- Switch on mixer.
- Fill with water and aggregate (sand, …).
- Add binding agent (cement, lime, …).
- Repeat points 3 and 4 until required mixture ratio has been achieved.
- Blend mixture well.
Have a professional advise you regarding the composition and quality of the material being mixed.
Prepared (commercially available) mixture production:
Observe mixing ratio and details given by manufacturer on packaging.
- Close safety grid.
- Switch on mixer.
- Fill with required volume of water.
- There is a sack opener on the safety grid which is used to tear open the packed mixture and filling the drum.
- Blend mixture well.
Emptying the mixing drum:
The drum is emptied through an opening in the base which is opened by actuating a lever.
Transport
Pull plug each time before transport.
Assembling
Storage
The mixer should be cleaned thoroughly before long storage periods and moving parts treated with an environmentally-friendly spray oil. This lengthens the useful life of a mixer and ensures smooth operation of the device.
Cleaning
Additional safety instructions

Pull plug each time before cleaning.
- Switch off machine and pull plug if you have to touch the machine (with hand, brush, scraper, rag, etc.) while cleaning it.
- Protective devices removed for cleaning must be properly remounted before starting the machine.
- Do not spray the motor and switch directly with a water jet.
- Remove agitator head to clean .
Only clean the drive shaft using a dry cloth or brush. Do not use water or solvents.
Notes on cleaning:
- Before taking a break and after finishing work, clean the mixer inside and out.
- Do not beat on the mixing drum with hard objects (hammer, shovel, etc.). A dented mixing drum impairs mixing operations and is difficult to clean, besides.
Maintenance
The mixer requires practically no maintenance.
The mixing drum and drive shaft are bedded on ball bearings with permanent lubrication.
To preserve the value of the mixer and increase its service life, handle it as described in “storage and cleaning “. Furthermore, the mixer should be checked regularly for signs of wear and tear or functional deficiencies. This applies especially to moving parts, screw connections, protective devices and electrical parts.
Repair
Pull plug each time before doing repair work.
- Switch off machine and pull plug if repair work should be necessary. Do not start machine during repair work.
- Protective devices removed for repairs must be properly remounted before starting the machine.
- Only the manufacturer or companies authorized by the manufacturer may perform repair work on electrical parts or on parts which affect the space needed to mount electrical equipment.
- Use only unaltered original spare parts. Otherwise, the manufacturer will assume no liability.
Malfunctions
| Malfunction | Possible cause | Remedy |
| Motor does not start up |
|
|
| Motor hums but does not start up |
|
|
| The motor does not switch off when safety grid is open | Safety shutdown is not triggered | Check safety shutdown and/or replace |
| Machine starts up, but becomes blocked at low load and may switch off automatically |
|
|
Guarantee
Please observe the enclosed terms of guarantee.
Emptying
Remove agitator head to clean

Loading
Mixer can slip when starting or braking. Fasten the mixer carefully.



Technical data

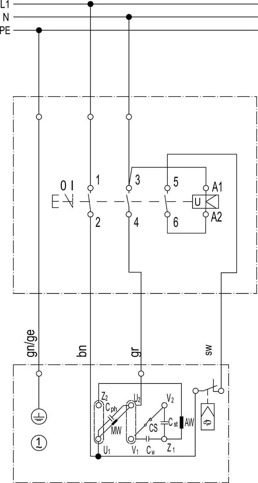
Circuit diagram

Spare parts
Order from the manufacturer or dealer. Be sure to include the following information to ensure correct delivery: order number, name of part, number of units, year of manufacture, serial-no. (see rating plate) and designation of mixer. The parts will be delivered as soon as possible according to our Terms and Conditions of Sales, Delivery and Payment. Postage and packaging will be charged to the orderer.

Spare parts (year of construction from 05/2023)
| Order No. | Designation |
| 360183 | Half round rivet Ø 5×50, VZ |
| 372116 | Handle |
| 374379 | Grooved ball bearing 6007-2RS-L1 |
| 375614 | Starlock rapid fastener Ø 25 |
| 382136 | Bush 10×6.4×11; VZ |
| 384986 | Starlock rapid fastener Ø 5 (without cap) |
| 385057 | Split pin Ø 2×16 |
| 389364 | Shim ring Ø 35x45x2 |
| 389448 | Torsion spring |
| 389462 | Solid tyre |
| 389476 | O-ring Ø 31×2 |
| 389477 | Slide |
| 389496 | Roller |
| 389497 | Starlock rapid fastener Ø 15 |
| 389522 | Holding spring for step |
| 389566 | Retaining ring Ø 62×2 |
| 389567 | Slide |
| 389574 | Holding plate for step |
| 389576 | O-ring Ø 27×4 |
| 389592 | Release |
| 389601 | Switch socket combination – VDE |
| 389602 | Switch socket combination – CEE |
| 389605 | Mixing drum |
| 389606 | Cover complete with handle |
| 389607 | Cover complete |
| 389608 | Bag scarifier |
| 389614 | Switch off lever complete |
| 389617 | Switch socket combination (110 V) – only |
| 389633 | Switch socket combination – only |
| 389638 | Handle |
| 389643 | Screw bag for agitator |
| 389670 | Step cpl. |
| 389672 | Motor with switch socket combination (110 V) – only |
| 389673 | Motor (110 V) – only |
| 389678 | Driveshaft (110 V) |
| 389679 | Flange (110 V) |
| 389687 | Driveshaft (240 V) |
| 389709 | Capacitor 110 V – 100 µF / 250 V |
| 389710 | Capacitor 110 V – 80 µF / 250 V |
| 389766 | Capacitor 240 V – 25 µF / 450V |
| 389767 | Capacitor 240 V – 20 µF / 450 V |
| 389768 | Capacitor 240 V – 150 µF / 250V |
| 389769 | Capacitor 110 V – 600 µF/125 V |
| 389817 | Agitator |
| 389818 | Agitation arm – inside |
| 389819 | Agitation blade – inside |
| 389820 | Agitation arm – outside |
| 389821 | Agitation blade – outside |
| 389822 | Agitation arm – side |
| 389823 | Agitation blade – side |
| 389824 | Agitator complete |
| 389825 | Mixer frame |
| 389827 | Slide |
| 389828 | Insert drum |
| 389832 | Flat bracket |
| 389837 | Bearing lid |
| 389842 | Agitation blade – side with agitation arm cpl. |
| 389843 | Agitation blade – inside with agitation arm cpl. |
| 389844 | Agitation blade – outside with agitation arm cpl. |
| 389846 | Screw bag for agitation blade cpl. |
| 389847 | Screw bag for cover |
| 389932 | Motor – (240V) |
| 389933 | Motor with switch socket combination – VDE |
| 389934 | Motor with switch socket combination – CEE |
| 389935 | Motor with switch socket combination – |
| 390109 | Hexagon screw M12x120, VZ |
| 390192 | Cup square bolt M6 |
| 390197 | Thread rolling screw M5 x 12 VZ |
| 390113 | Hexagon screw M10x30, VZ |
| 391026 | Hexagon nut M12, VZ |
| 391028 | Hexagon nut M6, self locking |
| 391129 | Hexagonal cap nut M8, VZ |
| 391130 | Hexagonal cap nut M10, VZ |
| 391641 | Washer A15.5; VZ |
| 391643 | Washer A6,4, VZ |
| 391644 | Washer A8.4x16x1.6; VZ |
| 391645 | Washer A8.4x18x1.6; VZ |
| 391658 | Washer A8.4x24x2; VZ |
| 391662 | Washer A13, VZ |
| 391667 | Washer A10.5; VZ |
| 391671 | Washer A13, VZ |
| 391915 | Spring ring A10, VZ |
| 392000 | Retaining ring Ø 35×1.5 |
| 392636 | Bolt Ø 8×140, VZ |
| 392711 | Blind rivet 4.8×18,1 |
| 392712 | Rivet 6.4×19 |
| 403116 | Cylinder head screw M6x30, VZ |
| 403182 | Flat round screw M10x30, VZ |
| 403183 | Flat round screw M8x30, VZ |
| 403272 | Counter sunk screw M12x70, VZ |
| 413053 | Distance collar Ø 10×6.4×24; VZ |
(S-No.): _________________________
Serial number / year of construction




















