TOPP PRO DPM-1622CFX Professional Audio Gear

SAFETY RELATED INFORMATION
WARNING
Power Supply
Ensure that the mains source voltage (AC outlet) matches the voltage rating of the product. Failure to do so could result in damage to the product and possibly the user. Unplug the product before electrical storms occur and when unused for long periods of time to reduce the risk of electric shock or fire.
External Connection
Always use proper ready-made insulated mains cabling (power cord). Failure to do so could result in shock/death or fire. If in doubt, seek advice from a registered electrician.
Do Not Remove Any Covers
Within the product are areas where high voltages may present. To reduce the risk of electric shock do not remove any covers unless the AC mains power cord is removed. Covers should be removed by qualified service personnel only. No user serviceable parts inside.
Fuse
To prevent fire and damage to the product, use only the recommended fuse type as indicated in this manual. Do not short-circuit the fuse holder. Before replacing the fuse, make sure that the product is OFF and disconnected from the AC outlet.
Protective Ground
Before turning the unit ON, make sure that it is connected to Ground. This is to prevent the risk of electric shock. Never cut internal or external Ground wires. Likewise, never remove Ground wiring from the Protective Ground Terminal.
Operating Conditions
Always install in accordance with the manufacturer’s instructions. To avoid the risk of electric shock and damage, do not subject this product to any liquid/rain or moisture. Do not use this product when in close proximity to water. Do not install this product near any direct heat source. Do not block areas of ventilation. Failure to do so could result in fire. Keep product away from naked flames.
IMPORTANT SAFETY INSTRUCTIONS
Read these instructions. Follow all instructions
- Keep these instructions. Do not discard.
- Heed all warnings.
- Only use attachments/accessories specified by the manufacturer.
- Power Cord and Plug
- Do not tamper with the power cord or plug. These are designed for your safety.
- Do not remove Ground connections!
- If the plug does not fit your AC outlet seek advice from a qualified electrician.
- Protect the power cord and plug from any physical stress to avoid risk of electric shock.
- Do not place heavy objects on the power cord. This could cause electric shock or fire.
- Cleaning
- When required, either blow off dust from the product or use a dry cloth.
- Do not use any solvents such as Benzol or Alcohol.
- For safety, keep product clean and free from dust.
- Servicing
- Refer all servicing to qualified service personnel only. Do not perform any servicing other than those instructions contained within the User’s Manual.
INTRODUCTION
Thank you for your purchasing of THE TOPP PRO DPM-1622CFX/FX 16-channel Powered mixer with 24-bit digital multi-effect built-in. Your TOPP PRO DPM-1622CFX/FX is a remarkable compact powered mixer that doesn’t find many equals in the market today. With 12 microphone And 2 stereo Line-level inputs for serious live performances, your TOPP PRO DPM-1622CFX/FX also includes a 24-bit digital multi-effect with 10 Factory Presets and10 variations for every preset, for a total of 100 different digital effects. There is a three bands EQ on mono input channels,four bands EQ on stereo input channels. The difference between DPM-1622CFX and DPM 1622FX is that DPM-1622CFX has a compressor function and DPM-1622FX no compressor function. Use it for small Gigs, Church applications or Conference. Enjoy your TOPP PRO DPM-1622CFX/FX and make sure to read this manual carefully before operation!
FEATURES
- 12 MIC inputs, 2 stereo inputs, 2 AUX stereo inputs, 1 RCA 2-track input and 1 3.5
- AUX stereo input.
- MONO channels:
- Low-distortion MIC pre-amp with high dynamic range. Balanced XLR and TRS inputs.
- Low cut filters 75Hz 18dB/oct on each channel.
- 3-band swept mid EQ on each channel.
- +48V phantom power with one switch every four MIC inputs.
- STEREO Channel:
- Balanced TRS inputs.
- +/-20dB signal level controls.
- 4-band EQ on each channel.
- MUTE, PFL switches, PEAK LED and high-quality 60mm fader on each channel.
- 4 AUX sends: AUX1/2 are configured as switchable PRE/POST, AUX3/AUX4 for internal
- DSP & discrete output.
- 2 built-in DSPs sending signal to AUX sends or main mix bus.
- 7-band stereo graphic EQ with FEEDBACK LOCATOR.
- Compressor with variable threshold and ratio on MAIN MIX bus only for DPM-1622CFX 12 segment signal level meters, use PFL(AFL)/MAIN MIX switch to change PHONES/ CTRL-ROOM output signal.
- Built-in high-quality D class amplifier with signal, CLIP, and protection LEDs.
TOPP PRO DPM-1622CFX/FX


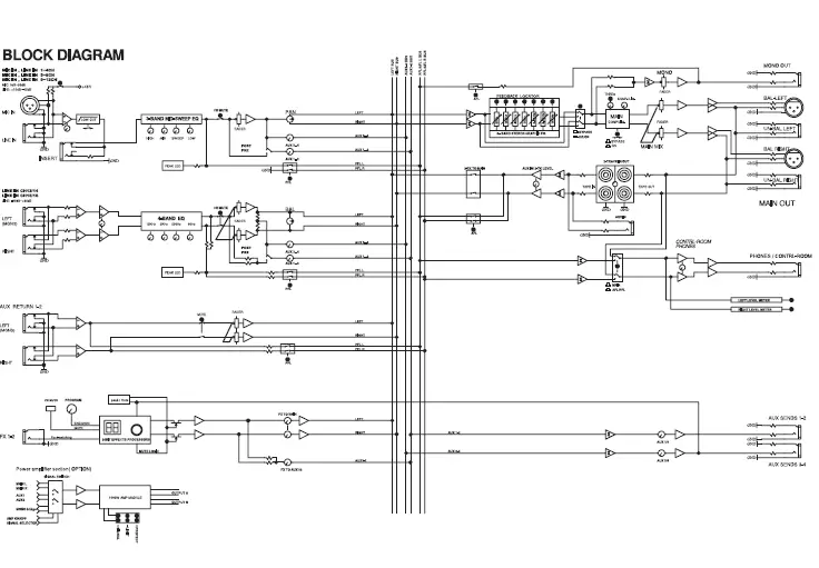
BLOCK DIAGRAM

SMALL GIG HOOKUP DIAGRAM

COMPUTER SET-UP DIAGRAM

CONTROL ELEMENTS

FRONT PANEL
The MONO MIC/LINE Channels
Your TOPP PRO DPM-1622CFX/FX is equipped with 12 lownoise microphone preamplifiers with optional phantom power, 50 dB of Gain and over 100dB of S/N ratio. You can connect almost any type of microphone. Dynamic microphones do not need phantom power. Use phantom power only with condenser microphones but make sure that the phantom power button is disengaged before connecting the microphone. Phantom power will not damage your dynamic microph ones, so make sure to read the microphone instructions manual before engaging phantom power. These channels are also equipped with 1/4″ TRS balanced/ unbalanced LINE-IN plugs to connect line-level instruments such as keyboards, drum machines and effect devices.
MONO Channel INSERT
This is where you connect external sound processors such as compressorlimiter, equalizers, etc. The insert point is available on the first 12 MIC channels only. For the other channels you can always insert the processor in between the sound source (such as keyboard or drum machine) and the TOPP PRO DPM-1622CFX/FX input. The Insert sockets can be used as direct-outs to feed the input of a 4-track tape recorder.
STEREO INPUTS
These are Channel 13/14 and 15/16. They are organised in stereo pair and provided with 1/4″ TRS phone sockets. If you connect only the left jack, the input will operate in mono mode, that is the mono signal will appear on both input channels. You can use these inputs with a stereo keyboard, drum machine, etc.
MONO Channel TRIM
This control is provided with 2 different indications: One is for the MIC and the other for LINE levels. When you use a microphone, you shall read the MIC ring (0~-50dB); when you use a line level instrument, you shall read the LINE ring (+15~ -35dB). For optimum operation you shall set this control in a way that the PEAK LED(17) blinks only occasionally in order to avoid distortion on the input channel.
STEREO Channel TRIM
When you use a line level instrument, you shall read the ring (+20~-20dB).For optimum operation you shall set this control in a way that the PEAK LED(17)blinks only occasionally in order to avoid distortion on the input channel.
LOW-CUT Button
By pressing this button you will activate a 75 Hz low frequency filter with a slope of 18 dB per octave. You can use this facility to reduce the hum noise infected by the mains power supply, or the stage rumble while using a microphone.
HI
If you turn this control up, you will boost all the frequencies above 12 kHz (shelving filter). You will add transparency to vocals and guitar and also make cymbals crispier. Turn the control down to cut all frequencies above 12 kHz. In such way you can reduce sibilances of human voice or reduce the hiss of a Tape player.
MID
This is a peaking filter and it will boost/cut frequencies from 100 Hz to 8 kHz depending on the position of the MID freq control. This control will affect especially upper male and lower female vocal ranges and also the harmonics of most musical instruments.
HI-MID
This control gives you up to 15 dB boost/cut at 3 kHz. It is useful for controlling voice. It can accurately polish your performance via adjusting this knob.
MID-LOW
This control gives you up to 15dB boost or cut at 500Hz.
LOW
If you turn this control up, you will boost all frequencies below 80Hz. You will give more punch to bass drum and bass guitar and make the vocalist more “macho”. Turn it down, you will cut all the frequencies below 80Hz. In this way you can avoid low-frequency vibrations and resonance thus preserving the life of your woofers.
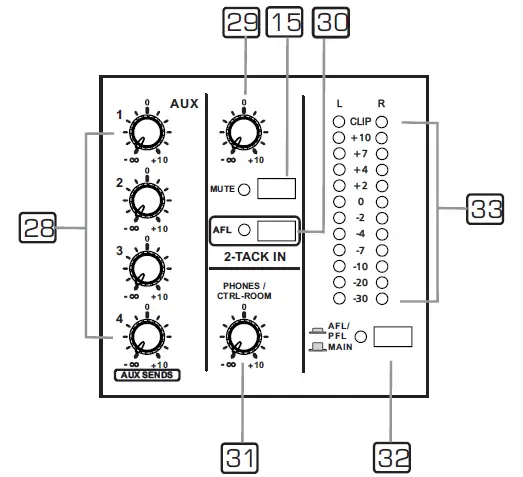
AUX SENDS Level Control
These four controls are used to adjust the level of the respective signal sent to AUX bus, AUX1 and AUX2 can be switched to PRE/POST-FADER via the PRE/POST switch, so, generally, they can be used for monitor application and effects & sound processors input. AUX3 and AUX4 are configured as POST-Faders. In this typical compact unit, excluding sending out the signal directly to the external effect or processor equipment, AUX SEND3/4 can also be assigned to the internal onboard effect module.
PRE/POST Switch
This switch is used to select pre- or post-fader for signal sent from input channel to AUX sends bus 1-2, when you turn this switch to “pre”, the pre-fader signal will be sent to the corresponding AUX bus pair
PAN/BAL Control
Abbreviation of PANORAMA control for mono channels, or the stereo channels, always says, BALANCE control. Keep this control in center position, then the signal will be positioned in positioned in the middle of stage
MUTE Switch & LED
Each channel is equipped with the MUTE switch. This LED illuminates when the MUTE section is activated. Pressing this switch is equal to turning the fader down, which can mute the corresponding channel output except for the channel INSERT send.
PFL (pre-fader listen) Switch & LED
Each channel has a PFL switch which will send a signal from a post-EQ pre-fader location to the AFL/PFL mix bus. This LED illuminates when the PFL is turned down Use this when you wish to use the headphones to monitor only a specific channel. Moreover, you can monitor a channel no matter the channel is lowered or the MUTE switch is on when this PFL switch is engaged. This will not affect the signals that are sent to the MAIN MIX bus and AUX buses.
PEAK LED
Inside your TOPP PRO DPM-1622CFX/FX the audio signal is monitored in several different stages and then sent to the PEAK LED. When the LED is red illuminated, it warns you that you are reaching signal saturation and possible distortion, then you should reduce the input level for avoiding distortion
FADER
This fader will adjust the overall level of this channel and set the amount of signal sent to the main output
+48 Volt Phantom Power & LED
It is available only to the XLR MIC sockets. This LED illuminates when power is switched on. Never plug in a microphone when phantom power is already on. Before turning phantom power on, make sure that all faders are down. In this way you will protect your stage monitors andmain loudspeakers.
LAMP
This lovable LAMP is very convenient for your operation, it is located in the top right corner of front panel, and provides the 12V socket that can drive standard XLR-type(pin1 is for ground, pin 2 is for live terminal, pin3 is not connected) lamp.
Note: don’t connect microphone to this jack, otherwise, the microphone would be damaged.
AUX IN
It is 3.5 mm stereo jack, which enjoys the same mix bus with Tape IN. It can be connected to MP3, MP4, CD player, computer, etc.
2-TRACK IN/OUT
TAPE IN: Use the Tape input if you wish to listen to your mix from a Tape Recorder or DAT.
TAPE OUT: These RCA jacks will route the main mix into a tape recorder.
AUX RETURNS
Use these stereo 1/4” socket to return the sound of an effect unit to the main mix. You can also use them as the extra auxiliary inputs, but they are primarily used to connect the output of external processors.
24 PRESET Selector & DISPLAY
Adjust this knob to select the right effect you wish to perform and the display interface indicates selected preset. There are totally 100 options for you:Echo, Vocal, Plate and versatile two-effect combination. When you are satisfied with the right preset, please push this knob to store this preset you want.
PEAK/MUTE Switch & LED
This switch is used to activate/deactivate the effect facility. Sometimes, you can also use the FX FOOTSWITCH(45) for convenient operation. The LED lights up when the signal sent to effect is too strong, in case of the digital effect module being muted, this LED also lights up.
FX1 TO AUX1/FX2 TO AUX2 Level Control
This knob is used to adjust the level of the processed signal which is sent from the DSP to AUX1/2 bus.
FX1/2 TO MAIN Level Control
This knob is used to adjust the level of the processed signal which is sent from the DSP to MAIN MIX bus.
AUX1-4 Controls
These knobs are used to adjust the amount of the signal sent from the AUX SENDS1-4 jacks to the AUX1, 2 ,3 and 4 buses.
2-TRACK IN LEVEL Control
This knob is used to adjust the level of the signal sent from the 2TR IN and AUX IN jacks to the MAIN MIX bus. The adjustable range goes from – to +10dB.
AFL Switch & LED
When this switch is ON, the LED will light up and the output signal that passes through the corresponding fader or knob is sent to the AFL/PFL mix bus.
PHONES/CTRL-ROOM Control
This knob is used to adjust the level of PHONES output, which can be varied from – to +10dB.
AFL/PFL/MAIN Switch & LED
By pressing the switch, you can choose the output signal source of PHONES/CTRL-ROOM. When the switch is OFF, the stereo LED meter will indicate the signal level of MAIN MIX OUT outputs, when the switch is ON, the AFL/PFL LED lights up, the LED meter indicates the signal level of AFL/PFL mix bus.
LED METER Display
The LED meter display indicates the output signal level.
STEREO GRAPHIC EQ
Each one of these faders will boost or attenuate the selected frequency at a preset bandwidth. When all fader are in center position, the output of the equalizer is in flat response
FEEDBACK LOCATOR LEDs
When one LED lights up, it means the level of this corresponding frequency band is too high, i . e. there is a little feedback occurring in this frequency band, which may result in unpleasant speaker “howling” or “whistling”. In this case, in order to eliminate feedback, you need to turn down the corresponding fader.
EQ Switch & LED
Engage this button to add the stereo graphic EQ into the main mix output circuit, also the LED lights up. It can be used to modify the frequency “contour” of a sound. If you release the button free, the stereo graphic EQ will be bypassed.
POWER LED
This LED will light up when the unit is powered on.
THRESHOLD Control & LED
The threshold control has a range of -40 to +22dB, allowing applications from low level compression to high level limiting. The threshold control determine the audio level above which TRIM reduction occurs. When the signal peaks exceed the selected threshold, the LED lights up and trim reduction occurs.
COMP./LIM. Control
This control determines the ratio of change in output level to change in input level for signal above threshold. If the output remains constant no matter how high the input level, we have an infinite input/ouput ratio. It should be remembered that the control has no effect on signal which are below threshold

COMP./BYPASS Switch & LED
Push this switch , the LED will lights up and you will activate the MAIN MIX COMPRESSOR. You can also use the bypass switch to make a compression between precessed and unprocessed signal.
AUX SENDS Connectors
These 1/4″ phone jacks are used to send out the signal from the AUX bus to external devices such as effect units and/or stage monitors.
MAIN MIX OUT
These jacks are used to output the signal of the MAIN MIX bus. The final output level from these jacks is adjusted by the MAIN MIX fader.
MONO OUTPUT Jack
Use this MONO jack to connect the input of an external amplifier or active monitor speaker.
PHONES Jack
This jack will be used to send the signal to a headphone or to a pair of powered studio monitors.
FOOTSWITCH Jack
This 1/4″ jack can be used to connect an external foot switch to turn on/off the onboard effect module. (Tip terminal controls FX1, rig terminal controls FX2, sleeve terminal connects common terminal.)
POWER AMP Switch
This switch is used to control the amplifier input signal.
POWER AMP MODE Switch
This switch provides three modes: MAIN L/MAIN R; AUX1/AUX2; BRIDGE. Select any one of these modes to specify the signals to be routed to the corresponding jacks according to the speaker connection at speaker jacks on the rear panel. The details refer to later content.
Signal LED
This LED will light up when the signal at the output is at least 100mV.
CLIP LED
This LED will flash when distortion reaches a level of 0.5%, turn the relative signal level control down so that the LED only flashes occasionally.
Protection LED
It will light up when the unit is in protection mode due to overheating, short circuit, low impedance load or other causes.
REAR PANEL
AC Inlet with FUSE Holder
Use it to connect your TOPP PRO DPM-1622CFX/FX to the main AC with the supplied AC cord. Please check the voltage available in your country and how the voltage for your unit is configured before attempting to connect your unit to the main AC.
POWER ON/OFF Switch
This switch is used to turn the main power ON and OFF.
VOLTAGE Selector
There are two kinds of voltages for your operation. From this switch you can select the voltage at 100~120VAC or 220~240VAC.
SPEAKERS Jacks
These jacks are used to connect speakers. They are configured with 4-way speakon connectors and 1/4″ phone jacks. You can determine the signal that is output to these jacks according to the setting of the AMPLIFIER MODE select switch.
Note: In order to avoid damage to the built-in amplifier, please pay attention to the allowed impedance of the speaker. Very low load impedances may damage the amplifier.
INSTALLATION AND CONNECTION
Ok, you have got to this point and you are now in the position to successfully operate your TOPP PRO DPM-1622CFX/FX . However, we advise you to read the following section carefully to be the real master of your own unit. Not paying enough attention to the input signal level, the routing of the signal and the assignment of the signal will result in unwanted distortion, a corrupted signal or no sound at all. So you should follow this procedure for every single channel:
- Turn down all input and output gain controls.
- Connect phantom powered microphones before switching on the +48 Volt phantom power switch.
- Set the output level of your TOPP PRO DPM-1622CFX/FX or the connected power amplifier at no more than 75%.
- Position EQ controls on middle position.
- Position panoramic (PAN) control on center position.
- Increase the input gain properly for maintaining the good headroom and ideal dynamic range.
- Depending on the actual application, turn slowly the input and output level controls for obtaining the maximum gain before distortion.
- Now repeat the same sequence for all input channels. The main LED meter could move up into the red section. In this case you can adjust the overall output level through the main mix control.
Audio Connections
You can connect unbalanced equipment to balanced inputs and outputs. Simply follow these schematics.

MAIN SPEAKERS CONNECTION
Please use only the power connectors to make connections with other signal source equipment for the passive speaker cabinets. The power connector has four terminals: 1+, 1-, 2+, 2-.

And now some tips how to use the AMPLIFIER MODE switch

This is the most common application. The built-in amplifier drives two main speaker cabinets Left and Right. The AMPLIFIER MODE is on MAIN L+MAIN R position. 
With the AMPLIFIER MODE in AUX1+AUX2 position, the built-in amplifier drives two monitor speakers.

With the AMPLIFIER MODE switch in BRIDGE position the two power amplifiers in your TOPP PRO DPM-1622CFX/FX drive together a single speaker cabinet with the sum of the power of the 2 amps. Usually this solution is used to drive a single subwoofer or stage monitor and the main out output on the front panel are used to feed a pair of powered speakers as mid-high units.
PRESET LIST





















