

MC470B
USER’S MAflUAL
BLUETOOTH® 1 3″ (76 mm) WEATH ATED SPEER AND AMPLIFIER SYSTEM

uCs70B unparsable/OTV Amplified Speaker System
NOTES
________________________________________________
MC470B Motorcycle/UTV AmplMed Speaker System
Congratulations on your purchase of a BOSS Audio Systems amplified speaker system. It has been designed, engineered, and manufactured to bring you the highest level of performance and quality, for years of listening pleasure.
Thank you for making BOSS AUDIO SYSTEMS your choice for entertainment!
MC470B Motorcycle/UTV Amplifiedspeaker system
Contents
Amplifier 1 PC
High-Performance, Weatherproof Speakers 4 PCS
Amplifier Mounting Screws 4 PCS
Mounting Hardware_______________________ 4 PCS
Rubber Mounting Shims 8 PCS
Amplifier Mounting Hardware_______________ 8 PCS
Fuse 1 PC
User’s manual 1 PC
Features
Aux-In (3.5mm)
Speaker Clamp Mounts
Weatherproof Volume Control
High-Impact, High Temp Speaker Enclosures
Weatherproof Speakers
Bluetooth Audio Streaming
Specifications
Operation Voltage———————————————10-16V
TH D———————————————————— <0.1%
S/N————————————————————- >85 dB
Channel Separation ————————————— >50 dB
Frequency Response————————————— 50Hz – 15KHz
Sensitivity…………………………………………………………………… >130mv
Speaker Wires…………………………………………………………… 4.6′
Volume Control Wire…………………………………………………… 6.2’
Audio Input Cable………………………………………………………… 1.9′
Power Cable……………………………………………………………….. 6.2′
Bracket Size Range…………………………………………. 0.75″ -1.25″
Fuse Rating………………………………………………………………. 7.5A
Amplifier dimensions…………………………………….. 3.6″x2.3″x1.5″
Installation
- Screw the brackets to the bottom of the speakers.
- Find a safe, ideal mounting location and fit the brackets over the chosen mounting bars.
- Fasten the mounting screws after you review the safety of the mounting location.
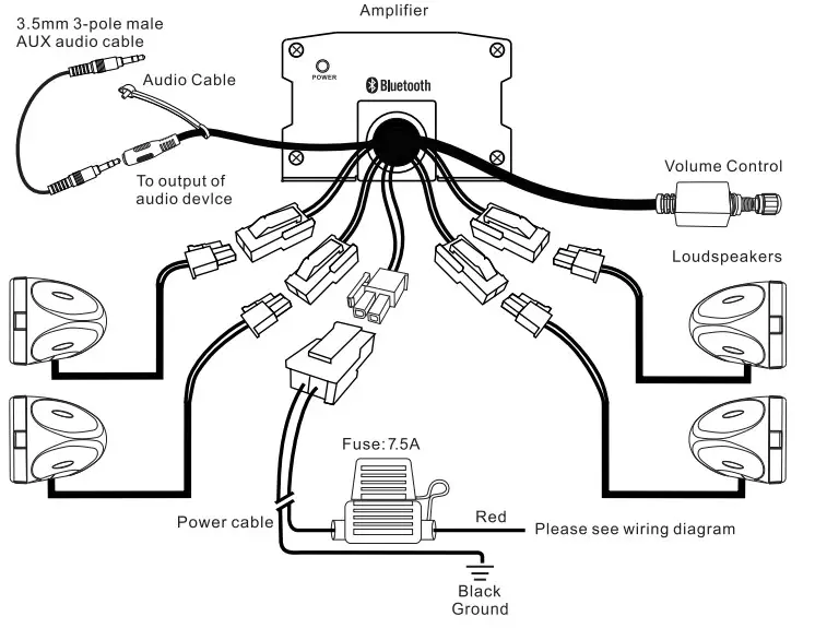
Wiring
- Be sure to run the wiring securely and far away from any moving components.
- Connecting the power cable to the power source: You will need to connect the 12V red wire to a (fused 7.5A) switched power source.
- Use the 3.5mm stereo jack to connect to your entertainment source(MP3 player, etc).
- Use your player device and wired remote volume controller to control your level of loudness.
Bluetooth
To pair and connect your Bluetooth device to the MC4708 Enter Settings > Bluetooth Menu > Search > ” Boss Audio MC470B” > If Prompted to enter a passcode enter : “0000”
Connections

Note:
- AUX 3.5 female input connector for output of another audio device like mobile phone, MP3, iPod, and so on.
- Should use standard 3.5mm 3-pole male plug AUX cable (not included).
- Stop BT connection first when using the 3.5mm AUX input as audio source input.
Amplifier and Loudspeaker Mounting
Install Reminder
The components and wiring should not be installed around any moving parts, keep away from ignition parts, fuel lines, or any hot exhaust
Speakers should not be installed where they might inhibit safety features on the vehicle (i.e. lights, horns, brake levers, etc…)

Power Supply Connection
Option A
Connected to Battery through a 12 VDC SPDT Relay (Single Pole Double Throw)
NOT INCLUDED, SOLD SEPARATELY

Option B
Connected to Battery through a Waterproof Switch (250V AC/6A) NOT INCLUDED, SOLD SEPARATELY

BOSS Audio Systems
3451 Lunar Court • Oxnard, CA 93030
www.bossaudio.com
805-751-4853 Customer Service
Tech Support: www.bossaudio.com/support
0820
The Bluetooth* word mark and logos are registered trademarks owned by Bluetooth SIG, Inc. and any use of such marks by BOSS Audio Systems is under license. Other trademarks and trade names are those of their respective owners.



















