CERWIN-VEGA XMAP1 Marine Bluetooth Audio Player

INTRODUCTION
Cerwin Vega Mobile Products:
Thank you for purchasing a Cerwin Vega Mobile product for your mobile audio system. You have chosen Cerwin Vega Mobile because you deserve the best! Cerwin Vega Mobile products are designed and engineered to the highest quality standards in the industry to create the ultimate listening experience in your vehicle. For optimal performance of this product, it is highly recommended that you have it installed by an authorized Cerwin-Vega Mobile dealer. Our authorized dealers have the necessary experience and installation equipment to ensure that your Bluetooth controller will deliver maximum performance and explain all the details pertaining to our warranty coverage as well. If you decide to install the product by yourself, please thoroughly read through this manual before getting installed. This manual will help familiarize you with this Bluetooth receiver and guide you through the installation process and procedures. Please contact your local authorized Cerwin Vega Mobile dealer if you have any questions regarding the instructions in this manual or the product’s operational capabilities. If you require additional assistance, please contact the Cerwin-Vega Mobile Technical Support Department during business hours (PST) at 213-261-4161 ext 3182.
XMAP-1: SUPPLIED HARDWARE PARTS
- XMAP-1 Recreational Powersport Marine Bluetooth Audio Player 1 – Adjustable Mounting Bracket
- Machine Screws to mount bracket
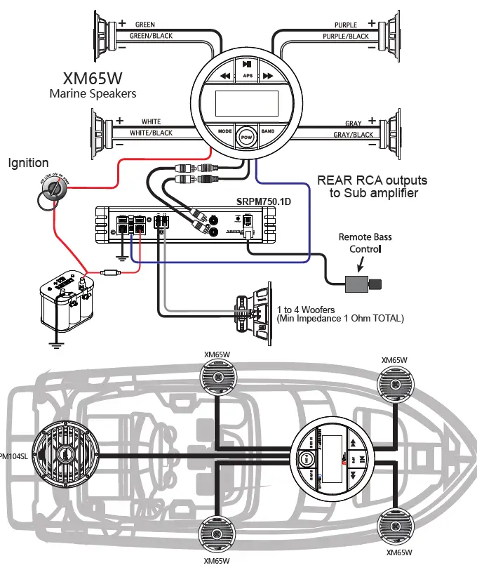
Wiring/Mounting
General Information
- Recreation Powersport Marine Source Unit
AM/FM
320 Watts Peak Power
3” Gauge Mount
IP66 Splash Proof LED Display with Clock - Bluetooth Connect
Bluetooth Connection
USB Input
Auxiliary RCA Input - INSTALLATION & POWER SPECIFICATIONS
4 Channels x 40 Watts RMS (320 Watts Peak Power) 2.75” / 70mm Total Mounting Depth
3.75” / 95.25mm Cut Out Diameter - AM / FM Section
USA Frequency: FM87.9 – 107.9MHz / AM530-1710kHz Europe Frequency: FM87.5 – 108MHz / AM522 – 1620kHz Intermediate Frequency: 10.7MHz
Noise Limit Sensitivity: >5uV
Intermediate Frequency Rejection: 50dB - MP3 Section
Signal to Noise Ratio: >55dB
Frequency Response: 20Hz – 20KHz
A/D Conversion Filter: 16BIT - Audio & Other Section
Power Output: 4 x 40 Watts Maxx
Power: DC +12 Volt Battery
Load Impedance: 4 – 8 Ohms / Channel
Controls/Operation
The button layout below will give you a quick overview of the button functionality.


Sources
To change any of the sources, press the mode(5)button the Radio. Continue to press Mode until the desired source is reached.
Operation
- FM Source:
Function - Tune-Up:
Hold Tune-Up 3 button for 1 second. Then press 3 once. - Tune Dawn:
Hold the Tune Down 2 button for 1 second. Then press 2 once. - Mute:
Press the 1 button once - AM Source:
Function - Tune-Up:
Hold Tune-Up 3 button for 1 second. Then press once.3 - Tune Dawn:
Hold Tune Down 2 button for 1 second. Then press 2 once. - Mute:
Press the 1 button once - Presets:
Press and Hold 2 button. Programs strongest stations into FM and AM Presets. Press Tune-up 3 and Tune Down 2 will change preset stations. To set a custom preset, press Tune Up for desired preset number. Then use Manual Tune to change to the desired station. 3Press to Manual searching station function. - USB source:
Function: - Next Rack:
Press the Seek Up (3) button once3 - Previous Track:
Press the Seek Down (2) button once2 - Fast Forward:
Held Tune-Up (3) button3 - Rewind:
Hold Tune Down (2) button2 - Pause:
Press the (1) button.1
Bluetooth (BT) Source:
Function - Next Track:
Press the Seek Up (3) button once3 - Previous Track:
Press the Seek Down (2) button once2 - Pause:
Press the (1) button.1 - BT Source Pairing Mode:
When BT MUSIC is flashing,the marine audio is in pairing mode Locate the device name on your phone to pair 5Press amd hold mode to enter settings MENU. Press and Release mode 5 to change the MENU item. To adjust the setting, use the roaty knob. Adjustable settings are: BASS, Treble, Balance, Fader , Beep, EQ , Loud and Tuner Region
Special Note
USB-A Port:
The Cerwin Vega Mobile XMAP-1 multimedia gauge-style Audio Player is fitted with a rear-panel USB-A port attached to the rear chassis via a 6″ cable and comes with a 40″ USB extension cable. The USB-A port allows you to plug in your USB mass storage class device (like a USB thumb drive or portable digital audio player) for playback of MP3 (up to 320kbps) music files. You USB MSC device must be formatted in FAT32. The unit offers Play/Pause & Previous/Next Track control (there is no song/artist info display). If your USB MSC device can be charged via USB, the unit’s USB (5V/1A) port will charge your device while connected.
Note: The unit’s USB port does not support Apple iPod/iPod/ iPad, Android smartphones/tablets, HDDs, or USB hubs.
Aux Input:
The Cerwin Vega Mobile XMAP-1 is equipped with a rear-panel stereo RCA AUX input attached to rear chassis via a 6″ cable. This stereo AUX input allows you to connect an external audio device with a stereo RCA output. If you have a source device that has a 3,5mm minijack output, then you will need a stereo minijack-to-RCA adapter (sold separately).
Basic System Design

Advanced System Design
XMAP-1 UTLIZING INTERNAL AMPLIFER – PLUS – REAR CHANNEL RCA’S TO DRIVE A SUBWOOFER AMPLIFER

WARRANTY
Thank you for purchasing a Cerwin Vega Mobile product and we hope to provide you with countless hours of listening enjoyment. Cerwin Vega Mobile warrants all of our amplifiers and speakers to be free to defects in materials and workmanship for a period of one (1) year. This warranty is non-transferable and applied only to the original purchaser from an authorized Cerwin Vega Mobile dealer. If service is required and necessary under this warranty due to a manufacturing defect or malfunction, then Cerwin Vega Mobile will repair and/or replace the defective product with either new or remanufactured like product at no charge at our discretion.
Damage to product caused by the following will not be covered under this warranty: abuse, accident, misuse, neglect, modifications, repairing attempts, seller/installer misrepresentation.
This warranty does not cover any incidental, consequential, or cosmetic damage due to accidents or normal wear and tear, nor does it cover the cost of removing or reinstallation of the product. Warranty is void if the product serial number has been removed, defaced, and/or tampered with.
Warranty Procedure:
We recommend that you contact your Cerwin Vega Mobile authorized dealer where your original purchase was made to initiate all warranty claims. Our authorized dealers can guide you through the warranty procedure to ensure that your claim will be processed in a timely manner. All warranty returns must be accompanied with a proof of purchase (a copy of the original sales recipt) and be shipped freight prepaid to our facility with an RA (Return Authorization) number clearly marked on the outside of the package. Direct returns from consumers or non-authorized dealers will be refused if shipped without a valid RA number authorized by Cerwin Vega Mobile beforehand.
INTERNATIONAL
Products purchased outside of the U.S.A. are covered only by that country’s distributor and not by Cerwin Vega Mobile U.S.A. Please Ship All Warranty ClaimsWith Pre-Authorized RA Number
To:
CV&DA Holdings, Inc.
ATTN: Customer Service Department
3761 S. Hill St.
Los Angeles, CA 90007 USA
Please contact Customer Service for Further Warranty Information: U.S.A.
Tel: 213-261-4161 / Fax: 213-246-2423]
©2018 CVDA Inc. All Rights Reserved. Cerwin Vega Mobile and associated logos are registered trademarks of CVDA Inc. in the United States and/or other countries. The Bluetooth word and mark
and logos are registered trademarks owned by Bluetooth SIG, Inc. and any use of such marks by CVDA Inc. is under license. All other trademarks are the property of their respective owners. Specifications subject to change without notice.
General Information

















