Earth Connect ECMVLVE Bluetooth Integrated Fixture with Microwave Sensor User Manual
Specifications
- Input Voltage: DC 12V
- Input Current: 45mA Max
- Input Power: 0.5W
- Output Voltage: DC 10V
- Output Current: 10mA Max
- Output Power: 0.1W
- Dimming: Class 2, 0-10V DC 10mA Max
- Sinking Current: 10mA Max
- Bluetooth Transmit: 200ft Max
- Radio Frequency: 2.4
- Bluetooth Transmit: 200ft Max
- Radio Frequency: 2.4GHz ± 75MHz
- Bluetooth Version: 4.2
- Housing Material: UL 94-V0
- Indoor/Outdoor Us: Yes
- Detection Range: 28-80ft
- Mounting Height: 10-35ft
- Operating Temperature: -30°C to 55°(-22°F to 131°F)
- Storage Temperature: -30°C to 85°(-22°F to 185°F)
- IP Rating: IP20
PRODUCT DESCRIPTION
EarthConnect, Bluetooth® networked lighting control system makes it easy for commercial facilities to maximize energy savings, improve comfort and achieve building code compliance for indoor and outdoor applications. This microwave occupancy sensor supports setting delay time and bi-level dimming of sensors through the EarthConnect APP. It is powered by EarthConnect fixture controller (ordered separately). For use with low bay fixtures such as LED Vapors and LED Strips.
PRODUCT FEATURES
- Microwave occupancy sensor
- This sensor controller is Bluetooth®
- Factory installed with order
- Indoor or outdoor use only
- IP20 rating
- Fixture controller for power is available (see optional accessories)
- Controlled via Earth Connect mobile app or keypad (purchased separately)
APP FEATURES
- Wirelessly group luminaires to act in sync with each other.
Convenient commission via smartphone or wireless Bluetooth® wall switch, On/Off/ Dim. - Pre-set various color and brightness for individual or group of luminaires under different scene buttons, arouse all settings with one button.
- Support setting delay time and dimming level for a group of sensors through
- Search “Earth Connect” on the app store for iPhone (iOS 8.0 or later, and Bluetooth 4.0 or later), or google play store for Android (Android 4.3 or later, and Bluetooth 4.0 or later).
Physical Attachment
Communication Link
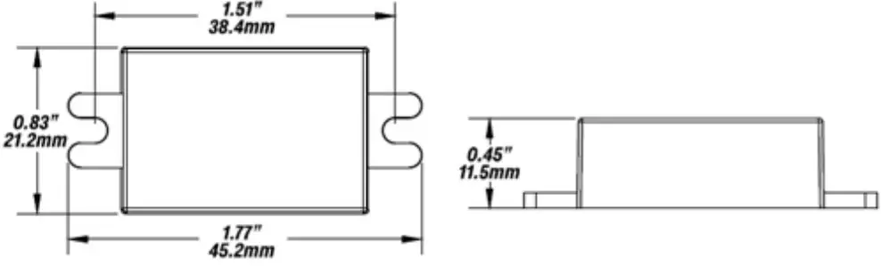
PRODUCT DIMENSIONS

- Dimensions: 1.77”L x 0.45” W x 0.83” H
- Weight: 3 oz./ 0.1875 lbs.
- Case Material: Plastic
- UPC: 840791118030
WIRING DIAGRAM

OPTIONAL ACCESSORIES
Hardwire Low Bay Controller Order Code: 11800
der Code: 11808 Wall Plate Order Code: 11809
LEARN MORE: Earth Connect
www.earthtronics.com/earthconnect
Download the Earth Connect App


Symbols
Earth Tronics, Inc. | Norton Shores, MI 49441 | www.earthtronics.com |
Email: [email protected]
Toll Free: 866.632.7840
Norton Shores, Michigan 49441
T: 231.332.1188
F: 231.726.5029
TOLL FREE: 866.632.7840
www.earthtronics.com
















