User’s Manual
THE ORIGINATOR OF CLASSIC
VEHICLE OEM FIT RADIOS
SINCE 1977
USA 740 RADIO
AM/FM WITH RDS TUNER, BLUE TOOTH, and VA DISPLAY
- HIGH POWER 300 WATTS
- AM/FM with RDS & 25 Pre-sets
- 7 LCD Color Choices (selectable)
- BlueTooth
- CD Controller
- Auxiliary In Aux1 and Aux2 (on the front)
- Subwoofer Line out w/ x-over
- Front/ Rear Fader
- Left/Right Balance
- Bass / Mid / Treble Control
- DSP EQ
- Clock
- USB Jack charges for mobile phones
- USB MP3/WMA/FLAC/WAV Player
- Loudness Function
- Last Volume Memory
- RCA Pre-out 5v (2 Pair)
- Auto Antenna lead
READY TO INSTALL IN YOUR ORIGINAL DASH
NO ASSEMBLY IS REQUIRED!
Introduction
Thank you for your purchase of a Custom Autosound radio.
This AM/FM receiver is specifically designed and manufactured for your classic vehicle. It is a reflection of over 36 years of customer feedback regarding preferred features, vehicle compatibility, cosmetics, and quality components.
The quality of the components and various parts that are used in our radios were developed in a California audio research laboratory. The laboratory researched and assembled the finest affordable CD controller radio tuner and amplifier sections.
Custom Autosound and its staff own over 16 classic special interest cars and trucks. These vehicles are used for research and development, car show meets, and much personal pleasure. We find that our custom radios only sound as good as the speakers they are matched with and a quality installation.
We also manufacture a full line of rear, dual front, and dual voice coil speaker assemblies to fit in the original speaker areas. Also available are replacement kick panels with built-in speakers and a custom 2.1 amplified system with satellite speakers that look like AC vents. All of these speaker assemblies are made to be mounted without permanent vehicle modifications. Check out our website!
Your Custom Autosound authorized dealer has information regarding our speakers and special speaker assemblies, as well as information regarding custom radios for vehicles other than yours. We offer over 300 different ‘conversions’ for various makes, and year groups, all radios are ready to install, no assembly required.
Again, we thank you for your purchase! You have increased the value and “Driving Pleasure” of your classic without compromising originality.
Regards, Carl Sprague
President
Custom Autosound Mfg.
It Is advised that you do NOT return defective units to your dealer. There is generally no “exchange” e.g.(as is standard Electronics Industry Policy). Also, most dealers do not
have radio technicians, test benches, etc and a return to the factory through a dealer can extend turn-around times by weeks!
Please call Custom Autosound, requesting technical assistance if a problem occurs. We will gladly troubleshoot/advise, step by step.
After calling if your unit is in need of repair/return, Please ship to us, UPS preferably.
We will repair or replace and return ASAP! The normal turnaround time is 7 business days plus shipping time.
Custom Autosound Mfg, Inc.
800-888-8637 (8:00AM-4:00PM PST)
1030 West Williamson Ave
Fax 714-773-1525
Fullerton, CA 92833
www.custom-autosound.com
Radio Installation
Thank you for your purchase of this Custom Autosound product!
Owner- Installer: Please review the installation instructions and the owner’s manual.
Keep in mind that your radio and/or speakers are custom equipment designed specifically for your year’s vehicle. It should be handled carefully and installed preferably by an auto radio specialist. We suggest that you ‘BENCH TEST” the unit before installation, as we do, prior to shipment. This is to ensure that the equipment functions properly before the time is spent on installation. This way, if a careless installation occurs and the unit gets “fried” or some other possible damage, the installer is responsible. Shipping damage does occasionally occur. If you should suspect shipping damage, please contact the delivery company at once.
Please read the owner’s manual thoroughly before using your radio.
It is recommended that you disconnect the negative lead from the battery before installing any electronic equipment in your vehicle. Reconnect when wiring is complete.
First, you will need to remove the original knobs and shaft nuts from your original radio if present. Unplug the main wire harness and speaker leads from the back of the original radio. Disconnect the antenna leads and remove the mounting strap from the back of the radio. The radio is now ready to be removed from the dash. Check the original radio for signs of water or oil damage from leaks. If leaks are present, do not install the new radio. Water, oil, or any other liquid damage is not covered under the new radio warranty.
REAR MOUNTING STRAP OMISSION VOIDS WARRANTY!
Attach the rear mounting strap to the rear of the radio. Install the radio from behind the dash. Now attach the mounting strap to the dash or firewall using an existing bolt or screw. Now attach shaft nuts to secure the radio in the dash (DO NOT OVER TORQUE THE SHAFT NUTS – SLIGHTLY MORE THAN HAND TIGHT IS SUFFICIENT). Once the radio is centered and secured, you can install the knobs.
Please refer to wiring instructions on pages 4&5.
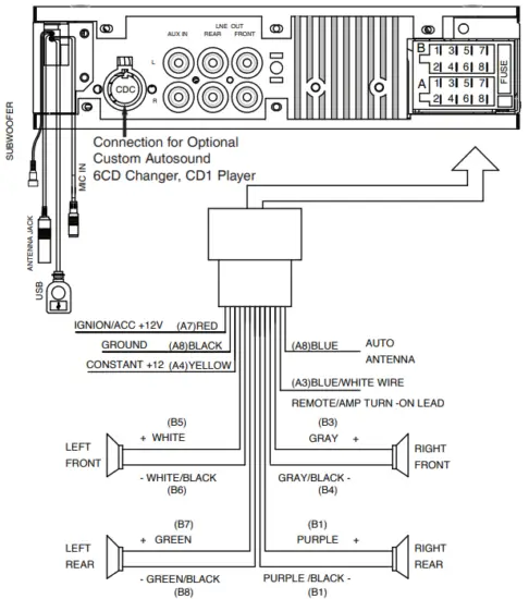
Plug-in antenna lead On speaker hook up make sure the positive lead goes to the positive terminal and the negative lead to the negative terminal of the speakers. A minimum of two speakers is required for this stereo radio. DO NOT CONNECT ANY TWO-SPEAKER LEADS TO EACH OTHER OR TO VEHICLE GROUND. Radio damage will occur. If less than four speakers are used, tape off the remaining speaker leads to prevent a short.
Connect the red power wire to a switched 12volt source. Connect the yellow memory wire to a constant 12volt source. Wire the black ground wire to a clean, solid chassis point or original ground wire from the factory radio.
Good Listening! Audio quality is only as good as speaker quality!
Power and Speaker Connections (Refer to Wiring Diagram on page 5.)
Note: Both Red and Yellow wires must be connected for the radio to operate.
A-Main Power-Red Wire B+
Connect the RED wire (B+) to an accessory fuse that is switched OFF when the key switch is in the OFF position and is switched ON when the key switch is switched to the ON or accessory position.
B-Memory Back-Up-Yellow Wire B+
Connect the YELLOW wire (memory B+) to an accessory fuse that is always ON regardless of the position of the key switch. The lead supplies power to the program memory and the clock circuit when the radio is switched off. If there is no power on this lead the radio will not turn on.
C-Power Antenna (Auto-Antenna) – Blue Wire
This wire can be connected to the positive switch terminal of the relay for the auto antenna (if your car is equipped) or to the remote on the switch of the amplifier or booster (if equipped). NOTE: DO NOT connect this wire to a negative position or to any device that requires a high current Otherwise the radio may fail or become “fried”. If your car is not equipped with an auto antenna, leave this wire sealed and do not allow it to short to any other positions.
Important Notice For Semi-Auto Antenna
Do Not Connect the power antenna lead to this radio unless it is a fully automatic antenna. If your antenna was controlled by a switch or knob on the original radio (ex. 1958-68 Cadillac radios) it is not a fully automatic it is a semi-automatic antenna. If you connect the antenna actuator lead of a semi-automatic antenna to this radio you will burn the circuit board in the radio. This can cause unrepairable damage.
D – Ground Wire – Black
Connect the black ground wire to any clean paint and contaminant-free area of the vehicle chassis. NOTE: Proper grounding is essential for optimum performance of your radio.
E – Speaker Wires
Connect the speaker wires as shown in Figure 2.
AUX1 and AUX2 Input
There is a right and left AUX1 input on the back or AUX2 input on the front of the nose piece of your radio. Use these to listen to any portable device with standard headphone outputs ( MP3 player, Nav unit, portable CD, etc.) The radio will control the volume level only of this input.
Low-Level Output (Line Out Jacks) Connection
The radio is equipped with low-level, high impedance outputs. The low-level outputs (RCA type Line Out Jacks) for the front/rear/subwoofer will not drive speakers. If you are connecting an amplifier or plan on it in the future, it is recommended to use these leads. It makes for a cleaner and easier installation.
Subwoofer Out On Pig Tail
See Figure 2
WIRING DIAGRAM
Figure 2
CONTROLS
Figure 3
| Function See FIG.3 | Radio Mode | IUSB/CDC/BT AUDIO | |
| Power On/Off | 1 | Press the left front knob to turn the unit on. Look for CUSTOM AUTO SOUND ON POWER UP Press the left front knob to turn the unit off. The LCD display will show GOODBYE for your confirmation | |
| Volume | 1 | Turn the left front knob to adjust the volume attenuation between 0-45 (Min/Max). 14 is the default turn-on level. | |
| Mode | 2 | Turn the left rear knob clockwise to select from an available listening source: Radio, USB, CDC, BLUE TOOTH or AUX1, AUX2 | |
| TA | 2 | Turn and hold the left rear knob clockwise to turn On/Off the Traffic Announcement function (FM Only) if supported by the station. TA will blink on the LCD | |
| Clock On | 2 | Turn the left rear knob counter-clockwise to activate the clock on-screen feature. When you turn the left rear knob counterclockwise the Clock is displayed for a few seconds. Turn and hold the left rear knob counter-clockwise while displaying Clock and “Hour Adjust” mode is activated for a few seconds. During the mode turn the left front knob to adjust the hour, turn the left rear knob counter-clockwise during “Hour Adjust” mode, and “Minute Adjust” mode is activated for a few seconds. During this mode, turn the left front knob to adjust the minute. | Turn the left rear knob counter-clockwise to toggle and view artist, album, and title information. |
| View Song Info/ Clock | 2 | ||
| BLUETOOTH | 2 | If a call comes in, Turn the left rear know counter-clockwise to accept the call. | Turn the left rear konb clockwise to end the call. |
| Preset 1Recall/Store | 3 | Press to select the #1 radio pre-set. Press and HOLD to store preset 1 into memory. | Press to play/pause file play-back on USB / CDC / BT AUDIO |
| Play/Pause | |||
| Function See FIG.3 | Radio Mode | USB/CDC/BT AUDIO | |
| Pre-set 2 Recall/ Store | 4 | Press to select the #2 radio preset. Press and hold to store pre-set 2 into memory. | Press to play 10 seconds of each track on the flash drive or CDC Press again to cancel the pre-view scan function. |
| Preview Scan | |||
| Pre-set 3 Recall/ Store | 5 | Press to select the #3 radio preset. Press and hold to store pre-set 3 into memory. | Press to randomly play all digital tracks on your flash drive or CDC. |
| Random | |||
| Pre-set 4 Recall/ Store | 6 | Press to select the #4 radio preset. Press and hold to store pre-set 4 into memory. | Press to move UP through folders on your flash drive. The first file in the selected folder will play. The screen will display FOLDER NAME, etc. ON CDC: DISC UP |
| Select Folder Select Disc | |||
| Pre-set 5 Recall/Store | 7 | Press to select the #5 radio preset. Press and hold to store pre-set 5 into memory. | Press to move DOWN through folders on your flash drive. The first file in the selected folder will play. The screen will display FOLDER NAME, etc. ON CDC: DISC DOWN |
| Select Folder Select Disc | |||
| Next/Previous | 8 | Turn the right front knob to tune to the next or previous AM/FM frequency. | Turn the right front knob to change to the next/previous track this function also applies to BLUETOOTH music. |
| Audio Adjust | 8 | Press the right front knob to activate the SEL(Select)function. Press repeatedly to cycle through the DSP(Digital Signal Processing)EQ. Bass, Mid, Treble, Balance, Fader, Loudness. Subwoofer and subwoofer specific adjustments (when SUB ON is selected). Turn the left front knob to select a value. | |
SEE FIG.3
| Function See FIG.3 | Radio Mode | USB/CDC/BT AUDIO | |
| System Menu | 8 | Press and hold the right front knob for 3 seconds to access the sub-menu system where you can adjust: DIMMER, LCD Color, DISPFUN/CLK, SCHROFF/CLK, Auto/Manual, turning, DX/LOCAL, STEREO/MONO, A STORE, AREA USA/EUR/AUS/JAP/RUS, BT ON/OFF, BT DISC, BEEP OFF/ON, CT ON/OFF, PTY Search, Vol Adjust/Vol Last and volume default level, TA Seek/Alarm, PI Sound/MUTE, Mask DPI/ALL. Toggle the selection by turning the left front knob and pressing the right front knob to go to the next mode. | |
| Preset 6 Store | 9 | Turn the right rear knob counter-clockwise to select the #6 radio preset. Turn and hold the right rear knob clockwise to store preset 6 into memory. | Turn and release the right rear knob counter-clockwise to repeat the current track (RPT TRK) or repeat all tracks (RPT ALL). |
| Repeat Play | |||
| 9 | Turn and hold the right rear knob clockwise to turn On/Off The AF function. (FM Only, Disabled in the USA) | ||
| Band | 9 | Turn the right rear knob clockwise to toggle through 5 radio bands (2 AM and 3 FM). NOTE: When tuning to a station, a stereo indicator (two ovals) will show on the upper right side of the radio’s LCD screen. If there is no stereo icon seen, the station is in mono. | Turn the right rear knob clockwise once to select “FOLDER” search mode, turn the front left knob clockwise or counter-clockwise to select folders(directories) on the USB drive. Press and release the front right knob to select the folder, the first song in that directory will be heard. |
| Track/Director Search | |||
| Preset Scan | 9 | Turn the right rear knob counter-clockwise to scan stations stored in the current band the unit will pause for the seconds at each preset station Turn the right rear knob counterclockwise again to stop scanning when the desired station is reached. | |
| AUX IN | 10 | AUX2 Input on the front nosepiece. | |
| LCD / DISPLAY | 11 | LCD DISPLAY | |
Adjusting the sound properties:
- Press the right front knob, then release, to access the sound properties menu.
- Repeatedly press and release the front right knob to scroll through the available menu options.
- Turn the left front knob right or left to select a value for the chosen menu option.
- Press and release the right front knob repeatedly to move to the next function desired, or do nothing and the menu will revert to the current source display.

EQ SETTING
When you first access this menu, EQ is set to OFF, Turn the left front knob to view and select from the 5 preset equalizer options.
The FLAT setting offers sonic adjustments that lend themselves to classical music.
The CLASSIC setting offers sonic adjustments that lend themselves to classical music.
POP setting accentuates the bass and treble settings. This is suitable for bass-heavy popular music.
ROCK setting accentuates the treble settings. This is suitable for rock music.
BASS / MID / TREBLE selections do not come up when the EQ is set to anything other than OFF.
BASS
The bass adjustment function allows you to boost or cut the low frequencies from -12 to +12.
MID
The mid-range adjustment function allows you to adjust the middle frequencies from -12 to +12.
TREBLE
The treble adjustment function allows high you to boost or cut the high frequencies from -12 to +12.
Balance

The balance adjustment function allows you to adjust or pan the stereo sound from the left or right, This position or the driver in relation to the speakers. The adjustment range is 0-20 between the left and right speakers.
FADER
The fader control allows you to fade the sound from the front pair of speakers to the rear pair of speakers. The adjustment range is 0-20 between the front and rear speakers.
Loudness
This function boosts bass and treble according to the volume. You will know this function is active when you see “LOUD” on your display. This function boosts bass and treble for low listening volume and should be turned off at higher volumes.
SUB ON/OFF
Turn the subwoofer RCA output ON to activate this feature.
SUB VOL
When SUB ON is selected and a subwoofer is attached to the sub out RCA, use this function to increase or decrease the volume level of the subwoofer outputs from 0-12.
SUB (55h / 85h / 120h / 160h
When SUB ON is selected and a subwoofer is attached to the sub out RCA, use this function to adjust the subwoofer crossover point to 55HZ, 85HZ, 120HZ or 160HZ. Use the left knob for adjustment.
BASS / MID / TREBLE X-Over
This Menu does not come up when the EQ is set to anything other than OFF.
BASS
Use this function to make a more detailed boost or cut adjustment of bass (low) frequencies as follows:60/80/100/120Hz.This is a very useful model for making very specific tonal adjustments. When selecting one of these60/80/100/120Hz points, any changes to the prior BAS Menu settings on page 10 (-12 to +12) will boost or cut at the selected frequency setting chosen in this menu.
MID RANGE
Use this function to make a more detailed boost or cut adjustment of midrange (vocal) frequencies as follows:0.5K/1.0K/1.25K/1.5KHz.The default setting is 1.0KHz.This is a
very useful model for making very specific tonal adjustments. When selecting one of these 0.5K/1.0K/1.25K/1.5KHz points, array changes to the prior MID menu settings on page 10 (-12 to +12) will boost or cut at the selected frequency setting chosen in this menu.
TREBLE
Use this function to make a detailed boost or cut adjustment of treble frequencies as follows; 7.5K /10.0K/12.5K/15.0K. The default setting is 10.0KHz.When selecting one of these 7.5K /10.0K/12.5K/15.0K points, any changes to the prior TRE menu settings on page 10 (-12 to +12) will boost or cut at the selected frequency setting chosen in this menu. This is a very useful model for making very specific tonal adjustments.
Accessing the sub-menu system menu:
- Press and hold the right front knob for 2 seconds, then release, it to access the sub-menu system.
- Repeatedly press and release the front right knob to scroll through the available menu options.
- Turn the left front knob right or left to select a value for the chosen menu option.
- Press and release the right front knob repeatedly to move to the next function desired, or do nothing and the menu will revert to the current source display.
Sub-Menu Options
DIMMER

Use this menu option to switch the LCD brightness between 0 to 7, Turn the left front knob clockwise or counter-clockwise to make your selection.
(LCD DISPLAY COLOR)
Select the desired color preset. By default, the LCD lighting will be White. Available color options include WHITE, RED, GREEN, BLUE, CYAN, YELLOW, and PINK. When you selected the User Mode, the LCD lighting will alternate between all colors within 10 seconds.
DISP FUN/CLK
The unit default setting displays function info on the screen. Select “DISP CLK” to show the clock as the priority screen view without any operation in 10 seconds. Turn right front knob either clockwise or counter-clockwise to select “DISP CLK” or “DISP FUN”
SCR OFF/CLK
The unit’s default setting displays nothing on the screen when the radio power is off. Select“SCR CLK” to show the clock as the priority Screen view when the radio power is off. Turn the right front knob either clockwise or counter-clockwise to select “CR OFF” or “SCR CLK”.
AUTO SEEK
This function allows you to select auto to seek tuning or manual tuning when you turn the right front knob to the right or left when listening to the radio. The factory default setting is AUTO SEEK. Turn the left front knob clockwise or counter-clockwise to select manual or auto.
LOCAL/DX
When listening to the FM tuner, you can access the LOCAL or DX (default)option. Selecting between the LOCAL and DX settings can aid in listening to weak FM radio stations or compensate for stations that have too strong of a signal.
STEREO/MONO
When listening to the FM tuner, you can access the STEREO (default)or MONO option. Selecting between the stereo and mono settings can set up a stereo or mono output.
A STORE
This function will automatically fill presets with the strongest stations found for the current band. Turn the right front knob clockwise to activate this feature.
AREA (USA/EUR/JAP/AUS/RUS)
The radio has the capability to receive AM/FM broadcast frequencies in other countries. To modify the default setting. (default), turn the left front knob.
BT ON/OFF
Turn the left front knob clockwise to select “BT ON” to enable the Bluetooth function and search for “Custom Autosound” in your phone’s Bluetooth device list. Enter a password (0000) if prompted. Turn counter-clockwise to select “BT OFF” and disable the Function.
BT ONN/DISC
Turn the left front knob clockwise to select “BT DISC” to break the Bluetooth connection when Bluetooth is in a connection state. Turn to “BT CONN” radio will automatically connect to the last connected phone.
BEEP
This function controls the audible beep confirmation that sounds during radio operation. With the beep function displayed, turn the left front knob to select BEEP OFF, BEEP 2ND, or BEEP ALL. If you selected the BEEP 2ND, press and hold the knob for 1 second will hear the audible beep confirmation only.
CT ON/OFF
If supported by the station, adjust to turn the CT (Clock Time) function on/off. This feature can synchronize the clock with the radio station’s clock.
VOLUME ADJUST/LAST
Factory default for this menu option is VOL LAST, which maintains the last volume the radio was at when you turned it off. When you select ADJ, you can set the default turn-on volume at any level(ADJ VAL 00-45), regardless of what the volume level was when you last turned off the unit.
PROGRAM TYPE (PTY) (Works in EURO Mode only)
This function will allow you to search for a special PTY Station in FM Mode. Turn the left front knob clockwise or counter-clockwise to select the PTY which you want, And then, Turn the right front knob clockwise to activate the Search process.
TA SEEK (Works in EURO Mode only)
This function allows you to select the tuner working in TA Seek or TA Alarm mode. Turn the left front knob clockwise or counter-clockwise to select TA Seek or TA Alarm.
PI Sound (Works in EURO Mode only)
This function allows you to select the tuner working in PI Sound or PI Mute mode. Turn the left front knob clockwise or counter-clockwise to select PI Sound or PI Mute. MASK DPI (Works in EURO Mode only)
This function allows you to select the tuner working in Mask DPI or Mask All mode. Turn the left front knob clockwise or counter-clockwise to select Mask DPI or Mask All. RDS tuners can automatically tune in stations according to the style of music (or talk) they broadcast. Some RDS tuners can even break in with traffic alerts or emergency broadcasts.
RDS enables your receiver to display text messages (usually call letters and format info that many FM stations include on a subcarrier signal within their normal broadcast signal. The RDS function is always active, and if the FM station you are listening to is broadcasting RDS information, the radio station calls letters, song info, artist info, and other messages will appear.
USB Player
The USB decoder is compatible with MP3 (MPEG Audio Layer-3) FLAC, WAV, and WMA (Windows Media Audio) files. It is preferable to set up your flash drive/thumb drive with a folder system. This way you can advance to another set of songs (folder) by pressing the disc up or disc down buttons. Similar to having multiple discs in a CD changer.
- Insert your flash drive/thumb drive into the USB jack (located on an 18” extension from the back of the radio).
- Turn and release the left rear knob clockwise until USB PLAY is displayed on the screen. The radio will automatically start playing your files starting with the first file on the flash drive.
- To change songs, turn the clockwise/counter-clockwise button (8). Use the disc up disc down buttons (6)(7) to change folders if your drive is set up with folders.
Note: The folder name or number does not appear on the LCD Display. Track numbers for songs in the folder are determined by the order in which they were recorded to the
flash drive.
The player will not play MP4 or files with copy protection.
Pairing a Bluetooth Device
When connecting a Bluetooth device for the first time, you must first pair the device with the USA 740. For most devices, pairing only needs to be done once. Please follow these steps: Make sure the BT (Bluetooth) function is turned “ON” in the radio Sub-Menu.
See “Sub-Menu System” on page 13.
- Ensure Bluetooth is enabled on the phone to be connected to the unit.
- Search for a new Bluetooth device from the phone (this may take up to 30 seconds).
- Select “CUSTOM AUTO SOUND” from the Bluetooth device list.
- Some devices may require you to enter a PIN. If prompted, enter “0000” for the PIN.
“PAIRING OK” will be displayed on the LCD display if the pairing is successful.
The paired device will then connect to the USA 740 automatically.
Making a Call
- Dial the desired number on the paired mobile phone.
- Once dialing is in progress, “CALLING” will be displayed on the LCD.
- When the call is in progress, “TALK” will be displayed on the LCD, along with the elapsed call time (TALK 00:00).
Receiving a Call
- If a call comes in, audio playback from the current source will either be muted or paused (depending on the source), and “PHONE IN” will be shown on the display, along with the Caller ID, if it is enabled by the phone/carrier.
- Turn the left rear knob counter-clockwise to accept the call.
Ending a Call
To end the call, turn the left rear knob counter-clockwise to end the call.
CD Changer Operation
This radio is only compatible with the Custom Autosound USA-CD60 6 disc changer or the 1disc CD1 player.
The CD magazine for the CD60 changer requires the CD’s be loaded with the label facing down. If you get an error message or the changer can not find the CD please check the loading position of the CD in the magazine. CD1 loads with the label facing up.
- With the CD magazine in the changer, Rotate and Release the Left Rear Knob (2) Clockwise Until CDC is displayed on the LCD.
- To select a disc press CD up (6) or CD down (7) until the desired disc number is shown on the LCD display (11).
- To skip to the next track, turn knob (8) clockwise. To go to the previous track, turn . . . knob (8) counterclockwise.
- To change the mode to another source, Rotate and Release the Left Rear Knob Clockwise until the desired source is shown on the LCD display (11).
Noise Suppression
All CAM electronics are designed for maximum electrical noise rejection. In some installations, however, electrical noise may affect the quality of sound reproduction.
If electrical noise is present after installing your Slidebar radio, identify the source of the noise using the descriptions under Sources Of Electrical Noise. To eliminate the noise follow the procedures described under Elimination of the specific noise source.
- Check all ground connections. Remove paint away from painted surfaces to secure a . good electrical ground.
- Check battery posts. If contacts are corroded or loose, clean and tighten both. terminals.
- Check the battery or add fluid if needed.
- Check the condition of the spark plug and distributor leads. Worn or damaged leads will. generate noise than can be very difficult to eliminate.
- Check installation of factory noise suppressor(s). Verify that the connections are . . . solid. Refer to the vehicle’s service manual for nose suppressor location or allow a . . qualified mechanic to inspect the device (s) for you.
- (Optional) Some professional installers will install a simple L.C. noise filter even if . . . there is no noise present in the system. This is a simple and relatively inexpensive . . device available at your nearest Autosound dealer or electronic supply store. Most . . filters designed for car stereos carry a current rating of 3 amps or more. Follow the . . manufacturer’s installation instructions. This filter is installed in the power lines of the. car stereo.
Sources Of Electrical Noise
Alternator Noise
This noise is generally a high-pitched whine present with the engine running. The pitch of the whine will vary as engine RPM varies. Alternator noise usually becomes more apparent with an electrical load on the system. Switching the headlights on usually increases the noise.
Elimination
- Install an L.C.noise filter (available from your Autosound dealer or your nearby . electronic or automotive supply store)in the power lines of your radio. This filter . . should be rated at 3 amps minimum.
- Start the car’s engine. switch on the lights (to accentuate the noise) and switch . . on the USA-740. If noise is still present, proceed to step 3.
- Install an alternator noise filter (available from your Autosound dealer or your . . . nearby electronic or automotive supply store). Follow manufacturer’s installation. instructions.
Antenna Noise
A static or crackle is heard through the speakers, usually when the car is running, but sometimes present with the ignition off. If a crackling static is present, follow the steps
outlined below to confirm the antenna as the source of the noise.
- Start the car engine.
- Switch on the radio.
- Adjust the volume so that the noise is audible.
- Reduce the volume setting of the car stereo but do not switch it off. If noise decrease. . es or disappears, the signal is most likely picked up by the car antenna. If the noise persists after following the steps listed below, proceed to ignition Noise.
Antenna Noise cont.
Elimination
- Test or have tested the antenna lead for any breaks or shorts. Signs of crimping, . . kinking, fraying, or rust usually indicate damage to the cable. Replace the antenna or cable if necessary.
Ignition Noise
A popping or crackling noise is heard through the speakers. The noise will vary as the engine rpm varies, The noise will Only be present with the engine running Elimination
- Install an L.C. Filter Network in the power lead of the radio. The filter should be rated at a minimum of 3 amps.
- Inspect spark plug and distributor cable for signs of wear or damage. Replace as. necessary using resistor cable only. Metal conductor ignition cables increase. static interference.
NOTE: Do not use spark plug or distributor noise filters as these can create more problems than they can solve. They decrease the quality of the spark generated by the spark plugs and they may create more static than they eliminate.
Accessory Noise
A popping heard when the lights, turn indicators, windshield wipers, cigarette lighter, etc. are switched on indicates a vehicle wiring deficiency. Most occurrences are minor and present no risk to the stereo system other than the annoyance to the listener. However, severe cases may damage the speakers, minor occurrences can be remedied. A professional must attend to severe occurrences, as they present a threat to not only the stereo system but to the vehicle wiring itself.
Elimination
- Install an L.C. Filter Network in the power leads of the USA 740 radio. The filter should be rated at a minimum of 3 amps.
- If the noise persists, consult a professional automotive service technician.
Radio Specifications
FM Section
Tuner Type . . . . . . . . . . . . . . . . . . . . . . . . .PLL
Frequency Range . . . . . . . . . .87.5-107.9 MHz
Usable Sensitivity . . . . . . . . . . . . . . . . .12.5dBf
Quieting Sensitivity . . . . . . . . . . . . . . . . . .4uV
T.H.D . . . . . . . . . . . . . . . . . . . . . . . . . . . . 0.8%
AM Section
Frequency Range . . . . . . . . . . . .530-1710KHz
S/N Ratio . . . . . . . . . . . . . . . . . . . . . . . . .50dB
Selectivity . . . . . . . . . . . . . . . . . . . . . . . . . 25dB
Audio Section
Output Channel . . . . . . . . . . . . . . . . . . 45 X 4
Output Impedance . . . . . . . .4ohm per speaker
Response . . . . . . . . . . . . . . . . . . .30Hz-I8KHz
General
Power Supply . . . . . .12VDC Negative Ground
Speaker impedance . . . . . . . . . . . . . .2-8 ohm
Stand-By Current . . . . . . . . . . . . . . . . . .<2mA
Chassis ….200mm(7-3/4“ )(w) X 50mm (2″)H, X 150mm (5-7/8″)(D)
IF Frequency…………………..10.7MHz
Sensitivity ………………………….2.6V
S/N Ratio ………………………….67dB
Capture Ratio……………………1.5dB
Separation…………………………35dB
IF Frequency………………….450KHz
Sensitivity……………………….. 2OuV
System Power………Max 300 Watts
THD ……………………………………1%
To charge mobile phones through to USB interface …..max 1000mA
Note: All specifications are subject to change without notice.
This radio is for 12volt negative ground vehicles only.
If your electrical system is 6volts and or positive ground Custom Autosound has power inverters #PGPIHC (positive ground power inverter) and voltage boosters #NGVB-HC (negative ground voltage booster) for use with this radio.
| Problem | Possible Cause | Solution |
| Radio Will Not Turn On No Lights, NO Sound | Power Lead: Red Wire (switched) not connected or Power not getting to the radio | Check all connections for proper voltage. Voltage range 12-14.7 Volt |
| Power Lead Yellow Wire (constant) not Connected or 12 volts not getting to the radio | Check all connections for proper voltage. Voltage range 12-14.7 Volt | |
| Ground wire not connected | Check for good ground connection on the Black wire. | |
| The fuse on the back of the radio blown | Replace blown fuse | |
| Lights Displayed but No Sound | Problem with a speaker or speaker wire | Verify all speakers used are 4 to 8 ohm. Verify that none of the speakers are going to the ground. Verify that none of the speaker wires are shorting to themselves or the ground. |
| Sound only heard on one side | Speaker wires disconnected Balance control set to one side | Check all connections Adjust balance and fader control to the center position |
| Bad Speaker | Reverse speaker leads at radio. If still no sound on the same speaker the speaker is bad. If no sound on the other checks the wiring and fader control on a radio. | |
| Lights Dim and Radio Distorts at High Volume | Poor Ground Connection | Reconnect ground wire to a solid chassis ground |
| Noise with Radio Reception | Antenna not fully extended Car underneath Fluorescent lights | Extend antenna to full length. Back vehicle out of garage and test again |
System Reset:
Remove all power from the radio for 2 minutes, reconnect power and all settings will be at factory default.
LIMITED WARRANTY
If your product does not work properly because of a defect in material or workmanship, Custom Autosound Mfg., Inc. (the Company) will for the length of the period indicated on the chart below, which starts with the date of original purchase (“Limited Warranty period”), at its option either (a) repair your product with new or refurbished parts, or (b) replace it with a new or refurbished product. The decision to repair or replace will be made by the company.
| Product or Part Name | PARTS | LABOR |
| All In-dash car radios, radio/tape player combinations. | Two (2) Years | One (1) Year |
During the “Labor” Limited Warranty period there will be no charge for labor. During the “Parts” Limited Warranty period, there will be no charge for parts. This Limited Warranty is extended only to the original purchaser and only covers products purchased as new. A purchase receipt or other proof of the original purchase date is required for Limited Warranty service.
To obtain repairs or replacement within the terms of this warranty, the product should be delivered, transportation prepaid, to the Company at the address shown below.
This warranty does not extend to the elimination of car static or motor noise correction, antenna problems, costs incurred for removal or reinstallation of the product, or damage to tapes, speakers accessories, or car electrical systems.
This warranty does not apply to any product or part thereof which has been damaged through alteration, mishandling, misuse, neglect, or accident.
ANY IMPLIED WARRANTY IS LIMITED TO THE DURATION OF THIS WRITTEN WARRANTY. UNDER NO CIRCUMSTANCES SHALL THE COMPANY BE LIABLE FOR ANY LOSS OR DAMAGE, DIRECT OR CONSEQUENTIAL, ARISING OUT OF THE USE OR INABILITY TO USE THIS PRODUCT: No person or representative is authorized to assume for the Company any liability other than expressed herein in connection with the sale of this product.
Some states do not allow limitations on the length of an implied warranty or the exclusion or limitation of incidental or consequential damage so the above limitations or exclusion may not apply to you.
This warranty gives you specific legal rights and you may also have other rights which vary from state to state.
FCC Requirement
Any changes or modifications not expressly approved by the party responsible for compliance could void the user’s authority to operate the equipment. This device complies with Part 15 of the FCC Rules. Operation is subject to the following two conditions: (1) this device may not cause harmful interference, and (2) this device must accept any interference received, including interference that may cause undesired operation.
Note: This equipment has been tested and found to comply with the limits for a Class B digital device, pursuant to Part 15 of the FCC Rules. These limits are designed to provide reasonable protection against harmful interference in a residential installation. This equipment generates, uses, and can radiate radio frequency energy, and if not installed and used in accordance with the instructions, may cause harmful interference to radio communications. However, there is no guarantee that interference will not occur in a particular installation. If this equipment does cause harmful interference to radio or television reception, which can be determined by turning the equipment off and on, the user is encouraged to try to correct the interference by one or more of the following measures:
- Reorient or relocate the receiving antenna.
- Increase the separation between the equipment and receiver.
- Connect the equipment into an outlet on a circuit different from that to which the receiver is connected.
- Consult the dealer or an experienced radio/TV technician for help.
1030 W. Williamson Ave. Fullerton CA. 92833
800-888-8637 714-773-1423 FAX 714-773-1523



















