SEQUENCE Power 1000 Waterfall Pump

INSTALLATION AND SERVICE MANUAL
FILL IN FOR FUTURE REFERENCE:
MODEL: ______________________________ SERIAL NUMBER: _______________________ DATE PURCHASED: ______________________
COMPLETE AND MAIL YOUR WARRANTY REGISTRATION CARD INCLUDED WITH THIS PRODUCT OR FILE ONLINE AT: WWW.MDMINC.COM/PUMP-REGISTRATION
| MODEL 8500PWR55 9200PWR69 11000PWR72 | |||
| INLET | 1 ½” | 1 ½” | 1 ½” |
| DISCHARGE | 1 ½” | 1 ½” | 1 ½” |
| MAX FLOW (GPH) | 8500 | 9200 | 11000 |
| MAX HEAD (FEET) | 55’ | 69’ | 72’ |
| MAX POWER (WATTS) | 1385 | 1744 | 2056 |
| MAX CURRENT (AMPS) | 5.38 @ 230V | 6.82 @ 230V | 8.58 @ 230V |
| VOLTS | 230 /115V | 230 /115V | 230 /115V |
| MOTOR HP | 1.5 | 1.5 | 2 |
| MOTOR TYPE | 56J | 56J | 56J |
| MOTOR ENCLOSURE | TEFC | TEFC | TEFC |
| IMPELLER | 6T-3.85” | 6T- 4.25” | 7T- 4.21” |
Read this manual completely before you install or operate your new pump. This is an external “out-of-pond” pump. It is not submersible. Do not allow this pump to become submerged. Never run dry. Maximum case pressure – 65 PSI.
We congratulate you on your choice of the Sequence® Power 1000 Centrifugal Pump. It has been carefully designed using the advantages of today’s technology and carefully constructed to give you the dependability of yesterday. To insure proper performance, we urge you to carefully follow the instructions in this manual. If you have any questions, please call your supplier for assistance or visit www.mdminc.com/support.
INSTALLATION
Please read carefully. When properly installed the Sequence® Power 1000 will provide dependable trouble-free service.
- Locate the pump as near the water source as possible. A flooded suction situation is preferred. The pump is not self-priming, therefore, if the fluid level is below the pump, a swing check valve must be installed and the pump primed prior to start-up (Figure 1).
- Mount motor base to a secure, immobile foundation.
- Use only plastic fittings on both the intake and discharge ports. Seal pipe connections with Teflon® paste. These fittings should be self-supported and in neutral alignment with each port. (i.e. Fittings must not be forced into alignment which may cause premature line failure or damage to the pump volute.) For non-flooded installations, a strainer basket and check valve are recommended.
- Never restrict the intake. Keep both input and discharge lines as free of elbows and valves as possible. Always use pipe of adequate diameter. This will reduce friction losses and maximize output.

WARNING:
ALWAYS SHUT OFF ELECTRICAL POWER BEFORE INSTALLATION AND / OR SERVICING THIS PUMP. ALL ELECTRICAL WIRING SHOULD MEET STATE AND LOCAL ORDINANCES. IMPROPER WIRING MAY NOT ONLY BE A SAFETY HAZARD BUT MAY PERMANENTLY DAMAGE THE MOTOR AND/OR PUMP. 230V 50HZ MOT ORS ARE AVAILABLE. CONTACT YOUR SUPPLIER FOR INFORMATION.
ELECTRICAL HOOK-UP
- Check that supply voltages match the motor’s requirements.
- Check motor wiring and connect, according to instructions on motor, to match supply voltage.
- Power cord should be protected by conduit or by cable and be of proper gauge. It should be no longer than necessary.
- Power should be drawn directly from a box with circuit breaker protection or with a fused disconnect switch
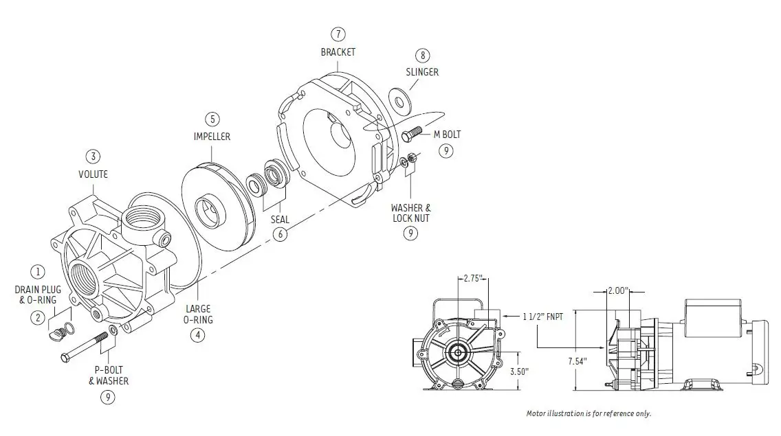
PUMP END ASSEMBLY
- Inspect all pump parts (O-ring, O-ring groove, impeller hub ID, motor shaft, etc.) and clean if necessary.
- Apply sealant to the bracket bore ID wall and around the seal case – follow sealant mfg. instructions. We recommend using Gasgacinch®. Silicone sealant can also be used.
- Press carbon graphite seal into bracket while taking care not to damage carbon graphite face.
- Place slinger (rubber washer) over motor shaft and mount bracket to motor.
- Carefully, lubricate the seal seat elastomer OD and impeller hub ID with water. Press the seal seat into the impeller hub making certain that the ceramic is in evenly – the sealing surface should be parallel with the impeller hub.
- Carefully lubricate carbon-graphite and ceramic sealing surfaces with clean water. Do not use silicon lubricants or grease.
- Assemble Bracket to motor with (4) M-bolts
- Thread impeller onto shaft and tighten. If required, remove motor end-cap and use a screwdriver on the back of motor shaft to prevent shaft rotation while tightening. Replace motor end cap.
- Seat large O-ring in volute slot and assemble volute to bracket with (7) ¼”-20 x 2 ¾” hex cap screws, washers and nuts. Tighten in a cross pattern (30 in-lbf).
- Install drain plug with its O-ring in volute drain hole.
- Before operating pump, allow a proper cure time for the sealant used in step 2.

| NO. | DESCRIPTION | SEQUENCE® P/N |
| 1 | DRAIN PLUG | 1000.110 |
| 2 | DRAIN PLUG O-RING | E014B70 |
| 3 | VOLUTE | 1000.070P |
| 4 | LARGE O-RING | 1000.061 |
| 5 | IMPELLER | 1000.05 * |
| 6 | SEAL – SS 18-8 (FRESHWATER) | 1000.0411 |
| SEAL – SS316 (SALTWATER) | 1000.0414 | |
| 7 | BRACKET | 1000.030P |
| 8 | SLINGER | 1000.010V |
| 9 | HARDWARE KIT (7) P-BOLTS, (14) WASHERS, (7) LOCK NUTS, (4) M-BOLTS | 1000.502 |
Note: These part numbers are only for standard models within the Sequence® Power 1000 series. *1000.05__ Reference page one for Impeller numbers.
DISASSEMBLY
- Shut off power to motor before disconnecting any electrical wiring from the back of the motor.
- Disassemble volute from bracket by removing the (7) ¼” – 20 threads per inch x 2 ¾” hex cap screws.
- Remove cap covering shaft at back of motor and with a large screwdriver, prevent shaft rotation while unscrewing impeller.
- Remove ceramic piece from impeller (If you are replacing the seal).
- Detach bracket from motor.
- Remove carbon-graphite seal from bracket by pressing out from the back. Do not dig out from the front (If you are replacing the seal).
MAINTENANCE
Lubrication
Motor – Permanently Lubricated ball bearings – no service required. Rotary Seal – Requires no lubrication after assembly.
WARNING:
EYE PROTECTION IS STRONGLY RECOMMENDED The pump must be drained before servicing or if stored below freezing temperatures. Periodic replacement of seals may be required due to normal carbon wear.
| SYMPTOM PROBLEM RESOLUTION | |||
|
No Flow | Insufficient Prime | Prime system with water and purge all air from suction piping. | |
| Install check valve. | |||
| Insufficient Power | Verify power supply and connection from panel to pump. | ||
| Verify proper voltage. Some models are dual voltage (115/230). | |||
| Flow Restriction | Ensure valves are open. | ||
| Ensure plumbing is clear, including suction strainers, check valves, etc. | |||
| Verify check valve orientation and direction of permitted flow. | |||
| Clean out leaves or other debris from basket strainer (if applicable). | |||
| Air leak | Fix air leaks at fittings, connections, strainer basket etc. This typically occurs on the intake side. | ||
| System Incompatibility | Verify hydraulic compatibility: i.e. pump & pipe are sized for the system. | ||
|
Low Flow | Air leak | Fix air leaks at fittings, connections, strainer basket etc. This typically occurs on the intake side. | |
| System Incompatibility | Verify hydraulic compatibility: i.e. pump & pipe are sized for the system. | ||
| Insufficient Power | Verify power supply and connection from panel to pump. | ||
| Verify proper voltage. Some models are dual voltage (115/230). | |||
| Flow Restriction | Ensure valves are open. | ||
| Ensure plumbing is clear, including suction strainers, check valves, etc. | |||
| Clean out leaves or other debris from basket strainer (if applicable). | |||
| Insufficient Prime | Prime system with water and purge all air from suction piping. | ||
|
Cavitation | Verify airtight plumbing on the suction plumbing especially fittings. | ||
| Clean out leaves or other debris from basket strainer (if applicable). | |||
| Increase pipe size where possible. | |||
| Decrease suction pipe length, reduce the number of elbows, etc. | |||
| Verify hydraulic compatibility: i.e. pump and pipe are sized for the system. | |||
|
Sporadic Operation | Insufficient Power | Verify power supply and connection from panel to pump. | |
| Verify proper voltage. Some models are dual voltage (115/230). | |||
| Poor Ventilation | |||
| Ensure adequate airflow over motor to prevent overheating. | |||
|
Excessive Noise |
Cavitation | Verify airtight plumbing on the suction plumbing especially fittings. | |
| Clean out leaves or other debris from basket strainer (if applicable). | |||
| Increase pipe size where possible. | |||
| Decrease suction pipe length, reduce the number of elbows, etc. | |||
| Verify hydraulic compatibility: i.e. pump and pipe are sized for the system. | |||
| Insufficient Power | Verify power supply and connection from panel to pump. | ||
| Verify proper voltage. Some models are dual voltage (115/230). | |||
| Flow Restriction | Ensure valves are open. | ||
| Ensure plumbing is clear, including suction strainers, check valves, etc. | |||
| Verify check valve orientation and direction of permitted flow. | |||
MDM INCORPORATED
- 3345 N. Cascade Ave
- Colorado Springs, CO
- 80907 Phone (719) 634-8202
- Fax (866) 425-1346 www.mdminc.com
- s[email protected]



















