Lincat WFFC6006 Refrigerated Chef Base 2 Drawer BD20036 Stainless Steel

GENERAL INFORMATION
This technical manual provides information for the installation, operation, maintenance, and inspection of this unit manufactured by Middleby. A complete parts breakdown is also provided.
TECHNICAL SUPPORT
For any questions regarding the installation, operation or maintenance of the unit, contact the factory at the following address:
After Sales Department
Desmon S.p.A. Zona Ind.le F3
83051 Nusco (AV) Italy
Ph. +39 0827 607318
Fax +39 0827 607009
[email protected]
SCOPE OF THE MANUAL
This manual provides sufficient information for maintenance of the equipment.
EQUIPMENT DESCRIPTION
The unit consists of the following parts:
- Storage compartment – The insulated food storage compartment is clear storage area. The cooling coil(evaporator) is contained in this area.
- Drawers – Product is stored by means of food pans set in drawers. The drawer face is made of an insulated panel. The drawer face (panel) is fully “gasketed” to provide a tight seal against the cabinet.
- Condensing Unit Compartment – This area contains the condensing unit(s) along with the necessary controls and other components.
- Evaporator Coil – The evaporator coil is located in the storage compartment and is responsible for distributing the cold air associated with the refrigeration system.
- Cabinet – The cabinet is the enclosure in which all of the above mentioned items are housed.
EQUIPMENT SUPPLIED
The unit is shipped from the factory assembled. The complete assembly is palletized and crated to minimize the possibility of damage in shipping and storage
NOTICE! MIDDLEBY RESERVES THE RIGHT TO CHANGE SPECIFICATIONS AND PRODUCT DESIGNWITHOUT NOTICE. SUCH REVISIONS DO NOT ENTITLETHE BUYER TO CORRESPONDING CHANGES,IMPROVEMENTS, ADDITIONS OR REPLACEMENTSFOR PREVIOUSLY PURCHASED EQUIPMENT.
SAFETY
| 1.1 Safety Notice | 1.2 SAFETY PRECAUTIONS NOTICE! Post the emergency telephone number of your gas supplier and instructions to follow if gas odor is detected. |
| DANGER
This symbol warns of immediate hazards which WILL result in severe injury or death. | DANGER EXPLOSION HAZARD
If gas odor is detected, shut down equipment at the main shutoff valve. Immediately call the emergency phone number of your gas supplier. |
| WARNING
This symbol refers to a potential hazard or unsafe practice which COULD result in injury or death. | WARNING FIRE HAZARD
For your safety, do not store or use gasoline or other flammable vapors and liquids in the vicinity of this or any other appliance. Keep area around appliances free and clear of combustibles. |
| CAUTION
This symbol refers to a potential hazard or unsafe practice which COULD result in injury, product or property damage | WARNING
Asphyxiation can result from improper ventilation. Do not obstruct the flow of combustion and ventilation air to /and from your cooking equipment. |
| NOTICE! This symbol refers to information that requires special attention or must be fully understood, even though not dangerous. | NOTICE! Be sure this manual and important papers are given to the proper authority to retain for future reference. |
SPECIFICATIONS
| Refrigerated & Freezer Bases | |||||||||||||
| Model Number | W | D | H | Drawers* | Ref. Volume (cu.ft.) | Compartment Temp | Elec. V/Ph/Hz | Evap Btu/h* | Compressor HP | Amps | Shipping Weight (lbs.) | ||
| 18” | 26” | 31” | |||||||||||
| 20032 | 32” | 32” | 26” | 2 | – | – | 2 | 4°C | 230/1/560 | 1200 | 1/5 | 5 | 340 |
| 20036 | 36” | 32” | 26” | 2 | – | – | 2 | 4°C | 230/1/560 | 1200 | 1/5 | 5 | 340 |
| 20048 | 48” | 32” | 26” | – | 2 | – | 4 | 4°C | 230/1/560 | 1800 | 1/5 | 5 | 410 |
| 20060 | 60” | 32” | 26” | – | – | 2 | 4 | 4°C | 230/1/560 | 1800 | 1/5 | 5 | 550 |
| 20064 | 64” | 32” | 26” | – | – | 2 | 4 | 4°C | 230/1/560 | 1800 | 1/5 | 5 | 550 |
| 20072 | 72” | 32” | 26” | – | 4 | – | 8 | 4°C | 230/1/560 | 1900 | 1/3 | 6 | 650 |
| 20084 | 84” | 32” | 26” | – | – | 4 | 8 | 4°C | 230/1/560 | 1900 | 1/3 | 6 | 745 |
| 20096 | 96” | 32” | 26” | 2 | 4 | – | 10 | 4°C | 230/1/560 | 1900 | 1/3 | 9 | 855 |
| 20108 | 108” | 32” | 26” | – | 6 | – | 12 | 4°C | 230/1/560 | 3000 | 1/3 | 9 | 960 |
| 20120 | 120” | 32” | 26” | 4 | 4 | – | 12 | 4°C | 230/1/560 | 3000 | 1/3 | 9 | 1075 |
| 30032 | 32” | 32” | 26” | 2 | – | – | 2 | -20°C | 230/1/560 | 750 | 3/8 | 5 | 370 |
| 30036 | 36” | 32” | 26” | 2 | – | – | 2 | -20°C | 230/1/560 | 750 | 3/8 | 5 | 370 |
| 30048 | 48” | 32” | 26” | – | 2 | – | 4 | -20°C | 230/1/560 | 1700 | 3/8 | 5 | 450 |
| 30060 | 60” | 32” | 26” | – | – | 2 | 4 | -20°C | 230/1/560 | 1700 | 3/8 | 7 | 600 |
| 30064 | 64” | 32” | 26” | – | – | 2 | 4 | -20°C | 230/1/560 | 1700 | 1/2 | 7 | 600 |
| 30072 | 72” | 32” | 26” | – | – | 2 | 8 | -20°C | 230/1/560 | 1800 | 1/2 | 7 | 700 |
| 30084 | 84” | 32” | 26” | – | 4 | – | 8 | -20°C | 230/1/560 | 1800 | 1/2 | 7 | 800 |
| 30096 | 96” | 32” | 26” | – | – | 4 | 10 | -20°C | 230/1/560 | 1800 | 4/5 | 9 | 950 |
| 30108 | 108” | 32” | 26” | 2 | 4 | – | 12 | -20°C | 230/1/560 | 3000 | 4/5 | 9 | 1000 |
| 30120 | 120” | 32” | 26” | – | 6 | – | 12 | -20°C | 230/1/560 | 3000 | 4/5 | 9 | 1200 |
*Evaporator Btu/h according to actual working conditions:
- Evaporating temperature :-10°C for Refrigerated Bases
- Evaporating temperature :-30°C for Freezer Bases
- Condensing Temperature: 43°C
*Pan are not included. Only use NSF approved Pans.
Figura 1- General Arrangement Picture
OPERATION
This model is a heavy-duty piece of equipment designed for continuous use. It incorporates automatic controls to regulate the cycling of the refrigeration system.
Installation
Respect minimum clearance distance as below during installation. No clearance is required on back/top of the Equipment.
Controls and Indicators
| NAME | TYPE | FUNCTION |
| Suction Valve | Manual Plunger Valve | Isolate suction at the compressor |
| Discharge Valve | Manual Plunger Valve | Isolate discharge line at receiver |
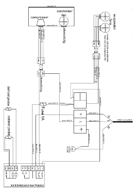
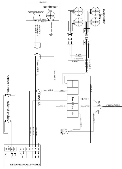
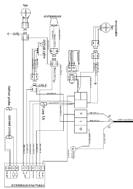
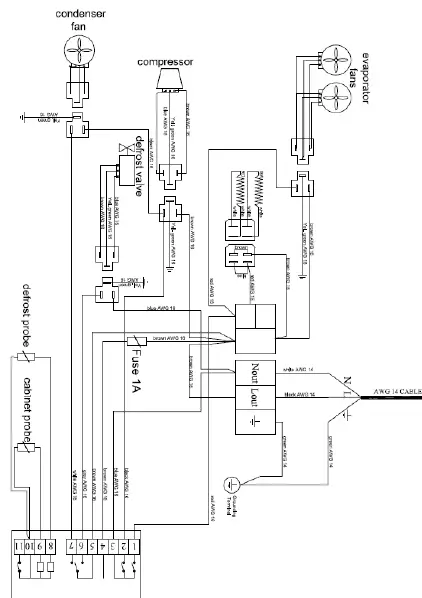
| Controller | Contact Points | Cycles the refrigerator system on and off. Allows switching on/off the unit, changing the setpoint temperature, showing actual probes’ values, operating the automatic defrost (when applicable) and other functions which will explained later on in this manual. |
| Solenoid Valve (only freezer) | Automatic Plunger | Opens hot gas circuit for evaporator coil defrost. |
Start-up Procedure
The refrigeration system is completely factory assembled, pre-charged and ready for operation. To energize the system it is only necessary to find the power supply cord and connect it to a proper electrical source. Once the supply cord has been connected to a power source, the unit normally starts automatically. If it doesn’t, some additional operation may be necessary to switch on the system, which is described in the next paragraph.
Switching ON the electronic controller
As explained in the previous paragraph, the unit should start automatically and the display should show the actual air temperature which in the beginning is assumed to be very close to the ambient temperature where the unit has been held before being operated. The electronic controller will keep in its memory the latest operating mode, which is running mode (last step of End Of Line Test in the factory). Nevertheless, it makes sense to explain how to proceed in case the display shows OFF, indicating a stand-by mode which will not allow the unit to start automatically the cool down cycle.
To switch the controller ON, the front panel needs to be removed in order for the user to gain access to the keyboard. To do this, no tool is necessary, just pull the snap-fit panel 6 from the bottom. Press and hold for 5 seconds on the ON/OFF button. The display will start blinking, and after a few seconds will switch to running mode, showing the current compartment temperature. Put the front panel back in its position and observe unit during cool down.
Once the preset temperature has been reached, i.e. 37°F approximately for refrigerated bases or -4°C for freezer bases, the storage of products can be started. Make sure cooked or hot food is properly cooled down in a dedicated equipment, before storing it in the Chef Base.
Shut-down Procedure
To shut down, disconnect the electrical supply cord and open or remove the drawer(s) allowing the interior cabinet temperature to equalize with the room temperature. A mild detergent diluted in warm water should be used to wash down the interior and exterior surfaces of the cabinet. The electronic controller also allows to shut down temporary the cooling system with no needs of disconnecting the power cord, by simply using the ON/OFF button located on the keyboard. To do that, remove the front panel as described in the previous paragraph and press and hold on the ON/OFF button for until OFF comes up on the display.
However, as a cleaning procedure should always accompany the shut-down, it is strictly recommended to disconnect the power cord when shut-down of the unit is required.
WARNING
Prior to any cleaning of the system involving placing hands in areas with moving parts, the system should be deactivated by disconnecting the power supply cord.
FUNCTIONAL DESCRIPTION
System description
This unit is a self-contained, automatically controlled, continuous duty, perishable food storage system. It is designed with the intent and purpose of storing food items. The operating temperature is automatically monitored by controls that are factory set to maintain a predetermined adequate condition. The equipment is installed in two basic compartment assemblies. They are:
- Condensing Unit Compartment – This area contains the condensing unit along with the necessary controls.
- Storage Compartment – This insulated food storage area is clear storage area.
System operation
The design of the refrigerated cabinet focuses primarily on the safe storage of food products requiring refrigeration. In engineering, considerable attention was placed on its functionality and its serviceability. The refrigeration system is a closed loop system. Barring a leak in the system, the addition of refrigerant is not required. However, a periodic check of its level is recommended to insure that the system operates at the optimum level at which it was designed. The condensing unit is found within the regular equipment compartment.
This compartment also contains the electrical control panel with its on-board power switch and a terminal block. All models feature air forced cooling, by means of cross-flow fans. On all models an evaporator pan is installed underneath the evaporator coil to collect water condensate dripping from the coil.
Water condensate is generated on the coil by the moisture normally existing in the air. This moisture will turn into liquid (or some frost) when encountering the coil colder surface in a refrigerator equipment, while it will ice up on a freezer’s coil. In the latter case an automatic hot gas defrost process will melt the ice down regularly. Freezers’ evaporator pans will also have a drainage heater which will avoid water condensate to ice up again before discharge.
Refrigerators will automatically and regularly perform an air cycle defrost (compressor off and evaporator fan running), which will allow to melt frost or some ice built up on the coils. In both refrigerators and freezers the water is collected in the evaporator pan and drained out in the condensate pan located in the condensing compartment by means of drainage conduits. The condensate pan in its turn is hot gas-heated, by means of the compressor discharge pipe, and will evaporate the water. Moisture generated by water evaporation will be released to the external ambient thanks to the condenser fan. Freezer’s frames, where gaskets fit to seal the storage compartment, are heated to avoid condensation/icing of external moisture.
Loading of the Storage Compartment
Special care in the initial loading of the storage compartment should be taken. It is suggested that the loading be scheduled in three equal portions allowing three hours between each loading. The chilled food compartment is designed for the storage of perishable food items that require a temperature range of 37 to 40 degrees Fahrenheit. It is a general rule that adequate spacing is allowed between stored items to allow for proper air circulation.
SCHEDULED MAINTENANCE
To ensure the longest and most trouble free operation of the unit, a thorough maintenance schedule is required to be adhered to periodically. The maintenance system should be designed to maximize the efficient use of maintenance personnel, reduce down time, and provide the orderly acquisition of spare parts support. The Middleby refrigeration cabinet will generally be in operation in a facility where scheduled maintenance is performed according to Maintenance Index Plans. Your unit is no exception to required maintenance. This section of the manual is intended as an alternative to any standard maintenance program that may pre-exist. The preventive maintenance schedule is based upon similar maintenance requirements for commercial refrigeration equipment.
Preparation for Maintenance
Since many areas affected by the maintenance schedule are electrically supplied, it is recommended that the system be de-energized prior to making the inspections.
Weekly Inspection and Maintenance
The unit should first be de-energized by unplugging it from the mains.
NOTE: It is necessary to first remove the front air grill. This is done by lifting it straight up then pulling the bottom out and down.
Using a vacuum or small hand broom, brush the condenser in a vertical motion to remove any dust or debris that may have accumulated.
Monthly Inspection
- Check the evaporator drain line at both the inlet and outlet ends to make certain that there are no obstructions. It is not recommended to use any chemicals in clearing a clogged drain. The preferred method of unstopping an obstructed drain is to use compressed air. Approximately 60 lbs. should be sufficient. Simply remove the drain line at the evaporator coil and attach an air-line to it.
- Determine if there is a leak by using a halide or electronic leak detector. Repair leak(s) if existing.
WARNING
The system should be de-energized when checking for leaks. - Using a mild non-abrasive detergent and soft cloth, wipe the interior lining beginning with the top and working down. Also, wipe the gasket and where it sits on the cabinet exterior.
- Remove the front air grill and unbolt the condensing unit. Once unbolted, slide it out. The unit is capable of being completely removed due to the extra tubing coiled up behind the unit. With the unit de-energized, check the condenser fan motor and make certain that it is no loose. Inspect the fan for cracks and make sure that it is tight on the motor.
- To inspect the evaporator motor, first turn the unit off. Then, remove the drain line from the evaporator pan. Loosen the four screws that hold the shroud. Lower the shroud and disconnect the polarized electrical connection. With the shroud out of the cabinet, proceed to inspect the motor mounting bolts and the fan for cracks or excessive play.
- Using a mild detergent and water, wipe the vinyl gasket. Make certain to also clean under the gasket to remove any mildew or residue.
- Using a mild, non-abrasive detergent and warm water, wipe the cabinet exterior. When cleaning always follow the grain of the stainless steel to prevent scratching or marring of the finish surface.
Annual Maintenance
- Slide condensing unit out of the compartment and check all refrigerant lines for leaks or fatigue. Make certain that no exposed copper tubing is in contact with any other metal surface. If there is contact, install an insulating material between the two metal components.
- With the condensing unit out and the breaker at the main panel “OFF”, inspect the system’s wiring. Look for a tight fit of all connections and make certain the that the wire restraining devices are tight. Inspect all wires and cords, paying particular attention to nicks or age cracks in the insulation.
- Visually inspect the outer panel and components of the cabinet. Check screws and bolts to make certain that they are tight. Also, make sure that the bolts that secure the base frame to the deck are tight.
Three Year Maintenance
- Replace the drawer gaskets. To accomplish this, it is first necessary to remove all products from the refrigerated compartment to avoid spoilage. Open the drawers and remove the old gasket. The gaskets snap in and out of a channel on the back side of the door. Clean the track thoroughly. Replace the old gasket with the new one by snapping it into place.
- Inspect all motors and shafts for both noise and wear. If they show age, replace them.
- With the main power off, remove the condensing unit from its compartment and inspect all wiring. Also, remove the cover from the controls and check them to make certain that they are operational and do not show signs of wear.
- Inspect the operation of the drawer slide assembly. Make certain that the moving parts do not show any signs of wear. Make sure that all screws are tight.
- To recalibrate the thermometer follow the instruction on how to access controller parameters and change the Air Probe Offset value accordingly.
TROUBLESHOOTING
This chapter provides a systematic check of components in determining a possible cause of failure in the event of various symptoms. The following tables list the most common symptoms that may be experienced and the recommended corrective action. It is necessary that the individual performing the troubleshooting tasks be familiar with the function of the equipment as described in the Functional Description section.
| SYMPTOM | POSSIBLE FAILURE | REMEDY |
| Unit does not operate | 1. Power cord damaged 2. Control failure 3. Incorrect voltage 4. Failed compressor | 1. Replace power cord 2. Adjust or replace control 3. Correct 4. Replace |
| SYMPTOM | POSSIBLE FAILURE | REMEDY |
| Unit runs continuously | 1. Low on refrigerant 2. Control failure 3. Bad connection at TXV 4. Restricted air flow or dirty 5. Bad condenser fan motor 6. TXV stuck open 7. Compressor failure 8. Ineffective drawer seals 9. Restricted circulation in storage compartment | 1. Leak check system and recharge 2. Adjust or replace control 3. Check and secure sensor bulb to suction line 4. Rectify air flow problem and clean condenser 5. Check and replace if necessary 6. Replace 7. Replace 8. Adjust drawers runners and gaskets. Replace if necessary 9. Redistribute food for even air flow |
| Low head pressure | 1. Defective compressor 2. Low refrigerant 3. Ambient temperature too low | 1. Replace 2. Leak check system and recharge 3. Raise room temperature |
| High head pressure | 1. Blocked or dirty condenser 2. Ambient temperature too high 3. System contains air 4. Refrigerant overcharge | 1. Clean and remove any obstructions 2. Lower room temperatures 3. Evacuate, change filter dryer, recharge 4. Reduce amount of refrigeration in system |
| Short cycling | Maladjusted control | Adjust control hysteresis or setpoint parameter |
| Unit does not cool | 1. Blown fuse/circuit breaker 2. Bad connection at supply cord 3. Ill fitting gasket | 1. Replace fuse/reset circuit breaker 2. Check supply cord at outlet 3. Tighten strike on door latch |
CONTROLLER INSTRUCTION
This appliance is equipped with an electronic controller which is preset in the factory and normally doesn’t need any adjustment to work correctly (barring start-up procedure described at paragraph 3.3 that is rarely required). Nevertheless, it is worth to include in this manual full instruction for an advanced use of the controller.
Keyboard 
| KEYS | |
| UP Press and release Scrolls through menu items Increases values Press for at least 5 seconds Activates the Manual Defrost function | STAND-BY (ESC) Press and release Returns to the previous menu level Confirm parameter values Press for at least 5 seconds Activates the Stand-by function (when no menu is active) |
| DOWN Press and release Scrolls through menu items Decreases values Press for at least 5 seconds Configurable function by user (see parameter H32) | SET (ENTER) Press and release Displays alarms (if active) |
EXPLODED VIEW AND PART LIST

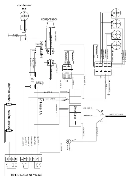
ELECTRICAL AND MECHANICAL







REMOTE CHEF BASE
On the following table the specification for all the models:
| Model | W | D | H* | Drawers | No. of | Ref. | Elec. | Evap. | Amps | Shipping | |||
| Number | Pans | Volume | V/Ph/Hz | BTU | Weight | ||||||||
| 13″x21″x4″ | (cu.ft.) | (lbs.) | |||||||||||
| 18″ | 26″ | 31″ | |||||||||||
| 20032R | 32″ | 36″ | 26″ | 2 | – | – | 4 | 230/1/50 | 1100 | 1 | 300 | ||
| 20036R | 36″ | 32″ | 26″ | – | 2 | – | 4 | 6.8 | 230/1/50 | 1100 | 1 | 300 | |
| 20048S | 48″ | 32″ | 26″ | – | – | 2 | 4 | 13 | 230/1/50 | 1100 | 1 | 400 | |
| 20060R | 60″ | 32″ | 26″ | 2 | 2 | – | 6 | 14 | 230/1/50 | 1100 | 1 | 510 | |
| 20064R | 64″ | 32″ | 26″ | 2 | 2 | – | 6 | 230/1/50 | 1100 | 1 | 510 | ||
| 20072R | 72″ | 32″ | 26″ | – | 2 | 2 | 8 | 17.5 | 230/1/50 | 1600 | 1 | 610 | |
| 20084R | 84″ | 32″ | 26″ | 4 | 2 | – | 8 | 21 | 230/1/50 | 1600 | 1 | 715 | |
| 20096R | 96″ | 32″ | 26″ | – | 6 | – | 12 | 24.6 | 230/1/50 | 1600 | 1 | 815 | |
| 20108R | 108″ | 32″ | 26″ | – | 2 | 4 | 12 | 28.2 | 230/1/50 | 1600 | 1 | 920 | |
| 30032R | 32″ | 36″ | 26″ | – | 2 | – | 4 | 230/1/50 | 1100 | 2 | |||
| 30036R | 36″ | 32″ | 26″ | – | 2 | – | 4 | 230/1/50 | 1100 | 2 | 300 | ||
| 30048R | 48″ | 32″ | 26″ | – | – | 2 | 4 | 230/1/50 | 1100 | 2 | 400 | ||
| 30060R | 60″ | 32″ | 26″ | 2 | 2 | – | 6 | 230/1/50 | 1100 | 3 | 510 | ||
| 30064R | 64″ | 32″ | 26″ | 2 | 2 | – | 6 | 230/1/50 | 1100 | 3 | 510 | ||
| 30072R | 72″ | 32″ | 26″ | – | 2 | 2 | 8 | 230/1/50 | 1600 | 3 | 610 | ||
| 30084R | 84″ | 32″ | 26″ | 4 | 2 | – | 8 | 230/1/50 | 1600 | 4 | 715 | ||
| 30096R | 96″ | 32″ | 26″ | – | 6 | – | 12 | 230/1/50 | 1600 | 4 | 815 | ||
| 30108R | 108″ | 32″ | 26″ | – | 2 | 4 | 12 | 230/1/50 | 1600 | 4 | 920 | ||
INSTALLATION
Connect pipes (braze or flare fit ) to the existing refrigeration lineset (suction and liquid line). Provide the lines et with valves and charging ports and refrigerant lock system. Close the valves and prepare the unit for vacuum. Make sure the solenoid valve (provided with the bas) is open during the vacuum process (just switch on the unit and wait for the valve to open, as the thermostat will call for cooling). Once the unit is completely vacuumed, close charge ports and open valves to allow refrigerant to enter the circuit. The unit is ready to operate.


Lincat WFFC6006 Refrigerated Chef Base 2 Drawer BD20036 Stainless Steel

















