CMP 25100-XXX-XXX In Ground Pool Skimmer

SAFETY INSTRUCTIONS & PRECAUTIONS
IMPORTANT SAFETY INSTRUCTIONS. READ AND FOLLOW ALL INSTRUCTIONS
![]() | Follow all applicable local and national regulations (e.g. NEC, CEC whichever is applicable) during installation of the skimmer. |
![]() | Plug equalizer line with plug using NSF listed PVC cement. |
![]() | Plug equalizer line with plug using NSF listed PVC cement. |
![]() | Risk of hair or body entrapment, drowning or disembowelment. Equalizer fittings can trap hair or body parts causing severe injury or death. |
![]() | Follow all necessary precautions when connecting a vacuum pump and cleaning the skimmer. Avoid using a cracked or damaged skimmer. Do not step on cracked skimmer plate. Max weight 300 lbs. |
![]() | Provide more than one suction source in pool system at all times. |
![]() | If rusting is visible on Water Bond Kit (when installed), replace kit immediately. |
- Use one skimmer per 500 square feet of pool surface area. Suction line sizes are based on a water velocity of less than seven feet per second. Since building codes vary, check your local building code before installing pool and skimmer.
- NOTICE: When the skimmer is formed into the concrete shell of the pool it should be surrounded by at least 4” of structural concrete in a monolithic pour, using a cold joint as shown in installation drawings (Fig. 1).
- For optimum skimmer functionality, the skimmer should be placed relative to the prevailing wind and water flow direction.
SAVE THESE INSTRUCTIONS
INSTALLATION
Your CMP Skimmer includes the following:
- Skimmer Body
- Skimmer Collar & Cover
- Weir Door
- Float Valve (select models)
- Debris Basket
DECK & POOL PLACEMENT
- For optimum skimmer functionality, the skimmer should be placed relative to the prevailing wind and water flow direction.
- Support skimmer securely in position during installation. An “x” shaped support is provided on the bottom of the skimmer for temporary mounting on a 2in stand pipe.
- Rebar tie points to tie the skimmer to the rebar cage of the pool are provided at the top of the skimmer.
- The deck ring collar has a friction fit that allows vertical adjustment. Extension collars (25526-200-000) may be stacked upon each other to accommodate deck height as needed. See product dimensions for detailed measurements.

PLUMBING
- The skimmer has two 2” ports for plumbing. The rear port should connect to the pool suction. The front port may be used as an equalizer line or connect to the pool main drain. If the front port is not used it should be plugged.
- Assemble piping and pipe fittings to skimmer. All piping must conform to current local and state plumbing and sanitary codes.
- Long pipe runs and elbows restrict water flow. For best efficiency, use the fewest possible fittings and 2” pipe for 2” skimmers. Using sweep 90 ̊ fittings or two 45 ̊ fittings in place of a single 90 is more efficient.
- For pressure testing seal off any unused ports.
- NOTICE: Over tightening the threaded plugs may result in failure of the plug or the skimmer body and will not be covered under the terms of the Limited Warranty. DO NOT use tapered metal plugs as this will void manufacturer’s warranty.
- Ensure piping is adequately supported on undisturbed earth. If additional backfilling and tamping is necessary, do not stress pipe or skimmer port by lifting or moving pipe after skimmer port connections have been made.
OPTIONAL OVERFLOW PORTS (FIG 2)
- Two overflow ports are provided on the rear of the skimmer, one for 3/4in pipe and one for 1 in pipe
- The ports are sealed from the factory. To utilize an overflow port, drill out using a 3/4in hole saw.
- Glue 3/4in or 1in pipe to the correct port using PVC cement and drain overflow to an appropriate area following all local building code and/or environmental requirements.

WATER BONDING – POOL DEFENDER® MODELS ONLY (FIG 3)
- Pool Defender models include a bonding wire for integrated water bonding.
- Connect the copper wire in the rear of the skimmer to the pool bonding grid or loop using the provided connector.
- As required in NEC section 680.26(C) the bonding device:
- Consists of at least 9 sq. in. of conductive material
- Shall be in contact with the water 24/7, whether the circulation system is running or not
- The connector (lug) must NOT be unable to “back off” (due to vibration, etc.)

OPERATION
OPERATION FOR ALL SKIMMERS
- Water is pulled through the skimmer by the suction of the pump. Water flow carries floating debris into the skimmer where it is collected in the skimmer basket.
- The floating weir creates a better water flow and increases efficiency.
- The water level of the pool should be kept at least 2” above the bottom of the mouth of the skimmer to ensure proper operation.
- To adjust the skimmer flow rotate the diverter plate on the float valve or in the skimmer until the desired flow is achieved.
- If multiple skimmers are installed, rotate the diverter plate in each skimmer over the pump port to restrict and balancethe flow from each skimmer.
- To vacuum the pool, remove the float valve and close the diverter plate over the main drain. Install the skimmer vacuum in the skimmer and connect to vacuum hose.
- Empty the skimmer basket as needed to maintain flow through the skimmer.
- To enhance skimming on low flow pump settings, set drain & skimmer three-way valve to divert suction to skimmer (if a valve is present).
OPERATION WITH DIVERTER PLATE
- For full flow, rotate diverter plate completely open.
- To adjust flow, rotate over the pump port until desired flow is achieved.
- To vacuum, either remove cover and basket OR insert the skimmer vacuum into skimmer on top of the basket. Screw the hose adapter into the pump port. Fill hose with water and insert over the hose adapter.
OPERATION WITH FLOAT VALVE (OPTIONAL)
- If the water level drops below the mouth of the skimmer or if the basket is clogged and no water can flow through it, the float valve will automatically close over the flow ports.
- This diverts all water flow to the pump from the main drain line and prevents possible air lock.
- When the pump is shut off or water level returns to normal, the float valve will float back to the top of the cavity, allowing normal operation to resume.

SWEEP/BRUSH POOL
- Divert all suction to the main drain by:
- OPTION 1: Use valve to divert all water to the suction away form the skimmer.
- OPTION 2: Hold the weir above normal operating level and allows the float to snap shut. To reset the float valve assembly, turn off the pump for 10-15 seconds. The float valve will rise to the top of the skimmer cavity.
- OPTION 3: Remove the float valve assembly, close the diverter plate, and replace.
VACUUM POOL
- OPTION 1: Remove cover, basket and float valve assembly. Screw the hose adapter into the pump port, fill the hose with
water, and insert over adapter. - OPTION 2: Insert the skimmer vacuum into skimmer on top of the basket.
MAINTENANCE
WINTERIZING
- Requirements for winter will vary depending on region – follow normal winter and freeze protection practices for your area.
- For areas that require partial drainage and/or clearing lines to prevent freeze damage:
- Drain the pool water below the skimmer mouth.
- Use a blower to clear the plumbings lines of water and cap or close the line with a valve to prevent freeze damage.
- Optionally fill plumbing lines with foam rope/backer rod to protect from freeze damage.
- Use a CMP Winterizing tube to prevent freeze damage from accumulated water.
WEIR: Periodically check weir for free operation. Replace if damaged or worn.
STRAINER BASKET: Check strainer basket every few days for accumulated leaves, debris, etc. Empty basket as required. Reset float valve if it closed.

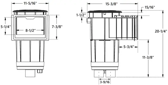
DIMENSIONS


Record Information on this System Below & Keep for Your Records
Installer ____________________________________________
Purchased From _______________________________
Installation Date _____________________________
Model Number ______________________________
Pool Size in Gallons __________________________
CMP Customer Service & Tech Support
Toll Free: 1-800-733-9060
FAX: 770-732-7115
[email protected]
Warranty Questions
[email protected]
Support Resource & Videos Online c-m-p.com/resourcecenter























