TAGA HARMONY PF-USB Series Power Noise Filters Instruction Manual
Introduction
Thank you for purchasing this TAGA Harmony power filter.
PF-USB series power filters combine functions of power noise filtering and charging via USB.
The electricity network in our homes or workplaces is exposed to different interferences for instance electromagnetic interference (EMI) generated by appliances connected to the same network (refrigerators, air conditioners, computers etc.).
These interferences are not only produced inside your house or office but by all appliances in your building or even outside it and can differ on the time of day or week when the traffic on the electrical network changes.
All these interferences which we call noises can get into your AC power and interfere with your system.
This “dirty” electricity can have a negative effect on performance of your audio-video system.
TAGA Harmony power noise filter is a great way to limit the negative noises from your electricity and to isolate your system from the contaminated power.
Thanks to the PF-USB power filters you will be able to enjoy a better quality of your audio and video equipment.
The contaminated electricity has also a negative impact on internal circuits and power supplies of your equipment and because the PF-USB filter works as a buffer between the wall socket and your gear it will help to increase the longevity of connected components.
The built-in charging function via USB may be used for charging variety of devices such as smartphones etc.
The removable Schuko-IEC C13 power cable gives an option to upgrade the system with a premium audiophile power cable in any time.
Cleaning
Do not use strong or abrasive cleaners. Use a damp, soft cloth for cleaning.
Specifications and the latest instruction manual edition
Full technical specifications and the latest edition of the instruction manual are available on www.TagaHarmony.com.
Safety Instructions
IMPORTANT
READ THIS SECTION CAREFULLY BEFORE PROCEEDING!
CAUTION
- Risk of Electric Shock.
- Do not Open
WARNING: TO REDUCE THE RISK OF FIRE OR ELECTRIC SHOCK, DO NOT EXPOSE THIS PRODUCT TO RAIN OR MOISTURE. DO NOT REMOVE COVER (OR BACK). NO USER-SERVICEABLE PARTS INSIDE. REFER SERVICING TO QUALIFIED SERVICE PERSONNEL.
The triangle containing a lightning symbol is intended to alert the user to the presence of uninsulated dangerous voltages within the product’s enclosure that may be of sufficient magnitude to constitute a risk of electric shock to persons.
An exclamation mark in a triangle is intended to alert the user to the presence of important operating and maintenance (servicing) instructions in the literature accompanying the appliance.
WARNING: TO REDUCE THE RISK OF FIRE OR ELECTRIC SHOCK, DO NOT EXPOSE THIS APPARATUS TO RAIN OR MOISTURE, AND OBJECTS FILLED WITH LIQUIDS, SUCH AS VASES, SHOULD NOT BE PLACED ON THIS APPARATUS.
CAUTION: TO PREVENT ELECTRIC SHOCK, FULLY AND SECURELY INSERT THE POWER CABLE PLUG INTO THE POWER OUTLET, AND POWER CABLE CONNECTOR INTO THE UNIT SOCKET (IF THIS UNIT IS NOT EQUIPPED WITH AN INTEGRATED [ATTACHED] POWER CORD).
CAUTION: FOR CONTINUED PROTECTION AGAINST RISK OF FIRE, REPLACE THE FUSE (IF THE UNIT IS EQUIPPED WITH A USER REPLACEABLE FUSE) ONLY WITH THE SAME AMPERAGE AND VOLTAGE TYPE. IN CASE WHEN THE UNIT IS NOT EQUIPPED WITH A USER REPLACEABLE FUSE – REFER REPLACEMENT TO QUALIFIED SERVICE PERSONNEL.
WARNING: THE UNIT MAY BECOME HOT. ALWAYS PROVIDE ADEQUATE VENTILATION TO ALLOW FOR COOLING. DO NOT PLACE THE UNIT NEAR A HEAT SOURCE, OR IN SPACES THAT CAN RESTRICT VENTILATION.
- Read Instructions – All the safety and operating instructions should be read before the product is operated.
- Retain Instructions – The safety and operating instructions should be retained for future reference.
- Heed Warnings – All warnings on the product and in the operating instructions should be adhered to.
- Follow Instructions – All operating and use instructions should be followed.
- Cleaning – Unplug this product from the power outlet before cleaning. Do not use liquid cleaners or aerosol cleaners.
- Water and Moisture – Do not use this product near water – for example, near a bath tub, wash bowl, kitchen sink or laundry tub; in a wet basement; or near a swimming pool; and the like. These precautions also apply to the power cord.
- Accessories – Do not place this product on an unstable cart, stand, tripod, bracket or table. The product may fall, causing serious injury to a child or adult and serious damage to the product.
Use only with a cart, stand, tripod, bracket or table recommended by the manufacturer or sold with the product. Any mounting of the product should follow manufacturer’s instructions and should use a mounting accessory recommended by the manufacturer. - Ventilation – This unit may be equipped with slots and openings in the cabinet (housing) which are provided for ventilation and to ensure reliable operation of the product and to protect it from overheating and these openings must not be blocked or covered.
The openings should never be blocked by placing the product on a bed, sofa, rug or other similar surface. This product should be not placed in a built-in installation such as a bookcase or rack unless proper ventilation is provided or the manufacturer’s instructions have been adhered to. For products equipped with a separate power supply unit, leave at least 5cm (2in.) of free space on all sides and the top of the power supply. - Power Sources – This product should be operated only from the type of power source indicated on the marking label (placed on the product and/or, if applicable, on a separate power supply unit). If you are not sure of the type of power supply in your home, consult your product dealer or local power company. For products intended to operate from battery power or other sources, refer to the operating instructions.
- Grounding and Polarity – some units for proper operation or to take full advantage of their capabilities may require to be connected to a grounded power outlet – refer to the user manual for more information.
Some units may have markings for the live (L) and neutral (N) conductors for power – in order to take full advantage of capabilities of such products, it is recommended to properly connect the polarity according to the markings on the unit – refer to the user manual for more information. Connecting the polarity not in accordance with the markings will not affect the durability and reliability of the device. - Power-cord Protection – Power supply cords should be routed so that they are not likely to be walked on or pinched by items placed upon or against them, paying particular attention to cords at plugs, convenience receptacles and the point where they exit from the product.
- Lighting – For added protection for this product during a lighting storm or when it is left unattended and unused for long periods of time, unplug it from the wall outlet and disconnect the antenna or system cables. This will prevent damage to the product due to lighting and power-line surges.
- Overloading – Do not overload wall outlets, extension cords or integral convenience receptacles as this can result in a risk of fire or electric shock.
- Object and Liquid Entry – Never push objects of any kind into this product through openings as they may touch dangerous voltage points or short-out parts that could result in a fire or electric shock. Do not expose this apparatus to dripping or splashing and ensure that no objects filled with water, such as vases are placed on the apparatus.
- Servicing – Do not attempt to service this product yourself as opening or removing covers may expose you to dangerous voltage or other hazards. Refer all servicing to qualified service personnel.
- Damage Requiring Service – Unplug this product from wall outlet and refer servicing to qualified personnel under the following conditions:
- when power supply cord or plug is damaged;
- if liquid has been spilled or objects have fallen into the product;
- if the product does not operate normally by following the operating instructions. Adjust only those controls that are covered by the operating instructions as an improper adjustment of other controls may result in damage and will require extensive work by a qualified technician to restore the product to its normal operation;
- if the product has been dropped or damaged in any way;
- if the product exhibits a distinct change in performance – this indicates a need for a service.
- Replacement Parts – when replacement parts are required, be sure the technician has used replacement parts specified by the manufacturer or with the same characteristics as the original part. Unauthorized substitutions may result in fire, electric shock or other hazards.
- Safety Check – Upon completion of any service or repairs to this product, ask the service technician to perform safety check to determine that the products is in proper operating condition.
- Wall of ceiling mounting – The product should be mounted to a wall or ceiling only as recommended by the manufacturer.
- Heat – The product should be situated away from heat sources such as radiators, heat registers, stoves or other products (including amplifiers) that produce heat.
- [Refers to products equipped with vacuum tubes] Tube Cage or cover – For your safety and to protect the vacuum tubes this product may be equipped with the factory installed vacuum tube cage or cover.
It is not recommended to remove the cage or cover unless it is required to change the vacuum tubes.
When the cage or cover is removed – do not touch the vacuum tubes – they may be hot and burn the skin! - Operating Environment – Operating environment temperature and humidity of the unit: +5°C to +35°C (+41°F to +95°F); less than 85% RH (cooling slots not blocked).
PACKAGING WARNING
The packaging may contain elements such as plastic, that should be kept
away from small children.
The thin foil or small elements can stick to the nose and mouth, or may be swallowed and prevent breathing.
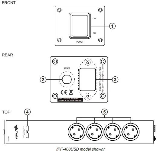
Controls and Displays

- Power Switch [ON (I) and OFF (0)]
- Reset Button
- Power Cable Input
- USB-A Charging Ports
- Power Sockets – FILTERED Output
Hooking Up the Filter

- Make sure the filter is turned off (the Power Switch is in the down OFF position and the Power Cable is removed from the wall outlet).
- Using power cables (only a power cable for the filter is supplied with this product) connect your audio-video equipment to the Power Sockets – FILTERED Output.
POWER SOCKETS – all power output sockets in this filter are filtered.
Electrical noises are filtered and limited.
Note! Check „Operation” for other useful operating instructions. - Your filter is ready for operation.
We recommend to use Schuko plugs in all power cables.
Total maximum power load (wattage rating): the total maximum power consumption for all connected devices to the filter should not exceed the maximum power load for this filter.
The total maximum power load for this filtrer is given in Kilowatts (kW) or Watts (W) and is printed on the filter.
It is also available in the specifications on www.TagaHarmony.com.
Operation
This unit requires a single-phase 3-conductor electrical outlet.
Information about polarity
If it is required in your system, use the below drawings showing the polarity in the power sockets of this filter.
L – LIVE | N – NEUTRAL
- Power Socket Input

- Power Sockets – FILTERED Output (Power filter front panel facing left)

- Plug the Power Cable to the filter and into the electrical outlet.
- Turn on the filter (the Power Switch should be in the upper ON position).
Charging via USB
- If you want to charge compatible devices: using a USB cable (not supplied with this product) insert one end into a free USB-A Charging Port and the other end to the device you want to charge
- Note! Charging may lower the efficiency of the power noise filtering – we recommend not charging any devices during critical listening.
CHARGING – IMPORTANT SAFETY REMARKS!
In order not to void your warranty and to avoid damaging this filter and / or connected audio-video equipment and devices, strictly follow the below remarks:
The USB-A Charging Ports are only intended for charging devices which are compatible with the USB-A Charging Ports technical data
printed on the filter:
Output: DC – direct current and voltage provided in Volts.
Max total load: – maximum total load when all USB-A Charging Ports are used simultaneously.
[Maximum load for a single USB-A Charging Port = the Max total load divided by a number of devices being charged].
The total load generated by all devices connected to the charger must not exceed the Maximum total load.
- The number of devices which may be charged simultaneously is limited to a number of USB-A Charging Ports this filter is equipped with.
Never connect more than 1 device to a single USB-A Charging Port. - When charging use only a recommended USB cable for your device
and replace faulty cables immediately.
Turn on your audio-video equipment and enjoy your system.
Reset – the Power Output Sockets will be powered off when the maximum power load is exceeded (check on the rear panel or in specifications).
Press the RESET button to restore the power supply.
- When you want to turn off the power filter we recommend to turn off your audio-video equipment firstly.
- This power filter is not a uninterruptible power supply unit (UPS).
It will not operate when the input power source fails (no power or too low voltage).
We strongly advise to contact a professional installer or dealer in order to install TAGA Harmony products.
We recommend using high quality TAGA Harmony cables and other installation accessories.
Kit Content
- Power Filter: 1 EA
- Power Cable: 1 EA
- Instruction Manual: 1 EA
EU declaration of conformity
Your product is marked with the symbol shown on the left.
As its manufacturer, hereby we declare that the product is in compliance with the following EU directives and regulations:
2014/30/EU (EMC) & 2014/35/EU (LVD) & 2011/65/EU (RoHS)
The full text of the EU declaration of conformity is available from the manufacturer.
Disposal of the product
Disposal of old electrical & electronic equipment (applicable in the European Union and other countries with separate collection systems)
This symbol on the product or on its literature and packaging indicates that this product shall not be treated as household waste. Instead it shall be handed over to the appropriate collection point for the recycling of electrical and electronic equipment. By ensuring that this product is disposed of correctly, you will help to prevent potential negative consequences for the environment and human health, which could be caused by inappropriate waste handling of this product.
The recycling of materials will help to conserve natural resources. For more
detailed information about recycling of this product, please contact your local government office, your household waste disposal service or the shop where you purchased the product.
Support
AGA EUROPE
POLPAK POLAND Sp. z o.o.
AL.JEROZOLIMSKIE 331A
05-816 REGUŁY k/WARSZAWY, POLAND
Email: [email protected]
Web: http://www.tagaharmony.com/






















