HiB Hush Breeze Wall Mounted Fans

Hush & Breeze Wall Mounted Fans
- Hush Chrome
Timer Art no.33100
Timer & Humidity Sensor Art no.33200 - Hush Matt Silver
Timer Art no.31700
Timer & Humidity Sensor Art no.31800 - Hush White
Timer Art no.31500
Timer & Humidity Sensor Art no.31600 - Breeze Chrome
Timer Art no.32800
Timer & Humidity Sensor Art no.32900 - Breeze Matt Silver
Timer Art no.31300
Timer & Humidity Sensor Art no.31400 - Breeze White
Timer Art no.31100
Timer & Humidity Sensor Art no.31200
Thank you for purchasing this HiB product.
Please read through these instructions carefully and refer back to them during installation to ensure that your product is fitted safely and that it retains its high quality finish.
Please retain this leaflet for future reference.
Before drilling, ensure there are no hidden cables or pipes in the wall Please see Fig. 1 on the back page for details Suitable for installation in zones: 2 & Outside Zones
Technical Information
Hush
- Power input: 220-240 V, 50 Hz
- Maximum ventilation volume: 97 m3/hr (±5%)
- Power consumption: 7.5W
- Dimensions: W158 x H158 x D107mm
Breeze
- Power input: 220-240 V, 50 Hz
- Maximum ventilation volume: 88 m3/hr (±5%)
- Power consumption: 14W
- Dimensions: W152 x H152 x D126mm
Fitting
- Choose a suitable position for your fan according to Figure 1 on the back page. Use a cable finder to check if there are any buried cables or pipes in the wall or ceiling. Draw around the outside of the fan with a pencil to determine it’s exact position.
- Make a suitable sized hole in the wall/ ceiling with the appriopiate tools. N.B. If wall mounted ensure the hole is angled slightly downward to stop any moisture running back into the motor. If mounted in the ceiling ensure the hole is between the joists.
- Fit flexible ducting into the hole, flush with both sides of the wall. Ensure the duct slopes slightly downwards towards the outside. Make good any plasterwork around the duct.
- Position the fan back into place, and mark the four fixing points. Drill the required holes in the marked positions. If drilling through tile, use a ceramic drill bit. Insert wall plugs into the drilled holes.
- Follow a similar procedure for the outside wall grille.
- If ceiling mounted the ducting should be routed to the nearest soffit.
Electrical Connection
Hush
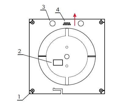
Please ensure that the fan unit is positioned in accordance with the diagram below i.e. With the electrical access point (5) top left.
- Casing
- Fan propeller
- Function module
- Protective cover of terminal block
- Electrical access point
Breeze
- Holes for fan mounting (x4)
- Terminal block
- Electrical access points
- Wire fixing rack
Fascia removal
Hush – Depress plastic nodule on the side of the fascia and gently prise away from the casing.
Breeze – In order to remove the fascia for maintenance, please remove the small retaining screw and gently prise the fascia away from the casing.
- Ensure the domestic electrical mains supply to which the fan is being connected is turned off. This product is designed to be connected to an on/off switch outside the bathroom, or to a ceiling mounted pull cord switch.
- Hush Only: Remove the front panel andprotective cover (4). Pass the power wire through the hole in the rubber plug (beneath protective cover) at the fan casing flange.
- Breeze Only: Remove the protective grille. Cut out blanking plug of electrical access point (3) and lead the power supply cords through the hole.
- Make the electric connections according to the relevant wiring diagram below. See diagram of ceiling rose to ensure correct feeds are used. Please note that the fan may operate immediately when connected, this is normal and due to a residual charge left during testing.

- Fix the fan to the wall using 4 screws.
- Replace the cover and protective grille.
Ceiling mounted…
For ceiling mounting follow procedure for wall mounting making sure ducting isn’t mounted vertically to the outside. This is to ensure moisture doesn’t come back into the motor. 
Operating Instructions
- For Art Nos. 33100/31700/31500/ 32800/31300/31100 Fan with timer option switches on as control voltage is supplied to LT terminal. After voltage is off, the fan continues operating within the set time period T, adjustable between 2 and 30 min. The time is regulated by turning the potentiometer T clockwise to increase and anticlockwise to decrease the run time.

- For Art Nos. 33200/31800/31600/3290 0/31400/31200 Fan with timer and humidity sensor will operate when a control voltage is applied to the LT terminal OR when the humidity exceeds that set on the potentiometer. If this is set at its lowest (60%) the fan will run most of the time. When set at the highest setting (90%) the fan will only operate at higher level humidity. Once humidity has been reduced the fan will run until the required setting on the timer is reached. Time T and humidity H values are regulated by turning the appropriate potentiometers T and H clockwise to incr ease and anticlockwise to decrease the running-out time and humidity level respectively. To set the maximum humidity level set the potentiometer in H max (90%) position.
N.B. Always use the plastic screwdriver provided to adjust the settings to avoid damaging the control unit.
Maintenance
Fan maintenance is to be performed only after the fan is disconnected from the mains power supply. Maintenance means periodic clearing of surfaces from dust and dirt. 
These products are suitable for installation in zones
All installations must comply with guidelines which are based on a zonal concept. The diagram above illustrates this concept and must be followed to ensure the safe installation of electrical appliances in the bathroom. These regulations apply to domestic installations only. Installations must be made in accordance with the current IEE wiring regulations and relevant building regulations. HiB recommends that all electrical bathroom products should only be fitted by a suitably qualified, Part P registered electrician.
Electrical Safety Information
Ensure mains power supply is switched off before starting installation. Before drilling, ensure there are no hidden cables or pipes in the wall.
Care Instructions
All surfaces should be cleaned with diluted detergent (i.e. washing up liquid) and a soft cloth. Do not use abrasives or solvents when cleaning this product. Wipe off all water spillages as soon as possible using a soft, damp cloth.
Aftercare Service
In the unlikely event that this product should fail please contact HiB customer services, details shown below.
WEEE compliance
Must not be mixed with general household waste
T: +44 (0)20 8441 0352 F: +44 (0)20 8441 0219 E: [email protected]
Building 3, North London Business Park, Oakleigh Road South, New Southgate, London. N11 1GN
©HiB Copyright: No part of this document may be reprinted or duplicated without HiB consent. All sizes and measurements are approximate, but we do try and make sure they are as accurate as possible. In the interest of continuous product development, HiB reserves the right to alter specifications as necessary. E & OE























