VIKING K-1900-7 Series Vandal Resistant Hotline Panel Phones Installation Guide
The K-1900-7 Series panel phones will auto-dial a 1-32 digit programmable phone number each time the handset is lifted. The unit will touch tone or pulse dial and will not auto-dial on incoming calls.
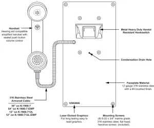
The K-1900-7 Series housing consists of a heavy gauge stainless steel panel, an armored cable, a heavy duty handset, and an all metal cradle. The K-1900-7 Series phone can be easily touch tone programmed at the shop or installation site. All programming is stored in non-volatile memory.
The K-1900-712L and K-1900-712L-EWP feature a 12” long armored cable with an internal stainless steel lanyard for additional cable strength
The K-1900-7-EWP and K-1900-712L-EWP share all of the features of the K-1900-7 and K-1900-712L in addition to Enhanced Weather Protection (EWP) for outdoor installations where the unit is exposed to precipitation or condensation. EWP products are designed to meet IP66 standards and may feature foam rubber gaskets, sealed connections, gel-filled butt connectors, as well as potted circuit boards with internally sealed, field-adjustable trim pots and DIP switches for easy on-site programming. For more info on EWP, see DOD 859.
Note: If a ringer is required, use an external unit such as the Viking SR-1 (DOD 477), or LPR-1 (DOD 550).
Features
- Vandal Resistant Features: 12 gauge (0.105” thick) 316 stainless steel panel with permanent laser etched graphics, armored cable, metal cradle and hex drive mounting screws
- Weather Resistant Features: Marine grade 316 stainless steel faceplate and screws
- Auto dials one programmable speed dial number (up to 32 digits)
- Touch tone or pulse dialing
- Non-volatile memory (no batteries required)
- Operates on analog PABX and key system extensions or Centrex and CO lines
- Programmable 6 digit security code
- Touch tone programmable
- Optional Enhanced Weather Protection (EWP) available – EWP products are designed to meet IP66 Ingress Protection Rating, see DOD 859
- 12” armored handset cord on K-1900-712L and K-1900-712L EWP
- 36” armored handset cord on K-1900-7
- 54” armored handset cord on K-1900-7-EWP
- Programmable pre-dial pause
- Blocks fraudulent calls from hand held pocket dialers
- Hearing aid compatible amplified handset with sealed push button volume control
- Programmable default volume level
- Programmable volume control disable
- Flush mount using a standard double-gang box (not included)
- Surface mount using an optional VE-5×10 surface mount box (not included, see DOD 424)
Applications
- Catalog sales
- Kiosks
- Courtesy phones
- Automated tellers (ATM’s)
- Customer service phones
- Hot-line reservation phones
- Security and emergency phones
- Replaces leased ringdown circuits
- Gate/entrance communication in noisy areas (diesel trucks, factory noise, etc.)
Specifications
- Power: Telephone line powered (20V DC/18mA minimum)
Dimensions for Standard Model: - Phone: 5.0” x 10.0” x 5.1” (127mm x 254mm x 130mm)
- With rough-in box: 5.0” x 10.0” x 5.2” (127mm x 254mm x 132mm)
Dimensions for EWP Model: - Phone: 5.0” x 10.0” x 5.18” (127mm x 254mm x 132mm)
- With rough-in box: 5.0” x 10.0” x 5.28” (127mm x 254mm x 134mm)
- Shipping Weight: 4 lbs (1.8 kg )
- Operating Temperature: -30°F to 140°F (-34°C to 60°C)
- Humidity – Standard Model: 5% to 95% non-condensing
- Humidity – EWP Model : Up to 100% condensing
- K-1900-712L(EWP) Handset Cable Length: 12” to 12.7” (31 cm to 33 cm)
- K-1900-7 Handset Cable Length: 34” to 37” (86 cm to 94 cm)
- K-1900-7-EWP Handset Cable Length: 52” to 57” (132 cm to 145 cm)
- Touch Tone Dial Speed: Normal = 120ms on/off, Fast = 50ms on/off
- Pulse Dial Speed: Normal = 10 pps, Fast = 20 pps
- Connections: (2) gel-filled butt connectors
Features Overview
FRONT VIEW of the K-1900-7 Series Panel Phone

Installation and Mounting
IMPORTANT: Electronic devices are susceptible to lightning and power station electrical surges. It is recommended that a surge protector be installed to protect against such surges.
To install the K-1900-7 panel phone, attach the panel to an existing double gang box (with minimum dimensions shown below) using the provided screws or use the optional VE-5×10 weather resistant surface mount box.
Note: Four extra screws and nuts are provided to fill the unused mounting holes. The optional VE-5×10 surface mount box (shown below right) is designed to be surface mounted to a wall, post, single gang box or a VE-GNP or VE-GNP-2 goose neck pedestal (shown below left). The K-1900-7 can also be mounted in an optional VE-9×20 Weatherproof Enclosure (DOD# 413).
Note: When mounting a K-1900-7-EWP in a VE-9×20, the length of the handset cable must be reduced. Use a 3/32” hex key or bit to loosen the set screw in the brass handset cable retainer. Pull approximately 18 inches of the cable through the panel and retighten the set screw.


Optional Surface Mount Box, model VE-5×10 shown (not included) other models also available
Viking’s optional Surface Mount Boxes (VE-5×10 shown right) are designed to be surface mounted to a single gang box, double gang box, or any Viking Gooseneck Pedestal (VE-GNP shown left). For more information on Viking Surface Mount Boxes or Gooseneck Pedestals, see DOD 424.

K-1900-7-EWP shown with VE-5×10 Surface Mount Box and VE-GNP Gooseneck Pedestal (not included)
Programming
A. Security Code
A six digit number may be used to access the programming mode. The security code has been factory set to 845464 (V-I-K-I-N-G). It is recommended that you change the security code to a personal 6 digit number:
- Step 1. Access programming as shown in section B.
- Step 2. Enter your new security code followed by #47.
- Step 3. To exit programming simply hang up the K-1900-7
Note: The security code must be six digits in length and MUST NOT contain a Q or #. If you have forgotten your security code, see section “B, 2. Accessing the Programming Mode Locally Without a Security Code.
B. Accessing the Programming Mode
1. Accessing the Programming Mode Locally with a Security Code
| Step 1. | Connect the green and red wires on the K-1900-7 to a C.O. line or analog PABX/KSU station. |
| Step 2. | From a Touch Tone phone, call the line connected to the K-1900-7. |
| Step 3. | Take the K-1900-7 off-hook (remove handset from the cradle). From the calling phone enter “Q” followed by the six digit security code, factory set to 845464 (see section A above). A double beep will indicate that programming has been entered. |
| Step 4. | Program as shown in sections D – I. |
| Step 5. | To exit programming, hang up both phones. |
2. Accessing the Programming Mode Locally without a Security Code (Learn Mode)
| Step 1. | Connect the green and red wires on the K-1900-7 to a C.O. line or analog PABX/KSU station. |
| Step 2. | Set DIP switch 1 to ON. |
| Step 3. | From a Touch Tone phone, call the line connected to the K-1900-7. |
| Step 4. | Take the K-1900-7 off-hook (remove handset from cradle). A double beep should be heard indicating you have entered programming. |
| Step 5. | Program from calling phone as shown in sections D – I. |
| Step 6. | Set DIP switch 1 back to OFF. |
| Step 7. | To exit programming, simply hang-up the phones. |
C. DIP Switch Programming

| Switch | Position | Description |
| 1 | ON | Learn Mode |
| 1 | OFF | Normal Operation (factory setting) |
Note: DIP switches 2 and 3 are not used and should remain in the OFF position.
D. Programming Feature Quick Reference
| Description | Enter Digits | + | Memory Location |
| Speed dial number | 1-32 digits (0-9) | then | #00 |
| (anywhere in the speed dial number) | ## | ||
| (anywhere in the speed dial number) | # | ||
| Set dialing speed to normal (Touch Tones: 120ms on/off, Pulse: 10 pps) (factory setting) | 1 | ||
| Set dialing speed to fast (Touch Tones: 50ms on/off, Pulse: 20 pps) | 2 | ||
| Block hand held pocket dialers (factory setting) | 3 | ||
| Allow hand held pocket dialers | 4 | ||
| Normal pre-dial pause (approximately 1.4 sec) (factory setting) | 5 | ||
| Short pre-dial pause (approximately 800 ms) | 6 | ||
| To add a one second pause at any point in the dialing string | 7 | ||
| To add a four second pause at any point in the dialing string | 7 | ||
| Toggle between Pulse and Touch Tone dialing (see section I) | 8 | ||
| Set default volume 1-4 (1 = min, 4 = max) and control (1 = enabled, 2 = disabled) (factory 1,1) | 2 digits (1-4, 1-2) | then | #46 |
| Change security code (factory set to 845464) | 6 digits (0-9) | then | #47 |
| To clear the speed dial number and return all programming to factory settings | ### |
Note: Special features such as *, #, a mode change and a pause, use single digits in the programming memory.
E. Dialing Speed
To set the dialing speed, access the Programming mode as shown in section B, then choose a speed. To set the dialing speed to Normal (Touch Tone: 120ms on/off, Pulse: 10pps), enter 1. To set the dialing speed to Fast (Touch Tone: 60ms on/off, Pulse: 20pps), enter 2
F. Hand Held Pocket Dialers
The K-1900-7 is programmed to hang-up if it detects Touch Tones it did not generate. This helps prevent toll fraud from
hand held dialers. To set the K-1900-7 to block/allow dialing from external devices, access the Programming mode as
shown in section B, then choose block or allow. To Block hand held dialers, enter 3. To Allow Touch Tones from external devices, enter 4.
G. Pre-Dial Pause
In the single number auto-dialer mode, the time from when the handset is taken off-hook until the K-1900-7 auto-dials can be programmed. Access the Programming mode (section B), then choose a pause length. To set the pause length to Normal (approximately 1.4 seconds), enter 5. To set the pause length to Short (approximately 800ms) enter 6.
H. Pauses in the Dialing String
To set pauses in the dialing string, access the Programming mode as shown in section B, then enter 7 to put a 4 second pause anywhere in the dialing string, or #7 for a 1 second pause.
I. Programming Examples
These examples would be entered after accessing the Programming mode as shown in section B.
| To Program the K-1900-7 to… | Enter Digits | Enter Location |
| …Touch Tone dial 555-1234 | 5551234 | #00 |
| …pulse dial 555-1234 followed by a Touch Tone 9 | 8 5551234 8 9 | #00 |
| …dial 9, a 4 second pause and then 555-1234 | 9 7 5551234 | #00 |
| …set the dialing speed to fast | 2 | |
| …clear the speed dial number | #00 |
Operation
A. Single Number Auto Dialer
When the K-1900-7 is taken off-hook, it will speed dial the phone number programmed in memory location #00. The K-1900-7 can be programmed to block hand held dialers (see Programming section F).
B. Handset Receiver Volume Adjustment
The K-1900-7 has a sealed push button switch located on the inside handle of the handset. Each push of the button will rotate through the receiver volume levels if enabled. After four actuations, the receiver volume is back to its default setting. Hanging up the phone will automatically set the receiver volume to its default setting.
Vandal Resistant VoIP Panel Phone with Auto Dialer and Relay Control
The K-1900-7-IP Series VoIP Panel Phones will auto-dial a 1-20 digit programmable phone number each time the handset is lifted. If the call is not answered, the phone will dial up to 3 additional phone numbers. The K-1900-7-IP Series phones are designed to provide quick and reliable communication for SIP VoIP phone systems with PoE. The unit can be programmed from any PC on the same LAN or remotely using a Static IP Address.
When a call initiated by the K-1900-7-IP Series phone is answered by an apartment or business tenant, a built-in relay may be activated to control an electric gate or door strike. The relay can also be programmed to activate whenever the phone is off hook, ideal for controlling cameras, etc.
The K-1900-712L-IP and K-1900712LIPEWP features a 12” long armored cable with internal stainless steel lanyard for additional cable strength.
The K-1900-7-IP-EWP and K-1900712LIPEWP share all the features of the standard
K-1900-7-IP and K-1900-712L-IP in addition to Enhanced Weather Protection (EWP) for outdoor installations where the unit is exposed to precipitation or condensation. EWP products are designed to meet IP66 standards and may feature foam rubber gaskets, sealed connections, gel-filled butt connectors, as well as potted circuit boards with internally sealed, field-adjustable trim pots and DIP switches for easy on-site programming. For more information on EWP, see DOD 859.
For more information on the K-1900-7-IP Series, see DOD 365.
Vandal Resistant VoIP Phone with Auto Dialer, Keypad and Entry System
The K-1900-8-IP Series panel phone can either auto-dial a phone number each time the handset is lifted, be used as a multi-number auto-dialer, or be used as a standard manual dial phone. The K-1900-8-IP Series phones are designed to provide quick and reliable communication for SIP VoIP phone systems with PoE. The unit can be programmed from any PC on the same LAN or remotely using a Static IP Address. The K-1900-8-IP Series phone can dial up to 250 programmable numbers and another 250 rollover numbers.
When a call initiated by the K-1900-8-IP Series phone is answered by an apartment or business tenant, a built-in contact closure may be activated to control an electric gate or door strike. Up to 1,000 keyless entry codes may be programmed, providing tenants with keyless entry. A 26 Bit Wiegand input is provided for adding an optional proximity card reader with capacity to program up to 1,000 card numbers. Keyless entry codes and card numbers can be programmed to only allow access at specific times and/or day of the week. A request for exit (REX) input is included for easy exiting. The K-1900-8-IP Series phone also has automatic event logging allowing you to review the time and date of the call, which door was open/closed, what keyless entry code or proximity card was used, request for exit usage and whether it was an inbound or outbound call.
The K-1900-812L-IP and K-1900812LIPEWP have a 12” long armored cable with internal stainless steel lanyard for additional cable strength.
The K-1900-8-IP-EWP and K-1900812LIPEWP shares all of the features of the K-1900-8-IP and K-1900-812L-IP in addition to Enhanced Weather Protection (EWP) for outdoor installations where the unit is exposed to precipitation or condensation. EWP products are designed to meet IP66 standards and may feature foam rubber gaskets, sealed connections, gel filled butt connectors, as well as potted circuit boards with internally sealed, field-adjustable trim pots and DIP switches for easy on-site programming. For more information on EWP, see DOD 859.
For more information on the K-1900-8-IP Series, see DOD 361.
Warranty
IF YOU HAVE A PROBLEM WITH A VIKING PRODUCT, CONTACT VIKING TECHNICAL SUPPORT: 715-386-8666
Our Technical Support Department is available for assistance Monday through Friday 8:00am to 5:00pm central time. Before you call, please:
- Know the model number, the serial number and what software version you have (see serial label).
- Have the Product Manual in front of you.
- It is best if you are on site.
RETURNING PRODUCT FOR REPAIR
The following procedure is for equipment that needs repair:
- Customer must contact Viking’s Technical Support Department at 715 386-8666 to obtain a Return Authorization (RA) number. The customer MUST have a complete description of the problem, with all pertinent information regarding the defect, such as options set, conditions, symptoms, methods to duplicate problem, frequency of failure, etc.
- Packing: Return equipment in original box or in proper packing so that damage will not occur while in transit. The original product boxes are not designed for shipping – an overpack box is required to prevent damage in transit. Static sensitive equipment such as a circuit board should be in an anti-static bag, sandwiched between foam and individually boxed. All equipment should be wrapped to avoid packing material lodging in or sticking to the equipment. Include ALL parts of the equipment. C.O.D. or freight collect shipments cannot be accepted. Ship cartons prepaid to:
VIKING ELECTRONICS 1531 INDUSTRIAL STREET HUDSON, WI 54016 - Return shipping address: Be sure to include your return shipping address inside the box. We cannot ship to a PO Box.
- RA number on carton: In large printing, write the RA number on the outside of each carton being returned.
RETURNING PRODUCT FOR EXCHANGE
The following procedure is for equipment that has failed out-of-box
(within 10 days of purchase):
- Customer must contact Viking’s Technical Support at 715-386-8666 to
determine possible causes for the problem. The customer MUST be able to step through recommended tests for diagnosis. - If the Technical Support Product Specialist determines that the equipment is defective based on the customer’s input and troubleshooting, a Return Authorization (RA) number will be issued. This number is valid for fourteen (14) calendar days from the date of issue.
- After obtaining the RA number, return the approved equipment to your distributor. Please reference the RA number on the paperwork being shipped back with the unit(s), and also the outside of the shipping box. The original product boxes are not designed for shipping – an overpack box is required to prevent damage in transit. Once your distributor receives the package, they will replace the product over the counter at no charge. The distributor will then return the product to Viking using the same RA number.
- The distributor will NOT exchange this product without first obtaining the RA number from you. If you haven’t followed the steps listed in 1, 2 and 3, be aware that you will have to pay a restocking charge.
TWO YEAR LIMITED WARRANTY
Viking warrants its products to be free from defects in the workmanship or materials, under normal use and service, for a period of two years from the date of purchase from any authorized Viking distributor. If at any time during the warranty period, the product is deemed defective or malfunctions, return the product to Viking Electronics, Inc., 1531 Industrial Street, Hudson, WI., 54016. Customer must contact Viking’s Technical Support Department at 715-386-8666 to obtain a Return Authorization (R.A.) number. This warranty does not cover any damage to the product due to lightning, over voltage, under voltage, accident, misuse, abuse, negligence or any damage caused by use of the product by the purchaser or others. This warranty does not cover non-EWP products that have been exposed to wet or corrosive environments. This warranty does not cover stainless steel surfaces that have not been properly maintained.
NO OTHER WARRANTIES. VIKING MAKES NO WARRANTIES RELATING TO ITS PRODUCTS OTHER THAN AS DESCRIBED ABOVE AND DISCLAIMS ANY EXPRESS OR IMPLIED WARRANTIES OR MERCHANTABILITY OR FITNESS FOR ANY PARTICULAR PURPOSE.
PLIED WARRANTIES OR MERCHANTABILITY OR FITNESS FOR ANY PARTICULAR PURPOSE. EXCLUSION OF CONSEQUENTIAL DAMAGES. VIKING SHALL NOT, UNDER ANY CIRCUMSTANCES, BE LIABLE TO PURCHASER, OR ANY OTHER PARTY, FOR CONSEQUENTIAL, INCIDENTAL, SPECIAL OR EXEMPLARY DAMAGES ARISING OUT OF OR RELATED TO THE SALE OR USE OF THE PRODUCT SOLD HEREUNDER. EXCLUSIVE REMEDY AND LIMITATION OF LIABILITY. WHETHER IN AN ACTION BASED ON CONTRACT, TORT (INCLUDING NEGLIGENCE OR STRICT LIABILITY) OR ANY OTHER LEGAL THEORY, ANY LIABILITY OF VIKING SHALL BE LIMITED TO REPAIR OR REPLACEMENT OF THE PRODUCT, OR AT VIKING’S OPTION, REFUND OF THE PURCHASE PRICE AS THE EXCLUSIVE REMEDY AND ANY LIABILITY OF VIKING SHALL BE SO LIMITED.
IT IS EXPRESSLY UNDERSTOOD AND AGREED THAT EACH AND EVERY PROVISION OF THIS AGREEMENT WHICH PROVIDES FOR DISCLAIMER OF WARRANTIES, EXCLUSION OF CONSEQUENTIAL DAMAGES, AND EXCLUSIVE REMEDY AND LIMITATION OF LIABILITY, ARE SEVERABLE FROM ANY OTHER PROVISION AND EACH PROVISION IS A SEPARABLE AND INDEPENDENT ELEMENT OF RISK ALLOCATION AND IS INTENDED TO BE ENFORCED AS SUCH.
FCC REQUIREMENTS
This equipment complies with Part 68 of the FCC rules and the requirements adopted by the ACTA. On the side of this equipment is a label that contains, among other information, a product identifier in the format US:AAAEQ##TXXXX. If requested, this number must be provided to the telephone company.
The REN is used to determine the number of devices that may be connected to a telephone line. Excessive REN’s on a telephone line may result in the devices not ringing in response to an incoming call. In most but not all areas, the sum of the REN’s should not exceed five (5.0) To be certain of the number of devices that may be connected to a line, as determined by the total REN’s, contact the local telephone company. For products approved after July 23, 2001, the REN for this product is part of the product identifier that has the format US:AAAEQ##TXXXX. The digits represented by ## are the REN without a decimal point (e.g., 03 is a REN of 0.3). For earlier products, the REN is separately shown on the label.
The plug used to connect this equipment to the premises wiring and telephone network must comply with the applicable FCC Part 68 rules and requirements adopted by the ACTA. If your home has specially wired alarm equipment connected to the telephone line, ensure the installation of this K-1900-7 Series does not disable your alarm equipment. If you have questions about what will disable alarm equipment, consult your telephone company or a qualified installer.
If the K-1900-7 Series causes harm to the telephone network, the telephone company will notify you in advance that temporary discontinuance of service may be required. But if advance notice isn’t practical, the telephone company will notify the customer as soon as possible. Also, you will be advised of your right to file a complaint with the FCC if you believe it is necessary.
The telephone company may make changes in its facilities, equipment, operations, or procedures that could affect the operation of the equipment. If this happens, the telephone company will provide advance notice in order for you to make the necessary modifications to maintain uninterrupted service.
If trouble is experienced with the K-1900-7 Series, for repair or warranty information, please contact:
Viking Electronics, Inc., 1531 Industrial Street, Hudson, WI 54016 Phone: (715) 386-8666
If the equipment is causing harm to the telephone network, the telephone company may request that you disconnect the equipment until the problem is resolved.
Connection to Party Line Service is subject to State Tariffs. Contact the state public utility commission, public service commission or corporation commission for information.
WHEN PROGRAMMING EMERGENCY NUMBERS AND (OR) MAKING TEST CALLS TO EMERGENCY NUMBERS:
Remain on the line and briefly explain to the dispatcher the reason for the call. Perform such activities in the off-peak hours, such as early morning or late evenings.
It is recommended that the customer install an AC surge arrester in the AC outlet to which this device is connected. This is to avoid damaging the equipment caused by local lightning strikes and other electrical surges.
PART 15 LIMITATIONS
This equipment has been tested and found to comply with the limits for a Class A digital device, pursuant to Part 15 of the FCC Rules. These limits are designed to provide reasonable protection against harmful interference when the equipment is operated in a commercial environment. This equipment generates, uses, and can radiate radio frequency energy and, if not installed and used in accordance with the instruction manual, may cause harmful interference to radio communications. Operation of this equipment in a residential area is likely to cause harmful interference in which case the user will be required to correct the interference at his own expense.
Product Support: 715-386-8666
Due to the dynamic nature of the product design, the information contained in this document is subject to change without notice. Viking Electronics, and its affiliates and/or subsidiaries assume no responsibility for errors and omissions contained in this information. Revisions of this document or new editions of it may be issued to incorporate such changes.



















