
V. 02 – 10/06/2020 2 ©Velleman nv
USER MANUAL
Introduction
To all residents of the European Union Important environmental information about this product
This symbol on the device or the package indicates that disposal of the device after its lifecycle could harm the environment. Do not dispose of the unit (or batteries) as unsorted municipal waste; it should be taken to a specialized company for recycling. This device should be returned to your distributor or to a local recycling service. Respect the local environmental rules. If in doubt, contact your local waste disposal authorities.
Thank you for choosing EtiamPro! Please read the manual thoroughly before bringing this device into service. If the device was damaged in transit, do not install or use it and contact your dealer.
Safety Instructions
![]()
Read and understand this manual and all safety signs before using this appliance.
- This device can be used by children aged from 8 years and above, and persons with reduced physical, sensory or mental capabilities or lack of experience and knowledge if they have been given supervision or instruction concerning the use of the device in a safe way and understand the hazards involved. Children shall not play with the device. Cleaning and user maintenance shall not be made by children without supervision.
General Guidelines
- Refer to the Velleman® Service and Quality Warranty on the last pages of this manual.
- All modifications of the device are forbidden for safety reasons. Damage caused by user modifications to the device is not covered by the warranty.
- Only use the device for its intended purpose. Using the device in an unauthorized way will void the warranty.
- Damage caused by disregard of certain guidelines in this manual is not covered by the warranty and the dealer will not accept responsibility for any ensuing defects or problems.
- Nor Velleman nv nor its dealers can be held responsible for any damage (extraordinary, incidental or indirect) – of any nature (financial, physical…) arising from the possession, use or failure of this product.
- Keep this manual for future reference.
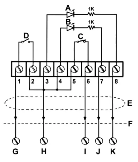
Description
| 1-2 | N.O. contact of the key switch (max. 3 A). Turn the key clockwise 90° in order to establish contact. |
| 3-8 | Green LED with an internal resistor of 1 kΩ, connected in series. Connect the positive (+) power supply of 12 VDC with 3 and the ground connection (-) with 8. |
| 4-7 | Red LED with an internal resistor of 1 kΩ, connected in series. Connect the positive (+) power supply of 12 VDC with 4 and the ground connection (-) with 7. |
| 5-6 | The N.C. contact of the anti-tamper switch (max. 0.5 A) is closed when the housing is closed. Slide the flexible sleeve (included) over the lever of the anti-tamper switch, ensuring that the latter is pressed down when the housing is closed. |
Connection Terminals
| A | green |
| B | red |
| C | tamper switch |
| D | key switch |
| E | 5-core wire |
| F | alarm control panel |
| G | ON/OFF control |
| H | +12V supply |
| I | tamper |
| J | red LED (-) |
| K | green LED (-) |
Care and Maintenance
- Occasionally wipe with a damp cloth to keep it looking new. Do not use harsh chemicals, cleaning solvents or strong detergents.
Technical Specifications
contact rating …………………………………………… 12 V, 3 A max.
dimensions …………………………………………. 117 x 73 x 43 mm
Use this device with original accessories only. Velleman NV cannot be held responsible in the event of damage or injury resulting from (incorrect) use of this device. For more info concerning this product and the latest version of this manual, please visit our website www.Velleman.eu. The information in this manual is subject to change without prior notice.
© COPYRIGHT NOTICE
The copyright to this manual is owned by Velleman nv. All worldwide rights reserved. No part of this manual may be copied, reproduced, translated or reduced to any electronic medium or otherwise without the prior written consent of the copyright holder.
- Velleman® Service and Quality Warranty
Since its foundation in 1972, Velleman® acquired extensive experience in the electronics world and currently distributes its products in over 85 countries. All our products fulfill strict quality requirements and legal stipulations in the EU. In order to ensure the quality, our products regularly go through an extra quality check, both by an internal quality department and by specialized external organizations. If, all precautionary measures notwithstanding, problems should occur, please make an appeal to our warranty (see guarantee conditions).
General Warranty Conditions Concerning Consumer Products (for EU): - All consumer products are subject to a 24-month warranty on production flaws and defective material as from the original date of purchase.
- Velleman® can decide to replace an article with an equivalent article or to refund the retail value totally or partially when the complaint is valid and a free repair or replacement of the article is impossible, or if the expenses are out of proportion. You will be delivered a replacing article or a refund at the value of 100% of the purchase price in case of a flaw occurred in the first year after the date of purchase and delivery, or a replacing article at 50% of the purchase price or a refund at the value of 50% of the retail value in case of a flaw occurred in the second year after the date of purchase and delivery.
- Not covered by warranty: – all direct or indirect damage caused after delivery to the article (e.g. by oxidation, shocks, falls, dust, dirt, humidity…), and by the article, as well as its contents (e.g. data loss), compensation for loss of profits; – consumable goods, parts or accessories that are subject to an aging process during normal use, such as batteries (rechargeable, nonrechargeable, built-in or replaceable), lamps, rubber parts, drive belts… (unlimited list); – flaws resulting from fire, water damage, lightning, accident, natural disaster, etc.…; – flaws caused deliberately, negligently or resulting from improper handling, negligent maintenance, abusive use or use contrary to the manufacturer’s instructions; – damage caused by a commercial, professional or collective use of the article (the warranty validity will be reduced to six (6) months when the article is used professionally); – damage resulting from an inappropriate packing and shipping of the article; – all damage caused by modification, repair or alteration performed by a third party without written permission by Velleman®.
- Articles to be repaired must be delivered to your Velleman® dealer, solidly packed (preferably in the original packaging), and be completed with the original receipt of purchase and a clear flaw description.
- Hint: In order to save on cost and time, please reread the manual and check if the flaw is caused by obvious causes prior to presenting the article for repair. Note that returning a non-defective article can also involve handling costs.
- Repairs occurring after warranty expiration are subject to shipping costs.
- The above conditions are without prejudice to all commercial warranties. The above enumeration is subject to modification according to the article (see article’s manual).
Made in PRC
Imported for EtiamPro by Velleman nv
Legen Heirweg 33, 9890 Gavere, Belgium
www.velleman.eu
USER MANUAL

















